


Preview text:
ĐẠI HỌC QUỐC GIA HÀ NỘI BÀI TEST
TRƯỜNG ĐẠI HỌC CÔNG NGHỆ
Học phần: CƠ SỞ KỸ THUẬT ĐIỆN ĐỀ BÀI Câu 1:
Cho mạch điện như hình bên. Khóa K đã đóng
trong thời gian rất lâu trước thời điểm t = 0. Tìm
biểu thức của iL(t) trước và sau khi mở khóa K. Đáp án tham khảo:
iL(t) = 4; iL(t) = 1 + 3e(-10t) Câu 2:
Cho mạch điện như hình bên. Khóa K đã
đóng trong một khoảng thời gian rất lâu
trước thời điểm t = 0. Xác định biểu thức
vC(t) ngay trước khi đóng khóa và một
khoảng thời gian dài sau khi đóng khóa và
vẽ nó trong khoảng thời gian -0.2 ≤ t ≤ 0.5 s. Đáp án tham khảo: vC(t) = 25 vC(t) = 50 – 25e(-t/τ) Câu 3:
Giải v(t) với t > 0 trong mạch hình bên, cho rằng
dòng điện qua cuộn cảm bằng không ngay trước thời điểm t = 0. Đáp án tham khảo:
v(t) = 25e(-t/τ)+25cos(10t) – 25sin(10t) Câu 4:
Tính giá trị hiệu dụng của dạng tín hiệu tuần hoàn cho trong hình bên. Đáp án tham khảo: ~3.3 V Câu 5:
Một tín hiệu điện thế vL(t) = 10cos(2000π) được đặt vào một cuộn cảm 100 mH. Tìm trở kháng
phức của cuộn cảm. Tìm pha của điện thế, cuộn cảm và vẽ giản đồ pha. Viết biểu thức dòng
điện theo thời gian, vẽ phác họa tín hiệu điện thế và dòng điện theo thời gian. Nhận xét về mối
quan hệ giữa tín hiệu điện thế và dòng điện vừa vẽ được.
Đáp án tham khảo: dòng điện chậm pha hơn điện thế 90° Câu 6:
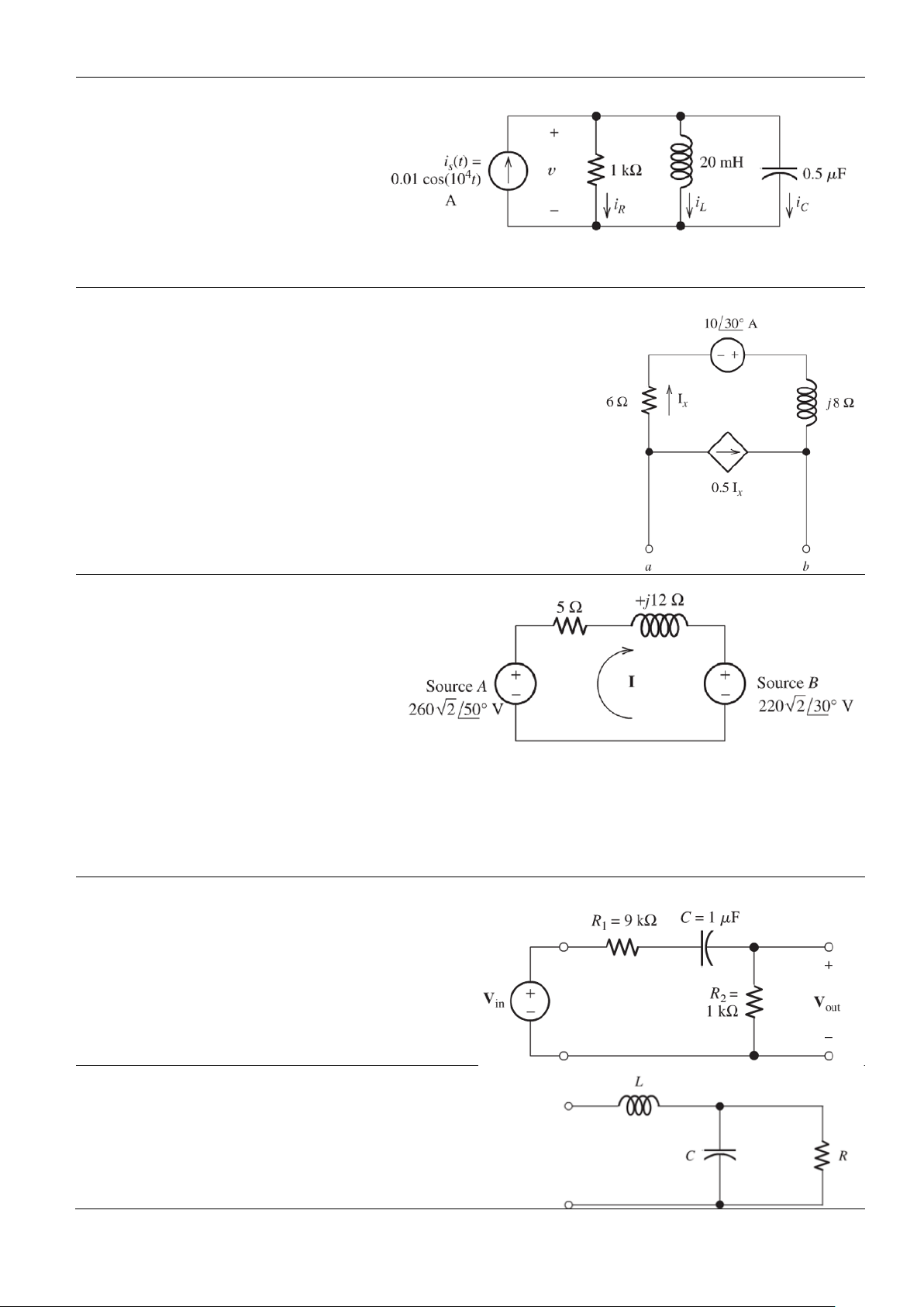
Cho mạch trong hình bên. Tìm
biểu thức góc pha của Is, V, IR, IL
và IC. So sánh biên độ đỉnh của
iL(t) với biên độ đỉnh của iS(t). Nhận xét.
Đáp án tham khảo: Các dòng điện
vuông pha nhau, IR = 10∠0°, IL = 50∠-90° và IC = 50∠90° Câu 7:
Vẽ mạch Thévenin và Norton cho mạch bên, đánh dấu các
phần tử và cực tương ứng
Đáp án tham khảo: 10∠30°, 6.67∠53.13° Câu 8:
Cho mạch điện trong hình bên. Hãy
xác định công suất của mỗi phần tử
trong mạch (chú ý là bao gồm cả
nguồn). Sau đó, chỉ ra phẩn tử nào
phát công suất, phần tử nào thu công suất. Đáp án tham khảo: 1.799 kW, 0.4046 kVAR 1.547 kW, -0.1989 kVAR 0.2514 kW 0.6013 kVAR Câu 9:
Cho mạch điện như hình bên. Hãy vẽ phác họa
dựa trên các đường tiệm cận Đồ thị Bode gồm
biên độ và pha cho hàm truyền H(f) = Vout/Vin
Đáp án tham khảo: fB = 15.92 Hz Câu 10:
Xác định tần số cộng hưởng của mạch cho trong hình bên.
Đáp án tham khảo: Good luck!