



















Preview text:
lOMoAR cPSD| 58675420 LỜI CẢM ƠN
Em xin chân thành cảm ơn sâu sắc tới cô giáo: ThS. Trần Thị Tịnh người
đã trực tiếp giảng dạy hướng dẫn xuyên suốt quá trình học tập và thời gian thực
hiện đồ án tốt nghiệp. Trong suốt quá trình học tập kể từ khi nhóm em nhận đề tài
và nhất là thời gian nhóm làm mô hình. Cô đã luôn tận tình chỉ bảo, hướng dẫn và
động viên để nhóm em có kiến thức, có động lực phát trển và hoàn thành đồ án một cách tốt nhất.
Em xin gửi lời cảm ơn chân thành tới quý thầy, cô giáo thuộc chuyên ngành
Khoa Điện – Điện tử và các thầy cô đã dạy dỗ em cho em kiến thức, những bài
học, những tình cảm tình thương trong suốt quá trình học tập và nghiên cứu tại
Trường Cao Đẳng Kinh Tế - Kỹ Thuật Vĩnh Phúc thân yêu trong thời gian đã qua.
Cuối cùng chúng em xin cảm ơn đến gia đình, người thân, cùng tòan thể
bạn bè, những người luôn động viên tinh thần, quan tâm và giúp đỡ, tạo điều kiện
cho em để em có động lực học tập tốt, hoàn thành đồ án tốt nghiệp này.
Chúng em xin chân thành cảm ơn ! lOMoAR cPSD| 58675420 LỜI MỞ ĐẦU
Trong điều kiện công cuộc kiến thiết nước nhà đang bước vào giai đoạn
công nghiêp hóa hiện đại hóa với những cơ hội thuận lợi và những khó khăn thách
thức lớn. Điều này đặt ra cho thế hệ trẻ, những người chủ tương lai của đất nước
những nhiệm vụ nặng nề. Đất nước đang cần sức lực trí tuệ cũng như lòng nhiệt
huyết của những tri thức trẻ, trong đó có những kỹ sư tương lai.
Sự phát triển nhanh chóng của cách mạng khoa học kỹ thuật nói chung và
lĩnh vực điện nói riêng làm cho bộ mặt xã hội thay đổi từng ngày. Trong hoàn
cảnh đó, để đáp ứng được những điều kiện thực tiễn sản xuất đòi hỏi nguời kỹ sư
tương lai phải học được kiến thức chuyên ngành một cách sâu rộng.
Trong thời gian học tập và nghiên cứu tại trường đã giúp chúng em hiểu rõ
hơn về ngành mình đang học là cần thiết và cấp bách trong thời kỳ mà đất nước
đang tiến hành công nghiệp hóa hiện đại hóa.
Đối với chúng em là sinh viên tại trường, qua 4 năm học tập dưới sự dìu
dắt và hướng dẫn của các thầy, cô đã giúp chúng em có một lượng kiến thức cơ
bản về ngành điện mà đó là một lượng kiến thức không hề nhỏ giúp chúng em làm
đồ án và các công việc thực tiễn sau này.
Thực tập tốt nghiệp là một cơ hội tốt để sinh viên chúng em có thể áp dụng
những kiến thức đã học. Với việc làm đồ án đã giúp chúng em giải quyết một vấn
đề tổng hợp về ngành mình đang học. Làm quen với những tài liệu, sổ tay, tiêu
chuẩn và khả năng kết hợp, so sánh những kiến thức lý thuyết với thực tế.
Mặt khác, khi làm đồ án đã giúp chúng em phát huy tối đa tính độc lập,
sáng tạo để giải quyết các vấn đề cụ thể.
Đề tài mà chúng em làm là: “ Thiết kế, lắp ráp tủ điện điều khiển động
cơ 2 cấp tốc độ có đảo chiều”. lOMoAR cPSD| 58675420
Để hoàn thành đề tài này chúng em đã nghiên cứu kỹ các giáo trình, giáo
án trong và ngoài trường, và các tài liệu khác có liên quan đến ngành điện
Trong quá trình thiết kế và hoàn thành đồ án mặc dù chúng em đã rất cố
gắng nhưng không tránh khỏi các thiếu sót, em rất mong được sự góp ý của thầy
cô trong bộ môn và trong khoa và đặc biệt là cô Trần Thị Tịnh.
Đề tài gồm những nội dung sau:
Chương 1: Cơ sở lý luận
Chương 2: Mạch điện điều khiển động cơ 2 cấp tốc độ có đảo chiều
Chương 3: Mô hình tủ điện – Mạch điều khiển động cơ 2 cấp tốc độ có đảo chiều
Chương 4: Kết luận
Trong quá trình làm nhóm chúng em kinh nghiệm chưa có nhiều nên
không thể tránh khỏi những sai sót, rất mong nhận được ý kiến đóng góp của
thầy cô để đồ án tốt nghiệp của chúng em được hoàn thiện hơn MỤC LỤC
LỜI CẢM ƠN………………………………………………………………2
LỜI MỞ ĐẦU………………………………………………………………3
CHƯƠNG I: CƠ SỞ LÝ LUẬN……………………………………………6
1. 1.Cơ sở khoa học và tính thực tiễn của đề tài………………………..6
1.2. Mục tiêu đề tài……………………………………………………..6
1.3. Phương pháp nghiên cứu…………………………………………..6
CHƯƠNG 2: MẠCH ĐIỆN ĐIỀU KHIỂN ĐỘNG CƠ HAI CẤP TỐC ĐỘ
CÓ ĐẢO CHIỀU………………………………………………………. 7
2. 1.Sơ đồ nguyên lý……………………………………………………7
2.2. Nguyên lý hoạt đông……………………………………………….8 lOMoAR cPSD| 58675420
CHƯƠNG III : MÔ HÌNH TỦ ĐIỆN – MẠCH ĐIỆN ĐIỀU KHIỂN ĐỘNG
CƠ HAI CẤP TỐC ĐỘ CÓ ĐẢO CHIỀU………………………………….10
3.1. Các thiết bị sử dụng trong mô hình tủ
điện………………………………..10
3.2. Sơ đồ lắp ráp tủ
điện……………………………………………………….22 3.3. Mô hình thực
nghiệm……………………………………………………...24
CHƯƠNG IV : KẾT LUẬN………………………………………………….28
CHƯƠNG I : CƠ SỞ LÝ LUẬN
1.1. Cơ sở khoa học và tính thực tiễn của đề tài:
Nước ta là một nước đi lên từ nông nghiệp, Công nghiệp kém phát triển
và lạc hậu. Tuy nhiên, những năm gần đây nghành công nghiệp nước ta đã thay
đổi tích cực, nhanh chóng và hiện đại hóa mạnh mẽ. Nhưng so với các nước công
nghiệp phát triển khác và các nước công nghiệp trong khu vực nền công nghiệp
nước ta còn một khoảng cách rất xa. Để đảm bảo chất lượng phát triển công nghiệp
như thời buổi hiện nay thì việc nâng cao tính năng hoạt động và năng suất hoạt
động máy móc là chủ yếu, thiết thực nhất. Đó là đưa máy móc vào dây chuyền tự
động và bán tự động bằng các mạch điều khiển công nghiệp hiện nay. Trong đó ,
mạch điều khiển động cơ hai cấp tốc độ là rất quan trọng và cần thiết. Vì vậy, việc
tìm hiều và vận hành kiểm tra thực tế các thiết bị công nghiệp là vốn kiến thức
không thể thiếu cho sinh viên ngành điện. Do đây là một vấn đề chủ yếu và cần
thiết cho việc vận hành bảo dưỡng kinh tế các thiết bị công nghiệp nhằm nâng cao
năng suất sản xuất của các xí nghiệp vừa và nhỏ hiện tại.
1.2. Mục tiêu đề tài: lOMoAR cPSD| 58675420
Nhằm tìm hiểu sâu cơ sở lý thuyết và nắm bắt phương pháp vận hành thực
tế mạch điều khiển động cơ hai cấp tốc độ. Từ kết quả đạt được có thể đưa ra
hướng khắc phục hoặc hạn chế sự sai lệch giữa cơ sở lý thuyết và thực tế nhằm
vận hành và bảo dưỡng các thiết bị công nghiệp làm việc ổn định, lâu dài và kinh tế.
1.3. Phương pháp nghiên cứu:
Tham khảo tài liệu, nghiên cứu thực tế và kết hợp với vốn kiến thức đã học
để vận hành kiểm tra thử nghiệm đem kết quả xác thực trên các thiết bị điện công
nghiệp về điều khiển động cơ hai cấp tốc độ có đảo chiều
CHƯƠNG II: MẠCH ĐIỆN ĐIỀU KHIỂN ĐỘNG CƠ HAI CẤP TỐC ĐỘ CÓ ĐẢO CHIỀU
2.1. Sơ đồ nguyên lý lOMoAR cPSD| 58675420
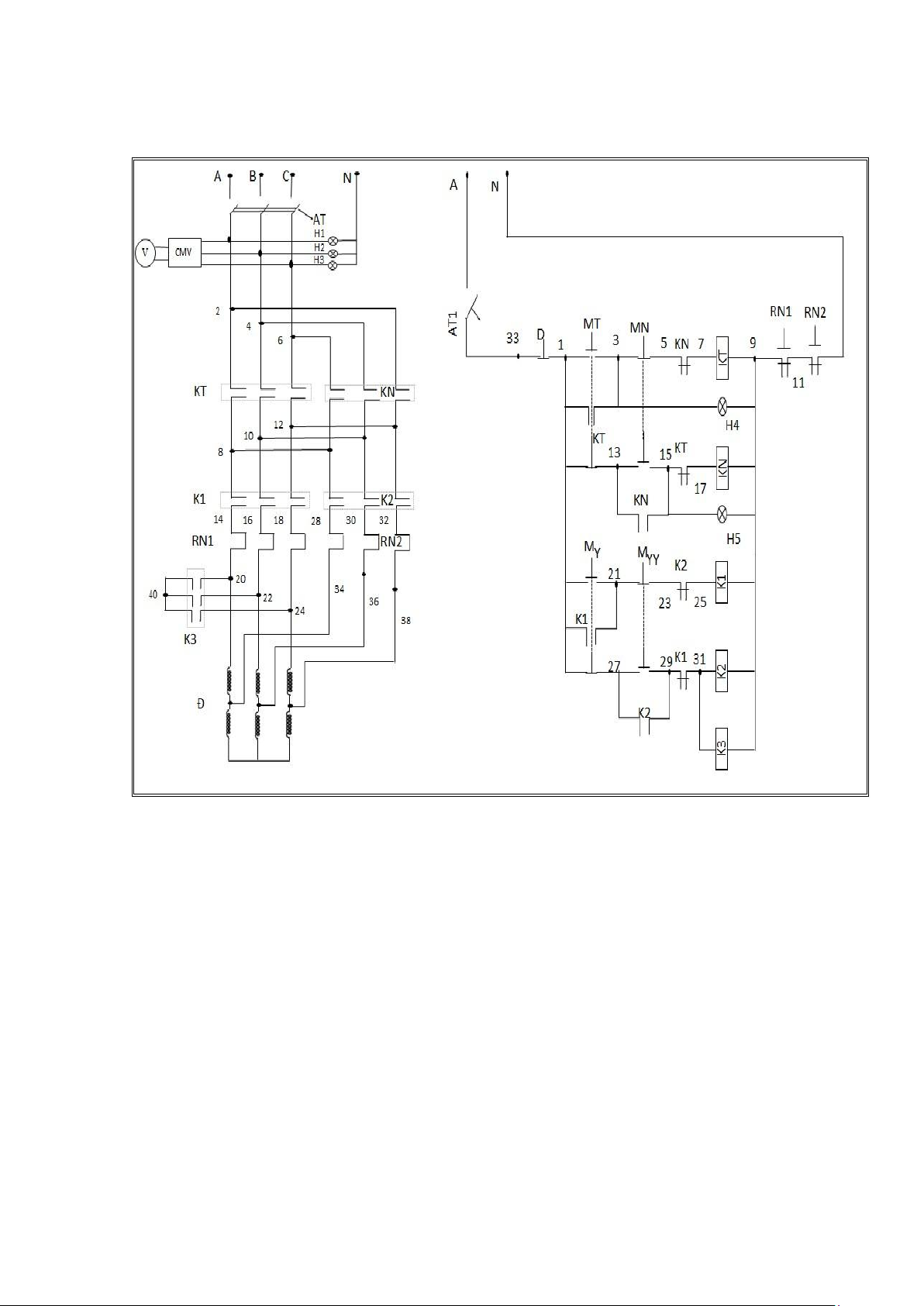
Hình 2.1: Sơ đồ nguyên lý
Trang bị điện của mạch: - AT: Áptômat 3 pha
- Động cơ Đ động cơ quay trục chính có công suất 2,2KW
- KT, KN công tắc tơ điều khiển động cơ Đ quay thuận, ngược.
- K1 công tắc tơ điều khiển động cơ trục chính chạy ở tốc độ thấp lOMoAR cPSD| 58675420
- K2, K3: công tắc tơ điều khiển động cơ trục chính chạy ở tốc độ cao
- MT, MN: Nút ấn điều khiển động cơ trục chính Đ quay thuận, ngược
- MY, MYY: Nút ấn điều khiển động cơ trục chính Đ quay ở tốc độ thấp, cao
- RN1, RN2: Rơ le nhiệt bảo vệ quá tải động cơ
- H1, H2, H3: Đèn báo nguồn
- H4, H5: Đèn báo ĐC quay thuận, ngược - CMV: Chuyển mạch vôn
2.2. Nguyên lý hoạt động của mạch
Đóng áp tô mát AT cấp điện cho mạch động lực và mạch điều khiển.
Điều khiển động cơ làm việc ở chế độ thấp (Y). Ấn nút My(1-21) đóng lại,
cấp điện cho cuộn dây công tắc tơ K1(25-9), tiếp điểm K1(1-21) đóng lại duy trì
dòng điện cho cuộn dây công tắc tơ K1(25-9), tiếp điểm K1(29-31) mở khống chế
cuộn dây công tắc tơ K2(31-9). Bên mạch động lực tiếp điểm K1(8-14, 1016, 12- 18) đóng lại.
Mở máy thuận: Ấn nút MT tiếp điểm MT(1-3) đóng, cấp điện cho cuộn dây
công tắc tơ KT (7-9), đèn H4, tiếp điểm KT(1-3) đóng lại duy trì cho cuộn dây
KT, tiếp điểm KT (15-17) mở ra khống chế cuộn dây công tắc tơ KN (17-9). Bên
mạch động lực tiếp điểm KT (2-8;4- 10;6- 12) đóng lại, động cơ làm việc thuận ở chế độ sao.
Mở máy ngược: ấn nút MN tiếp điểm MN(3-5) mở ra, cuộn dây công tắc tơ
KT (7-9) mất điện, đèn H4 mất điện, tiếp điểm KT (1-3) mở, KT (15-17) đóng,
đồng thời tiếp điểm MN (13-15) đóng, cấp điện cho cuộn dây công tắc tơ KN (17-
9), đèn H5, tiếp điểm KN (13-15) đóng duy trì dòng điện cho cuộn dây công tắc
tơ KN (17-9), đèn H5. Bên mạch động lực tiếp điểm KT (2-8, 4-10, 6-12) mở, tiếp
điểm KN(2-12,4-10, 6-8) đóng, do đảo hai pha động cơ quay ngược (đảo chiều).
Mở máy ở chế độ sao kép ấn nút MYY (21-23) mở cuộn dây công tắc tơ K1
mất điện, tiếp điểm K1(1-21) mở ra, tiếp điểm K1(29-31) đóng đồng thời tiếp lOMoAR cPSD| 58675420
điểm MYY (27-29) đóng, cấp điện cho cuộn đây công tắc tơ K2, K3, tiếp điểm
K2(27-29) đóng lại duy trì dòng điện cho cuộn dây công tắc tơ K2, k3, tiếp điểm
K2(23-25) mở ra khống chế cuộn dây công tắc tơ K1(25-9). Bên mạch động lực
tiếp điểm K1(8-14, 10-16, 12-18) mở, tiếp điểm K2, K3 đóng, động cơ chuyển
sang làm việc chế độ sao kép tốc độ nhanh
Dừng động cơ: Ấn nút D, mạch điều khiển mất điện, cắt điện mạch động
lực, động cơ ngừng hoạt động. Các bảo vệ của mạch:
+ Áp tô mát bảo vệ ngắn mạch +
Rơ le nhiệt bảo vệ quá tải
+ Các cuộn dây bảo vệ kém áp
+ Tiếp điểm duy trì bảo vệ trạng thái không điện
CHƯƠNG III : MÔ HÌNH TỦ ĐIỆN – MẠCH ĐIỆN ĐIỀU KHIỂN ĐỘNG
CƠ 2 CẤP TỐC ĐỘ CÓ ĐẢO CHIỀU
3.1. Các thiết bị sử dụng trong mô hình tủ điện 3.1.1. Công tắc tơ a. Cấu tạo lOMoAR cPSD| 58675420
Hình 3.1: Công tắc tơ b. Nguyên lý làm việc:
Khi cuộn hút của công tắc tơ chưa được cấp điện, lò xo đẩy lõi thép động
tách xa khỏi lõi thép tĩnh. Các cặp tiếp điểm chính và tiếp điểm phụ ở trạng thái mở.
Khi cấp điện cho cuộn hút, trong cuộn hút sẽ có dòng điện chạy qua, dòng
điện này sẽ sinh ra từ thông móc vòng qua cả hai lõi thép và khép kín mạch từ.
Chiều và trị số của từ thông sẽ biến thiên theo chiều và trị số của dòng điện
sinh ra nó, nhưng xét tại một thời điểm nhất định thì từ thông đi qua bề mặt tiếp
xúc của hai lõi thép là cùng chiều nên sẽ tạo thành ở hai bề mặt này hai cực N-S
trái dấu nhau (cực nào có chiều từ thông đi vào là cực nam còn cực nào có chiều
từ thông đi ra là cực bắc). Kết quả là lõi thép động sẽ bị hút về phía lõi thếp tĩnh,
kéo theo tay đòn làm cho các tiếp điểm chính và tiếp điểm phụ đóng lại.
Khi cuộn hút được cấp điện thì hai lõi thép sẽ bị biến thành “nam châm
điện” và luôn có xu thế hút nhau, không phụ thuộc vào chiều dòng điện chạy trong
cuộn dây. Tức là không phụ thuộc vào nguồn điện cấp cho cuộn dây là điện xoay
chiều hay điện một chiều.
Thông qua việc đóng cắt điện cho cuộn hút (dòng điện này thường rất nhỏ)
mà ta có thể đóng cắt được các phụ tải tiêu thụ dòng rất lớn và có thể điều khiển từ xa được.
Nếu công tắc tơ dùng với điện xoay chiều thì tại thời điểm dòng điện bằng
không, từ thông do cuộn dây sinh ra sẽ bị triệt tiêu nên sẽ không có lực hút lõi
động. Tức thời lò xo sẽ đẩy lõi thép động về vị trí cũ gây ra hiện tượng rung động. lOMoAR cPSD| 58675420
Để khắc phục nhược điểm này người ta thường đặt vào bề mặt tiếp xúc một vòng
ngắn mạch. Từ thông của vòng ngắn mạch luôn lệch pha so với từ thông chính
của cuộn dây sinh ra nó sẽ giúp cho 2 lõi thép hút nhau ngay cả thời điểm dòng
điện bằng không. Vì vậy vòng ngắn mạch còn được gọi là vòng chống rung.
Thông qua việc đóng cắt điện cho cuộn hút của công tắc tơ mà ta có thể
đóng cắt được hàng loạt các tiếp điểm có khả năng chịu được dòng điện lớn.
Tức là ta có thể dùng công tắc tơ để đóng cắt phụ tải ba pha thay cho cầu
dao hoặc áp tô mát mà việc đóng cắt rất nhẹ nhàng và đơn giản. Đây chính là ưu
điểm nổi bật của công tắc tơ.
c. Các thông số kỹ thuật của công tắc tơ.
Khi chọn công tắc tơ cần chú ý các thông số kỹ thuật sau:
Dòng điện định mức của công tắc tơ (A): Đây là dòng điện lớn nhất cho
phép công tắc tơ làm việc trong thời gian lâu dài mà không bị hư hỏng. Đối với
mỗi công tắc tơ thì dòng điện này phụ thuộc vào điện áp làm việc của công tắc tơ
(lưu ý là điện áp làm việc của tiếp điểm chứ không phải điện áp của cuộn hút). Về
nguyên tắc khi chọn công tắc tơ thì dòng điện này chủ yếu do tiếp điểm của công tắc tơ quyết định.
Để tiết kiệm người ta thường chọn Iđm=(1,21,5).Itt
Điện áp định mức của công tắc tơ (V):
Đây là điện áp cách điện an toàn giữa các bộ phận tiếp điện với vỏ của công
tắc tơ. Điện áp này không được chọn nhỏ hơn điện áp cực đại của lưới điện. lOMoAR cPSD| 58675420
Điện áp định mức của cuộn hút công tắc tơ: (V) Điện áp này lựa chọn phù
hợp với điện áp của mạch điều khiển. Ví dụ: mạch điều kiển sử dụng điện áp
220V-AC thì ta phải chọn công tắc tơ có điện áp định mức cuộn hút là 220V – AC...
Tuổi thọ của công tắc tơ: Được tính bằng số lần đóng cắt ( tính trung bình)
kể từ khi dùng cho đến khi hỏng. Tuổi thọ được chia thành hai loại: tuổi thọ về
điện và tuổi thọ về cơ khí. Kinh nghiệm cho thấy tuổi thọ về điện thấp hơn tuổi thọ về cơ.
Tần số đóng cắt lớn nhất cho phép. Thường được tính bằng số lần đóng cắt
lớn nhất cho phép trong một giờ.
Môi trường làm việc của công tắc tơ: Nếu môi trường làm việc của
côngtắctơ khô ráo thì có thể sử dụng công tắc tơ kiểu hở hoặc nửa hở. Còn nếu
môi trường làm việc của công tắc tơ có độ ẩm cao (ví dụ trong trạm bơm nước)
thì ta phải lựa chọn công tắc tơ loại kín để an toàn cho người vận hành và bảo vệ
cho cuộn dây khỏi bị ẩm ướt dẫn đến chạm chập.
Số các cặp tiếp điểm chính và phụ: Tuỳ thuộc vào phụ tải (một hay 3 pha)
và sự liên động của công tắc tơ với các thiết bị khác trong hệ thống.
Trên sơ đồ nguyên lý các tiếp điểm và cuộn hút trên công tắc tơ thường được ký hiệu như sau: 3.1.2. Nút ấn a. Cấu tạo lOMoAR cPSD| 58675420 Hình 3.2: Nút ấn
b. Nguyên lý hoạt động đối với một số loại nút nhấn.
Đối với nút nhấn thường mở: khi có lực tác động vào nút nhấn, tiếp điểm
động sẽ thay đổi trạng thái từ mở sang đóng (tiếp xúc với tiếp điểm tĩnh) tạo thành
mạch kín để phát tín hiệu điều khiển tới thiết bị điện. Khi không còn lực tác động
thì nó trở lại trạng thái ban đầu.
Đối với nút nhấn thường đóng: khi có lực tác động vào nút nhấn, tiếp điểm
động sẽ thay đổi trạng thái từ đóng sang mở (rời khỏi tiếp điểm tĩnh) tạo thành
mạch hở để ngắt tín hiệu điều khiển 1 thiết bị điện. Khi không còn lực tác động
thì nó trở lại trạng thái ban đầu.
Đối với nút nhấn liên động: khi có lực tác động vào nút nhấn, tiếp điểm
thường đóng thay đổi trạng thái từ đóng sang mở, sau đó tiếp điểm thường mở
thay đổi trạng thái từ mở sang đóng (tiếp điểm thường đóng mở trước, sau đó tiếp
điểm thường mở mới đóng lại). Khi không còn lực tác động thì nó sẽ trở lại trạng thái ban đầu. Thông số kỹ thuật:
Đối với nút nhấn kiểu hở và kiểu bảo vệ, dòng điện qua tiếp điểm ≤ 5A,
điện áp thường có giá trị ≤ 500V, thao tác đóng cắt khoảng 100.000 lần.
Theo qui định về màu của các nhà sản xuất:
Màu đỏ: màu để dừng hệ thống.
Màu xanh: màu để khởi động hệ thống. lOMoAR cPSD| 58675420 3.1.3. Áp tô mát
a. Các yêu cầu đối với áptômát như sau:
+ Chế độ làm việc ở định mức của áptômát phải là chế độ làm việc dài hạn,
nghĩa là trị số dòng điện định mức chạy qua áptômát lâu bao nhiêu cũng được.
Mặt khác mạch dòng điện của áptômát phải chịu được dòng điện lớn (khi có ngắn
mạch) lúc các tiếp điểm của nó đã đóng hay đang đóng.
+ áptômát phải ngắt được trị số dòng điện ngắn mạch lớn có thể tới vài chục
KA. Sau khi ngắt dòng điện ngắn mạch áptômát phải làm việc tốt ở trị số dòng điện định mức.
+ Để nâng cao tính ổn định nhiệt và điện động của các thiết bị điện, hạn chế
sự phá hoại do dòng điện ngắn mạch gây ra áptômát phải có thời gian đóng cắt
bé. Muốn vậy thường phải kết hợp lực thao tác cơ học với thiết bị dập hồ quang bên trong của áptômát.
Để thực hiện yêu cầu thao tác bảo vệ có chọn lọc áptômát phải có khả năng
điều chỉnh trị số dòng điện tác động và thời gian tác động. b. Cấu tạo :
Tuỳ theo chức năng cụ thể mà áp tô mát có thể có đầy đủ hoặc một số bộ phận chính sau: -
Hệ thống tiếp điểm và bộ phận dập hồ quang. -
Cơ cấu tác động (cơ cấu ngắt mạch) nhiệt: Cơ cấu này làm
nhiệm vụngắt mạch khi quá tải, hoạt động dựa trên sự co dãn vì nhiệt của
thanh lưỡng kim nhiệt tương tự như rơle nhiệt thông thường. -
Cơ cấu tác động điện từ: Cơ cấu này gồm một thanh nam châm
điện(cuộn dây điện từ và lõi thép) làm nhiệm vụ ngắt mạch khi có hiện
tượng ngắt mạch – hoạt động tương tự rơ le điện từ. Về nguyên tắc, khi có
hiện tượng ngắn mạch thì cơ cấu tác động điện từ sẽ tác động trước, vì vậy
nếu một áp tô mát được trang bị cả 2 cơ cấu trên thì dòng điện tức động tức
thời phải có giá trị lớn hơn nhiều dòng điện tác động chậm. lOMoAR cPSD| 58675420
Hình 3.3: Cấu tạo áp tô mát
c. Nguyên lý làm việc của áp tô mát dòng cực đại và điện áp thấp: lOMoAR cPSD| 58675420
Hình 3.4: Sơ đồ nguyên lý của áp tô mát 1. Lò xo 6. Đòn bẩy 2. Tiếp điểm 7. Lẫy
3. Ngàm 8.Phần tử đốt nóng
4. Đòn bẩy 9. Cuộn dây áp (tiết diện dây nhỏ, số vòng dây lớn)
5. cuộn dây dòng (Tiết diện dây lớn, số vòng dây ít)
-Khi đóng áp tô mát bằng tay thì các tiếp điểm (2) của áp tô mát được đóng
lại để cấp điện cho phụ tải làm việc.
-Khi mạch điện bị quá tải, dòng điện quá tải chạy qua phần tử đốt nóng
(8) lớn hơn bình thường. Nó sẽ đốt nóng thanh lưỡng kim nhiệt làm cho thanh
lưỡng kim nhiệt bị cong lên tác động vào đòn bẩy (4),. Đòn bẩy (4) sẽ đập vào lẫy lOMoAR cPSD| 58675420
(7), mở ngàm (3), lò xo (1) kéo tiếp điểm (2) mở ra mạch điện bị cắt điện. Thời
gian mở tiếp điểm (2) phụ thuộc vào dòng điện quá tải, dòng điện càng lớn thời gian cắt càng nhanh.
-Trường hợp phụ tải bị ngắn mạch, dòng điện rất lớn đi qua cuộn dây 5
(tiết diện dây lớn, số vòng dây ít) lập tức hút đòn bẩy 4 tác động làm cho ngàm 3
mở, lò xo 1 kéo tiếp điểm 2 mở ra. Như vậy mạch điện bị cắt tức thời nhờ lực điện từ của cuộn dây 5.
-Trường hợp mất điện nguồn hoặc điện áp thấp thì lực hút của cuộn dây
điện áp 9 (tiết diện dây nhỏ, số vòng dây lớn) sẽ không thắng lực kéo của lò xo
làm đòn bẩy 6 bật lên, tác động vào lẫy 7 mở ngàm 3 – tự động cắt điện khi điện
áp thấp hoặc mất điện. 3.1.4. Rơle nhiệt
a. Cấu tạo của Rơle nhiệt
Đầu vào của phần Đầu ra của phần chỉnh dòng điện tác động 2 cặp tiếp điểm 2 lOMoAR cPSD| 58675420
Hình 3.5: Cấu tạo của rơ le nhiệt mặt ngoài Tiếp điển th.đóng ản lưỡng kim Thanh truyền động
Hình 3.6: Cấu tạo của rơ le nhiệt mặt trong 1.
Phần tử đốt nóng toả nhiệt ra xung quanh làm nhiệm vụ hơ nóng thanhlưỡng kim. 2.
Băng kép (thanh lưỡng kim) khi bị hơ nóng sẽ tác động rơle ngắt mạchđiện 3.
Đòn xoay 3 tác động động đến thanh truyền 7 4.
Tiếp điểm thường đóng có nhiệm vụ khi gặp sự cố tiếp điểm sẽ mở
rangắt mạch điện bảo vệ cho động cơ
5. Nút ấn phục hồi có nhiệm vụ phục hồi trạng thái ban đầu cho rơle
6. Lò xo tác động vào đòn xoay 3
7. Thanh kéo (Thanh truyền động mở tiếp điểm) tác động vào các tiếpđiểm lOMoAR cPSD| 58675420
Ngoài ra hai tiếp điểm thường mở của rơle nhiệt trong một số trường hợp
được mắc với bóng đèn báo hiệu, lúc bình thường bóng đèn không sáng khi quá
tải, rơle nhiệt tác động tiếp điểm thường mở đóng lại bóng đèn sáng báo hiệu có sự cố xảy ra.
b. Nguyên lý làm việc của Rơle nhiệt
- Khi dòng điện phụ tải chạy qua, phần tử đốt nóng 1 sẽ nóng
lên và toảnhiệt ra xunh quanh. Băng kép 2 bị hơ nóng lên trên. Nếu
trong phạm vi nhiệt độ cho phép ứng với dòng phụ tải nào đó thì đòn
xoay 3 vẫn tì đầu trên vào thanh lưỡng kim và mạch điều khiển làm việc bình thường.
- Nếu phụ tải (động cơ) bị quá tải, sau một thời gian bị hơ nóng
cao hơn,thanh lưỡng kim 2 sẽ cong lên nữa và rời khỏi đầu trên của đòn
xoay 3. Lò xo 6 sẽ kéo đòn xoay 3 quay ngược chiều kim đồng hồ. Đầu
dưới đòn xoay 3 sẽ quay sang phải và kéo theo thanh truyền động 7.
Tiếp điểm thường đóng 4 mở ra, cắt mạch điều khiển và từ đó mạch lực bị cắt.
- Khi sự cố quá tải đã được giải quyết, thanh lưỡng kim 2 nguội
và congxuống nhưng chỉ tì lên đầu của đòn xoay 3 nên tiếp điểm 4
không thể tự đóng lại được. Muốn Rơle trở về trạng thái ban đầu để tiếp
tục nhiệm vụ bảo vệ quá tải, phải ấn nút phục hồi 5 để đẩy đòn xoay 3
quay thuận chiều kim đồng hồ. Đầu tự do của thanh lưỡng kim sẽ tụt
xuống, chèn giữ đòn xoay 3 ở vị trí đóng tiếp điểm 4.
- Rơle nhiệt có kí hiệu phần tử đốt nóng và tiếp điểm thường
đóng nhưtrên. Kí hiệu nút ấn phục hồi trên tiếp điểm thường đóng chỉ lOMoAR cPSD| 58675420
rõ ý nghĩa: Khi rơle nhiệt đã tác động và đã xử lí sự cố, muốn trở về
trạng thái ban đầu, cần phải ấn nút phục hồi.
- Rơle nhiệt có quán tính nhiệt lớn vì khi dòng tải qua phần tử
đốt nóng 1 tăng lên thì cần phải có một thời gian để nhiệt truyền tới
thanh lưỡng kim, làm thanh lưỡng kim cong lên. Vì vậy, Rơle nhiệt
không có tác dụng cắt mạch tức thời khi dòng tăng lên mạnh nghĩa là
không bảo vệ được sự cố ngắn mạch.
- Dòng điện quá tải càng lớn thì thời gian tác động của rơle nhiệt càngngắn.
c. Các thông số kỹ thuật và cách lựa chọn rơle nhiệt
Khi sử dụng rơ le nhiệt trong mạch điện người ta cần chú ý các thông số kỹ thuật sau:
- Dòng điện định mức (Iđm): Đây là dòng diện lớn nhất mà rơle
nhiệt có thể làm việc được trong thời gian lâu dài (A).
- Dòng tác động (dòng ngắt mạch) là dòng điện lớn nhất trước
khi rơletác động để các tiếp điểm chuyển trạng thái (các tiếp điểm đang
đóng sẽ chuyển sang trạng thái ngắt hoặc ngược lại).
- Dòng định mức của rơle nhiệt thường được chọn bằng dòng
điện địnhmức của động cơ điện cần được bảo vệ quá tải, sau đó chỉnh
giá trị của dòng tác động là: Itđ = (1, 2 – 1,3) Iđm
- Vì rơle nhiệt tác động là nhờ thanh lưỡng kim nóng cong lên
nên tác độngcủa rơle nhiệt bị ảnh hưởng của nhiệt độ môi trường xung
quanh. Khi nhiệt độ môi trường xung quanh tăng, rơle nhiệt sẽ tác động
sớm hơn nghĩa là dòng điện tác động bị giảm. Khi đó cần phải hiệu
chỉnh lại Itđ lớn hơn. lOMoAR cPSD| 58675420
3.2. Sơ đồ lắp ráp mạch điện:
3.2.1. Sơ đồ bố trí thiết bị
3.2.2. Sơ đồ lắp ráp tủ điện :