












Preview text:
“BLIND SPOT MONITORING” AND “REAR CROSS PATH DETECTION” SYSTEMS
BLIND SPOT MONITORING (BSM)
The system continuously monitors the rear blind spots on both sides of the vehicle when any forward
gear is engaged and the speed is higher than approximately 10 km/h.
The system uses two radar modules installed behind the rear bumper in side area to inform the driver
of vehicles/objects present in these areas by means of specific warning icons installed on each wing mirror.
The Blind Spot Detection system switches into standby mode if:
With manual gearbox, the parking brake applied.
With automatic transmission, PARKING position is engaged. Detection condition:
Vehicle overtaking in rear area:
The system will warn the driver by lighting specific icons on the wing mirrors if the relative speed is
slower than approximately 50 km/h. This includes objects which start moving in this area, such as
adjacent vehicles when the traffic lights turn green moving the same direction when 10 km/h is reached.
Overtaking a preceding vehicle:
The warning light on the wing mirror on the corresponding side will light up if another vehicle is
overtaken slowly (at a speed slower than about 24 km/h) and the vehicle stays in the blind spot for
about 1.5 seconds. The warning light will not light up if the difference in speed between the two
vehicles is greater than about 24 km/h.
All rights reserved. The circulation and reproduction of all or part of this document by any means is prohibited. ALFA ROMEO STELVIO -1- REV 0.0
Rear Cross-path Detection
The system monitors the vehicles and/or objects in the rear area of the vehicle (always through the
two radars which also perform the BSM function) having a perpendicular movement to the vehicle and
speed lower than 35 km/h, during reversing manoeuvres providing feedback to the driver via buzzer and/or visual icons.
LBSS and RBSS radar sensors
All rights reserved. The circulation and reproduction of all or part of this document by any means is prohibited. ALFA ROMEO STELVIO -2- REV 0.0
The radar sensors have an operation frequency that ranges from about 24 GHz to 200 MHz Pin Function 1 12 V power supply 2 LED signal 3 CAN H 4 Not connected 5 CAN L 6 Earth
RBSS radar sensor (right side) Pin Function 1 12 V power supply 2 LED signal 3 CAN H 4 Earth 5 CAN L 6 Earth WARNING:
The blind sport monitoring system can help the driver to avoid accidents by providing visual warnings.
In all cases, the system does not replace the driver and cannot correct dangerous driving styles. The
driver must remain alert and in control of the vehicle at all times.
BSM system function overview:
Monitors the vehicle's blind spots and warns the driver when another vehicle is present;
It uses dual broadband radar sensors located behind the rear side panels;
It operates the icons on the wing mirrors.
Notifies the presence of vehicles in the blind spots when the lane is changed or other vehicles are overtaking;
Notifies the detection of vehicles moving in the rear area transversally to the vehicle, when this is reversing;
The driver can activate / deactivate the system and select the function mode via the radio menu.
All rights reserved. The circulation and reproduction of all or part of this document by any means is prohibited. ALFA ROMEO STELVIO -3- REV 0.0
Blind Spot sensor position
Two sensors are positioned on the inner side near the rear bumper.
1. Blind spot sensor right side RBSS
2. Blind spot sensor left side RBSS
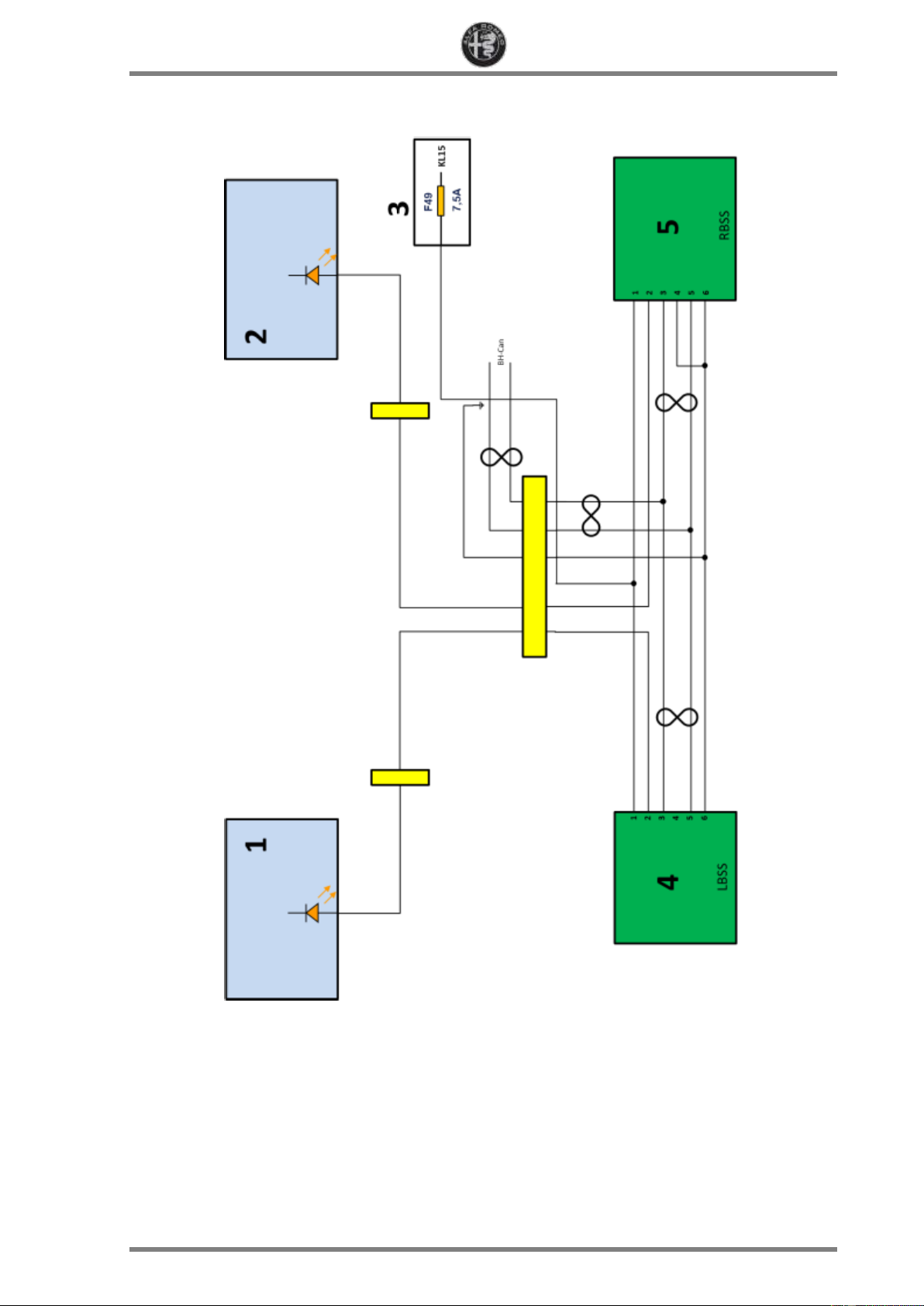
All rights reserved. The circulation and reproduction of all or part of this document by any means is prohibited. ALFA ROMEO STELVIO -4- REV 0.0 Wiring diagram Key 1. BSM icon on RH wing mirror 2. BSM icon on LH wing mirror 3. BCM 4. LH radar sensor 5. RH radar sensor
All rights reserved. The circulation and reproduction of all or part of this document by any means is prohibited. ALFA ROMEO STELVIO -5- REV 0.0
FCW+ (FORWARD COLLISION WARNING) SYSTEM
The purpose of the function is to warn the driver of a potential front collision. The system prompts the
driver to intervene by drawing attention using audible and visual warnings in addition to jerking the
brake (tactile warning). Finally, the system will activate the braking system in an attempt to help the driver avoid the collision.
In all cases, the driver is always responsible for avoiding a collision by controlling the vehicle by
braking and steering. The system assists driving only.
The FCW+ function involves various modules for operation and is mainly based on information from
the ACC, which in addition to containing the radar module manages the operation strategies of the
entire system to detect obstacles on the vehicle path and determine their position (longitudinal, side distance) and speed.
The FCW+ can recognise impact situations against moving objects (in the same direction of travel as
the vehicle), static objects (vehicles stopped on the lane) and low speed smaller objects, such a
pedestrians (crossing the lane).
The ACC module receives further information from the HALF module (a camera located behind the
windscreen) to determine potential collisions with objects on the vehicle path.
The ACC module and the HALF module communicate with each other by means of a dedicated CAN- C.
The FCW+ functions works at high speed to approximately 200 km/h.
The FCW+ function combines various sub-functions, such as:
Pre-fill: preparation of the braking system for emergency braking by slightly increasing
pressure in the brake circuit.
Audible and visual warnings: to attract the driver's attention.
Brake Jerk: as a second and stronger warning of the approach of a potential dangerous
situation (function active for approaches against other vehicles only)
ABA: if the driver applies the brakes to avoid the potential impact, the system activates the
functions managed by the ABS module, like the HBA panic braking function.
CMS: if the driver does not react to the potential impact warnings, the system will be activated
automatically to stop the vehicle and prevent/mitigate the impact.
The FCW+ function is active if:
The speed is higher than approximately 7 km/h and lower than approximately 200 km/h (if the obstacle is moving)
The vehicle speed is between 7 km/h and 50 km/h (if the obstacle is stationary). Above 50
km/h, only warning messages and the buzzer are available.
It is correct programmed on the vehicle menu
The front seat belts are fastened
Based on vehicle speed and the status of the obstacle in front of it (stationary or moving), FCW+
makes it possible to avoid or mitigate a possible collision. If the vehicle is about to collide with the
obstacle, FCW+ decelerates the vehicle. The deceleration of the vehicle may be enough to avoid the
impact, or may mitigate the impact itself.
The FCW+ function will operate the brakes (decelerating the vehicle) only if the driver ignores all
warnings and indications that the system has sent in the previous instants. Brake intervention is “last
stage”. The braking will be manifest only after the last instant in which the driver can avoid the impact
has elapsed. The system is designed to allow the driver the possibility to manage the hazardous
situation autonomously up to the last useful moment.
All rights reserved. The circulation and reproduction of all or part of this document by any means is prohibited. ALFA ROMEO STELVIO -6- REV 0.0
NOTE: The FCW+ function cannot be tested by the service network. It is not possible to
check the correct operation of the FCW+ function during a test drive with the simulation of
approaching an obstacle (stationary or moving). To check the correct operation of the FCW+
function, the service network must ensure the absence of the error code in the ACC and
HALF modules and that system calibration is correct.
The FCW+ function is normally active. The driver can deactivate the function by means of the specific
vehicle configuration menu. With the FCW+ function off, the function will be automatically reactivated
following a switch from key off to key on.
The driver can select the sensitivity of the warnings (near, medium and far) using the specific vehicle
menu. Near means a less sensitive warning and far a more sensitive warning.
Example of visual warning of the FCW+ function on 3.5’’ and 7’’ displays of the instrument panel WARNING
In case of operation of the FCW+ function on vehicles with mechanical gearbox, the clutch pedal is not
pressed and consequently the engine could stall because the vehicle is braked for a few seconds.
All rights reserved. The circulation and reproduction of all or part of this document by any means is prohibited. ALFA ROMEO STELVIO -7- REV 0.0
DRIVING ASSISTANCE SYSTEM
FORWARD COLLISION WARNING PLUS (FCW+)
The Forward Collision Warning Plus (FCW+) function is managed by the ACC module (radar located
behind the front bumper) and by the HALF module (front camera located behind the windscreen near the rear-view mirror).
All rights reserved. The circulation and reproduction of all or part of this document by any means is prohibited. ALFA ROMEO STELVIO -8- REV 0.0 ACC module
The ACC module, made by BOSCH, includes the software needed for operating the adaptive cruise
control ACC+ and the FCW+. The ACC module determines the distance to a target vehicle and the
speed at which the target vehicle is approached. If the ACC module determines the need to cut in, it
sends a message to the other modules on the CAN-C to activate, for example, the sound, visual,
tactile warnings and request activation of the torque reduction to the ECM and to the BCM to switch on the brake lights. ACC pin-out 1. Earth 2. CAN 1 H 3. CAN 1 L 4. N.C. 5. Private CAN 6. Private CAN 7. N.C. 8. 12V power supply
NOTE: Whenever the ACC module must be replaced with a new one, it must be calibrated.
Refer to the service manual to determine the equipment type and the official calibration procedure.
All rights reserved. The circulation and reproduction of all or part of this document by any means is prohibited. ALFA ROMEO STELVIO -9- REV 0.0
LANE DEPARTURE WARNING PLUS (LDW) SYSTEM
By means of a video sensor made by BOSCH (HALF module) installed behind the rear-view mirror in
contact with the windscreen, the lane departure warning system sees the lines painted on the road
and in case of departure from the lane without using the indicators the system will warn the driver of
the lane change by means of visual and audible warnings.
The driver can heed the warning of the system and return the vehicle onto the lane or continue with the lane change.
The system will be automatically deactivated if the direction indicators are activated.
LDW operation is shown on the two display types on the instrument panel.
No icon appears on the display when the system is not active.
The following icon type will appear when the system is active, but the HALF module cannot see the lines:
The following type of icon will appear when both lines are identified:
The following icon will appear if the vehicle is moving out of the lane (leftwards): Overview of operation
The system uses a camera-based sensor to detect and measure the position of the vehicle within the borders the lane.
In case of drifting towards another lane (direction indicator not on), the system will provide a
visual warning and an auditory warning by means of the radio system speakers.
The system can be activated/deactivated using the vehicle menu.
The system can be bypassed by the driver by using a different method: using the direction indicators.
When activated, the system works at speeds higher than 60 km/h (37 mph) and lower than 180 km/h (110 mph).
The system is deactivated automatically when a safety system such as ABS, TCS, ESC, FCW etc. is activated.
All rights reserved. The circulation and reproduction of all or part of this document by any means is prohibited. ALFA ROMEO STELVIO -10- REV 0.0 HALF camera module
The front camera module (HALF) made by BOSCH is a component located behind the rear-view
mirror in contact with the windscreen. The HALF module is a visual spectrum camera which helps
determine the type of object detected by the ACC radar. The HALF is the primary module for the Lane
Departure Warning function. The HALF transmits data to the ACC module over a dedicated CAN-C operating at 500 kbps.
NOTE: HALF provides the input for the automatic SMART BEAM high beam headlights
Automatic headlight activation: SMART BEAM function
The system automatically switches (if activated by the customer) from main beam to dipped beam
headlights if light sources outside of the vehicle are detected, such as the light from the headlights of
vehicles coming in the opposite direction, from the rear lights of vehicles in front or from road lighting.
If these conditions are not maintained, the system will automatically switch back to main beam to
increase night-time driving safety on poorly lit roads.
The system uses the HALF module for detecting oncoming lights or lights ahead of the vehicle.
When the headlights of an approaching or preceding vehicle are detected or in case of changes in
environment light (daylight or lamp posts, buildings and other sources), the HALF module
communicates with the BCM via CAN and the BCM switches off the main beam headlights before they can annoy other drivers.
The function is automatically deactivated at speeds lower than approximately 20 km/h.
The Half module controls a small heater installed on the module support to keep the glass located in
front of the optical sensor from misting up.
NOTE: Whenever the HALF module or the windscreen is replaced or whenever required for
correct operation, the module must be calibrated using the specific calibration equipment.
Refer to the service manual for specific equipment and correct calibration procedures.
All rights reserved. The circulation and reproduction of all or part of this document by any means is prohibited. ALFA ROMEO STELVIO -11- REV 0.0 HALF module pin-out HALF module pin-out Pin Description 1 CAN-C (-) Private 2 CAN-C2 L 3 n.c. 4 Heater power supply 5 Earth 6 Power supply 7 CAN-C (+) Private 8 CAN-C2 H 9 n.c. 10 Heater earth 11 n.c. 12 n.c.
All rights reserved. The circulation and reproduction of all or part of this document by any means is prohibited. ALFA ROMEO STELVIO -12- REV 0.0
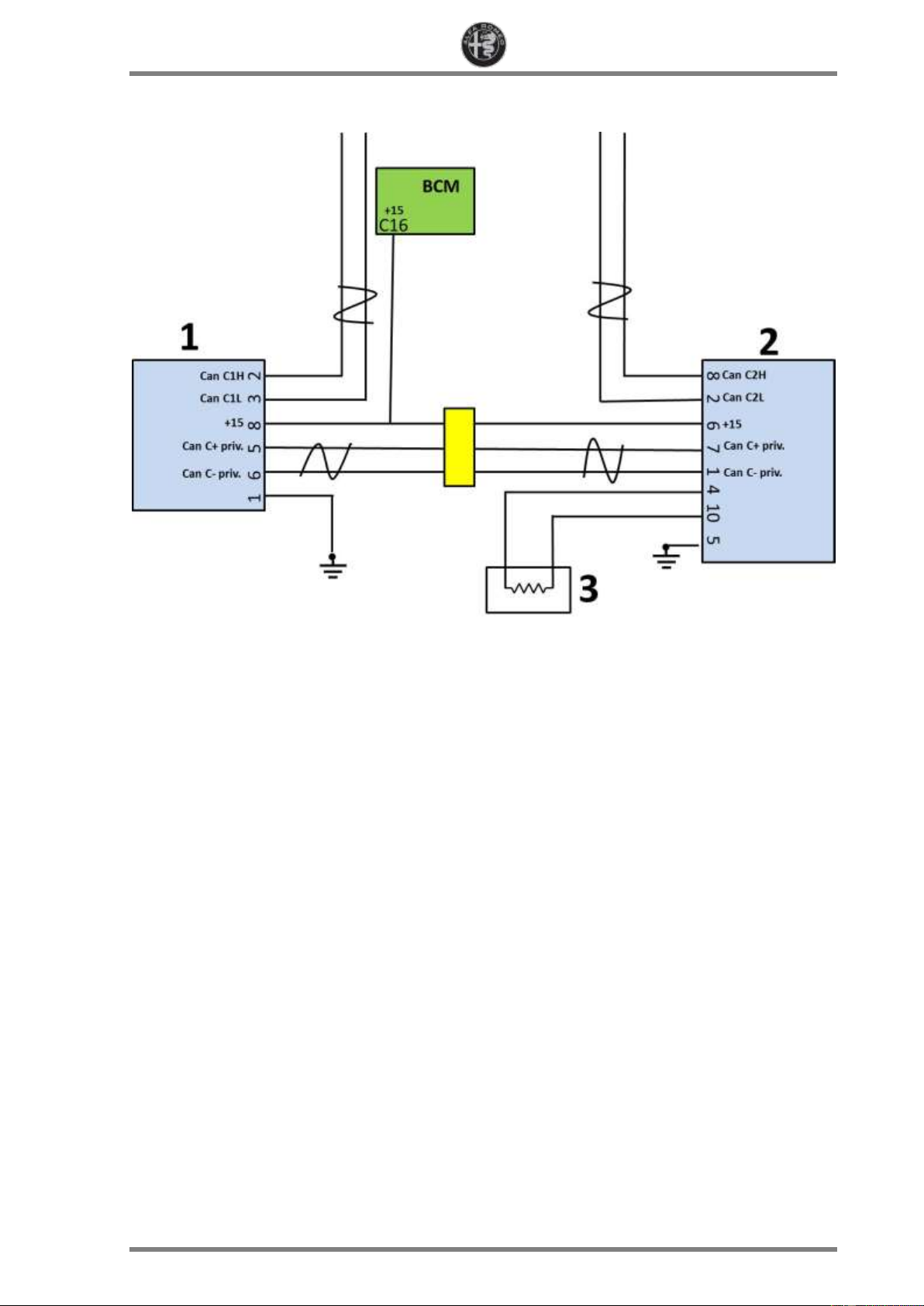
Driving assist wiring diagram Key. 1 – ACC module 2 – HALF module 3 - Windscreen heater
All rights reserved. The circulation and reproduction of all or part of this document by any means is prohibited. ALFA ROMEO STELVIO -13- REV 0.0