



















Preview text:
Home Xe Chơi Xe Chi tiết toàn bộ lực siết ốc trên Honda Air Blade anh. . Xe Chơi Xe
Chi tiết toàn bộ lực siết ốc trên Honda Air Blade anh em cần biết By Lê Cao Bảo Long Report Post
Lực siết ốc rất quan trọng đối với mọi chi tiết máy móc chứ không riêng gì xe máy nhưng thực tế
thì lại ít được để ý đến.
Dẫn tới những hậu quả như là siết quá lực làm gãy ốc, tuôn ren, hoặc siết thiếu lực làm ốc bị rơi ra trong quá trình sử dụng.
Thậm chí đối với động cơ, lực siết ốc còn ảnh hưởng trực tiếp đến độ bền của bộ phận này. Mình
lấy ví dụ như khi siết ốc ở các gối cam hay đầu bu láp, chỉ cần lực siết không đủ hoặc quá dư thì
đều có thể là gối cam gặp hư hỏng hoặc xe bị mất công suất do rò rỉ hơi buồng đốt.
Chính vì vậy, siết đúng lực ốc vẫn được xem là một điều rất quan trọng khi bảo dưỡng và sửa chữa xe.
Honda Air Blade là mẫu xe tay ga được sử dụng nhiều tại Việt Nam và đương nhiên sẽ có lúc anh
em cần tháo vài thứ trên xe.
Vậy để đảm bảo cho việc tháo lắp đúng chuẩn, không có bất kì hậu quả nào liên quan đến việc lực
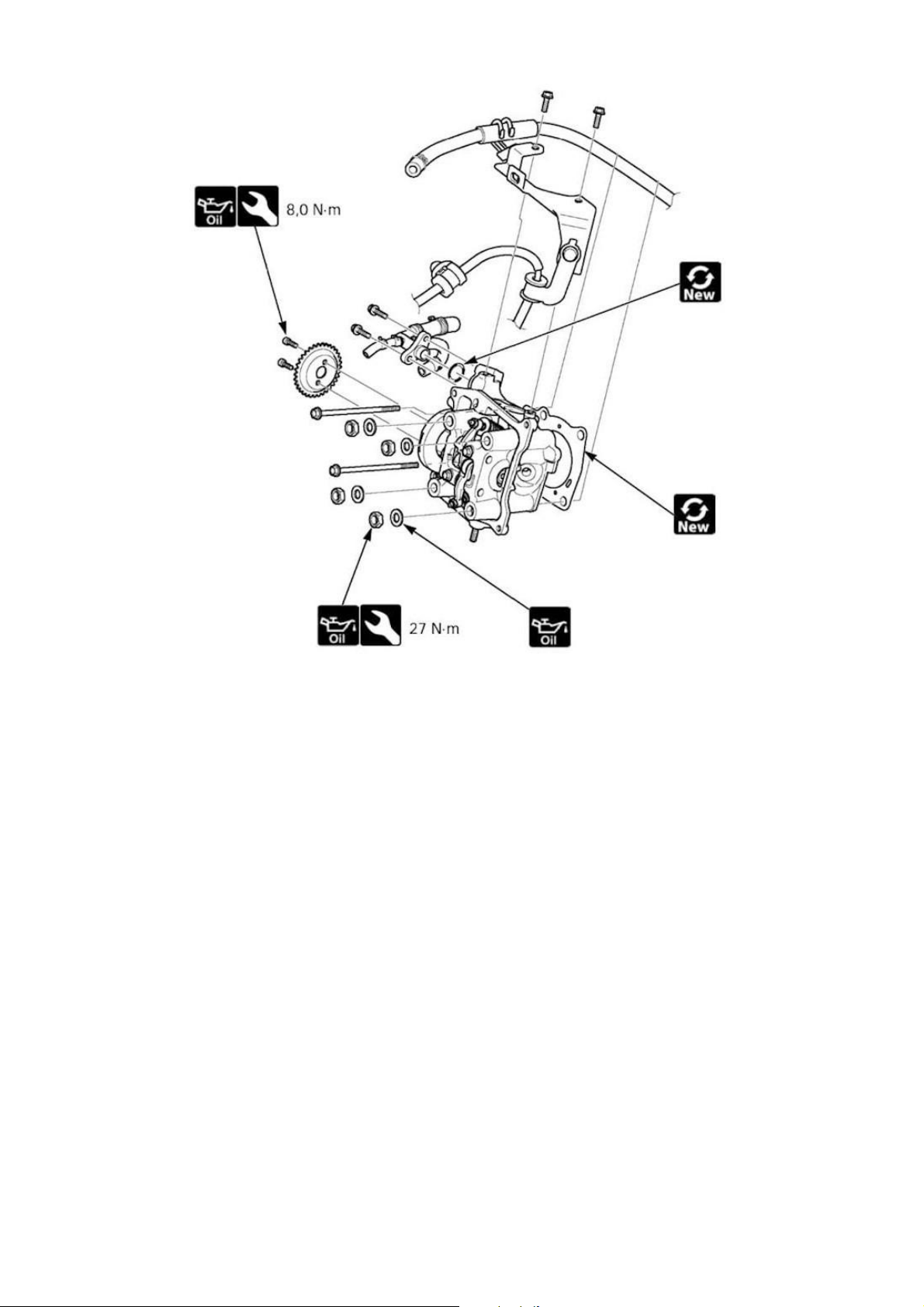
siết của ốc thì những hình ảnh chi tiết thể hiện rõ lực siết của từng bộ phận trên Honda Air Blade
dưới đây sẽ giúp ích rất nhiều cho anh em.
Ngoài thể hiện rõ các lực siết cần thiết ở từng chi tiết, những hình ảnh này còn cho biết vị trí cần
tra dầu bôi trơn, sử dụng keo khóa ren và những phần lông đền cần được thay mới sau khi tháo ra.
Mong rằng những hình ảnh này sẽ giúp ích được nhiều cho anh em, nhất là những người đang sử dụng Honda Air Blade.