











Preview text:
lOMoAR cPSD|59062190
BÀI GIẢNG MÔN CÔNG NGHỆ CHẾ TẠO MÁY TÍNH SAI SỐ CHUẨN lOMoAR cPSD|59062190 lOMoAR cPSD|59062190 lOMoAR cPSD|59062190
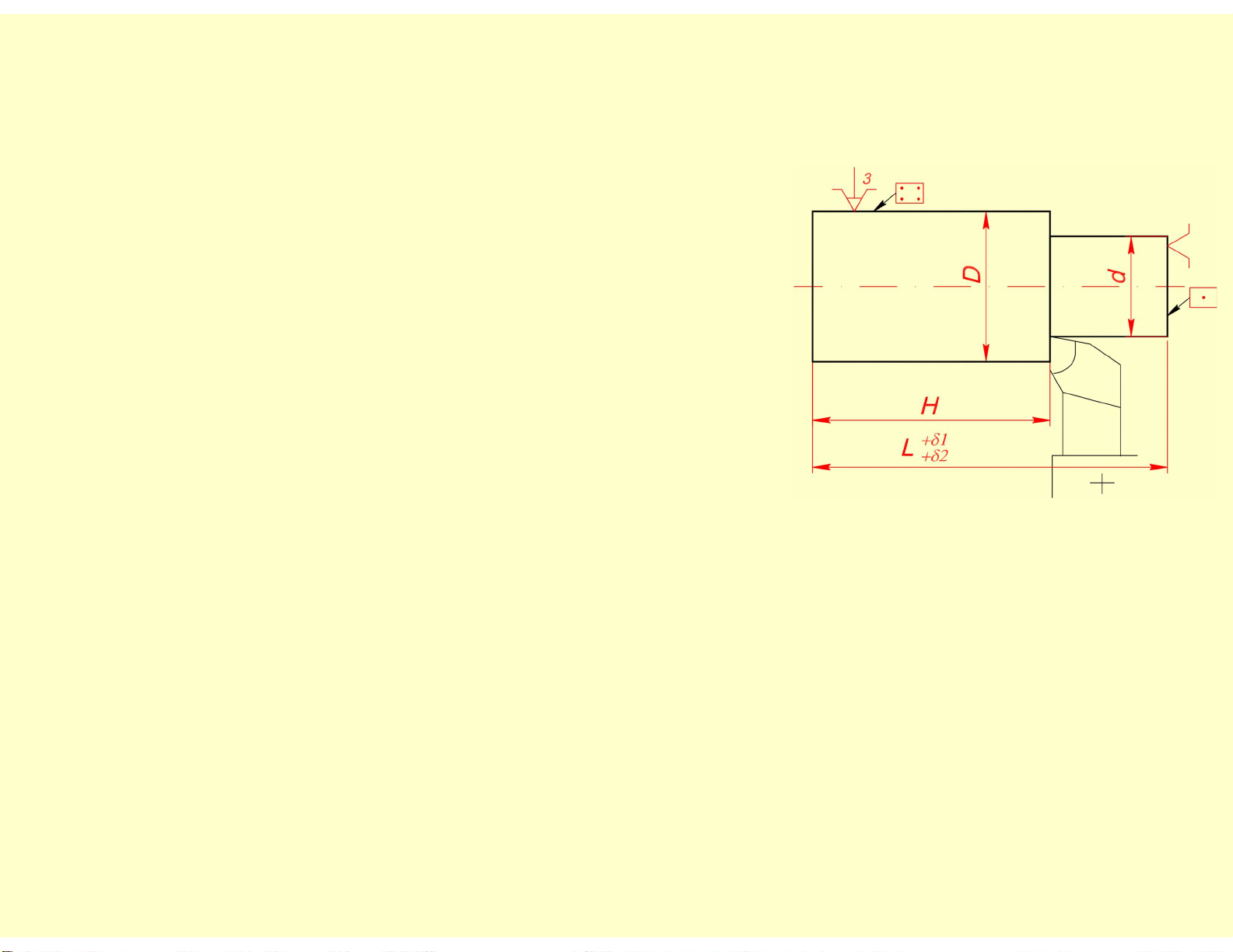
VD1: Gia công trên máy ện. Tiện mặt trụ ngoài bằng
phương pháp tự ộng ạt kích thước (như hình vẽ 1). L =
35 mm, 1 = 0.025 mm, 2 = 0.0 mm.
Yêu cầu:lập chuỗi kích thước và nh sai số chuẩn của
kích thước H. ( Định vị mặt ầu) Đáp áp chi ết lOMoAR cPSD|59062190
VD1: Gia công trên máy ện. Tiện mặt trụ ngoài bằng
phương pháp tự ộng ạt kích thước (như hình vẽ 1). L =
35 mm, 1 = 0.025 mm, 2 = 0.0 mm. lOMoAR cPSD|59062190 Đáp áp chi ết lOMoAR cPSD|59062190
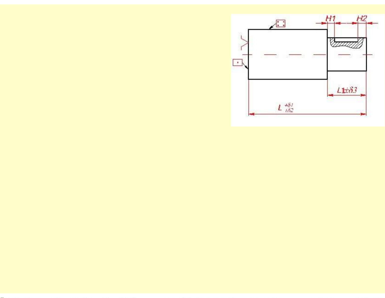
VD2: Gia công trên máy phay, Phay rãnh then bằng
phương pháp tự ộng ạt kích thước (hình 2). L = 60
mm, l = 25mm, 1 = 0.025mm, 2 = 0.0 mm, 3 = 0.015 mm
Yêu cầu lập chuỗi kích thước và nh sai số chuẩn kích thước H1. lOMoAR cPSD|59062190
VD3:Gia công trên máy phay, phay rãnh then bằng phương pháp tự ộng ạt kích thước, lOMoAR cPSD|59062190
D = 40 mm, 1 = 0.0mm, 2 = -0.025 mm, , = 900.
Yêu cầu lập chuỗi kích thước và nh sai số chuẩn kích thước H1. lOMoAR cPSD|59062190 Đáp áp chi ết lOMoAR cPSD|59062190 lOMoAR cPSD|59062190