




Preview text:
DAO ĐỘNG KÝ
Dao động ký (Electronic Oscilloscope) là một dụng cụ hiển thị dạng sóng được sử
dụng để vẽ dạng của tín hiệu điện thay đổi theo thời gian Cấu tạo:
+ Ống tia điện tử: là bộ phận trung tâm của máy. Sử dụng loại ống 1 tia khống chế
bằng điện trường, có nhiệm vụ hiển thị song trên màn hình và là đối tượng điều khiển chính. + Màn hình + Súng điện từ + Hệ thống lái tia
1. Các bộ phận trong ống phóng điện tử (CRT): là một ống thủy tinh hình trụ,
đầu có chứa các điện cực, phía cuối loe ra hình nón cụt, mặt đáy được phủ 1
lớp huỳnh quang tạo thành màn hình. -
Tim đèn F: Dùng để đốt nóng catốt của CRT, điện thế đốt tim đèn là 6,3 VAC.
- Catốt C: Ở bề mặt có phủ một lớp oxit kim loại khi tiếp thu nhiệt năng sẽ bức xạ điện tử.
- Lưới điều khiển: Có dạng cái ly bằng nikel, có một lỗ để cho chùm điện tử
qua, lưới điều khiển này bao quanh catốt. Điện thế phân cực giữa catốt và lưới
sẽ tạo ra điện trường điều khiển số điện tử được phép ra khỏi lưới. Khi VGK
(điện thế giữa lưới và catốt) càng âm thì số điện tử thoát ra khỏi lưới càng ít,
nếu VGK đạt đến điện thế ngưng dẫn thì chùm tia điện tử không thoát ra được khỏi lưới.
Các sự phân cực điện áp này thay đổi thì các đường đẳng thế thay đổi sẽ tạo ra sự
thay đổi độ hội tụ của chùm tia điện tử.
- Bản cực gia tốc A1: có dạng hình trụ, một đầu hở hướng chùm tia điện tử đi
vào, một đầu kín chỉ chứa một lỗ nhỏ tại tâm cho chùm tia điện tử tập trung
lại và đi qua, có nhiệm vụ làm tăng tốc cho chùm tia điện tử.
- A2 A3: Hai bản cực này phối hợp với bản cực A1 tạo thành hệ thống thấu
kính điện tử. Do sự phân cực điện áp khác nhau giữa A1,A2 và A2, A3 chúng
ta có lực tĩnh điện tác động lên chùm tia điện tử, lực tác động này phụ thuộc vào các đường đẳng thế.
- Bản lệch dọc và bản lệch ngang: Khi chùm tia điện tử đi qua bản lệch dọc
hoặc lệch ngang, thì điện trường giữa hai bản cực này sẽ lái chùm tia điện tử
lệch theo chiều dọc và chiều ngang bằng lực tĩnh điện (điều này khác với sự
lệch chùm tia điện tử của đèn hình trong ti vi bằng lực điện từ, nghĩa là có cuộn
dây lệch thay cho bản cực lệch). Độ lệch của chùm tia điện tử theo chiều dọc hoặc
ngang phụ thuộc vào điện áp giữa hai bản cực.
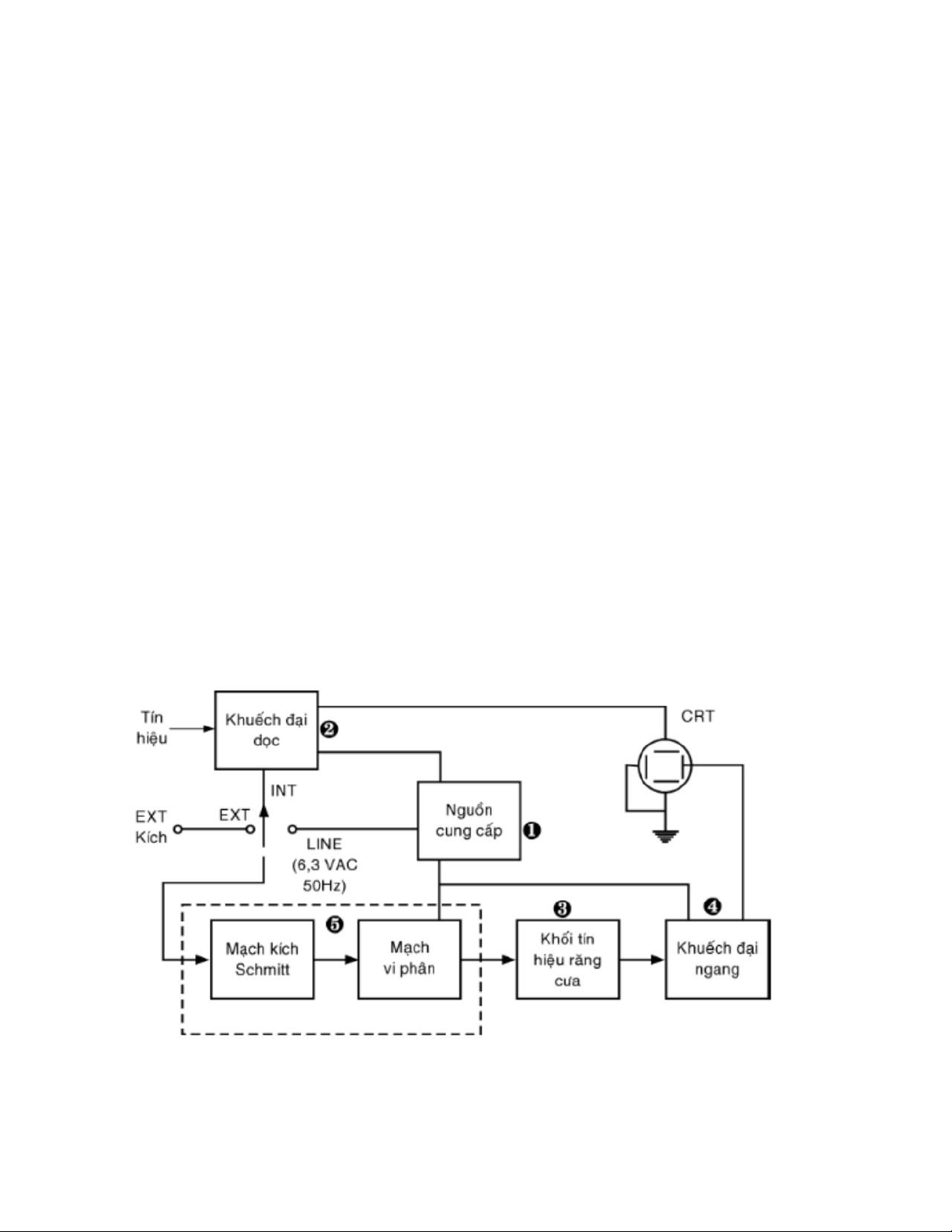
2. Các khối chức năng trong dao động ký:
- (1) Nguồn cung cấp: tạo ra điện áp một chiều anốt (vào khoảng vài kV) cho lưới,
catốt, cực gia tốc và tất cả điện thế DC cho các mạch điện trong dao động ký.
- (2) Khối khuếch đại tín hiệu điều khiển chùm tia điện tử quét theo chiều dọc
- (3) Khối tạo tín hiệu răng cưa: làm chuẩn thời gian cho trục X của màn ảnh dao động ký
- (4) Khối khuếch đại tín hiệu điều khiển chùm tia điện tử quét theo chiều ngang
- (5) Khối tạo tín hiệu xung kích: cho sự đồng bộ hóa, điều khiển chùm tia điện
tử quét dọc và ngang để cho hình ảnh hiển thị trên màn ảnh đứng yên.
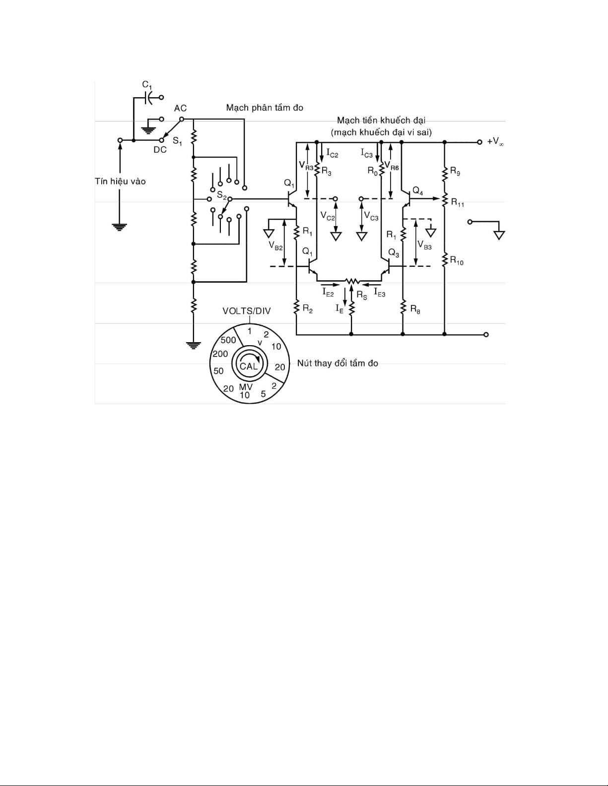
❖ Khối khuếch đại quét dọc
Tín hiệu vào thanh đo được đưa qua mạch phân tầm đo (mạch giảm) để tín hiệu
đưa vào mạch tiền khuếch đại đây là mạch khuếch đại điện áp
Ngõ vào của mạch phân tầm đo có khóa S1 cho hai cách ghép:
- Ghép trực tiếp DC : tín hiệu DC và AC đều được đưa vào.
- Ghép gián tiếp AC : chỉ cho tín hiệu DC vào. Còn ở vị trí O khóa S1 nối
mass – đặt giữa 2 bản cực lệch dọc và ngang để ngăn ảnh hưởng điện
trường 2 bản lẫn nhau không có tín hiệu vào.
Tùy theo vị trí của nút thay đổi tầm đo -> mạch giảm có khóa S2 ở vị trí tương ứng.
Sau đó tín hiệu đưa vào mạch khuếch đại vi sai (Q2, Q3 ) có mạch khuếch đại
“theo điện áp” (mạch khuếch đại đệm) Q1, Q4. Cuối cùng tín hiệu ở C2, C3 (Vc2 –
Vc3) được đưa vào mạch khuếch đại công suất.
Điện áp ở hai đầu ra của mạch khuếch đại công suất đưa vào hai bản cực lêch dọc
(kết hợp với điện áp DC có sẵn của bản cực lệch dọc).
❖ Khối khuếch đại quét ngang
Khối khuếch đại quét ngang giống như khối khuếch đại quét dọc. Ngoài ra tín hiệu
vào có hai cách phụ thuộc vào vị trí của khóa S2. Nếu khóa S2 ở vị trí EXT, tín
hiệu quét ngang được đưa từ ngoài vào. Nếu S2 ở vị trí INT thì tín hiệu quét dạng
răng cưa từ mạch tạo tín hiệu quét răng cưa được đưa vào.
3 .Nguyên lý hoạt động và sử dụng: ❖ Nguyên lý:
Nguồn cung cấp sẽ tạo ra tín hiệu điện và truyền vào khối khuếch đại dọc và
ngang. Ở khối ngang nếu tín hiệu ở vị trí EXT, tín hiệu được đưa từ ngoài vào, vị
trí INT thì tín hiệu quét răng cưa được đưa vào. Sau đó, tín hiệu đi vào khối tạo tín
hiệu xung kích cho phép điều khiển chùm tia điện tử quét dọc và ngang để cuối
cùng cho hình ảnh hiển thị trên màn ảnh đứng yên. ❖ Sử dụng:
- Sau khi nối đất cho dao động ký ta sẽ điều chỉnh các núm vặn hay công tắc để
thiết lập chế độ hoạt động cho máy.
- Nối các đầu đo vào đúng vị trí. Các dao động ký thông thường sẽ có hai que
đo ứng với hai kênh và màn hình sẽ hiện dạng sóng tương ứng với mỗi kênh.
- Đưa đầu đo tới vị trí lấy chuẩn thì trên màn hình sẽ xuất hiện hình ảnh dạng sóng.
Ứng dụng: đo biên bộ, chu kì, độ lệch pha giữa 2 tín hiệu, thời gian lên của xung,
vẽ đặc tuyến V-I của linh kiện điện tử…
Document Outline
- DAO ĐỘNG KÝ
- -Catốt C: Ở bề mặt có phủ một lớp oxit kim loại khi
- -Bản cực gia tốc A1: có dạng hình trụ, một đầu hở h
- 3 .Nguyên lý hoạt động và sử dụng: