Report tài liệu
Chia sẻ tài liệu
Đề Thi Kết Thúc Học Phần RBE - Vẽ Kỹ Thuật và CAD 2024. Môn Hệ thống robot thông minh | Trường Đại học Công nghệ, Đại học Quốc gia Hà Nội.
Đề Thi Kết Thúc Học Phần RBE - Vẽ Kỹ Thuật và CAD 2024. Môn Hệ thống robot thông minh | Trường Đại học Công nghệ, Đại học Quốc gia Hà Nội.
Tài liệu gồm 1 trang giúp bạn tham khảo, củng cố kiến thức và ôn tập đạt kết quả cao trong kỳ thi sắp tới. Mời bạn đọc đón xem!
Môn: Hệ thống robot thông minh 9 tài liệu
Trường: Trường Đại học Công nghệ, Đại học Quốc gia Hà Nội 824 tài liệu
Tác giả:

Tài liệu khác của Trường Đại học Công nghệ, Đại học Quốc gia Hà Nội
Preview text:
lOMoAR cPSD| 59735516
ĐẠI HỌC QUỐC GIA HÀ NỘI
BÀI THI KẾT THÚC HỌC PHẦN
TRƯỜNG ĐẠI HỌC CÔNG NGHỆ
Tên HP: Vẽ kỹ thuật Mã HP: RBE2001 Đề thi Học kỳ: I
Năm học: 2024–2025 Đề số 1
(Đề thi gồm có 01 trang)
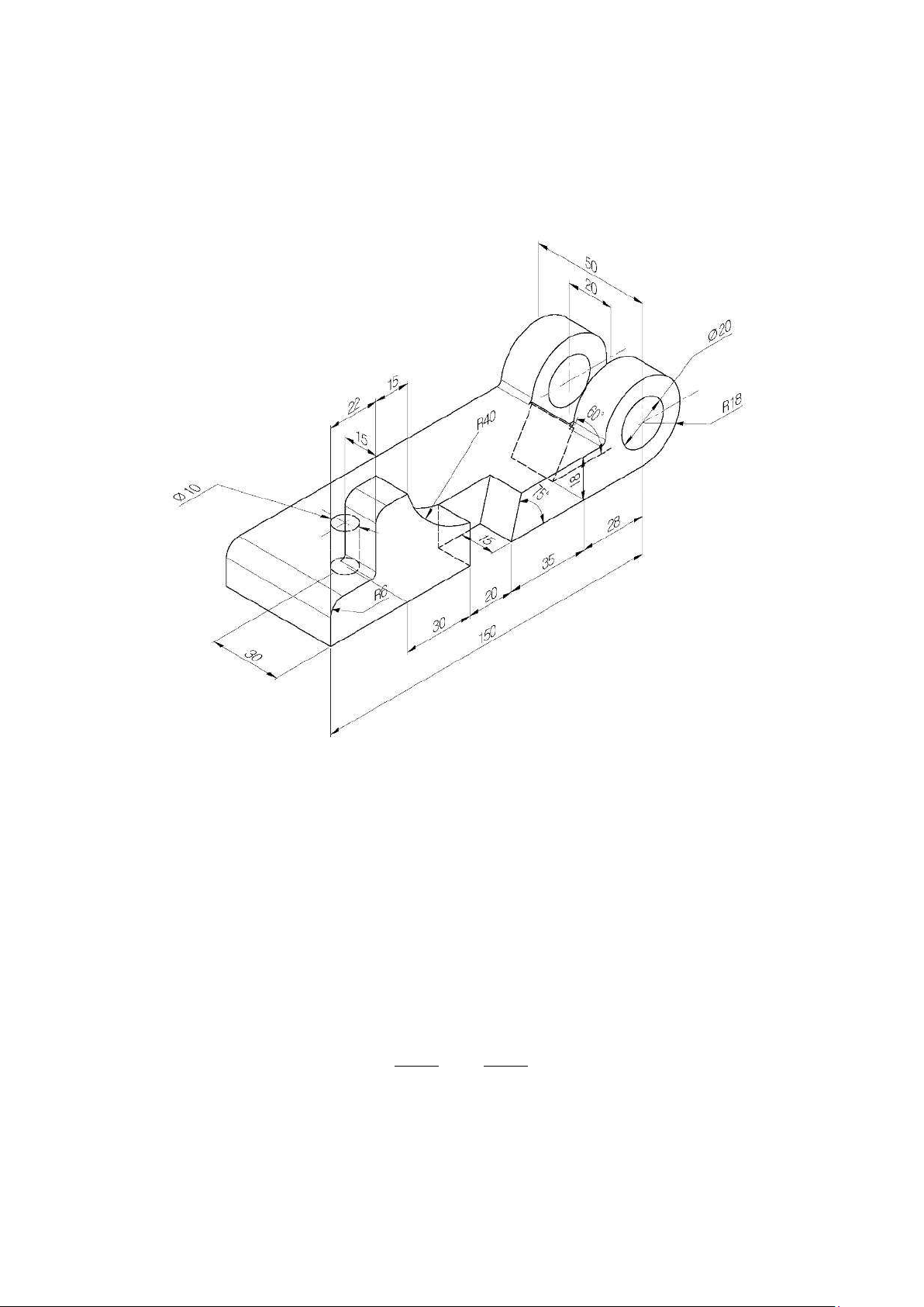
Thời gian làm bài: 60 phút (không kể thời gian phát đề) Câu 1. Hình 1:
a. Sử dụng phần mềm AutoCAD, khổ giấy A3. Kẻ khung tên, điền tên, mã số sinh viên, thông
tinbản vẽ vào khung tên.
b. Vẽ ba hình chiếu đứng, bằng và cạnh của hình 1 bằng phần mềm AutoCAD. Scale 2:1.
c. Chú thích kích thước bản vẽ.
• Sinh viên được sử dụng máy tính cá nhân (không có kết nối mạng).
• Cán bộ coi thi không giải thích gì thêm HẾT
Tài liệu liên quan:
-
Thực Hành Số 1 - 8: Hướng Dẫn Vẽ Với Các Lệnh CAD TTTH Thacad 1. Môn Hệ thống robot thông minh | Trường Đại học Công nghệ, Đại học Quốc gia Hà Nội.
80 40 -
Hướng dẫn học AutoCAD - Đề cương bài tập cơ bản. Môn Hệ thống robot thông minh | Trường Đại học Công nghệ, Đại học Quốc gia Hà Nội.
74 37 -
Hướng dẫn khởi tạo bản vẽ trong CAD - Khoi tao ban ve CAD. Môn Hệ thống robot thông minh | Trường Đại học Công nghệ, Đại học Quốc gia Hà Nội.
85 43 -
Hình học họa hình - Ghi chú bài giảng và phương pháp chiếu. Môn Hệ thống robot thông minh | Trường Đại học Công nghệ, Đại học Quốc gia Hà Nội.
80 40