
CDA
Training
BÀI T P TH C HÀNH S7-1200Ậ Ự
Biên Soạn: Lê Phước Sinh
Lưu hành nội bộ.

CDA-TRAINING BÀI TẬP THỰC HÀNH S7-1200
Bài tập 1
Mục Lục
Trang 3
Bài tập 2 Trang 4
Bài tập 3 Trang 8
Bài tập 4 Trang 10
Bài tập 5 Trang 12
Bài tập 6 Trang 13
Bài tập 7 Trang 14
Bài tập 8 Trang 17
Bài tập 9 Trang 18
Bài tập 10 Trang 20
Bài tập 11 Trang 23
Bài tập 12 Trang 24
Bài tập 13 Trang 26
Bài tập 14 Trang 27
Bài tập 15 Trang 28
Bài tập 16 Trang 30
Bài tập 17 Trang 31
Bài tập 18 Trang 33
Bài tập 19 Trang 34
Bài tập 20 Trang 35
2

CDA-TRAINING BÀI TẬP THỰC HÀNH S7-1200
TỔNG QUAN KIT S7-1200
1
Mục tiêu:
- Nắm tổng quan về KIT S7 1200
- Sơ đồ bố trí các thiết bị trên KIT
- Cách đấu dây
Sơ đồ điện KIT:
- Sử dụng file PDF “Sơ đồ đấu nối”.
Yêu cầu bài tập:
- Xem bản vẽ (file PDF) để nắm rõ sơ đồ bố trí, sơ đồ đấu dây của KIT
- Nghe hướng dẫn về cách sử dụng KIT để thực hành.
- Đấu dây nút nhấn, switch vào ngõ vào PLC.
3

CDA-TRAINING BÀI TẬP THỰC HÀNH S7-1200
LÀM QUEN PHẦN MỀM
2
TIA PORTAL 12
Mục tiêu:
- Hiểu được ứng dụng phần mềm TIA PORTAL 12.
- Làm quen với các thao tác cơ bản để sử dụng phần mềm.
- Cấu hình một trạm PLC.
- Quản lý các Tag trong chương trình PLC.
- Lập trình một chương trình PLC.
Tài liệu liên quan:
- Sử dụng file PDF “Tia Portal basic manual”
Yêu cầu bài tập:
- Tạo mới một project và thiết lập trạm PLC có các thiết bị như sau:
PLC S7-1200 CPU 1214C V3.0
30 ngõ vào số, 30 ngõ ra số.
2 kênh High Speed Counter.
6 ngõ vào Analog.
6 ngõ ra Analog.
1 cổng truyền thông Ethernet.
1 cổng truyền thông Profibus.
1 cổng truyền thông RS-485.
4

CDA-TRAINING BÀI TẬP THỰC HÀNH S7-1200
- Gợi ý cấu hình mẫu:
- Tạo mới một bảng Tag: gợi ý bảng tag mẫu.
5

CDA-TRAINING BÀI TẬP THỰC HÀNH S7-1200
- Tạo mới và lập trình khối OB, FC, FB: Gợi ý chương trình mẫu.
6

CDA-TRAINING BÀI TẬP THỰC HÀNH S7-1200
7

CDA-TRAINING BÀI TẬP THỰC HÀNH S7-1200
ĐIỀU KHIỂN ON/OFF
Mục tiêu:
3
- Thực hành lập trình tập lệnh Bit Logic.
- Đấu dây ngõ vào ngõ ra PLC.
Yêu cầu bài tập:
Nhấn button PB1 đèn LP1 sáng. Nhã button PB1 đèn LP1 tắt.
Nhấn button PB2 đèn LP2 tắt. Nhã button PB2 đèn LP2 sáng.
Nhấn button PB3 đèn LP3 sáng. Nhấn button PB4 đèn LP3 tắt.
8

CDA-TRAINING BÀI TẬP THỰC HÀNH S7-1200
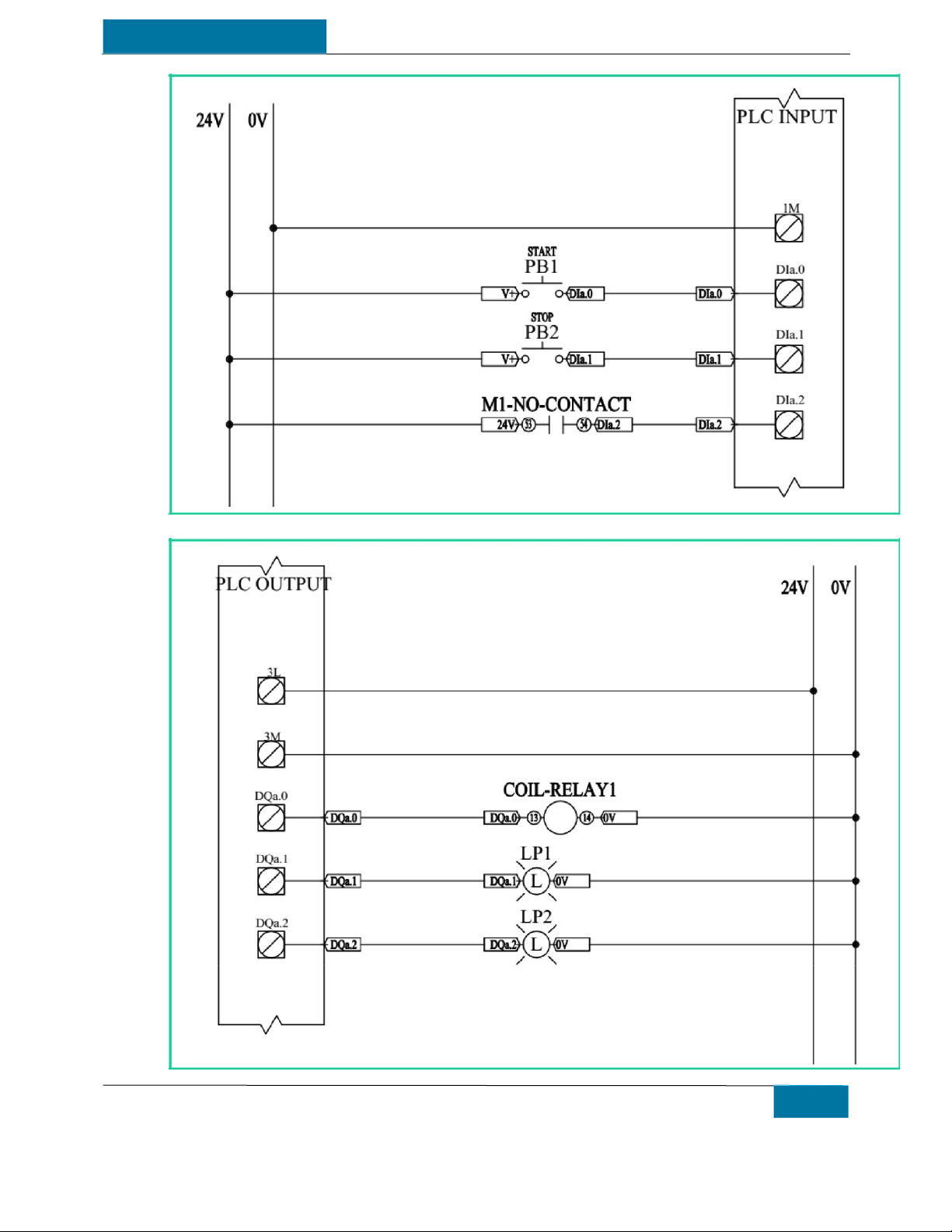
Gợi ý bài tập:
- Thiết lập sơ đồ đấu dây: Sơ đồ gợi ý
V+
1M
PB1
PB2
PB3
PB4
3L
PLC
DIa.0 DQa.0
DIa.1 DQa.1
DIa.2 DQa.2
DIa.3 DQa.3
3M
LP1
LP2
LP3
LP4
LCOM
PNP: V+ nối với 24V; 1M nối với 0V
NPN: V+ nối với 0V; 1M nối với 24V
3L nối với 24V, 3M nối với 0V, LCOM nối với 0V (ngõ ra là PNP)
- Tạo mới project trong phần mềm Tia Portal 12
- Thiết lập cấu hình.
- Lập bảng Tag các thiết bị.
- Lập trình chương trình.
9

CDA-TRAINING BÀI TẬP THỰC HÀNH S7-1200
CHỌN CHẾ ĐỘ ĐIỀU KHIỂN
& CHUYỀN BĂNG TẢI
Mục tiêu:
- Hiểu được ứng dụng chọn chế độ điều khiển.
- Thực hành lập trình tập lệnh Bit Logic, Timer.
- Đóng mở động cơ không đồng bộ 3 pha.
Yêu cầu bài tập:
4
- Yêu cầu 1:
Đèn STOP sáng khi mở nguồn. ( Chỉ làm được khi học xong chương
trình ngắt )
Nhấn button PB1 chọn “chế độ AUTO”:
Nếu đèn MANUAL tắt và đèn STOP sáng thì đèn AUTO sáng
và tắt đèn STOP.
10

CDA-TRAINING BÀI TẬP THỰC HÀNH S7-1200
Nếu đèn MANUAL sáng và đèn STOP tắt thì đèn ERROR
sáng và tắt đèn MANUAL.
Nhấn button PB2 chọn “chế độ MANUAL”:
Nếu đèn AUTO tắt và đèn STOP sáng thì đèn MANUAL sáng
và tắt đèn STOP.
Nếu đèn AUTO sáng và đèn STOP tắt thì đèn ERROR sáng và
tắt đèn AUTO.
Nhấn button PB3 chọn “chế độ STOP”: đèn STOP sáng và tắt đèn
AUTO, MANUAL.
Nhần button PB4 “reset lỗi”: đèn ERROR tắt và sáng đèn STOP.
- Yêu cầu 2:
Nhấn PB1 chọn chế độ AUTO. Nhấn PB2 chọn chế độ MANUAL.
Nhấn PB3 chọn chế độ STOP.
Nếu đang làm việc ở chế độ AUTO mà chọn chế độ
MANUAL thì báo lỗi đèn ERROR nháy chu kỳ 2s và dừng
chế độ AUTO.
Nếu đang làm việc ở chế độ MANUAL mà chọn chế độ
AUTO thì báo lỗi đèn ERROR nháy chu kỳ 2s và dừng chế độ
MANUAL.
Nhấn PB3 reset lỗi chuyển sang chế độ STOP
Chế độ AUTO: Băng tải 1 (LP1) hoạt động. Sau 8s thì băng tải 2
(LP2) hoạt động. Sau 6s tiếp thì băng tải 3 (LP3) hoạt động.
Chế độ MANUAL:
Nhấn PB4: Băng tải 1 hoạt động.
Nhấn PB5: Băng tải 2 hoạt động.
Nhấn PB6: Băng tải 3 hoạt động.
11

CDA-TRAINING BÀI TẬP THỰC HÀNH S7-1200
ĐÈN GIAO THÔNG
5
PHA A PHA B
Mục tiêu:
- Thực hành lập trình tập lệnh Timer.
Yêu cầu bài tập:
Đèn xanh A sáng 20s đèn vàng A sáng 3s đèn đỏ A sáng 23s.
Đèn xanh B sáng 20s đèn vàng B sáng 3s đèn đỏ B sáng 23s.
Xanh A + Vàng A= Đỏ B, Xanh B + Vàng B = Đỏ A.
12

CDA-TRAINING BÀI TẬP THỰC HÀNH S7-1200
CẤP GẠO VÀO XE
Mục tiêu:
6
- Thực hành tập lệnh Counter.
- Thực hành lệnh sườn lên, sườn xuống.
Yêu cầu bài tập:
- Hệ thống gồm Xylo chứa các bao gạo. Bao gạo xuống băng chuyền qua cửa
xylo. Bằng chuyển tải bao gạo và xe tải chở gạo. Lương bao gạo từ xylo
xuống băng chuyên và lượng bao gạo tải trên băng chuyền đều nhau.
Số lượng bao gạo trên xe là 12 bao.
Khi cấp đủ bao gạo vào xe tải thì đèn báo xe đầy sáng.
Trong quá trình cấp gạo, chưa đủ số lượng bao gạo nhưng xe rời vị trí
thì đèn báo lỗi sáng và dừng hệ thống.
Sau khi xử lý lỗi, nhấn reset để làm việc tiếp tục.
13

CDA-TRAINING BÀI TẬP THỰC HÀNH S7-1200
MỞ MÁY VÀ ĐẢO CHIỀU ĐỘNG CƠ
7
KHÔNG ĐỒNG BỘ 3 PHA
Mục tiêu:
- Ứng dụng contactor, relay nhiệt, relay
- Cách đọc giáo trình hướng dẫn sử dụng thiết bị.
- Đọc sơ đồ đấu dây.
- Đấu dây contactor, relay nhiệt, relay.
Yêu cầu bài tập:
- Yêu cầu 1: Đấu dây và lập trình chương trình PLC
Nhấn button PB1 động cơ chạy.
Nhấn button PB2 động cơ dừng.
Contactor có tín hiệu phản hồi báo trường hợp contactor hỏng, đèn
LP1 sáng.
Relay nhiệt có tín hiệu phản hồi báo quá nhiệt, đèn LP2 sáng.
- Yêu cầu 2: Đấu dây và lập trình chương trình PLC
Nhấn PB1 động cơ chạy theo chiều thuận.
Nhấn PB2 động cơ chạy theo chiều ngược.
Nhấn PB3 động cơ dừng. Phải dừng động cơ trước khi đảo chiều.
Có các đèn báo hỏng của contactor 1, contactor 2.
Đèn báo quá nhiệt.
14

CDA-TRAINING BÀI TẬP THỰC HÀNH S7-1200
Gợi ý bài tập:
- Yêu cầu 1: Đấu dây theo sơ đồ sau:
Mạch động lực
Mạch điều khiển 1
15

CDA-TRAINING BÀI TẬP THỰC HÀNH S7-1200
Mạch điều khiển 2
Mạch điều khiển 3
16

CDA-TRAINING BÀI TẬP THỰC HÀNH S7-1200
THỰC HÀNH THIẾT BỊ ĐIỆN
8
Mục tiêu:
- Tìm hiểu đặc tính kỹ thuật, đấu nối và ứng dụng của công tắc hành trình và
các loại cảm biến.
- Phân biệt các loại ngõ vào và ngõ ra PLC. ( Relay, Transistor, Sink,
Source… )
- Đấu dây sink, source, light on, dark on.
- Đọc và lấy thông tin sản phẩm qua các file hướng dẫn sử dụng.
Yêu cầu bài tập.
- Đọc file hướng dẫn sử dụng thiết bị.
- Đấu dây công tắc hành trình.
- Đấu dây Proximity.
- Đấu dây cảm biến quang.
17

CDA-TRAINING BÀI TẬP THỰC HÀNH S7-1200
THỰC HÀNH BIẾN TẦN CƠ BẢN
Mục tiêu:
9
- Nắm được chức năng và ứng dụng của biến tần.
- Đấu dây mạch động lực và mạch điều khiển biến tấn.
- Cài đặt tham số cho biến tần.
- Lựa chọn công suất và phương án điều khiển cho biến tần.
Ứng dụng của biến tần:
- Dòng điện khởi động của Motor lớn và khởi động trực tiếp giảm tuổi thọ cơ
khí. Biến tần có chức năng khởi động mềm, giảm điện năng tiêu thụ, tăng
tuổi thọ kết cấu.
- Ứng dụng điều khiển với yêu cầu thay đổi tốc độ, vô cấp.
- Ứng dụng tiết giảm điện năng khi tải không cần hoạt động tối đa công suất
thiết kế
Yêu cầu bài tập:
- Đọc tài liệu hướng dẫn sử dụng biến tần.
- Yêu cầu 1: Đấu dây và điều khiển hoạt động biến tần:
Jog Operation: Quay thuận, quay nghịch.
Potentiometer: Tăng tốc độ nhanh, chậm, quay thuận, quay nghịch.
Analog: Tăng tốc nhanh, chậm, quay thuận, quay nghịch.
Multi Speed: Điều khiển nhiều cấp tốc độ.
18

CDA-TRAINING BÀI TẬP THỰC HÀNH S7-1200
- Yêu cầu 2:
Xy lô chứa bột đá. Vít tải tải bột đá lên thùng cân và bồn trộn.
Dẫn động vít tải motor không đồng bộ 3 pha, điều khiển tốc độ bằng
biến tần.
Nhấn Button “Start” yêu cầu cấp bột đá. Motor quay vít tải cấp bột đá
vào thùng cân với tần số 50Hz (ban đầu cần cân nhanh) trong thời
gian 6s. Tiếp theo motor quay với tốc độ 15Hz (cân chậm khỏi bị lố
khối lượng) trong thời gian 4s
Quy trình quay lại khi có tín hiệu yêu cầu cân bột đá “Start”.
Báo trạng thái hoạt động. Trong quá trình cân đèn “LP1” sáng. Cân
xong báo đèn “LP2”. Motor chạy 2 cấp tốc độ tương ứng đèn LP3 và
LP4 sáng.
Gợi ý bài tập:
- Yêu cầu 1: Các tham số cần thiết lập (kinh nghiệm)
Jog Operation: P15, P16, P78, P60, P61, P62, P63.
Potentiometer: P1, P2, P3, P7, P8, P13, P17, P53, P78, P60, P61, P62,
P63.
Analog: P1, P2, P3, P13, P17, P78, P60, P61, P62, P63, P73.
Multi Speed: P1, P2, P3, P4, P5, P6, P7, P8, P13, P17, P78, P60, P61,
P62, P63. Sử dụng giáo trình để ứng dụng điều khiển 8, 16 cấp tốc độ.
19

CDA-TRAINING BÀI TẬP THỰC HÀNH S7-1200
THỰC HÀNH LỆNH ROTATE
10
Byte
Bit
.7 .6 .5 .4 .3 .2 .1 .0
0
0.7 0.6 0.5 0.4
0.3
0.2 0.1 0.0
1
Byte 1
2
Word 2
3
4
5
Double Word 4
6
7
8
Byte 8
Mục tiêu:
- Thực hành lệnh Shift & Rotate.
- Hiểu được cách quản lý dữ liệu trong PLC.
Yêu cầu điều khiển.
- Nhấn PB1 đèn sáng lần lượt LP1 => LP2 => LP3 => LP4 => LP5 => LP6
=> LP7 => LP8. Thời gian đèn sáng là 1s.
- Nhấn PB2 đèn sáng lần lượt LP8 => LP7 => LP6 => LP5 => LP4 => LP3
=> LP2 => LP1. Thời gian đèn sáng là 1s.
20
Bấm Tải xuống để xem toàn bộ.