
























Preview text:
lOMoARcPSD| 38777299
CHƯƠNG 6.- ĐO CÔNG SUẤT VÀ ĐIỆN NĂNG
6.1.- Khái niệm chung.
Công suất và năng lượng là các ại lượng cơ bản của hệ thống iện. Các ại lượng
này liên quan nhiều ến nền kinh tế quốc dân. Do ó việc xác ịnh công suất và năng
lượng là nhiệm vụ quan trọng.
Trong thực tế thường phân thành các loại công suất sau :
- Công suất thực hay còn gọi là công suất hữu ích P (Watt).
- Công suất phản kháng, còn gọi là công suất vô công Q (VAR).
- Công suất biểu kiến hay còn gọi là công suất danh ịnh S (VA).
Thang o của công suất từ 10-20 ÷ 1010 W và giải tần từ 0 ÷ 109 Hz.
Đối với mạch iện một chiều, công suất thực ược xác ịnh theo biểu thức : 2 U P = U . I = I2 . R = R
Với mạch iện xoay chiều một pha : 1 T 1 T
Nếu dòng và áp có dạng hình sin, thì :
. Công suất thực ược xác ịnh : P = U . I . cosφ trong ó U, I là các giá trị iện
áp hiệu dụng, cường ộ dòng iện hiệu dụng và cosφ là hệ số công suất.
. Biểu thức tính công suất phản kháng : Q = U . I . sinφ . Biểu thức tính 2 2
công suất biểu kiến : S = P Q
Ngoài các thông số công suất iện, còn có
một thông số quan trọng là năng lượng W. Đó là công suất tiêu thụ của mạch iện trong
khoảng thời gian t1 ÷ t2 .
Năng lượng ược tính theo biểu thức : t2 t2 t1 t1 lOMoARcPSD| 38777299
6.2.- Đo công suất iện.
6.2.1.- Phương pháp o gián tiếp.
Ở mạch iện một chiều hay mạch iện xoay chiều có tải là thuần trở ta có thể sử dụng
ồng hồ Volt hay ồng hồ Ampe kế ể xác ịnh công suất (hình vẽ) : -
Phương pháp mắc ampe kế trong ược sử dụng trong trường hợp iện trở cần o
có giá trị lớn hay nội trở của ampe kế có giá trị nhỏ. -
Phương pháp mắc ampe kế ngoài ược sử dụng trong trường hợp iện trở cần o
RT có giá trị nhỏ hay volt kế có giá trị lớn. Phương pháp này có sai số tương ối lớn vì
khi tải thay ổi ta không thể cùng một lúc ọc chính xác trị số ampe và volt. Mặt khác
phải sử dụng công thức ể tính toán sau khi o.
Công suất iện ược xác ịnh theo biểu thức : 2 U P = U . I = I2 . R = R
Phương pháp này có sai số lớn (sai số ở Volt kế và Ampe kế), vì khi tải thay ổi ta
không thể quan sát sự thay ổi thông số ở cả hai ồng hồ cùng một lúc. Mặt khác, phương
pháp này khá phức tạp và phải sử dụng công thức ể tính toán sau khi o và cũng gây nên sai số.
Thật vậy, ta thấy công suất tải PT ược xác ịnh bởi Volt kế và ampe kế. Theo cách ấu
dây như sơ ồ trên, trị số công suất của tải ược xác ịnh bởi giá trị iện áp và dòng iện.
Khi ở sơ ồ ampe kế mắc ngoài, ta có : I = IV + IT Suy ra IT = I - IV
PT = UV . IT = UV . ( I - IV ) PT = UV . I + UV . IV
Như vây, sai số do cách mắc này phụ thuộc vào dòng iện IV i qua volt kế, nếu IV càng
nhỏ thì phép o càng chính xác. lOMoARcPSD| 38777299
6.2.2.- Phương pháp o trực tiếp bằng Watt kế.
Phương pháp o gián tiếp có những hạn chế nhất ịnh. Để khắc phục các nhược iểm ã
nêu, thường sử dụng phương pháp o trực tiếp là dùng Watt kế.
Watt kế là dụng cụ cơ iện, dùng o trực tiếp công suất thực trong mạch iện một chiều hay xoay chiều một pha.
Watt kế ược chế tạo theo kiểu iện ộng hoặc sắt iện ộng, gồm có 2 cuộn dây : một cuộn
dây di ộng (cuộn dây iện áp) và một cuộn dây tĩnh (cuộn dây dòng iện) - hình vẽ : -
Cuộn dây tĩnh có tiết diện lớn nhưng ít vòng dây (nên có iện trở nhỏ), ược mắc
nối tiếp với tải nên gọi là cuộn dòng. -
Cuộn dây ộng có tiết diện nhỏ, nhiều vòng dây (nên có iện trở lớn), ược mắc
song song với tải nên còn gọi là cuộn áp.
Như vậy, dòng iện I qua phụ tải sẽ qua cuộn dòng, còn iện áp ặt lên cuộn dây tĩnh tỷ
lệ với dòng iện IU i qua cuộn dây áp.
Khi có iện áp Unguồn ặt vào cuộn dây ộng và có dòng iện chạy qua cuộn dòng (dòng
iện i qua phụ tải) dưới tác ộng của từ trường iện từ, kim của watt kế lệch i một góc α.
Đối với nguồn iện một chiều, giá trị góc lệch α ược xác ịnh : dM α = 1 U I. . . 12 d D R R U I dM Giả sử
12 = const thì α = K . U . I = K . P d dM Với K = 1 U I. . .
12 gọi là hệ số của watt kế với dòng iện một lOMoARcPSD| 38777299 d D R R U I chiều.
Đối với mạch xoay chiều, giá trị của góc lệch α ược xác ịnh : dM α = 1 . I . I 12 U . cosδ . D d Với δ = φ - γ
Trong ó IU là dòng iện trong mạch song song của watt kế. dM I 12 U = U . cosγ với = const R RU P da
Ta có α = K . U . I . cos(φ - γ) . cosγ
Khi φ = γ thì α = K . U . I . cosφ = K . P
Từ biểu thức trên, ta thấy chỉ số của watt kế tỷ lệ với công suất tiêu thụ trên phụ tải.
6.3.- Cách mắc dây watt kế.
Do watt kế iện ộng có cực tính, cho nên khi ảo pha một trong hai cuộn dây, kim của
watt kế sẽ quay ngược, vì vậy các cuộn dây phải ược ánh dấu ầu ể tránh làm kim watt
kế quay ngược. Khi ấu mạch iện, ta phải nối các ầu dây có cùng dấu với nhau.
Watt kế iện ộng thường có nhiều thang o theo dòng và áp. Giới hạn o theo cường ộ
dòng iện là 5A và 10A, theo iện áp là 150V và 300V, giải tần từ 0 ến hang kHz, cấp
chính xác có thể ạt từ 0,1 ến 0,2% ở tần số thấp hơn 200Hz.
Do ó khi muốn ọc giá trị cho úng, cần phải xác ịnh hằng số watt kế Cw (vì watt kế có
nhiều giới hạn o), ồng thời phải chú ý ến cực tính của các cuộn dây : U C .I m m w = ( W/vạch ) m
trong ó : Um là cỡ o iện áp ã chọn
Im là cỡ o dòng iện ã chọn αm
là số vạch chia giới hạn trên watt kế.
Giả sử khi o, kim chỉ vạch thứ α thì công suất của mạch là
Pw = Cw . α với α là số vạch kim chỉ thị thực tế trên ồng hồ o.
Theo sơ ồ ấu dây như hình vẽ : lOMoARcPSD| 38777299
chỉ thị của cơ cấu iện ộng ược xác ịnh : α = K . IL . IA E Mà I A = R RS 2
trong ó : RS là iện trở dùng ể hạn chế dòng iện qua cuộn dây iện áp.
R2 là iện trở cuộn dây iện áp. Suy ra α = K . IL . E R R S 2
Từ biểu thức trên, ta thấy iện trở nội của cuộn dây dòng iện càng nhỏ thì sai số càng
giảm (do tổn hao trên cuộn dây này giảm). Điện trở RS dùng ể giảm bớt iện áp trên
cuộn dây iện áp vì thế nếu iện áp vào càng lớn thì iện trở RS phải càng lớn.
Ở hình a : dòng iện tải bằng dòng iện qua cuộn dây tĩnh.
Ở hình b : dòng iện qua cuộn dây tĩnh bằng tổng dòng iện qua tải và dòng iện qua cuộn dây ộng.
Ta xét sơ ồ mạch iện sau :
khi iện trở RS mắc như hình vẽ, hiệu iện thế giữa ầu dây 2 và ầu dây 4 gần bằng iện
nguồn. Do ó có khả năng gây hư hỏng cho Watt kế vì sự cách iện của hai cuộn dây.
Ngoài ra khi mắc như thế sai số phụ sẽ tăng lên do ảnh hưởng tĩnh iện lẫn nhau của 2
cuộn dây watt kế. Vì thế phải mắc iện trở shunt ở ầu dây 4 ể giảm thiểu sai số và tăng tuổi thọ cho watt kế.
Muốn mở rộng thang o, có thể : lOMoARcPSD| 38777299
- Phân oạn cuộn dây dòng iện.
- Nối iện trở phụ nối tiếp với cuộn dây áp.
6.4.- Dùng Watt kế với máy biến áp o lường.
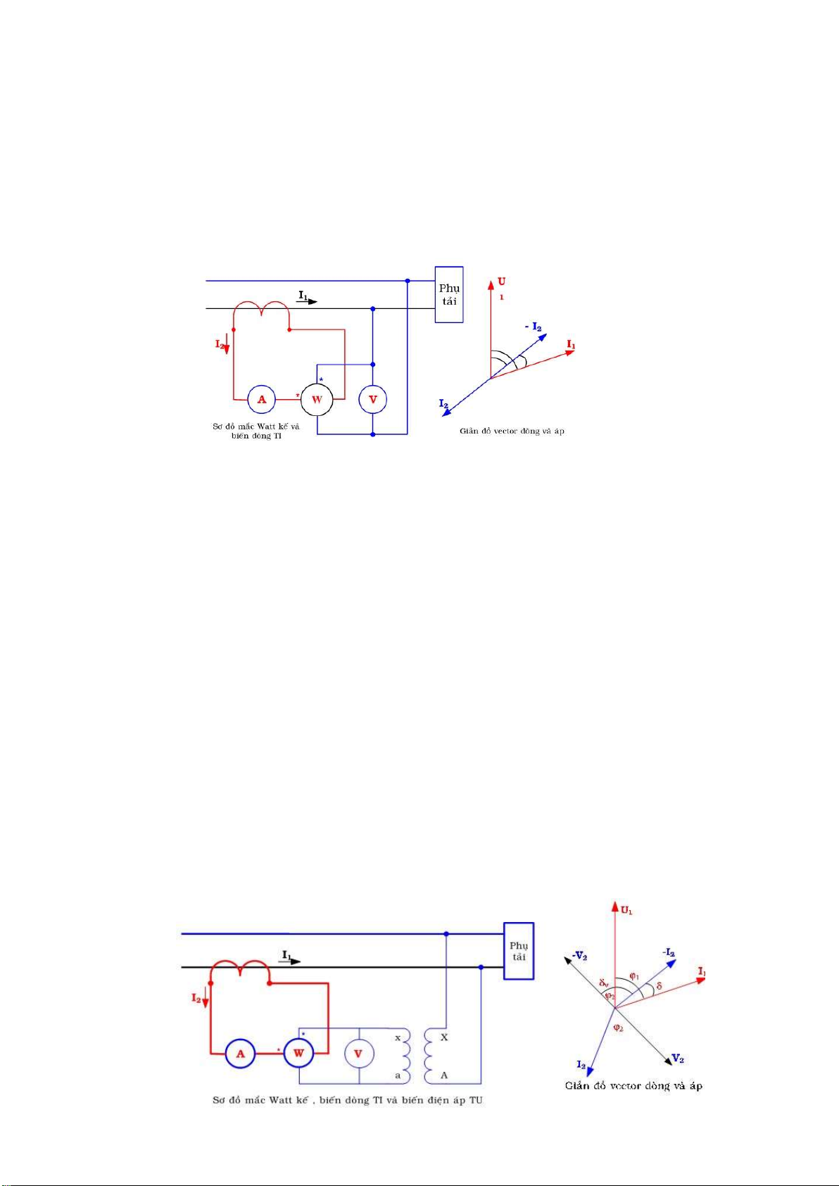
6.4.1- Dùng Watt kế với máy biến dòng TI.
Khi dòng iện phụ tải lớn hơn dòng iện ịnh mức của Watt kế, phải kết hợp Watt kế với
biến dòng TI theo sơ ồ ấu dây sau :
Công suất cho bởi Watt kế là :
Pw = P2 = U2 . I1 . cosφ2 = I2 . U1 . cos(φ1 - δ)
Khi biết giá trị công suất trên watt kế, xác ịnh ược công suất thực :
Pthực = KI . I2 . U1 . cos(φ1 - δ) trong
ó : Pw là công suất trên watt kế
KI là tỷ số danh ịnh của biến dòng.
Do góc δ nhỏ nên ta có thể xem φ1 = φ2 (xem giản ồ véc tơ dòng và áp).
Vì thế có thể viết : Pthực = KI . I2 . U1 . cosφ2
Như vậy, công suất tiêu thụ của tải bằng tích số giữa trị số ọc ược trên watt kế với tỷ
số danh ịnh biến dòng TI.
6.4.2.- Dùng Watt kế với máy biến dòng TI và biến iện áp TU.
Khi cần o công suất của phụ tải có dòng iện và iện áp luôn lớn hơn dòng iện và iện
áp danh ịnh của Watt kế, phải sử dụng biến dòng TI và biến iện áp TU ể tương thích
với dòng iện và iện áp của Watt kế theo sơ ồ ấu dây sau : lOMoARcPSD| 38777299
Cuộn dây của Watt kế ược mắc ở hai ầu cuộn dây thứ cấp ax của TU, hai ầu dây cuộn
sơ cấp của TU ược nối với nguồn iện ( ấu song song với phụ tải).
Cuộn dây dòng iện của Watt kế ược mắc nối tiếp với cuộn dây thứ cấp của TI, ể ảm
bảo an toàn vỏ của TI và TU ược nối ất.
Công suất trên Watt kế là : Pw = U2 . I2 . cosφ2
Công suất thực của phụ tải là : Ptải = KI . i2 . KV . u2 . cos(φ1 + δV - δi)
Nếu góc lệch δV và δi nhỏ, có thể xem φ2 = φ1
Như vậy, công suất thực gần úng của phụ tải ược xác ịnh :
Pthực = KI . KU . Pw = U1 . I1 . cosφ1
Sơ ồ cách mắc watt kế có nhiều thang o :
6.5.- Đo công suất mạch ba pha.
6.5.1.- Mạch ba pha ối xứng.
a.- Mạch ba pha bốn dây.
Đối với mạch iện ba pha có tải ối xứng, chỉ cần sử dụng một watt kế ể o công suất ở
một pha, rồi sau ó nhân với 3 sẽ ược giá trị công suất cho toàn bộ mạch iện.
Phép o ược thực hiện : lOMoARcPSD| 38777299
Công suất một pha ược xác ịnh : Pw = UP . IP . cosφ
Công suất 3 pha : P3P = 3 . Pw = 3 . UP . II . cosφ
Thực tế, thường chế tạo Watt kế 3 pha 3 phần tử, bao gồm : 3 cuộn dòng iện, tương
ứng với 3 cuộn iện áp ược gắn trên cùng một trục quay. Môment làm quay phần ộng
là tổng của 3 môment thành phần, tức là chỉ số của Watt kế sẽ tỷ lệ với công suất 3
pha. Phương trình ặc tính thang o : α = K3 . P3P
Sơ ồ mắc mạch như sau :
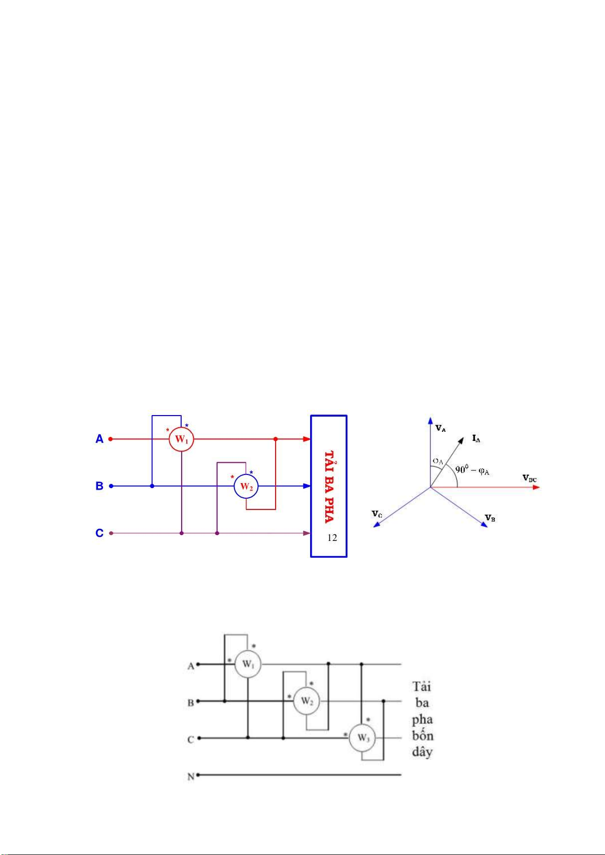
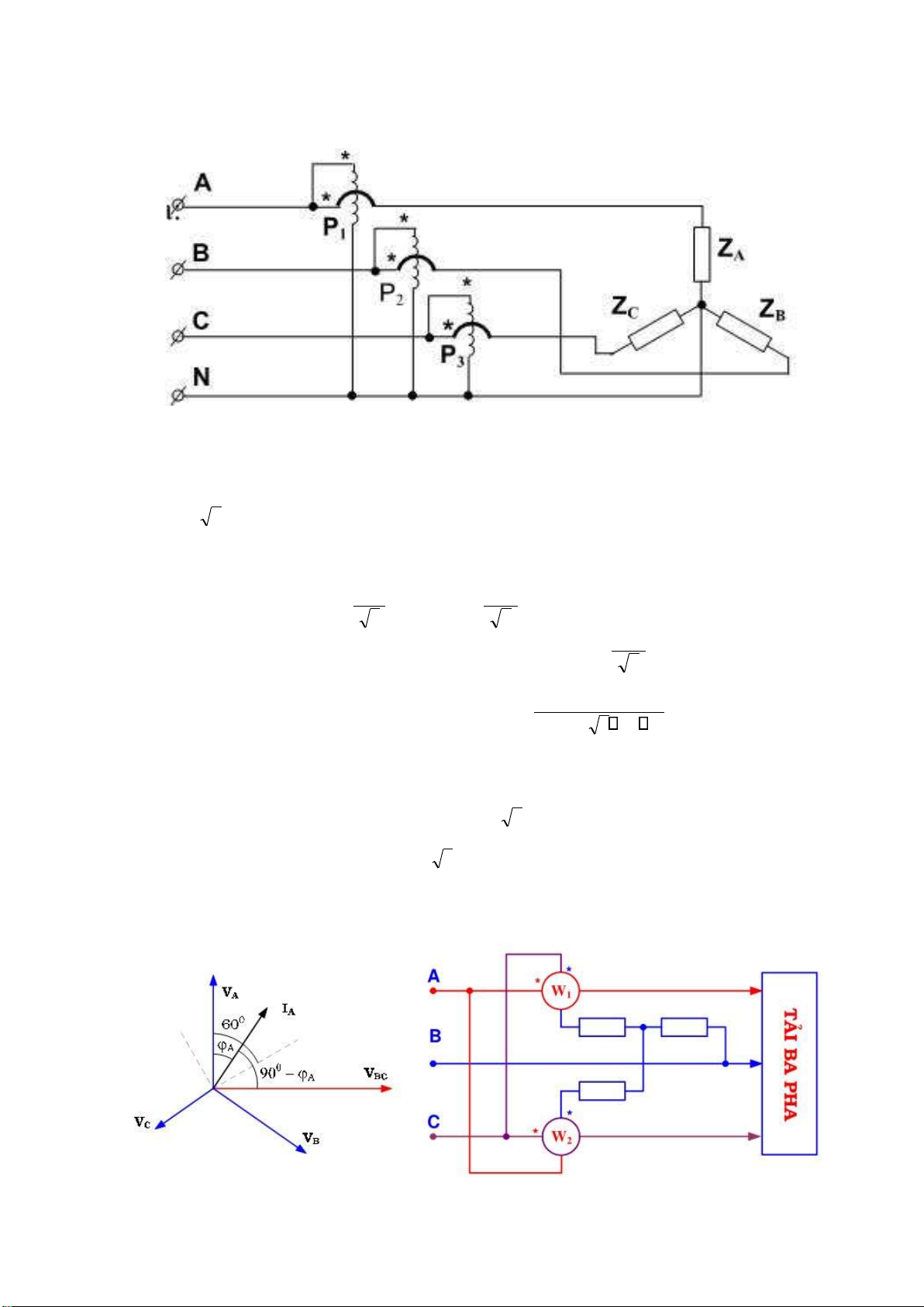
b.- Mạch ba pha 3 dây :
Để o công suất iện, ta tạo trung tính "giả" bằng cách sử dụng hai iện trở phụ có giá trị
bằng giá trị cuộn dây áp. Sơ ồ ấu dây như sau : lOMoARcPSD| 38777299 Công suất 3
pha ược xác ịnh : P = 3. P Ngoài ra, có
thể sử dụng 2 watt kế ể xác ịnh công suất
iện cho toàn mạch. Sơ ồ 3 P W ấu dây như sau :
Watt kế 1 o dòng iện pha A và iện áp UAB ,
Watt kế 2 o dòng iện pha C và iện áp UCB , Công suất
3 pha ược xác ịnh : P3P = PW1 + PW2
Trong quá trình o, nếu một trong hai watt kế chỉ ngược thì ta ổi cực tính cuộn dây
dòng iện hay cuộn dây iện áp. Lúc ó kết quả nhận ược từ watt kế ó sẽ lấy giá trị âm.
Ví dụ : giả sử watt kế 2 quay ngược, sau khi ổi cực tính cuộn dây thì công suất toàn
mạch sẽ là : P3P = PW1 + PW2 .
6.5.2.- Mạch iện ba pha không ối xứng (tải không cân bằng).
a.- Mạch ba pha bốn dây.
Để xác ịnh công suất iện, ta phải sử dụng 3 watt kế. Việc ấu dây cũng tương tự như
ấu dây watt kế một pha ối xứng (lưu ý ến dòng iện ịnh mức của watt kế và iện áp danh
ịnh của cuộn áp ở watt kế). lOMoARcPSD| 38777299
Công suất toàn mạch ược xác ịnh : P3P = PW1 + PW2 + PW3 .
b.- Mạch ba pha ba dây.
Thực hiện tương tự như mạch 3 pha ối xứng.
6.5.3.- Sử dụng watt kế ba pha ể o tải ba pha không cân bằng.
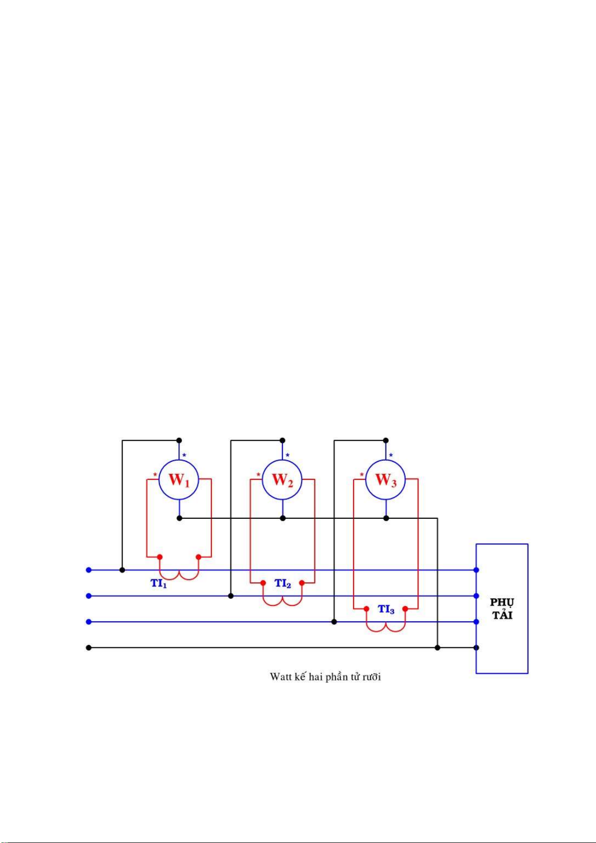
a.- Watt kế ba pha hai phần tử.
Được cấu tạo bởi hai cuộn dây iện áp (hai cuộn dây di dộng) có cùng trục quay và hai
cuộn dây dòng iện cố ịnh. Phương pháp o sử dụng watt kế này cũng giống như phương
pháp o dung 2 watt kế một pha ể o công suất tải ba pha ba dây. Vì thế cách mắc cũng
giống như cách mắc 2 watt kế một pha ể o công suất tải ba pha ba dây.
b.- Watt kế ba pha hai phần tử rưỡi. Sơ ồ ấu dây như sau :
Loại watt kế này thường sử dụng trong công nghiệp. Watt kế hai phần tử rưỡi có 2
cuộn dây áp có cùng trục quay và 3 cuộn dây dòng iện gồm cuộn dây thứ 3, một nửa
ở cuộn dây áp (1), một nửa ở cuộn dây áp (2).
Phương pháp o và cách ấu dây giống như watt kế ba pha, hai phần tử ở cuộn dây áp
và loại ba phần tử ở cuộn dây dòng. lOMoARcPSD| 38777299
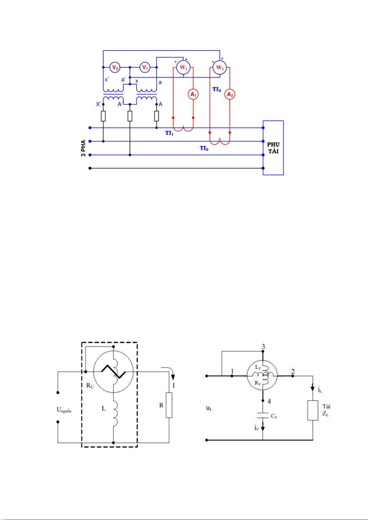
6.5.4.- Đo công suất ba pha của tải sử dụng biến dòng và biến áp.
Cũng giống như watt kế một pha, khi dòng iện tải lớn hơn dòng iện danh ịnh của watt
kế, ể sử dụng watt kế này ta phải kết hợp với biến dòng TI. Mạch ấu dây như sơ ồ mắc
watt kế và biến dòng TI :
Lý luận tương tự như ã trình bày ở 6.4.1, xác ịnh ược công suất tiêu thụ của phụ tải : Ppha A = KI1 . PW1 Ppha B = KI2 . PW2
Ppha C = KI3 . PW3 Pphụ tải = Ppha A + Ppha B + Ppha C
Thường sử dụng ba TI có tỷ số biến dòng giống nhau, do ó : Pphụ tải = K I . ( PW1 + PW2 + PW3 )
Khi phụ tải có dòng iện và iện áp lớn hơn dòng iện và iện áp danh ịnh của watt kế, ta
phải sử dụng biến dòng và biến iện áp. Sơ ồ ấu mạch như hình vẽ lOMoARcPSD| 38777299 : Lưu ý : ể ảm bảo an
toàn cho người và thiết bị, các TI và TU phải ược nối ất.
6.6.- Đo công suất phản kháng.
6.6.1.- Đo trực tiếp bằng watt kế phản kháng 1 pha (VAR kế).
Theo ịnh nghĩa, công suất phản kháng của tại ược xác ịnh :
Q = U . I . sinφ = U . I . cos( 90o - φ )
Watt kế phản kháng có cấu tạo tương tự như watt kế iện ộng, nhưng ể làm lệch pha ở
cuộn dây iện áp, thường mắc nối tiếp một dây cảm (a) hay một tụ iện (b) theo sơ ồ : a) b) lOMoARcPSD| 38777299
Tương tự như watt kế, góc quay của kim cũng tỷ lệ với dòng iện qua cuộn dây dòng
và cuộn dây áp, ồng thời cũng phụ thuộc sin của góc lệch pha giữa dòng iện và iện áp.
Do ó góc quay tỷ lệ với công suất phản kháng.
6.6.2.- Cách o công suất phản kháng.
Việc o công suất phản kháng tương tự như o công suất hữu ích ( ã ược giới thiệu ở trên).
Ngoài cách o công suất bằng watt kế, cũng có thể o gián tiếp bằng volt kế, ampe kế
và watt kế. Những phương pháp này cho kết quả không chính xác và sơ ồ ấu dây phức
tạp nên ít ược sử dụng.
6.6.3.- Đo công suất phản kháng của tải ba pha.
a.- Đo công suất phản kháng trong hệ thống iện ba pha bốn dây.
Mạch ấu dây như sơ ồ (a) hoặc (b) :
Giản ồ véctơ dòng v à áp (a) lOMoARcPSD| 38777299 (b)
Từ sơ ồ (a) hoặc (b) ta thấy iện áp dây UBC , UAC và UAB trễ pha 90o so với iện
áp pha UA, UB và UC . Vì thế có thể sử dụng watt kế một pha ể o công suất phản kháng Q.
Công suất ở pha A : PA = IA . UBC . cos( 90o - φ )
PA = 3. IA . UA . sinφ = 3 . Q P Nghĩa là : Q A A = 3
Giá trị PA ược ọc trên watt kế.
Tương tự, ối với pha B và pha C, công suất phản kháng của phụ tải ba pha sẽ
bằng tổng công suất phản kháng ở các pha :
Qba pha = QA + QB + QC
Qba pha = Pw1 Pw2 Pw3 3
b.- Đo công suất phản kháng trong hệ thống iện ba pha ba dây.
b.1.- Khi tải cân bằng và iện áp nguồn ối xứng.
Thường sử dụng 2 watt kế một pha hoặc 1 watt kế một pha hoặc 1 watt kế ba pha hai phần tử.
+ Giả sử, sử dụng 2 watt kế một pha, mắc mạch như hình vẽ :
Công suất o bằng 2 watt kế một pha cho kết quả :
PW = IA . UAB . cos( 90o - φ ) + IC . UBC . cos( 90o - φ ) lOMoARcPSD| 38777299
Do tải cân bằng và iện áp ối xứng, nên UBC = UAB và IC = IA
Vì vậy công suất tác dụng là : P
W = 2 . IA . UAB . sinφ = 2 . 3 . IA . UA . sinφ Mà Q = I A . UA . sinφ Do ó P W = 2 . 3 . Q 1 Suy ra Q = . PW 2. 3
Kết luận : Muốn chuyển Watt kế thành Watt kế phản pháng (VAR-kế) thì kết quả
ọc trên thang o Watt kế nhân với hệ số tỷ lệ và ơn vị VAR (hoặc KVAR). + Giả sử, sử
dụng 1 watt kế một pha, mắc mạch như hình vẽ :
Số chỉ của watt kế trong trường hợp này là :
BC . cos( 90 o - φ ) = 3 . U A . I A . sinφ
Mà Q A = U A . I A . sinφ P A = 3 . Q A PA = IA . U
Do tải cân bằng và iện áp ối xứng, cho nên ể tìm công suất phản kháng của tải ba pha là : 1 3 QA = 3 . PA Q = 3 . PA
b.2.- Khi tải cân bằng và phụ tải không cân bằng. lOMoARcPSD| 38777299
Khi phụ tải không cân bằng sử dụng 3 Watt kế, mắc mạch như hình vẽ :
Công suất phản kháng ở mỗi pha bằng kết quả ọc trên công suất tác dụng chia cho 3 : P P P Q w1 w2 w3 A = , QB = , QC = 3 3 3 P P P Q = Q w1 w2 w3 A + QB + QC = 3
Cũng với cách mắc trên, khi tải cân bằng, thì kết quả công suất phản kháng sẽ
là tích số giữa kết quả ọc trên Watt kế với 3 : Q = 3 . P W
Khi sử dụng Watt kế hai phần tử hoặc Watt
kế một pha, mạch iện ược mắc như hình vẽ : lOMoARcPSD| 38777299
Trong mạch sử dụng 3 iện trở mắc nối tiếp tạo ra mạch sao cân bằng, như vậy
iện áp pha C ược áp vào mạch thứ nhất và iện áp pha A ược áp vào mạch thứ hai. Đối với pha B, ta có :
PW = PW1 + PW2 = IA . UC . cos( 60o - φ ) + IC . UA . cos( 120o - φ ) 3 3
PW = Ipha . Upha . [0,5.cosφ +
.sinφ - 0,5.cosφ + 2 .sinφ] 2 P W = 3. Ipha . Upha . sinφ = 3 . Q Suy ra : 3. PW = 3 . Qpha
Kết luận : Công suất phản kháng của tải ba pha không cân bằng trị số ọc ược
của hai Watt kế nhân với 3.
6.7.- Công tơ iện một pha - Đo năng lượng iện. 6.7.1.- Khái niệm chung.
Điện năng là sản phẩm của ngành iện, việc o ếm iện năng có ý nghĩa rất lớn về
mặt kinh tế và kỹ thuật.
Năng lượng iện trong mạch iện xoay chiều một pha ược xác ịnh : t2 t2
W = P.dt = U I. .cos . dt = K . P . t t1 t1
trong ó : P là công suất tiêu thụ trên phụ tải,
t = t2 - t1 là khoảng thời gian phụ tải tiêu thụ iện, K là hệ số.
6.7.2.- Cấu tạo công tơ iện.
Công tơ iện ược cấu tạo dựa trên cơ cấu chỉ thị cảm ứng iện từ, gồm hai phần chính
là phần tĩnh và phần ộng (hình vẽ) : lOMoARcPSD| 38777299
a.- Phần tĩnh : bao gồm : -
Một nam châm iện chữ G, một nam châm dòng iện hình chữ U và một nam
châm vĩnh cửu làm bộ cản dịu. -
Nam châm iện chữ G (nam châm iện 1) ược quấn cuộn dây 1, cuộn 1 có tiết
diện dây nhỏ, số vòng dây nhiều ể chịu ược iện áp cao, ược nối song song với mạch
cần o làm cuộn dây iện áp. -
Nam châm dòng iện chữ U (nam châm iện 2) ược quấn cuộn dây 2, cuộn 2 số
vòng dây ít, tiết diện dây lớn, chịu ược dòng iện lớn, làm cuộn dòng và ược mắc nối tiếp với mạch cần o. -
Nam châm vĩnh cửu 4, có từ trường của nó xuyên qua ĩa nhôm ể tạo ra môment cản (hãm).
b.- Phần ộng : bao gồm : -
Một ĩa nhôm D mỏng (6 hoặc là 3), có ường kính từ 80 ến 100 mm, bề dầy 0,5
mm, tâm ĩa ược gắn với trục quay (2), một ầu trục gắn trên ổ ỡ, một ầu còn lại gắn với
hệ thống bánh xe răng (3) có cấu tạo ặc biệt theo tỷ lệ ể ếm số vòng quay của ĩa nhôm
thể hiện trên bánh xe của trục số (4). Đĩa nhôm D có mép ĩa nằm trong khe hở của
mạch từ cuộn dòng và cuộn áp.
6.7.3.- Nguyên lý làm việc :
Khi có dòng iện xoay chiều i qua cuộn dây dòng iện sẽ sinh ra từ thông Φ1 ( ΦI ) biến
thiên (xuyên qua) qua ĩa nhôm D và cảm ứng trong ĩa nhôm sức iện ộng cảm ứng E1, lOMoARcPSD| 38777299
sức iện ộng E1 tạo ra dòng iện xoáy I22 trên ĩa nhôm. Tương tự, ở cuộn dây iện áp,
dòng xoay chiều sinh ra từ thông Φ
) biến thiên qua ĩa nhôm D và cảm ứng trong 2 ( ΦL
ĩa nhôm sức iện ộng cảm ứng E , sức iện ộng E 2
2 tạo ra dòng iện xoáy I21 trên ĩa nhôm,
ngược chiều với dòng I22 . Các dòng I22 và I21 tác dụng với Φ1 và Φ2 tạo thành môment quay, làm ĩa nhôm quay.
Do cuộn dây áp có nhiều vòng dây nên hệ số tự cảm L áng kể so với cuộn dòng
nên có thể xem iện áp lệch pha 90o so với dòng iện. Tác ộng tương hỗ giữa từ thông
Φ1 và Φ2 với các dòng iện xoáy tạo thành moment làm quay ĩa nhôm. Môment quay
là tổng các môment thành phần :
Mq = K1 . Φ1 . I22 . sinψ + K2 . Φ2 . I21 . sinψ
trong ó : ψ là góc lệch pha giữa Φ và Φ 1 2 . K1 , K2 là hệ số.
Nếu dòng iện tạo ra từ thông Φ và Φ 1
2 là hình sin và ĩa nhôm ược cấu tạo ồng nhất thì
dòng iện xoáy I12 và I22 sẽ tỷ lệ với tần số f của nguồn iện và từ thông sinh ra chúng : I
12 = K3 . f và I22 = K4 . f . Φ2 Như vậy ta có : M q = K . f . Φ1 . Φ2 . sinψ Với K = K1 + K2 + K3 + K4 Φ1 = KI . I Φ2 = KU . IU = KU . U ZU
trong ó : U là iện áp ặt lên cuộn áp,
ZU là tổng trở cuộn áp K I , K U là hệ số tỷ lệ.
Do cuộn áp có iện trở thuần nhỏ hơn so với iện kháng nên có thể xem : ZU = XU = 2 . π . f . LU
trong ó : LU là iện cảm của cuộn dây f là tần số nguồn. Do ó : lOMoARcPSD| 38777299 K K Φ .U U U U =
= KU ' . U với KU ' = 2. , f .L U f 2. . LU
Nếu ta xem : Φ1 = ΦI và Φ2 = ΦU thì Mq = C . f . ΦI . ΦU . sinψ Do ó : M . I . sinψ q = C . KI . KU ' . U Ngoài ra, ta có : M q = K1 . U . I . sinψ
Nếu ψ = 90o - φ thì sinψ = sin( 90o - φ ) = cosφ
Do ó, biểu thức môment quay có thể viết lại :
Mq = K1 . U . I . cosφ = K1 . P
Dưới tác dụng của môment quay, ĩa nhôm sẽ quay với tốc ộ là no (vòng/phút). Dòng
iện xoay chiều kết hợp với từ trường do nam châm vĩnh cửu tạo thành moment hãm ĩa nhôm : M C = K2 . no
Khi ĩa nhôm quay ều (trạng thái cân bằng) ta có : M
C = Mq hay K2 . no = K1 . P K Suy ra : P = 2 . no K 1
Trong khoảng thời gian t = t2 - t1 , ĩa nhôm quay ược N vòng. Vì vậy : N no = t
Như vậy, iện năng tiêu thụ ược xác ịnh : K
W = P . t = 2 . no . t = N K 1 C N Hay C = (vòng/KWh) W lOMoARcPSD| 38777299
trong ó : C = K1 là hằng số thực của công tơ iện, là số vòng quay của ĩa K2
nhôm khi tiêu thụ công suất 1 KW trong 1 giờ.
N = no . t là số vòng quay thực tế của ĩa nhôm. Kết luận :
- Số vòng quay của ĩa nhôm trong thời gian t tỷ lệ thuận với iện năng tiêu thụ.
- Từ số vòng quay của ĩa nhôm, ta xác ịnh ược iện năng tiêu thụ.
- Mỗi công tơ iện ược ặc trưng bởi các thông số sau : . Độ nhạy S m (vòng/KWh) . Hằng số ịnh mức
. Hằng số thực tế của công tơ C = (KWh/vòng) N áp).
. Điện áp ịnh mức của công tơ Um ( iện áp ịnh mức của cuộn dây
. Dòng iện ịnh mức của công tơ Im . công tơ Cm = Sm W (vòng/KWh)
6.7.4.- Kiểm tra hằng số công tơ.
Để kiểm tra hằng số công tơ C, thường iều chỉnh sao cho I = Im , U = Um
và hệ số công suất cosφ = 1. Khi ó P = U m . Im .
Trong khoảng thời gian t , công tơ sẽ quay ược N vòng. Ta có : lOMoARcPSD| 38777299 N N C = = Um.Im.t Pm.t
Hằng số này không ổi ối với mỗi loại công tơ và ược ghi trên mặt công tơ. Chẳng hạn
: một công tơ iện có ghi thông số 1 KWh - 1500 vòng, nghĩa là nếu ĩa nhôm quay 1500
vòng thì mặt hiển thị sẽ nhảy thêm một ơn vị công suất.
Nếu hằng số C không bằng giá trị ịnh mức ghi trên mặt công tơ iện, thường iều chỉnh
vị trí nam châm vĩnh cửu ể tang hoặc giảm moment cản MC cho ến khi giá trị C ạt ược
giá trị ịnh mức thì dừng lại.
Sai số của công tơ iện : C C γ% = m o .100% Co
6.8.- Sơ ồ ấu dây công tơ iện một pha - ba pha.
Khi lắp ặt công tơ iện, phải ấu các ầu dây úng theo sơ ồ hướng dẫn của nhà sản xuất.
Mỗi loại công tơ iện có một kiểu mắc dây riêng, nhưng vẫn ảm bảo nguyên tắc "cuộn
dòng mắc nối tiếp với phụ tải, cuộn áp mắc song song với phụ tải".
6.8.1.- Mắc công tơ iện một pha.
Tùy theo cách ấu các ầu dây cuộn dòng và cuộn áp mà có cách ấu dây khác nhau. Sơ
ồ ấu dây thường ược ghi trên nắp công tơ. Sơ ồ ấu dây công tơ một pha có thể gập :
6.8.2.- Mắc công tơ iện ba pha. lOMoARcPSD| 38777299
Công tơ iện ba pha có cấu tạo tương tự công tơ iện một pha. Công tơ iện ba pha có các loại sau :
a.- Công tơ iện ba pha hai phần tử.
Loại công tơ iện này có 2 cuộn dây dòng iện và 2 cuộn dây iện áp, các ầu dây cuộn
dòng và cuộn áp ược ấu lại với nhau ể ưa ra ngoài 6 ầu dây. Cách mắc công tơ iện ba
pha hai phần tử tương tự như cách mắc watt kế 3 pha.
Công tơ iện ba pha hai phần tử ược sử dụng ể o iện năng trong hệ thống iện ba
pha ba dây. Sơ ồ ấu dây như sau :
b.- Công tơ iện ba pha ba phần tử.
Loại công tơ iện này có 3 cuộn dây dòng iện và 3 cuộn dây iện áp, các ầu dây
cuộn dòng và cuộn áp ược ấu lại với nhau ể ưa ra ngoài 7 , 8 hoặc 11 ầu dây (nếu có
sử dụng máy biến dòng). Cách mắc công tơ iện ba pha ba phần tử tương tự như cách
mắc watt kế 3 pha 3 phần tử.
Công tơ iện ba pha ba phần tử ược sử dụng ể o iện năng trong hệ thống iện ba
pha bốn dây (có dây trung tính). Sơ ồ ấu dây như sau :
Khi dòng iện i qua phụ tải có trị số lớn hơn
nhiều so với dòng iện ịnh mức của công tơ iện 3 pha, phải kết hợp với 3 máy biến
dòng. Giá trị thực sẽ là tích số của tỷ số máy biến dòng KI với giá trị o ược trên công tơ iện. lOMoARcPSD| 38777299
Lưu ý : Khi chọn máy biến dòng, phải căn cứ vào công suất của phụ tải ể chọn dòng
iện máy biến dòng cho phù hợp.
6.9.- Công tơ iện tử.
Sơ ồ khối nguyên lý của công tơ iện tử cho bởi hình vẽ :
Để chế tạo công tơ iện tử, dòng iện chạy qua phụ tải I ược biến ổi thành iện áp U1 theo tỷ lệ : U 1 = k1 . I
Một iện áp khác U2 tỷ lệ với iện áp ặt vào U : U 2 = k2 . U
Điện áp U1 và U2 qua bộ phận iện tử (nhân analog) sẽ nhận ược iện áp U3 tỷ lệ với công suất P : U 3 = k3 .
P Tiếp theo, iện áp U3 ược lần lượt i qua
các khâu : qua bộ biến ổi iện áp - tần số
(hay bộ biến ổi A/D), qua bộ ếm rồi qua
chỉ thị số. Số chỉ của cơ cấu chỉ thị sẽ tỷ
lệ với năng lượng N = C . W trong
khoảng thời gian cần o năng lượng ó.
Tất cả các bộ biến ổi trên sơ ồ ều thực hiện bằng mạch iện tử.
Công tơ iện tử có thể ạt tới cấp chính xác 0,5 . lOMoARcPSD| 38777299