













Preview text:
lOMoARcPSD| 38777299
CHƯƠNG 7.- ĐO HỆ SỐ CÔNG SUẤT VÀ TẦN SỐ 7.1.- Khái niệm.
Dòng iện và iện áp là hai tín hiệu iện khi i qua tải sẽ lệch pha nhau một góc
φ, góc lệch này sẽ tùy thuộc vào tính chất của tải : -
Nếu tải là thuần trở, thì φ = 0 (cosφ = 1). -
Nếu tải là thuần cảm, thì iện áp sẽ vượt pha so với dòng iện một góc là φ = . 2 -
Nếu tải là thuần dung, thì iện áp sẽ chậm pha so với dòng iện một góc là φ = - . 2
Đại lượng thể hiện sự lệch pha giữa hai tín hiệu này là cosφ , ại lượng này gọi
là hệ số công suất cosφ . Đại lượng này dùng làm chỉ tiêu ể ánh giá chất lượng cung
cấp iện năng. Hệ số công suất cosφ càng lớn (càng gần bằng 1) thì hiệu quả sử dụng
càng cao và quá trình truyền tải iện năng càng hiệu quả.
Việc nâng cao hệ số công suất cosφ sẽ tận dụng tốt công suất của nguồn.
Ví dụ : Một máy phát iện có công suất ịnh mức là Sm = 10.000 kVA
Nếu hệ số công suất của phụ tải là cosφ = 0,5 thì công suất tác dụng của máy
phát cung cấp cho phụ tải là :
P = Sm . cosφ = 10.000 * 0,5 = 5.000 kW
Nếu hệ số công suất của phụ tải là cosφ = 0,9 thì công suất tác dụng của máy
phát cung cấp cho phụ tải là :
P = Sm . cosφ = 10.000 * 0,9 = 9.000 kW
Như vây, hệ số công suất cosφ là ại lượng có ý nghĩa rất lớn về kinh tế cũng
như chất lượng cung cấp iện. Do ó, trong lĩnh vực o lường iện, cần phải biết hệ số
công suất cosφ. Từ ó có biện pháp nâng cao hệ số công suất cosφ. Nếu hệ số công
suất cosφ thấp hơn quy ịnh nhằm cải thiện chất lượng lưới iện.
7.2.- Đo hệ số công suất cosφ.
7.2.1.- Đo cosφ bằng volt kế.
Để kiểm tra hoặc lấy chuẩn cho cosφ kế hoặc o sự lệch pha φ giữa hai tín hiệu :
e1 = E1 . cosωt và e2 = E2 . cos (ωt + φ ) Ta
có thể sử dụng phương pháp sau : lOMoARcPSD| 38777299
. Dùng volt kế o S là tổng iện áp của tín hiệu e1 và e2 .
. Đo D là hiệu số giữa hai tín hiệu : S2 = E 2 2 .cosφ 1 + E2 + 2.E1.E2 D2 = E 2 2 .cosφ 1 + E2 - 2.E1.E2 Như vây : cosφ = S2 D2 4.E E1. 2
Tương tự, ta cũng có thể xác ịnh ược hệ số
công suất cosφ của tải kháng bằng cách sử dụng 3
Volt kế. Sơ ồ ấu mạch như hình :
Hình 7.1.- Sơ ồ ấu mạch o cosφ bằng Vol kế.
Lúc ó : cosφ = V V V3212 22 2.V V1. 2
trong ó : V1 là iện áp tải,
V2 là iện áp trên iện trở thuần,
V3 là iện trên iện trở thuần và phụ tải.
Phương pháp này có sai số từ 5o ến 10o nếu góc lệch pha khoảng 90o và sự sai số
này cũng phụ thuộc vào cấp chính xác của Volt kế V1 , V2 và V3 .
7.2.2.- Phương pháp o gián tiếp.
a.- Đo hệ số công suất cosφ mạch iện một pha.
Sơ ồ mắc mạch như hình vẽ : lOMoARcPSD| 38777299
Hình 7.2.- Đo cosφ mạch iện một pha.
Dùng Volt kế, Ampe kế và Watt kế. Phương pháp này ơn giản nhưng sơ ồ
mắc dây phức tạp và có sai số lớn. Watt kế cho biết công suất hiệu dụng của tải, Volt
kế và Ampe kế cho biết giá trị iện áp và cường ộ dòng iện.
Hệ số công suất ược xác ịnh : cosφ = P U I.
Từ biểu thức trên, thấy nếu biết các giá trị công suất hữu ích P, iện áp U và
cường ộ dòng iện I thì sẽ tính ược cosφ.
b.- Đo hệ số công suất cosφ mạch iện ba pha ối xứng.
Trường hợp này góc lệch pha ược o giữa dòng iện của một dây pha với iện áp
giữa các dây pha của tải ba pha : P = Ud . Id . cosφ Suy ra : cosφ = P U .dId
7.2.3.- Phương pháp trực tiếp.
a.- Cosφ kế iện ộng một pha.
Sơ ồ mắc mạch o như hình 7.3 : lOMoARcPSD| 38777299
Hình 7.3.- Cosφ kế iện ộng một pha.
Cơ cấu o kiểu tỷ số kế iện ộng hoặc sắt iện ộng. Phần tĩnh và phần ộng chia
làm hai cuộn dây mắc nối tiếp nhau. Đặc biệt, cuộn dây 1 ược mắc nối tiếp với iện
trở R và cuộn dây 2 ược mắc nối tiếp với cuộn kháng L ể sao cho dòng iện IR và IL
lệch pha nhau một góc 90o. Do hai cuộn dây ược ặt vuông góc với nhau sẽ tạo ra hai
moment quay ược xác ịnh : M1 = M . cosφ M2 = M . sinφ
trong ó : M1 là hệ số hỗ cảm giữa cuộn dây di ộng 1 với cuộn dây cố ịnh.
M2 là hệ số hỗ cảm giữa cuộn dây di ộng 2 với cuộn dây cố ịnh.
M là hệ số hỗ cảm lớn nhất khi các cuộn dây di ộng có từ thông (do cuộn dây cố ịnh tạo ra).
Giả sử, tổng trở của cuộn dây rất nhỏ so với giá trị iện trở R và XL của cuộn dây L , ta có :
utải = U . 2 . cosωt là iện áp của tải
itải = U . 2 . cos ( ωt - φ ) là dòng iện của tải Khi ó
dòng iện qua cuộn dây 1 và cuộn dây 2 là : U U iR =
. 2 . cosωt và iL = . 2 . cos ( ωt - φ ) R .L
Do ó, môment quay của cuộn dây 1 và cuộn dây 2 là : M M 1 q1 = U I . . d
.cosφ và Mq2 = U I
. . d M 2 .sinφ R d .L d
Tại trị số θi của cuộn dây di ộng Mq1 = Mq2 , hai cuộn dây di ộng dứng yên
(cân bằng). Lúc này ta xác ịnh ược góc lệch pha φ giữa hai tín hiệu áp và dòng :
tgφ = .L .tgθi
R Nếu như hai cuộn dây và mạch iện ược chế
tạo sao cho R = ω.L thì tại vị trí của chỉ thị của 2 cuộn dây ta có θi = φ .
Trên cosφ kế ược khắc ộ theo trị số cos của góc lệch pha φ có trị số 0 ở giữa
(tương ứng với giá trị cosφ = 1). lOMoARcPSD| 38777299
Nếu kim cosφ kế lệch về phía trên (hay phía phải) thì iện áp nhanh (vượt) pha hơn dòng iện (Lead).
Nếu kim cosφ kế lệch về phía dưới (hay phía trái) thì iện áp nhanh (vượt) pha hơn dòng iện (Lag).
Việc lấy chuẩn cho cosφ kế phụ thuộc vào tần số của tín hiệu o. Để hạn chế
ảnh hưởng của tần số ta sử dụng cuộn dây 2 gồm 2 phần tử bằng nhau, phần tử 1 nối
với L và phần tử 2 nối với tụ iện, giá trị của L và C ược chọn sao cho
L.C.ω2 = 1 khi o góc lệch pha của các tín hiệu (cộng hưởng ở tần số của tín hiệu o).
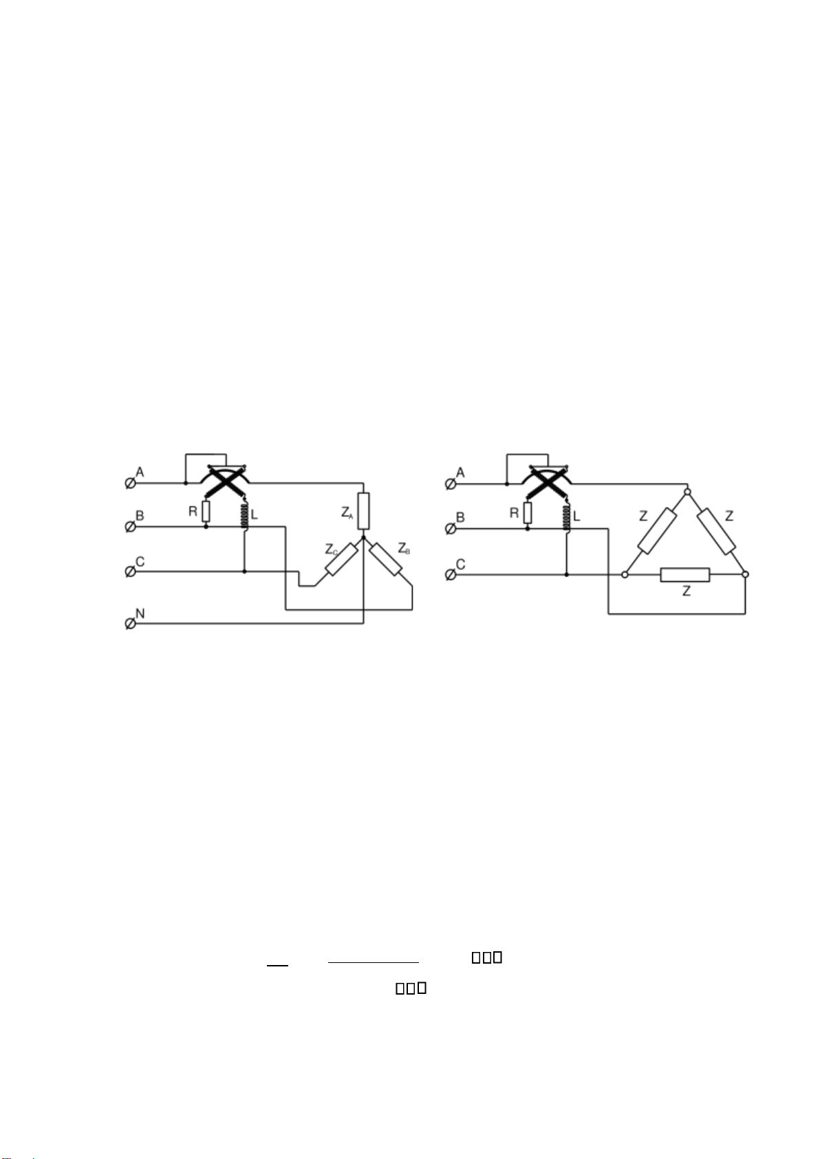
b.- Cosφ kế ba pha.
Khi o hệ số công suất cosφ ba pha nghĩa là ta o góc lệch pha φ giữa dòng iện
một dây pha với iện áp giữa các dây pha của tải ba pha. Theo hình 7.4 (a, b), thấy
cuộn dây cố ịnh của pha kế ược mắc nối tiếp với tải ở một trên ba pha iện của tải,
còn hai khung dây 1 và 2 ược mắc giữa các pha của tải qua trung gian các iện trở R
có trị số lớn và iện cảm của cuộn dây có trị số không áng kể. (a) (b)
Hình 7.4.- Cosφ kế ba pha.
Môment quay trung bình của khung quay 1 và 2 là :
Mq1 = K1 . UAB . IA . cos ( 120o + φ )
Mq2 = K2 . UAC . IA . cos ( 120o - φ ) Tại
vị trí cân bằng, có Mq1 = Mq2 Hay K1 = cos(120 ) K2 cos(120 ) Do ó cosφ = G(α)
Ngược với một pha, pha kế 3 pha không ảnh hưởng bởi tần số nếu như tần số của tín hiệu không cao. lOMoARcPSD| 38777299
Ngoài ra, có thể o ộ lệch pha bằng dao ộng ký (máy hiện sóng hay máy
Oscillocope cho các tín hiệu có biên ộ nhỏ). 7.3.- Đo tần số. 7.3.1.- Khái niệm.
Tần số (Frequency) và góc pha là các ại lượng ặc trưng cho quá trình dao ộng
có chu kỳ. Tần số ược xác ịnh bởi số các chu kỳ lặp lại của sự thay ổi tín hiệu trong
một ơn vị thời gian. Tần số là một trong các thông số quan trọng nhất của quá trình dao ộng có chu kỳ.
Với kỹ thuật tiên tiến ngày nay, các phép o chính xác nhất ược quy về o tần
số chuẩn có thể ạt ược ộ chính xác cao với sai số từ 10-13 ến 10-12 mà các ại lượng
mẫu khác khó có thể thực hiện ược. Ngoài ra, việc so sánh tần số có những biện
pháp ạt ộ phân ly rất cao và có thể truyền i dễ dàng.
Chu kỳ (Time period, time cycle) là khoảng thời gian nhỏ nhất mà giá trị của
tín hiệu lặp lại ộ lớn của nó (quá trình biến thiên) và thỏa mãn phương trình U ( t ) = U ( t + T ).
Nếu gọi T(s) là chu kỳ của tín hiệu và f(Hz) là tần số của tín hiệu, thì quan hệ
giữa tần số và chu kỳ của tín hiệu dao ộng : 1 f = (Hz) T
Tần số góc tức thời (ω) ược xác ịnh như là vi phân thời gian của góc pha của
tín hiệu ược xác ịnh :
ω(t) = d [grad] dt
Quan hệ giữa tần số góc tức thời và tần số là :
ω(t) = 2 . π . f(t) ↔ f(t) = 1 .ω(t) 2 với
f(t) là tần số tức thời.
Đối với tín hiệu dao ộng iều hòa (tín hiệu hình sin) vì có góc pha biến ổi theo thời
gian theo quy luật tuyến tính nên tần số góc tức thời là một hằng số :
ω(t) = d = ωo = const dt
↔ do ó tần số f là một ại lượng không ổi : 1 o lOMoARcPSD| 38777299 f(t) = .ω(t) = 2 2.
Tần số, chu kỳ và góc pha có mối quan hệ chặt chẽ với nhau theo biểu thức : φ = 2 . π . T
trong ó : φ là góc lệch giữa hai tín hiệu, τ là
khoảng thời gian lệch nhau giữa hai tín hiệu.
Do ó việc o tần số góc và góc lệch pha ược quy về o tần số và khoảng thời gian τ.
Thật vậy, giả sử ta có hai tín hiệu x
t + φ ) và tín hiệu thứ hai là x 1(t) = X1m cos(ω1 1 2(t) = X t + φ 2m cos(ω2
2) thì góc lệch pha giữa hai tín hiệu ược tính :
φ = φ1 - φ2 khi ω1 = ω2 φ = φ1 -
1 .φ2 nếu ω1 = n . ω2 (n là số nguyên) 2 Hoặc φ = -φ2 + 2 .φ1 1
Thông thường, góc lệch pha ược tính bằng gradian hoặc ộ, khoảng thời gian ược
tính bằng giây (s - second).
Việc lựa chọn phương pháp o tần số ược xác ịnh theo khoảng o, theo ộ chính xác
yêu cầu, theo dạng ường cong và công suất nguồn tín hiệu có tần số cần o và một số yếu tố khác.
Để o tần số, có thể thực hiện bằng hai phương pháp : Phương pháp biến ổi
thẳng và phương pháp so sánh. Các dụng cụ dung ể o tần số ược gọi là tần số kế.
Để o góc lệch pha, có thể thực hiện theo hai phương pháp : Phương pháp biến ổi
thẳng và phương pháp bù (phương pháp so sánh).
7.3.2.- Tần số kế.
Hiện có rất nhiều dụng cụ ể o tần số tín hiệu : o tần số nguồn bằng tần số bản rung
(tần số kế cộng hưởng cơ học), tần số kế iện ộng (hay sắt iện ộng), tần số kế từ iện
có chỉnh lưu hay tần số kế iện tử.
a.- Tần số kế iện ộng.
Cấu tạo tần số kế iện ộng (hay sắt iện ộng) cho trên hình 7.5 :
Tần số kế iện ộng bao gồm : cơ cấu tỷ số kế iện ộng dựa trên cơ cấu logommet
iện ộng hay sắt iện ộng. lOMoARcPSD| 38777299
Phần ộng của cơ cấu : gồm 2 cuộn dây B1 và B2 gắn chặt với nhau và lệch một
góc γ và ược nối với tụ iện C1 .
Phần tĩnh : có cuộn dây cố ịnh A ược tách làm hai phần, nối với iện cảm L và tụ
iện C2 . Để iều chỉnh dòng iện qua cuộn dây B2 cho thích hợp thường mắc thêm cuộn
dây RSH song song với cuộn dây B2 .
Cấu tạo tần số kế iện ộng Giản ồ véc tơ
Hình 7.5.- Tần số kế iện ộng.
+ Nguyên lý hoạt ộng của tần số kế iện ộng.
Điều chỉnh cuộn cảm L và tụ iện C2 ể ạt tần số cộng hưởng. Lúc này moment
quay M1 sẽ làm quay cuộn B1 bằng 0. Môment quay M2 tạo bởi dòng iện I2 trong
cuộn dây A và B2 làm di chuyển cuộn dây sao cho từ thông tạo nên bởi cuộn dây A
và B2 trùng nhau. Như vậy dòng iện I2 sẽ thay ổi bất kỳ sự lệch tần số của tín hiệu o
so với tần số cộng hưởng. Sự lệch pha giữa dòng I2 và iện áp theo chiều dương khi
f tăng và theo chiều âm khi f giảm. Với các tần số cộng hưởng thì M1 khác 0 sẽ tạo
nên ngẫu lực phụ thuộc vào sự lệch pha giữa dòng I1 và dòng I2 . Hai môment này
quay ngược chiều nhau và phụ thuộc vào tần số của tín hiệu : M M ) . cosα . AB1 1 = I . I1 . cos(I, I1 d d M ) . cos(γ 2 = I . I2 . cos(I, I2 - α) . d M AB2 d
Ở vị trí cân bằng M1 = M2 (lúc này kim sẽ ứng yên) nên : lOMoARcPSD| 38777299
d M AB1 = d M AB2 thì I1.cos( ,I I1) = cos( ) d d
I2.cos( ,I I2) cos
Do ó α = F ( I1.cos( ,I I1) ) I2.cos( ,I I2)
Ta nhận thấy góc lệch α tỷ lệ với tỷ số của hai dòng iện I1, I2 và cos( I, I1 ), cos( I, I2 ) .
Nhược iểm của logommet iện ộng là ộ nhạy thấp. Để tăng ộ nhạy của cơ cấu,
gắn thêm lõi thép và ược gọi là cơ cấu o chỉ thị sắt iện ộng. Môment quay của cơ
cấu sắt iện ộng khi có dòng iện I1 chạy vào cuộn dây tĩnh và dòng iện I2 chạy vào
cuộn dây ộng ược xác ịnh : Mt = B . S2 . W2 . I2
trong ó : B là ộ từ cảm của khe hở không khí ược tạo bởi dòng iện I1.
S2 , W2 là diện tích và số vòng của cuộn dây ộng.
Môment trung ược xác ịnh : 1 T
Mq = . M.dt = B . S2 . W2 . I2 . cos ( B, I2 ) T 0
Nếu ta sử dụng oạn tuyến tính của ường cong từ hóa thì :
B = K1 . I1 và ( B , I1 ) = ( I1 , I2 )
Do ó Mq = K1 . S2 . W2 . I1 . I2 . cos ( I1 , I2 ) b.-
Tần số kế cộng hưởng iện từ.
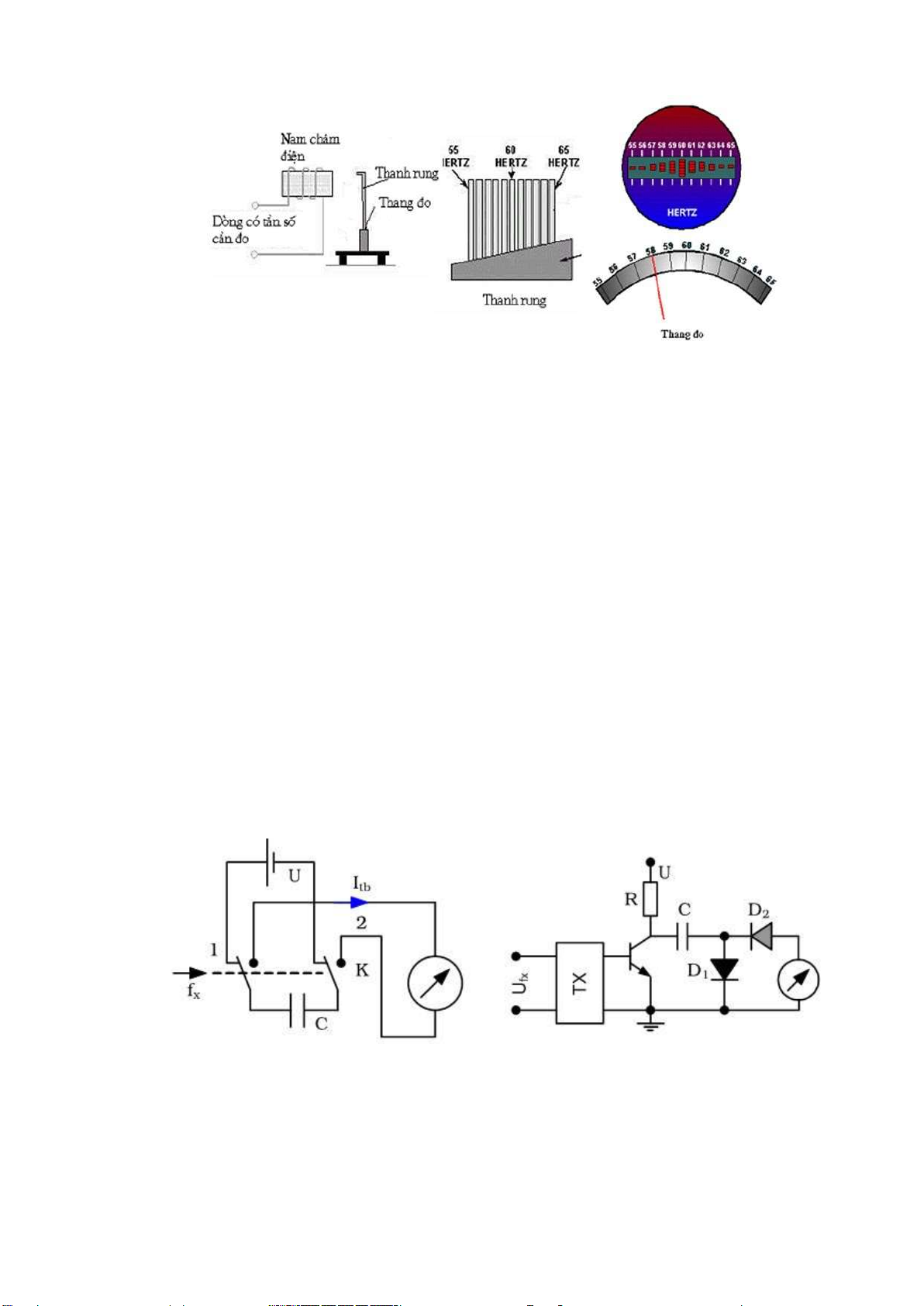
* Cấu tạo : xem hình 7.6.
Cấu tạo gồm : Một nam châm iện.
Các thanh thép ược gắn chặt một ầu, còn một ầu kia dao ộng
tự do. Các thanh thép có tần số riêng khác nhau. Tần số riêng của mỗi thanh bằng
hai lần tần số của nguồn iện cần o.
Thang khắc ộ theo tần số, só thể dạng ĩa hoặc doc thanh. lOMoARcPSD| 38777299
Hình 7.6.- Sơ ồ nguyên lý và cấu tạo của tần số kế cộng hưởng iện từ.
* Nguyên lý hoạt ộng :
Dưới tác dụng của từ trường tạo ra bởi nam châm iện, các thanh rung bị hút
vào nam châm iện 2 lần trong một chu kỳ của dòng ưa vào nam châm, do ó tạo nên
dao ộng với tần số gấp 2 lần tần số của dòng ưa vào nam châm. Khi thanh rung có
tần số dao ộng riêng bằng 2 lần tần số cần o thì nó sẽ dao ộng với biên ộ lớn nhất
(hiện tượng công hưởng xảy ra) và qua ó xác ịnh ược tần số cần o.
c.- Tần số kế iện tử.
Trên thị trường, ngoài tần số kế cơ còn có tần số kế iện tử.
Tần số kế iện tử có ưu iểm : có thể o tần số âm tần và cao tần mà các tần số
kế cơ không thể o ược. Tần số kế iện tử là dụng cụ o tần số phối hợp giữa cơ cấu o
từ iện với các bộ biến ổi ể thực hiện biến ổi tần số thành dòng iện một chiều. Sơ ồ
nguyên lý của tần số kế iện tử (hình 7.7.a) như sau : a) b)
Hình 7.7.- Sơ ồ nguyên lý và sơ ồ thực tế của tần số kế iện tử.
Khi khóa K ở vị trí 1, tụ iện C ược tích iện ến iện áp U của nguồn iện. Điện tích nạp là Q = C . U . lOMoARcPSD| 38777299
Khi khóa K chuyển sang vị trí 2, tụ iện phóng iện qua cơ cấu o từ iện với dòng
I = Q , với t là thời gian phóng. t
Nếu khóa K thay ổi với tần số fX thì giá trị dòng iện trung bình qua cơ cấu o là : Q Itb = = Q . fX = C . U . fX T x
với : Tx là chu kỳ, fx là tần số cần o.
Nếu C và U là ại lượng không ổi thì dòng iện trung bình tỷ lệ với tần số fX : Itb = K . fX với : K là hằng số
Do dòng iện tỷ lệ với tần số cần o, nên có thể khắc vạch trực tiếp trên tần số kế.
Xét một sơ ồ tần số kế iện tử thực tế (hình b).
TX là bộ tạo xung ể chuyển iện áp cần o tần số Ufx thành các xung iều khiển
óng mở transistor (thay khóa K bằng khóa iện tử Transistor). Các xung này có biên ộ không ổi Um .
Lúc này iện áp có tần số cần o Ufx ược ưa qua bộ tạo xung TX. Khi chưa có
tín hiệu ặt vào cực gốc B (bazo) của transistor, transistor ở trạng thái "khóa" và tụ
iện C ược nạp theo dòng i từ Ucc qua R, tới C, qua D1 xuống mass. Tụ C khi này sẽ
ược nạp ến iện áp U với iện tích Q = C . U .
Khi có iện áp ặt vào cực gốc B của transistor, lúc ó transistor dẫn làm cho tụ
iện C phóng iện qua transistor T, diode D2 và cơ cấu o từ iện CT và làm cho kim chỉ
thị lệch. Thang o của cơ cấu ược khắc ộ giá trị tần số o.
Tần số kế iện tử có ưu iểm là có thể o tần số tín hiệu hình sin trong một dải
tần khá rộng từ 0,1 Hz ÷ 1000 kHz với sai số 2%.
d.- Tần số kế số (digital).
Ngày nay do công nghệ số (digital) phát triển, nên các thiết bị số ngày càng
ược sử dụng rộng rãi do có những tính năng vượt trội như : thiết bị o gọn nhẹ, dải
tần rộng từ vài hert (Hz) ến vài mêgahéc (MHz), hiển thị bằng số nên dễ ọc vì thế
hạn chế ược sai số, tiêu tốn năng lượng rất ít nên không làm ảnh hưởng ến mạch o
và nhất là có thể tự ộng hóa một cách dễ dàng.
Nguyên lý hoạt ộng của tần số kế số có phương trình cơ bản : ∆fX = f X = AN + T o lOMoARcPSD| 38777299 N f X To
Tín hiệu mang tần số cần o fX ược chuyển thành dạng xung vuông có tần số
bằng với tần số fX . Các xung vuông này ược ưa vào bộ ếm trong khoảng thời gian
nhất ịnh (thường là 1 giây), vì thế số xung ếm ược qua bộ hiển thị tỷ lệ với tần số fX cần o.
Sơ ồ khối của một tần số kế chỉ thị số (digital) cho trên hình 7.8 : a) b)
Hình 7.8.- Tần số kế chỉ thị số.
a) Sơ ồ khối ; b) Giản ồ xung.
Quá trình hoạt ộng của tần số kế chỉ thị số như sau : nguồn tín hiệu có tần số
cần o ược ưa ến ầu vào của “Bộ vào”. Bộ vào bao gồm một bộ khuếch ại dải rộng
với tần số từ 10 Hz ến 3,5 MHz và một bộ suy giảm tín hiệu. Mục ích là ể hòa hợp
tần số kế với nguồn tín hiệu có tần số cần o, ồng thời ể khuếch ại hay hạn chế iện áp
vào ến giá trị ủ ể kích thích tạo xung làm việc. Tiếp theo là bộ tạo xung (Bộ TX).
Bộ tạo xung có chức năng biến tín hiệu hình sin hoặc tín hiệu xung có chu kỳ thành
một dãy xung DX có biên ộ không ổi (không phụ thuộc vào biên ộ của tín hiệu vào)
nhưng có tần số bằng tần số của tín hiệu vào (hình 7.8.a).
Đồng thời với quá trình trên, máy phát tần số chuẩn (MF tần số chuẩn fo).
Máy phát tần số chuẩn phát tần số chuẩn ược ổn ịnh bằng thạch anh có tần số fo = 1
MHz. Tín hiệu có tần số fo này ược ưa qua “Bộ chia tần số” theo các mức với hệ số
là 10n, tần số chuẩn fo = 1 MHz sẽ ược chia ến 0,01Hz, nghĩa là ở ầu ra của mạch lOMoARcPSD| 38777299
iều khiển theo 10n (n = 1, 2, … , 8) tương ứng có thể nhận ược khoảng thời gian To
= 1/fo = 10-6 , 10-5 , 10-4 , 10-3 , 10-2 , 10-1 , 1 , 10 , 100 s.
Trong khoảng thời gian To mạch iều khiển (ĐK) cho mở khóa K (khóa có hai
ầu vào) ể cho phép dãy xung DX (có tần số tỷ lệ với f ) i vào bộ ếm và sau ó ra cơ x
cấu chỉ thị, số xung ếm ược trong thời gian To này là N.
Như vậy, suy ra chu kỳ của dãy xung là : T T o x = = k.To = k với k = 10n f N N N. o
Suy ra tần số của dãy xung là : 1 f o fx = = N . T x k
Nếu To = 1 giây (k = 106) thì số xung N (tức là số các chu kỳ) sẽ chính là các
tần số cần o fx , nghĩa là : fx = N.
Mạch iều khiển phụ trách việc iều khiển quá trình o, bảo ảm thời gian biểu thị
kết quả o cỡ từ 0,3 ÷ 0,5 trên chỉ thị số, xóa kết quả o ưa về trạng thái 0 ban ầu trước
mỗi lần o, iều khiển chế ộ làm việc : tự ộng, bằng tay hay khởi ộng bên ngoài
(external trigger), chọn dải o tần số (cho ra xung mở khóa K) và cho ra xung iều khiển máy in số …
Bộ hiện số thường có nhiều digit (hàng ơn vị, hàng chục, hàng trăm …) bảo
ảm chỉ thị toàn bộ dải tần số cần o. lOMoARcPSD| 38777299