



















Preview text:
  MỤC LỤC  
PHẦN 2: THIẾT KẾ HỆ THỐNG BẢO VỆ RƠ LE CHO NHÀ MÁY ĐIỆN  
VÀ TRẠM BIẾN ÁP ...............................................................................................  1 
CHƯƠNG 1: LỰA CHỌN PHƯƠNG THỨC BẢO VỆ CHO NHÀ MÁY  
ĐIỆN VÀ TRẠM BIẾN ÁP ....................................................................................  1 
1.1. LỰA CHỌN ĐỐI TƯỢNG BẢO VỆ ............................................................ 1 
1.2. CÁC DẠNG HƯ HỎNG VÀ NHỮNG LOẠI BẢO VỆ RƠ LE THƯỜNG 
DÙNG ...................................................................................................................  1 
1.2.1. Các dạng hư hỏng và trạng thái làm việc không bình thường ................ 1 
1.2.2. Những loại bảo vệ rơ le thường dung ..................................................... 2 
1.3. CÁC YÊU CẦU ĐỐI VỚI HỆ THỐNG BẢO VỆ RƠ LE ........................... 3 
1.3.1. Tính chọn lọc ...........................................................................................  3 
1.3.2. Độ tin cậy ................................................................................................ 3 
1.3.3. Tác động nhanh ....................................................................................... 3 
1.3.4. Độ nhạy ...................................................................................................  3 
1.3.5. Tính kinh tế ............................................................................................. 4 
1.4. CÁC LOẠI BẢO VỆ RƠ LE THƯỜNG DÙNG ĐỂ BẢO VỆ CHO ĐỐI 
TƯỢNG ĐÃ LỰA CHỌN .................................................................................... 4 
1.4.1. Tính năng của các loại bảo vệ .................................................................  4 
1.4.2. Lựa chọn phương thức bảo vệ .................................................................  4 
1.4.3. Lựa chọn loại bảo vệ rơ le .......................................................................  5 
CHƯƠNG 2: GIỚI THIỆU NGUYÊN LÝ LÀM VIỆC VÀ TÍNH TOÁN CÁC  
THÔNG SỐ CÀI ĐẶT CỦA BẢO VỆ ..................................................................  6     
2.1. GIỚI THIỆU CÁC CHỨC NĂNG CHÍNH CỦA RƠLE BẢO VỆ MÁY 
BIẾN ÁP ...............................................................................................................  6 
2.1.1. Rơ le bảo vệ máy biến áp ........................................................................  6 
2.2. NGUYÊN LÝ LÀM VIỆC VÀ CÁC THÔNG SỐ CÀI ĐẶT CỦA BẢO 
VỆ ..........................................................................................................................  7    
2.2.1. Quá dòng cắt nhanh (F50) .......................................................................  7 
2.2.2. Bảo vệ quá dòng cực đại (F51) ............................................................... 8 
2.2.3. Bảo vệ so lệch (F87) ............................................................................... 9 
CHƯƠNG 3 TÍNH TOÁN CÁC THÔNG SỐ VÀ KIỂM TRA KHẢ NĂNG  
LÀM VIỆC CỦA RƠ LE .....................................................................................  12 
3.1. TÍNH CHỌN LỰA CHỌN BI CHO HỆ THỐNG BẢO VỆ RƠ LE .......... 12 
3.2. TÍNH TOÁN THÔNG SỐ CÀI ĐẶT CHO CÁC CHỨC NĂNG BẢO VỆ 
CHO MÁY BIẾN ÁP .......................................................................................... 13 
3.2.1. Bảo vệ quá dòng cắt nhanh (F50) ......................................................... 13 
3.2.2. Bảo vệ quá dòng có thời gian (F51) ...................................................... 14 
3.2.3. Bảo vệ so lệch (F87) ............................................................................. 16 
TÀI LIỆU THAM KHẢO ....................................................................................  19 
DANH SÁCH HÌNH Hình 1.1: Sơ đồ phương thức bảo vệ cho máy biến 
áp ............................................................... Lỗi! Thẻ đánh dấu không được xác định. 
Hình 1.2: Sơ đồ bảo vệ máy biến áp ...................................................................... 5 
Hình 2.1: Sơ đồ bảo vệ so lệch dọc máy biến áp .................................................. 6 
Hình 2.2: Sơ đồ bảo vệ cắt nhanh máy biến áp .................................................... 7 
Hình 2.3: Sơ đồ bảo vệ quá dòng có thời gian của máy biến áp ......................... 7 
Hình 3.1: Bảo vệ quá dòng cắt nhanh F50T ....................................................... 14   
Hình 3.2: Sơ đồ bảo vệ quá dòng cắt nhanh máy biến áp ................................. 15 
Hình 3.3: Bảo vệ so lệch F87T .............................................................................. 18 
Hình 3.4: Sơ đồ bảo vệ so lệch máy biến áp ....................................................... 20    DANH SÁCH BẢNG  
Bảng 3.1: Thông số hai máy biến dòng ở hai đầu máu biến áp nối bộ ............  12                                          
PHẦN 2: THIẾT KẾ HỆ THỐNG BẢO VỆ RƠ LE 
CHO NHÀ MÁY ĐIỆN VÀ TRẠM BIẾN ÁP  
CHƯƠNG 1: LỰA CHỌN PHƯƠNG THỨC BẢO VỆ CHO  
NHÀ MÁY ĐIỆN VÀ TRẠM BIẾN ÁP  
1.1. LỰA CHỌN ĐỐI TƯỢNG BẢO VỆ  
− Máy phát điện là một phần tử rất quan trọng trong hệ thống điện, sự làm việc 
tin cậy của các máy phát điện có ảnh hưởng và quyết định đến độ tin cậy của hệ thống 
điện. Cùng với máy phát điện, máy biến áp cũng là một phần tử rất quan trọng, với 
chức năng liên kết hệ thống sản xuất, truyền tải và phân phối,… Vì vậy, việc bảo vệ 
hai thiết bị này là vấn đề rất cần thiết để đảm bảo độ tin cậy cung cấp điện trong hệ  thống điện. 
1.2. CÁC DẠNG HƯ HỎNG VÀ NHỮNG LOẠI BẢO VỆ RƠ LE THƯỜNG  DÙNG  
1.2.1. Các dạng hư hỏng và trạng thái làm việc không bình thường     Đối với máy biến áp: 
Sự cố bên trong MBA: Sự cố bên trong được chia làm 2 nhóm sự cố là: 
+ Sự cố trực tiếp là ngắn mạch của cuộn dây, hư hỏng cách điện làm thay đổi 
đột ngột các thông số điện. 
+ Sự cố gián tiếp diễn ra từ nhưng vì trở thánh sự cố trực tiếp nên không phát 
hiện và xử lý kịp thời (như quá nhiệt trong MBA, áp suất dầu tăng cao,…) 
Vì vậy yêu cầu bảo vệ sự cố trực tiếp phải nhanh chóng cách ly MBA bị sự cố 
ra khỏi hệ thống điện để giảm ảnh hưởng đến hệ thống, sự cố gián tiếp không 
đòi hỏi phải cách ly MBA nhưng phái được phát hiện, có tín hiệu báo cho nhân 
viên vận hành biết để xử lý. Ta sẽ phân tích một số sự cố bên trong thường  gặp: 
+ Ngắn mạch giữa các pha trong MBA 3 pha: dạng ngắn mạch này rất hiếm 
khi xảy ra, nhưng nếu xảy ra thì dòng ngắn mạch sẽ rất lớn so với dòng một  pha.     
+ Ngắn mạch một pha: Có thể là chọm vỏ hoặc chạm lá thép MBA. Dòng 
ngắn mạch một pha lớn hay nhỏ phụ thuộc chế độ làm việc của điểm trung 
tính MBA đối với đất và tỷ lệ vào khoảng cách từ điểm chạm đất đến điểm 
trung tính. Khi điểm sự cố dịch xa điểm trung tính tới đầu cực MBA thì 
dòng điện sự cố càng tăng. 
+ Ngắn mạch giữa các vòng dây của cùng một pha: khoản (70-80)% hư hỏng 
MBA là từ chạm chập giữa các vòng dây cùng một pha bên trong 
MBA. Trường hợp này dòng điện tại điểm ngắn mạch rất lớn vì một số 
vòng dây bị nối ngắn mạch, dòng điện này phát nóng đốt cháy cách điện 
cuộn dây và đầu biến áp nhưng dòng điện từ nguồn đến MBA có thể vẫn 
nhỏ, không đủ cho bảo vệ rơ le tác động. 
 Ngoài ra còn 6 có các sự cố như hỏng thùng dầu, hỏng sứ dẫn, hỏng bộ 
phận điều chỉnh đầu phân áp,… 
+ Dòng điện từ hóa tăng vọt khi đóng MBA không tải Hiện tượng dòng điện 
từ hóa tăng vọt có thể xuất hiện vào thời điểm đóng MBA không tải. Dòng 
điện này chỉ xuất hiện trong cuộn sơ cấp MBA. Nhưng đây không phải là 
dòng điện ngắn mạch, do đó yêu cầu bảo vệ không được tác động. 
+ Sự cố bên ngoài ảnh hưởng đến tình trạng làm việc của MBA: Dòng điện 
tăng cao do ngắn mạch ngoài và quá tải. Mức dầu bị ha thấp do nhiệt độ 
không khí xung quanh MBA giảm đột ngột. 
1.2.2. Những loại bảo vệ rơ le thường dung  
Đối với máy biến áp Bảo vệ chống sự cố trực tiếp bên trong MBA có: 
+ Bảo vệ quá dòng điện có cầu chì hoặc rơ le quá dòng điện  + Bảo vệ so lệch dọc 
+ Bảo vệ MBA 3 cuộn dây dùng rơ le so lệch có hãm + Bảo vệ chống chạm  đất cuộn dây MBA 
Bảo vệ MBA tự ngẫu Bảo vệ chống sự cố gián tiếp bên trong MBA có:  + Rơ le khí  + Bảo vệ quá nhiệt     
+ Rơ le phát hiện tốc độc tăng giám áp suất dầu + 
Bảo vệ dòng đầu bộ điều áp 
1.3. CÁC YÊU CẦU ĐỐI VỚI HỆ THỐNG BẢO VỆ RƠ LE  
1.3.1. Tính chọn lọc  
Là khả năng bảo vệ có thể phát hiện và loại trừ đúng các phần tử bị sự 
cố ra khỏi hệ thống điện. Hệ thống điện càng phức tạp thì việc đảm bảo tính  chọn lọc càng khó khan. 
Theo nguyên lý làm việc, các bảo vệ được chia ra 2 loại: 
+ Bảo vệ có tính chọn lọc tuyệt đối 
+ Bảo vệ có tính chọn lọc tương đối 
1.3.2. Độ tin cậy  
 Bảo vệ phải tác động chắc chắn khi xảy ra sự cố trong vùng được yêu cầu 
bảo vệ và không được tác động sai đối với trường hợp mà nó không có nhiệm 
vụ tác động. Đây là yêu cầu rất quan trọng, nếu một bảo vệ nào đó không tác 
động hoặc tác động nhầm rất có thể dẫn đến hậu quả phụ tải bị mất điện hoặc 
làm cho sự cố lan rộng trong hệ thống. Để bảo vệ có độ tin cậy cao cần dùng 
sơ đồ giảm số lượng rơ le và tiếp xúc, cấu tạo đơn giản, chế độ và lắp ráp đảm 
bảo chất lượng, đồng thời phải kiểm tra thường xuyên trong quá trình vận hành. 
1.3.3. Tác động nhanh  
+ Bảo vệ phát hiện và cách ly các phần tử bị sự cố càng nhanh càng tốt. 
+ Tính tác động nhanh của bảo vệ là yêu cầu quan trọng khi có ngắn mạch bên 
trong thiết bị, yêu cầu này chỉ cần đáp ứng đối với sự cố ngắn mạch. Bảo vệ 
tác động nhanh để kịp thời cô lập các phần tử hư hỏng thuộc phạm vi bảo vệ 
phằm đảm bảo tính ổn định làm việc song song của các máy phát trong hệ 
thống, giảm tác hại của dòng điện ngắn mạch với thiết bị, giảm xác suất dẫn 
đến hư hỏng nặng hơn, nâng cao hiệu quả thiết bị tự đóng lại. 
+ Thời gian cắt hư hỏng bao gồm thời gian tác động của bảo vệ và thời gian  cắt của máy cắt.  1.3.4. Độ nhạy      
Độ nhạy đặc trưng cho khả năng phân biệt sự cố của bảo vệ, được biểu 
diễn bằng hệ số độ nhạy:  𝐼𝑁𝑚𝑖𝑛  𝐾𝑛 =    𝐼𝑘𝑑𝐵 
Tuỳ vào vai trò của bảo vệ mà yêu cầu độ nhạy cũng khác nhau. Yêu  cầu: 
+ Bảo vệ chính: Kn = 1,5 ÷ 2,0 
+ Bảo vệ dự trữ: Kn = 1,2 ÷ 1,5 
1.3.5. Tính kinh tế  
Đối với lưới trung áp và hạ áp, số lượng các phần tử được bảo vệ lớn, 
yêu cầu bảo vệ không cao bằng lưới truyền tải cao áp nên cần cân nhắc về mặt 
kinh tế sao cho thiết bị bảo vệ có thể đảm bảo được các yêu cầu kỹ thuật với  chi phí nhỏ nhất. 
1.4. CÁC LOẠI BẢO VỆ RƠ LE THƯỜNG DÙNG ĐỂ BẢO VỆ CHO ĐỐI 
TƯỢNG ĐÃ LỰA CHỌN  
1.4.1. Tính năng của các loại bảo vệ  
Bảo vệ chính trong thiết bị là bảo vệ thực hiện tác động nhanh khi có sự 
cố xảy ra trong phạm vi giới hạn đối với trang thiết bị được bảo vệ. 
Bảo vệ dự phòng đối với cùng thiết bị này cũng là bảo vệ thay thế cho 
bảo vệ chsnh trong trường hợp bảo vệ chính không tác động hoặc trong tình 
trạng sức chứa nhỏ. Bảo vệ dự phòng cần phải tác động với thời gian lớn hơn 
thời gian tác động của 8 bảo vệ chính, nhắm để cho bảo vệ chính loại bỏ phần 
tử sự cố ra khỏi hệ thống trước tiên. 
Có một số trường hợp bảo vệ chính không đảm bảo được toàn bộ chiều 
dài của mạch cần được bảo vệ mà vẫn có một đoạn được gọi là vùng chết của 
bảo vệ chính. Nếu xuất hiện sự cố tại vùng chết ày, bảo vệ chính sẽ không tác 
động. Để có thể bảo vệ được vùng này, thường phải đặt bảo vệ dự phòng. 
1.4.2. Lựa chọn phương thức bảo vệ  
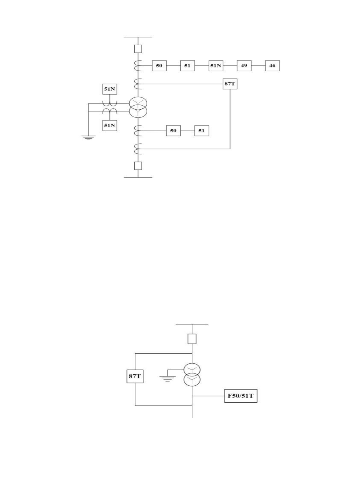
Sơ đồ bảo vệ cho máy biến áp       
Hình 1.1: Sơ đồ phương thức bảo vệ cho máy biến áp  
1.4.3. Lựa chọn loại bảo vệ rơ le  
Theo đề tài thiết kế, ta chỉ chọn các loại bảo về là: 
+ Bảo vệ quá dòng cắt nhanh (F50) 
+ Bảo vệ quá dòng cực đại (F51)  + Bảo vệ so lệch (F87) 
Ta chọn các loại bảo vệ trên máy biến áp trong sơ đồ nguyên lý các nhà máy  điện. 
Sơ đồ bảo vệ máy biến áp   
Hình 1.2: Sơ đồ bảo vệ máy biến áp        
CHƯƠNG 2: GIỚI THIỆU NGUYÊN LÝ LÀM VIỆC VÀ TÍNH 
TOÁN CÁC THÔNG SỐ CÀI ĐẶT CỦA BẢO VỆ    
2.1. GIỚI THIỆU CÁC CHỨC NĂNG CHÍNH CỦA RƠLE BẢO VỆ MÁY   BIẾN ÁP  
2.1.1. Rơ le bảo vệ máy biến áp  
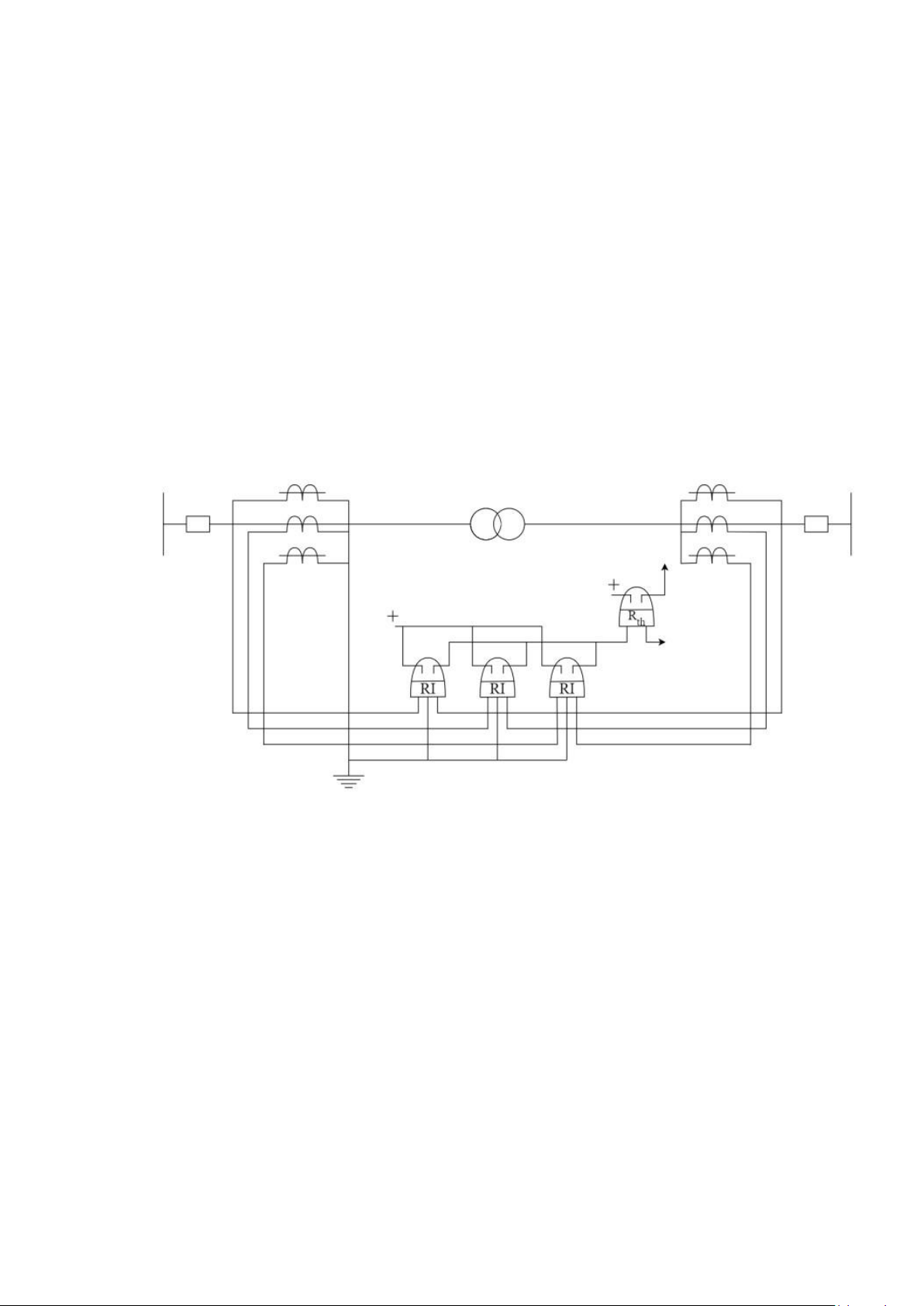
2.1.1.1. Bảo vệ so lệch dọc máy biến áp (F87T)  
Đối với máy biến áp công suất lớn làm việc ở lưới cao áp, bảo vệ so lệch 
(87T) được dùng làm bảo vệ chính với nhiệm vụ chống ngắn mạch trong các 
cuộn dây và đầu ra của các máy biến áp.    
Hình 2.1: Sơ đồ bảo vệ so lệch dọc máy biến áp 
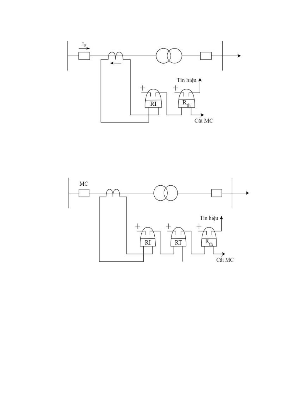
2.1.1.2. Bảo vệ cắt nhanh máy biến áp (F50T)  
Nhiệm vụ chính của bảo vệ cắt nhanh là cắt nhanh mạch đầu cực của máy biến  áp.       
Hình 2.2: Sơ đồ bảo vệ cắt nhanh máy biến áp 
2.1.1.3. Bảo vệ quá dòng có thời gian máy biến áp (F51T)  
Bảo vệ dự trữ cho bảo vệ cắt nhanh và dự trữ cho bảo vệ các phần tử kề.   
Hình 2.3: Sơ đồ bảo vệ quá dòng có thời gian của máy biến áp 
2.2. NGUYÊN LÝ LÀM VIỆC VÀ CÁC THÔNG SỐ CÀI ĐẶT CỦA BẢO   VỆ  
2.2.1. Quá dòng cắt nhanh (F50)  
 Đối với máy biến áp −  Nguyên lý làm việc: 
Bảo vệ cắt nhanh làm việc dựa trên nguyên tắc so sánh dòng điện chạy 
qua bảo vệ cắt nhanh với dòng khởi động của bảo vệ ở trạng thái bình     
thường, lúc này dòng chạy qua vùng mà bảo vệ cắt nhanh bảo vệ là 𝐼𝐵𝑉𝐶𝑁. Vì 
𝐼𝐵𝑉𝐶𝑁 < 𝐼𝐾𝐷𝐵nên bảo vệ không tác động. 
Lúc xảy ngắn mạch trong vùng bảo vệ, lúc này dòng điện chạy qua vùng 
bảo vệ cắt nhanh là dòng ngắn mạch, vì 𝐼𝐵𝑉𝐶𝑁 > 𝐼𝐾𝐷𝐵 nên bảo vệ cắt nhanh tác 
động đưa tín hiệu đi cắt máy cắt ở hai đầu máy biến áp. 
− Tính tham số và chọn rơ le: 
Dòng khởi động của bảo vệ: 
𝐼𝐾𝐷𝐵 = 𝐾𝑎𝑡. 𝐼𝑛𝑔𝑚𝑎𝑥 
Dòng khởi động của rơ le:  𝐾𝑠𝑑 
𝐼𝐾𝐷𝑅 = 𝐼𝐾𝐷𝐵.    𝐾𝑖  Kiểm tra độ nhạy:  𝐼𝑁𝑚𝑖𝑛  𝐾𝑛 =    𝐼𝑘𝐷𝐶𝑁    Với 
𝐾𝑛 > 2: Bảo vệ cắt nhanh đảm bảo tin cậy 
𝐾𝑛 < 2: Bảo vệ cắt nhanh không đảm bảo tin cậy 
2.2.2. Bảo vệ quá dòng cực đại (F51) Đối  với máy biến áp  − Nguyên lý làm việc 
Bảo vệ quá dòng có thời gian làm việc thao nguyên tắc so sánh dòng 
điện qua bảo vệ với dòng đặt 𝐼𝐾𝐷𝐵. Khi làm việc ở trạng thái bình thường, dòng 
điện chạy qua vùng bảo vệ 𝐼𝐵𝑉 < 𝐼𝐾𝐷𝐵 thì bảo vệ không tác động. Khi xảy ra sự 
cố ngắn mạch thì bộ phận bảo vệ đưa tín hiệu đến bộ phận thời gian, tạo thời 
gian làm việc đảm bảo cho bảo vệ tác động một cách có chọn lọc. 
− Tính các tham số và chọn rơ le Dòng 
khởi động của bảo vệ:      𝐾𝑎𝑡. 𝐾𝑚𝑚  𝐼𝐾𝐷𝐵 =   . 𝐼𝑙𝑣𝑚𝑎𝑥  𝐾𝑡𝑣     
Trong đó: 𝐾𝑎𝑡 là hệ số an toàn, kể đến sai số của BI rơ le và các yếu tố khác. 
𝐾𝑚𝑚 là hệ số mở máy của động cơ. 
𝐾𝑡𝑣 là hệ số trở về của rơ le. 
Ilvmax là dòng làm việc lớn nhất Tỷ  số biến đổi của BI:  𝐼𝑆  𝐾𝑖 =  𝐼𝑇 
Hệ số sơ đồ nối dây của BI và rơ le:  𝐼𝐾𝐷𝑅  𝐾𝑠𝑑 =    𝐼𝐾𝐷𝑇 
Vậy dòng khởi động của rơ le:    𝐾𝑠𝑑 
𝐾𝑎𝑡.𝐾𝑚𝑚. 𝐾𝑠𝑑 
𝐼𝐾𝐷𝑅 = 𝐼𝐾𝐷𝐵.  = . 
𝐼𝑙𝑣𝑚𝑎𝑥 𝐾𝑖  𝐾𝑡𝑣. 𝑛𝐼 
Thời gian làm việc: 𝑡𝐵𝑉 = 𝑐𝑜𝑛𝑠𝑡 Phối 
hợp theo cấp thời gian: 
𝑡𝑛−1 = max(𝑡𝑛) + ∆𝑡 
Việc phối hợp thời gian làm việc được bắt đầu từ bảo vệ của đường dây  xa nguồn nhất. 
Độ nhạy của bảo vệ:  𝐼𝑁𝑚𝑖𝑛  𝐾𝑛 =        𝐼𝐾𝐷𝐵 
Dòng qua bảo vệ khi ngắn mạch trực tiếp ở cuối bảo vệ trong những 
điều kiện tạo nên dòng nhỏ nhất. 
Yêu cầu độ nhạy: Đối với bảo vệ chính: 𝐾𝑛  1,5 
Đối với bảo vệ dự trữ: 𝐾𝑛 1,2 
2.2.3. Bảo vệ so lệch (F87)   Đối với máy biến áp      − Nguyên lý làm việc: 
Bảo vệ làm việc dựa trên nguyên lý so sánh trực tiếp dòng điện ở hai đầu 
phần tử được bảo vệ. Các máy biến áp có dòng đặt ở hai đầu máy biến áp có 
tỷ số biến đổi 𝐾𝑖 khác nhau. 
Dòng sơ cấp của hai đầu máy biến áp khác nhau về trị số: 
+ Khi ở trạng thái làm việc bình thướng hoặc khi ngắn mạch ngoài. Dòng 
vào rơ le là dòng không cân bằng (𝐼𝐾𝐶𝐵 < 𝐼𝐾𝐷𝑅) nên bảo vệ không tác  động. 
+ Khi ngắn mạch trong vùng bảo vệ, 𝐼𝐾𝐶𝐵 > 𝐼𝐾𝐷𝑅) nên bảo vệ sẽ tác động 
đưa tín hiệu đi cắt máy cắt ở hai đầu máy biến áp. − Tính toán thông số và  chọn rơ le: 
Xác định dòng thực tế của máy biến dòng phía thứ cấp  𝐾𝑠𝑑1 
𝐼1𝑇 = 𝐼1𝑑𝑚𝐵𝐼.    𝐾𝑖1  𝐾𝑠𝑑2 
𝐼2𝑇 = 𝐼2𝑑𝑚𝐵𝐼.   𝐾𝑖2 
Sai số do sự chênh lệch dòng điện phía thứ cấp của máy biến dòng khi 
đặt ở 2 đầu của máy biến áp.  𝐼1𝑇 − 𝐼2𝑇  𝑆2𝑖 = | |  𝐼1𝑇 
Dòng khởi động của bảo vệ được chọn thao điều kiện không tác động khi  ngắn mạch ngoài. 
𝐼𝐾𝐷𝐵 = 𝐾𝑎𝑡.𝐼𝐾𝐶𝐵 = 𝐾𝑎𝑡.(𝐾đ𝑛.𝐾𝐾𝐶𝐾. 𝑓𝑖 + ∆𝑈𝑑𝑐 + 𝑆2𝑖). 𝐼𝑛𝑔𝑚𝑎𝑥  Trong đó: 
 𝐾𝑎𝑡 là hệ số an toàn 
𝐾đ𝑛 là hệ số đồng nhất     
𝐾𝐾𝐶𝐾 là hệ số không chu kỳ 
𝑓𝑖 là sai số lớn nhất cho phép của BI 
∆𝑈𝑑𝑐 là hệ số điều chỉnh điện áp 
𝐼𝑛𝑔𝑚𝑎𝑥 là thành phần chu kỳ lớn nhất cả dòng ngắn mạch ngoài 
Dòng khởi động của rơ le:  𝐾𝑠𝑑 
𝐼𝐾𝐷𝑅 = 𝐼𝐾𝐷.    𝐾𝑖 
Độ nhạy của bảo vệ:  𝐼𝑁𝑚𝑖𝑛 
𝐾𝑛 = 𝐼𝐾𝐷𝑆𝐿, ( với 𝐾𝑛 > 2 thì bảo vệ đảm bảo tin cậy) 
 Trong đó: 𝐼𝑁𝑚𝑖𝑛 là dòng ngắn mạch nhỏ nhất xuất hiện trong máy biến áp. 
𝐼𝐾𝐷𝑆𝐿 là dòng khởi động thực tế của bảo vệ so lệch. 
 Dòng khởi động thực tế tính theo công thức:  𝐾𝑖 
𝐼𝐾𝐷𝑆𝐿 = 𝐼𝐾𝐷𝑅.    𝐾𝑠𝑑                                     
CHƯƠNG 3 TÍNH TOÁN CÁC THÔNG SỐ VÀ KIỂM TRA KHẢ 
NĂNG LÀM VIỆC CỦA RƠ LE    
3.1. TÍNH CHỌN LỰA CHỌN BI CHO HỆ THỐNG BẢO VỆ RƠ LE  
− Chọn BI cho máy biến áp (B4):  
Dòng điện định mức phía cao áp và phía hạ áp của máy biến áp:    𝑆𝑑𝑚𝐵4  200  4 =  =  = 0 ,954 ( 𝑘𝐴 )  √ 3 . 𝑈 𝑐𝑑𝑚𝐵  𝐼𝑐𝑑𝑚𝐵    4  √3. 121    𝑆𝑑𝑚𝐵4  200  4 =  =  = 7 ,331 ( 𝑘𝐴 )  𝐼ℎ𝑑𝑚𝐵
√ 3 . 𝑈 ℎ 𝑑𝑚𝐵 4  √ 3 . 15 ,75   
Dựa vào dòng đinh mức phía sơ cấp và thứ cấp của máy biến áp, ta chọn hai máy 
biến dòng có thông số như sau: 
Bảng 3.1: Thông số hai máy biến dòng ở hai đầu máy biến áp nối bộ   Dòng điện định  Phụ tải  Loại biến  Điện  mức,A  Cấp  chính  định  dòng  áp,kV  Sơ  Thứ  xác  mức,Ω  cấp  cấp  kôdd Iôdd Inh/tnh  TФH-110M   110   1000   5   0,5   0,8  
75  145  49/4   TШЛ-20-1   20   8000   5   0,5   1,2  
165  81  31,5/4        
Tỷ số biến dòng của máy biến dòng cao áp và hạ áp máy biến áp là:    𝐼𝑆  8000    𝐾𝑖ℎ =  =  = 1600    𝐼𝑇  5    𝐼𝑆  1000 
𝐾𝑖𝑐 = = = 200 𝐼𝑇  5 
3.2. TÍNH TOÁN THÔNG SỐ CÀI ĐẶT CHO CÁC CHỨC NĂNG BẢO VỆ  CHO MÁY BIẾN ÁP  
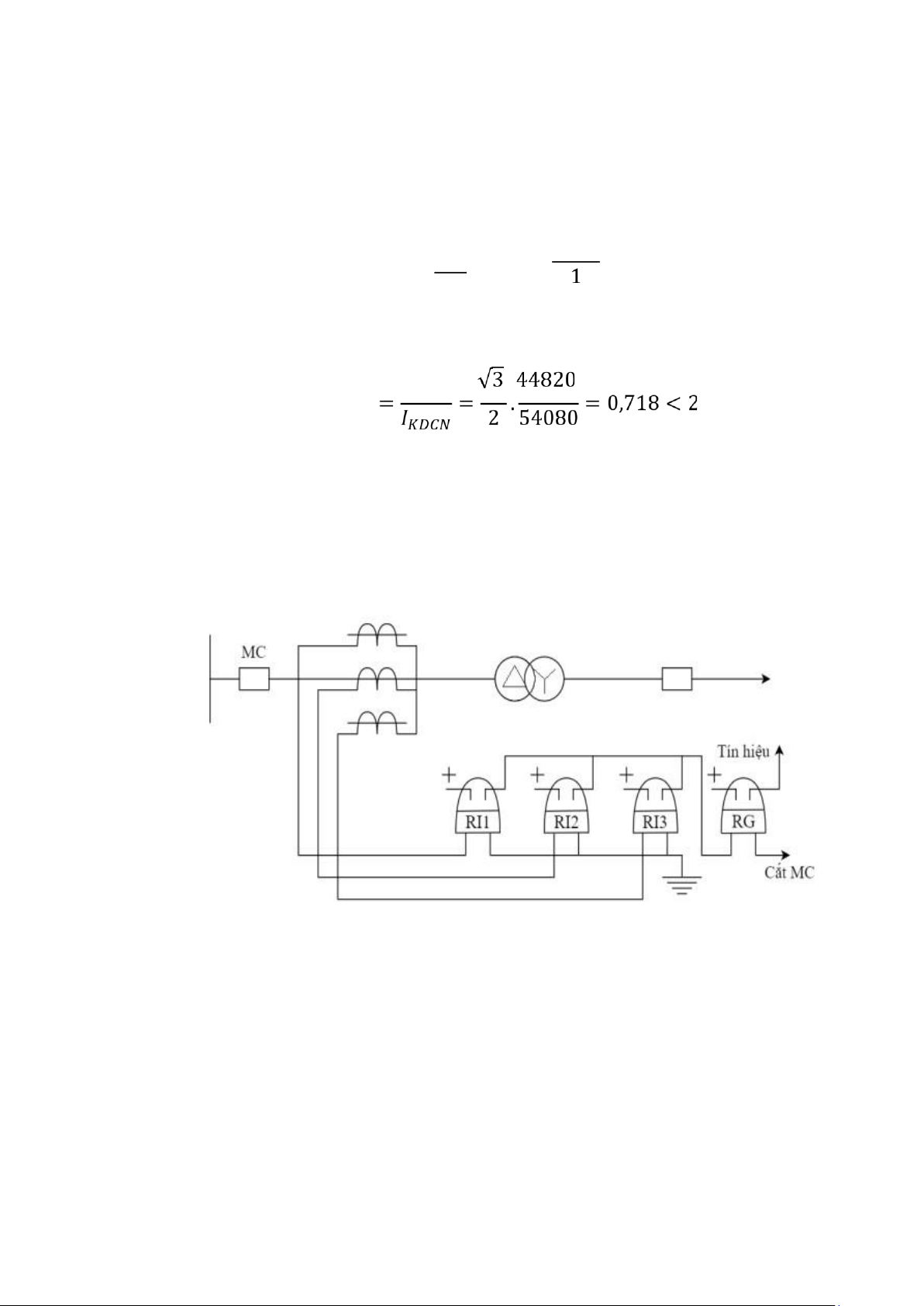
3.2.1. Bảo vệ quá dòng cắt nhanh (F50)    
Hình 3.1: Bảo vệ quá dòng cắt nhanh F50T 
Tính theo máy biến dòng 𝐵𝐼ℎ:  𝐾𝑖ℎ = 1600  𝐾𝑠𝑑 = 1 
Dòng ngắn mạch ngoài lớn nhất: 
𝐼𝑛𝑔𝑚𝑎𝑥 = 𝐼𝐹𝑁′′ 6 − 𝐼𝐹𝑁′′ 4 = 96210 − 51390 = 44820(𝐴) 
Dòng khởi động của bảo vệ: 
𝐼𝐾𝐷𝐵 = 𝐾𝑎𝑡. 𝐼𝑛𝑔𝑚𝑎𝑥 = 1,2 . 44820 = 53784(𝐴) 
Dòng khởi động của rơ le:    𝐾𝑠𝑑  1   
𝐼𝐾𝐷𝑅 = 𝐼𝐾𝐷𝐵.   53784 . = 33,615(𝐴)      𝐾𝑖 
Dòng đặt của rơle: 𝐼Đ𝑅 ≥ 𝐼𝐾𝐷𝑅 nên ta chọn 𝐼Đ𝑅 = 33,8A Dòng 
khởi động thực tế của bảo vệ cắt nhanh là:    𝐾𝑖  1600   
𝐼𝐾𝐷𝐶𝑁 = 𝐼Đ𝑅.   = 33,8. = 54080(𝐴)  𝐾𝑠𝑑 
Kiểm tra độ nhạy của bảo vệ:    𝐼𝑁𝑚𝑖𝑛    𝐾𝑛   
Để bảo vệ tác động thì dòng ngắn mạch phải lớn hơn dòng khởi động của bảo  vệ: 
𝐼𝑁 = 2. 𝐼𝐾𝐷𝐶𝑁 = 2 . 54080 = 108160(𝐴) Sơ 
đồ bảo vệ quá dòng cắt nhanh:   
Hình 3.2: Sơ đồ bảo vệ quá dòng cắt nhanh máy biến áp 
3.2.2. Bảo vệ quá dòng có thời gian (F51)  − Phía hạ áp:   𝐾𝑖ℎ = 1600  𝐾𝑠𝑑 = 1 Dòng  làm việc lớn nhất:     
𝐼𝑙𝑣𝑚𝑎𝑥 = 𝐼ℎ𝑑𝑚𝐵4 = 7331(𝐴) 
Với: Hệ số trở về: 𝐾𝑡𝑣= 0,97 
Bội số mở máy của động cơ khởi động trở lại sau khi cắt sự cố:   𝐾𝑚𝑚= 1,5. 
Hệ số an toàn: 𝐾𝑎𝑡= 1,1. 
Dòng khởi động của bảo vệ:    𝐾𝑎𝑡. 𝐾𝑚𝑚  1,1.1,5    𝐼𝐾𝐷𝐵 =   . 𝐼𝑙𝑣𝑚𝑎𝑥 = . 7331 = 12470,26(𝐴)  𝐾𝑡𝑣 
Dòng khởi động của rơ le:    𝐾𝑠𝑑  1   
𝐼𝐾𝐷𝑅 = 𝐼𝐾𝐷𝐵.   = 12470,26. = 7,794(𝐴)  𝐾𝑖 
Dòng đặt của rơle: 𝐼Đ𝑅 ≥ 𝐼𝐾𝐷𝑅 nên ta chọn 𝐼Đ𝑅 = 7,8A Dòng 
khởi động thực tế của bảo vệ:    𝐾𝑖  1600   
𝐼𝐾𝐷𝐵𝑉 = 𝐼Đ𝑅.   = 7,8. = 12480(𝐴)  𝐾𝑠𝑑 
Kiểm tra độ nhạy của bảo vệ:    𝐼𝑁𝑚𝑖𝑛    𝐾𝑛    − Phía cao áp:   𝐾𝑖𝑐 = 200  𝐾𝑠𝑑   
Dòng làm việc lớn nhất: 
𝐼𝑙𝑣𝑚𝑎𝑥 = 𝐼𝑐𝑑𝑚𝐵4 = 954(𝐴) 
Với: Hệ số trở về: 𝐾𝑡𝑣= 0,97