



















Preview text:
lOMoAR cPSD| 59455093
Báo cáo Thí nghiệm Hệ Thống Điện
BÀI 1: TÌM HIỂU TỔNG QUÁT VỀ MÔ HÌNH NHÀ MÁY ĐIỆN
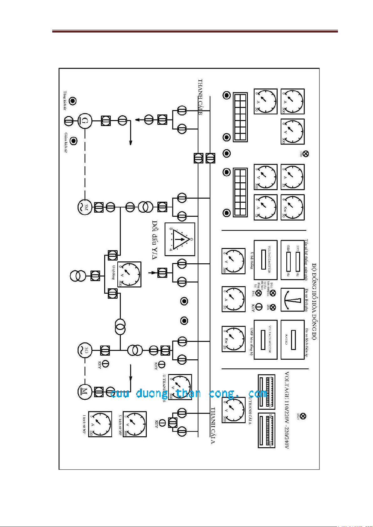
I. GIỚI THIỆU CHUNG:
Trong sơ ồ của hệ thống iện gồm có: - Hệ thống ộng cơ gồm:
+ Động cơ xoay chiều 3 pha (M3~) + Động cơ DC (M) - Hệ thống máy phát gồm:
+ Máy phát xoay chiều 3 pha (G3~) + Máy phát DC (G) - Lưới iện. -
Các thiết bị dụng cụ o tương ứng với hệ thống ộng cơ, máy phát và lưới iện. -
Hệ thống èn báo và các nút iều chỉnh.
II. NỘI DUNG BÁO CÁO:
Câu 2: Cách vận hành mô hình nhà máy iện:
- Cấp iện cho ộng cơ xoay chiều 3 pha (M3~). Động cơ hoạt ộng
sẽ làm quay trục của máy phát DC (G).
- Máy phát DC hoạt ộng sinh ra dòng iện DC cấp cho ộng cơ DC (M).
- Lúc này, ộng cơ DC hoạt ộng sẽ kéo theo máy phát 3 pha (G3~) hoạt ộng.
- Sử dụng các nút nhấn ể iều chỉnh tốc ộ ộng cơ 1 chiều, và dòng
kích từ của ộng cơ ể thay ổi iện áp và tần số hòa lưới.
Câu 3: Lý do sử dụng ộng cơ DC ể quay máy phát 3 pha:
Động cơ DC có thể thay ổi tốc ộ dễ dàng trong dải iều chỉnh rộng
thông qua iều khiển kích từ của nó, do ó có thể làm thay ổi tốc ộ của
máy phát, thay ổi ược tần số khi hòa ồng bộ máy phát vào hệ thống
iện (máy phát và ộng cơ DC ồng trục). Còn ộng cơ không ồng bộ xoay
chiều AC tuy ơn giản và rẻ tiền hơn nhưng khó iều chỉnh tốc ộ và có
tốc ộ luôn bé hơn tốc ộ ồng bộ nên không ược sử dụng ể quay máy phát 3 pha. lOMoAR cPSD| 59455093
Báo cáo Thí nghiệm Hệ Thống Điện
Ưu - khuyết iểm của ộng cơ DC: ❖ Ưu iểm: • Đơn giản, rẻ tiền
• Có thể thay ổi tốc ộ dễ dàng
• Dễ dàng iều chỉnh công suất phát P,Q
• Điều chỉnh từ thông, momen ộc lập ❖ Khuyết iểm:
Phải dùng thêm ộng cơ 3 pha AC ể kéo máy phát DC cung cấp cho ộng cơ DC
Chính vì lý do ó người ta sử dụng ộng cơ DC chứ không sử dụng ộng cơ 3 pha.
Câu 4: Có cần thay thế phương pháp dùng ộng cơ DC hay không?
Không cần thay thế mô hình này vì nếu dùng ộng cơ sơ cấp thì không thể
iều chỉnh ược tốc ộ của máy phát và không thực hiện hòa ồng bộ máy phát AC
vào lưới ược. Còn nếu dùng chỉnh lưu thì muốn iều chỉnh tốc ộ phải dùng các
thiết bị iều khiển công suất phức tạp, khó thực hiện với mô hình nhỏ như phòng
thí nghiệm. Động cơ DC sẽ sử dụng dễ dàng hơn cho việc thí nghiệm.
Câu 5: Trình tự thao tác iều khiển tổ hợp máy cắt và dao cách ly: Q1, Q2: Dao cÆch ly
Q3, Q4: Dao no i đa t Q0: MÆy ca t
➢ Thứ tự thao tác khi óng ường dây: - Đóng dao cách ly Q1, Q2. - Đóng máy cắt Q0.
➢ Thứ tự thao tác khi ngắt ường dây: - Cắt máy cắt Q0. lOMoAR cPSD| 59455093
Báo cáo Thí nghiệm Hệ Thống Điện - Cắt dao cách ly Q1, Q2.
➢ Thứ tự thao tác khi sửa chữa máy cắt: - Cắt máy cắt Q0. - Cắt dao cách ly Q1, Q2.
- Đóng dao nối ất Q3, Q4.
- Lấy máy cắt ra khỏi mạch ể sửa chữa.
Câu 1: Vẽ sơ ồ bảng iều khiển ứng và bàn iều khiển.
a) Sơ ồ bàn iều khiển: lOMoAR cPSD| 59455093
Báo cáo Thí nghiệm Hệ Thống Điện
b) Sơ ồ bảng iều khiển ứng: lOMoAR cPSD| 59455093
Báo cáo Thí nghiệm Hệ Thống Điện lOMoAR cPSD| 59455093
Báo cáo Thí nghiệm Hệ Thống Điện
BÀI 3: KHẢO SÁT MẠCH KHỞI ĐỘNG CỦA
ĐỘNG CƠ ĐIỆN 3 PHA
I. Nội dung thực tập:
-Tìm hiểu bộ : ộng cơ AC 3 pha , máy phát DC. -Tìm hiểu
mạch khởi ộng ộng cơ AC 3 pha.
II. Nội dung báo cáo:
Câu 1: Thông số cơ bản của ộng cơ không ồng bộ 3 pha: U = 220/380 V Im = 76/44 A P = 18,92 KW Nm = 1450 v/ph cos = 0,86 f = 50 Hz
Câu 2: Thông số cơ bản của máy phát DC: Um = 220 V Im = 86,5 A P = 19 KW nm = 1445 vòng/phút Ikt = 1,86 A Ukt = 167 V Câu 3:
Giải thích: Khi ấn nút start ể khởi ộng ộng cơ:
➢ Cuộn dây (M) có iện sẽ óng tiếp iểm contactor (M) cung cấp iện cho ộng cơ
khởi ộng với dòng iện khởi ộng ban ầu nhỏ nhờ các iện trở Rmml, Rmm2 mắc
nối tiếp với cuộn dây quấn rotor. lOMoAR cPSD| 59455093
Báo cáo Thí nghiệm Hệ Thống Điện
➢ Cuộn dây M có iện kích hoạt relay thời gian (RT1) làm việc, sau một khoảng
thời gian t1 relay RT1 sẽ óng tiếp iểm (RT1) và cuộn dây M2 có iện óng tiếp
iểm của contactor M2 lọai iện trở phụ Rmm2 ra khỏi mạch khởi ộng.
➢ Cuộn dây M2 có iện kích hoạt relay thời gian (RT2) làm việc, sau một khoảng
thời gian t2 relay RT2 sẽ óng tiếp iểm (RT2) và cuộn dây M1 có iện óng tiếp
iểm contactor M1 loại iện trở phụ Rmm1 ra khỏi mạch khởi ộng.
➢ Động cơ họat ộng ở chế ộ bình thường và nhiệm vụ của nó là dùng ể kéo máy phát iện một chiều. lOMoAR cPSD| 59455093
Báo cáo Thí nghiệm Hệ Thống Điện lOMoAR cPSD| 59455093
Báo cáo Thí nghiệm Hệ Thống Điện
Câu 5: Vẽ ặc tuyến moment – tốc ộ của ộng cơ AC rotor dây quấn:
Bài 4: KHẢO SÁT MẠCH KHỞI ĐỘNG CỦA ĐỘNG CƠ ĐIỆN DC I) Mục ích:
- Tìm hiểu bộ ộng cơ DC, máy phát AC 3 pha. lOMoAR cPSD| 59455093
Báo cáo Thí nghiệm Hệ Thống Điện
- Tìm hiểu mạch khởi ộng ộng cơ DC.
II. Nội dung báo cáo
Câu 1: Thông số cơ bản của ộng cơ một chiều DC: Um = 220 V Im = 78 A P = 17,16 kW nm = 1500 v/p Ikt = 1,85 A Ukt = 220 V
Câu 2: Thông số cơ bản của máy phát AC Um = 220/380 V Im = 23Y A S = 15 KVA nm = 1500 v/p cos = 0,8 f = 50 Hz Câu 3: Giải thích mạch:
Khi tốc ộ n = 0, U = Um muốn n tăng lên thì phải thỏa mãn 2 iều kiện:
- Mmm > Mcản của tải - Imở máy < Icp
Khi óng iện trực tiếp cho ộng cơ DC tương tương ngắn mạch do iện trở phần
ứng Rư nhỏ do ó dòng khởi ộng rất lớn có thể gây phát nhiệt lớn làm hư
hỏng máy, nên ể hạn chế dòng khởi ộng người ta dùng 2 iện trở R1 và R2.
Khi ấn nút START ể khởi ộng ộng cơ:
➢ Cuộn dây M có iện sẽ óng tiếp iểm Contactor M, cung cấp iện cho ộng
cơ khởi ộng với dòng iện ban ầu nhỏ nhờ các iện trở khởi ộng.
➢ Cuộn dây M có iện kích hoạt relay thời gian RT1 làm việc, sau một
khoảng thời gian t1 relay RT1 sẽ óng tiếp iểm RT1 và cuộn dây M2 có
iện óng tiếp iểm của Contactor M2 loại bỏ iện trở phụ R2 ra khỏi mạch khởi ộng.
➢ Cuộn dây M2 có iện kích hoạt relay thời gian RT2 làm việc, sau một
khoản thời gian t2 relay RT2 sẽ óng tiếp iểm RT2 và cuộn dây M1 có lOMoAR cPSD| 59455093
Báo cáo Thí nghiệm Hệ Thống Điện
iện óng tiếp iểm của Contactor M1 loại bỏ iện trở phụ R1 ra khỏi mạch khởi ộng.
➢ Động cơ hoạt ộng ở chế ộ bình thường và nhiệm vụ của nó là dùng ể kéo
máy phát iện ồng bộ 3 pha xoay chiều. lOMoAR cPSD| 59455093
Báo cáo Thí nghiệm Hệ Thống Điện
Câu 4: Vẽ ặc tuyến moment- tốc ộ khi khởi ộng của ộng cơ. n M M t 0 lOMoAR cPSD| 59455093
Báo cáo Thí nghiệm Hệ Thống Điện
Bài 5: RELAY DÒNG ĐIỆN KỸ THUẬT SỐ I. Mục ích: -
Nhằm giúp cho sinh viên có khái niệm về rơle quá dòng iện và biết ược
cách ấu dây của một rơ le dòng iện vào một sơ ồ hệ thống iện. -
Biết cách chỉnh ịnh các thông số cơ bản một loại rơ le dòng iện kỹ thuật số. -
Làm quen và biết cách sử dụng thiết bị kiểm tra rơle PTE – 100 – C
II. Thiết bị thí nghiệm: -
Relay MK2000 của hãng Mikro trong modul TN.BVRL-01 - Thiết bị
kiểm tra rơ le PTE – 100 – C.
Giới thiệu về MK2000:
Relay MK 2000 là lọai relay kỹ thuật số có chức năng bảo vệ quá tải, bảo
vệ ngắn mạch nhiều pha và bảo vệ chống chạm ất. MK 2000 có các phần tử
chống quá dòng ộc lập (cho 3 pha) và phần tử chống chạm ất vô hướng; có 5
tiếp iểm output ể có thể link với các tín hiệu (signal) phát hiện, tín hiệu cắt
của các phần tử quá dòng và chạm ất cấp II, III.
Các phần tử chống quá dòng và chống chạm ất của MK 2000 ều có thể ược
chon lựa ặc tuyến bảo vệ phụ thuộc thời gian – dòng iện một cách ộc lập.
Trong Mk 2000, nhà sản xuất ã thiết lập các dạng ặc tuyến IDMT với phương trình như sau : k t = ) 1 (I I/
Trong ó : t : thời gian tác ộng k : hệ số nhân
I : dòng iện mà relay o ược I> : dòng khởi ộng cấp III Dạng ặc tuyến Anpha Beta Normal Inverse 0.02 0.14 Very Inverse 1.0 13.5 Extremely Inverse 2.0 80.0 Long – time Inverse 1.0 120.0 lOMoAR cPSD| 59455093
Báo cáo Thí nghiệm Hệ Thống Điện Thứ tự của thông
Thông số hay chế ộ tương ứng số hay chế ộ 1
Kích họat (on) 1 ngõ ra trong 5 ngõ ra Relay 2
Chọn lựa cho phép (ennable) hay không cho phép chức năng
khóa các phần tử bảo vệ; Chọn lựa khả năng vô hiệu hóa phần tử bảo vệ cấp II. 3
Chọn lựa những tín hiệu nào của Relay sẽ liên kết tới ngõ ra
TS1 (chân 19-20). TS1 ược mặc ịnh là ngõ ra Start 4
Chọn lựa những tín hiệu nào của Relay sẽ liên kết tới ngõ ra
TS2 (chân 16-17-18). TS2 ược mặc ịnh là ngõ ra Trip. 5
Chọn lựa những tín hiệu nào của Relay sẽ liên kết tới ngõ ra
SS1 (chân 30-31). SS1 ược mặc ịnh là ngõ ra Start. 6
Chọn lựa những tín hiệu nào của Relay sẽ liên kết tới ngõ ra
SS2 (chân 32-33) và SS3 (chân 28-29). 7
Chọn lựa ộ dốc của ường cong IDMT cho các phần tử bảo vệ cấp III (chọn , )
III. Nội dung báo cáo: Sơ ồ mạch: lOMoAR cPSD| 59455093
Báo cáo Thí nghiệm Hệ Thống Điện
Nguyên lý hoạt ộng của mạch Relay: lOMoAR cPSD| 59455093
Báo cáo Thí nghiệm Hệ Thống Điện
• Khi óng iện ở CB 3 pha sẽ có iện qua terminal 2 và ến CB 2 cực. Khi óng
iện CB 2 cực thì sẽ có iện ến chân ST1 và 1 dây pha sẽ qua bộ Current
Adjust bộ này không có nhiệm vụ gì chỉ hoạt ộng như sợi dây dẫn.
• Dòng iện qua bộ Current Adjust ến biến dòng ể lấy tín hiệu dòng iện thấp và
ưa xuống bộ Current Selector.
• Tại bộ Current Selector sẽ tạo tín hiệu ngắn mạch pha A với ất và ngắn mạch 2 pha B và C.
• Khi có tín hiệu ngắn mạch tùy thuộc vào dòng ngắn mạch o ược Relay sẽ so
sánh với tín hiệu dòng chỉnh ịnh và thời gian ngắt ể ưa ra tín hiệu ngắt ở
chân ST2 ến CB 3 pha tổng.
• CB 3 pha ở bên phải hình vẽ có nhiệm vụ ưa tín hiệu dòng iện 3 pha và iện
áp 3 pha ến 2 ồng hồ o ở phía trên cùng là ồng hồ o iện áp và ồng hồ o dòng iện.
• Điện áp 3 pha ược nối ến CB ó qua terminal 3 cực.
• Dây L là dây nối với pha A của nguồn.
• Dây N là dây nối với dây trung tính N của nguồn.
BÀI 6: VẬN HÀNH VÀ KHẢO SÁT CÁC CHẾ ĐỘ
HOẠT ĐỘNG CỦA MÁY PHÁT 3 PHA
I. NỘI DUNG THỰC TẬP:
Trong bài này ta thực tập vận hành và khảo sát các chế ộ họat ộng của máy
phát iện ồng bộ xoay chiều 3 pha, gồm các bước như sau: lOMoAR cPSD| 59455093
Báo cáo Thí nghiệm Hệ Thống Điện ➢
Thao tác các thiết bị ể ưa hệ thống vào vận hành ộc lập, sau ó hòa
ồng bộ hệ thống vào lưới iện. ➢
Điều chỉnh các nút iều khiển ể khảo sát các chế ộ:
+ Chế ộ làm việc bình thường.
+ Chế ộ làm việc khi mất kích từ.
+ Chế ộ làm việc khi không có kéo ộng cơ DC (UMU).
+ Chế ộ làm việc khi mất kích từ và mất lực kéo ộng cơ DC (UMU). ➢ Dừng hệ thống.
II. NỘI DUNG BÁO CÁO:
Câu 1 : Bảng số liệu : Chế ộ P Q
U I Uk Ik (kW (Kva (V (A t t )
r) ) ) (V (A ) ) Hòa ồng bộ 1.5 -1.5 30 1.5 18 1. 0 6
Tăng kích từ ộng cơ ến khi P=4 4 2.75 35 6 18 1. (KW) 8 8
Thay ổi kích từ MP ến khi Q = 0 ; Q = -2, 4 0 36 6 22 2. Q= 2 KVAr. 0 6 4 -2 35 6 18 2 8 4 2 36 7.5 27 3 3
Giảm Q về 0, sau ó ngắt kích từ MP 4 -10 35 18. 41 0 6 5
Đóng lại kích từ MP 4 0 36 5.5 22 2. 5 4
Giảm P về 0, sau ó ngắt ộng cơ kéo. < 0 0.5 36 1.8 23 2. 9 4 < 0 -2 36 < 0 16 1. 8 7 lOMoAR cPSD| 59455093
Báo cáo Thí nghiệm Hệ Thống Điện
Trong chế ộ ngắt ộng cơ kéo, thay ổi kích từ MP ể < 0 0 36 0.5 22 2.
Q lần lượt bằng 8 3 -2;0;2 KVAr < 0 2 36 4.5 26 2. 8 9 Câu 2:
Khi chưa hòa ồng bộ máy phát vào hệ thống, iều chỉnh kích từ ộng cơ
một chiều sẽ làm thay ổi tốc ộ của ộng cơ DC, máy phát AC ; iều chỉnh
kích từ máy phát iện xoay chiều sẽ làm thay ổi iện áp ầu cực máy phát: ✓ Ta có: n U (R IpNa a U) 60a K If kt
Tốc ộ của ộng cơ DC luôn tỉ lệ nghịch với từ thông , mà từ thông thì tỉ lệ thuận
với Ikt. Vậy khi tăng dòng kích từ sẽ làm tăng từ thông và từ ó làm tốc ộ ộng cơ DC
giảm, kéo theo tốc ộ máy phát giảm (do gắn ồng trục) ✓ Phương trình iện áp ầu cực máy phát :
U = E0 – I.Rư + j(Xư +X ). I E0 = 4,44.f .W. Kdq. 0
Vì Ikt tỷ lệ với 0 nên khi thay ổi dòng kích từ Ikt thì 0 sẽ thay ổi, E0 và U của
máy phát sẽ thay ổi theo.
Khi hòa ồng bộ máy phát vào hệ thống, iều chỉnh kích từ ộng cơ một
chiều sẽ làm thay ổi công suất thực của máy phát, iều chỉnh kích từ của
máy phát xoay chiều sẽ làm thay ổi công suất phản kháng của hệ thống:
Khi ã hòa ồng bộ máy phát vào lưới iện , hệ thống có công suất vô cùng lớn. Lúc ó:
fL = const (hằng số) ; UL = const (hằng số)
✓ Khi thay ổi kích từ của ộng cơ DC tức là thay ổi momen iện từ
Mt , làm thay ổi khả năng kéo tải của máy phát, thay ổi công suất P
✓ Điều chỉnh dòng kích từ Ikt làm công suất phản kháng Q thay ổi theo vì: lOMoAR cPSD| 59455093
Báo cáo Thí nghiệm Hệ Thống Điện Q mU E( a cos U) Xdb
Từ công thức trên, ta thấy khi tăng Ea thì công suất phản kháng Q sẽ tăng
theo (Ea và Q tỉ lệ thuận), ồng thời khi tăng dòng kích từ Ikt thì Ea tăng (Ikt và Ea tỉ
lệ thuận), từ ó suy ra khi tăng dòng kích từ Ikt sẽ làm tăng công suất phản kháng Q
và ngược lại (Ikt và Q tỉ lệ thuận).
Câu 3: Các phương pháp kích từ máy phát iện: -
Dùng máy phát iện một chiều ộc lập ể kích từ cho máy phát -
Dùng hệ thống chỉnh lưu: dùng hệ thống chỉnh lưu iện áp xoay chiều từ
nguồn khác. Khi dùng hệ thống chỉnh lưu kích từ cho máy phát, nếu dùng hệ
thống chổi than thanh góp rất dễ hư hỏng các thiết bị chỉnh lưu. Để khắc phục
nhược iểm này, người ta dùng một loại thiết bị ặc biệt - hệ thống kích từ quay.
Hệ thống kích từ này nằm cùng trục với máy phát và quay cùng tốc ộ với máy phát.
Câu 4: Máy phát có ược làm việc lâu dài ở chế ộ mất kích từ không:
Máy phát ang làm việc với chế ộ hòa ồng bộ không ược phép làm việc ở chế
ộ mất kích từ. Nếu tại thời iểm mất kích từ, tải ngoài lớn thì sẽ mất ồng bộ, máy
phát sẽ nhận công suất phản kháng của hệ thống về, dòng công suất phản kháng
này sẽ làm từ hóa rotor gây phát nóng trong máy phát và có thể dẫn ến mất ổn ịnh của hệ thống.
Khi máy phát mất ồng bộ thì tốc ộ có thể thay ổi do ó người ta gắn thêm bộ iều chỉnh tốc ộ.
Câu 5: Các iều kiện hòa ồng bộ máy phát vào hệ thống.
Có 4 iều kiện ể hòa ồng bộ vào hệ thống: -
Biên ộ của iện áp máy phát và iện áp lưới iện phải bằng nhau. -
Tần số máy phát phải bằng tần số của lưới iện. -
Máy phát và lưới iện có cùng thứ tự pha. -
Pha của máy phát và pha của lưới iện phải trùng pha nhau.
Điều kiện quan trọng nhất là pha của iện áp máy phát phải trùng pha với iện
áp hệ thóng, vì nếu góc lệch pha là 180o thì sẽ nối tương ương với mạch máy phát
với iện áp UF - U = 2UF; dòng iện xung khi óng cầu dao có thể lớn gấp 2 lần dòng lOMoAR cPSD| 59455093
Báo cáo Thí nghiệm Hệ Thống Điện
iện ngắn mạch thông thường, lực và moment iện từ lớn gấp 4 lần làm phá hỏng
dây quấn, kết cấu thép, lõi thép, trục… của máy phát iện.