











Preview text:
Điện đại cương, Chương 1 Các đại lượng và định luật cơ bản của mạch điện
Câu 1 ?: Điện dẫn và điện áp trên điện trở 5 Ω có dòng điện 3 A đi qua là: [<$>] 0,2S; 15V
Câu 2 ?: Công suất và điện năng tiêu thụ trong 30 phút khi dòng điện 2A đi qua điện trở 5 Ω là: [<$>] 20W; 10Wh
Câu 3 ?: Biết công suất khi dòng điện đi qua điện trở 4 Ω là 16W. Dòng điện và điện áp trên điện trở đó là: [<$>] 2A; 8V
Câu 4 ?: ?: Điện trở tương đương của đoạn mạch có điện trở R1 = R2 =20 Ω; R3 = R4 =100 Ω là: [<$>] 60Ω R R 3 1 R4 R2
Câu 5 ?: Một máy phát điện 220V với điện trở là R0 = 0,5 được mắc vào tải có điện trở là Rtải
= 49,5 . Điện áp trên điện trở tải có giá trị: [<$>] Utải = 217,8 V I R0 + E - Rtải Utải
Câu 6 ?: Điện áp trên điện trở R2 của mạch trong hình vẽ với R1 = 40 Ω, R2 = 10 Ω, E=200V có giá trị là: [<$>] 200V I2 E R1 R2
Câu 7 ?: Cho mạch điện như hình vẽ. Hãy xác định công suất tiêu thụ trên điện trở R [<$>] 48W I=4A R E=12V
Câu 8 ?: Dòng điện chạy qua điện trở R2 của mạch trong hình vẽ với R1 = 40 Ω, R2 = 10 Ω, E=200V có giá trị là: [<$>] 20A I2 E R1 R2
Câu 9 ?: Cho mạch điện như hình vẽ. Biết i(t) = 15sin(100π.t) A; điện trở R=15 Ω. Điện áp Uab có giá trị:
[<$>] u(t) = 225sin(100π.t) V Câu 10
?: Cho mạch điện như hình vẽ. Biết u(t) = 220√2 .sin(100π t) A;
điện trở R=22 Ω. Công suất điện trở tiêu thụ có giá trị:
[<$>] p(t) = 4400sin2(100π.t) W Câu 11
?: Cho mạch điện gồm điện trở R1 =30Ω mắc nối tiếp với điện trở R2 được
cấp bởi nguồn điện 80V, dòng điện chạy trong mạch là 2A. Xác định giá trị điện trở R2? [<$>] 10 Ω Câu 12
?: Một mạch điện gồm có điện trở R1 = 50Ω mắc nối tiếp với một điện trở R2
= 60 Ω. Mạch được cấp bởi nguồn điện 220 V. Xác định dòng điện trong mạch? [<$>] 2A Câu 13
?: Xác định dòng điện qua điện trở 3k Ω, được cấp bởi nguồn 15V? [<$>] 5mA Câu 14
?: Xác định công suất tiêu hao trên điện trở 5k Ω, được cấp bởi nguồn 20V? [<$>] 0,08W Câu 15
?: Xác định giá trị điện áp cấp cho điện dẫn 40 m s có dòng điện 0,6mA chạy qua? [<$>] 15V Câu 16
?: Xác định công suất tiêu hao trên điện trở biết điện dẫn của nó là 40 s m có
dòng điện 0,6mA chạy qua? [<$>] 0,009W Câu 17
?: Tìm nguồn cấp trong mạch có công suất tác dụng trên điện trở là 100mW,
dòng điện chạy trong mạch là 20mA? [<$>] 5V Câu 18
?: Tìm điện trở trong mạch có công suất tác dụng trên điện trở là 3W, dòng
điện chạy trong mạch là 200mA? [<$>] 75 Ω Câu 19
?: Tìm điện dẫn trong mạch biết công suất tác dụng trên điện dẫn là 100mW,
điện áp hai đầu điện dẫn là 20V? [<$>] 250 m s Câu 20
?: Tìm điện dẫn trong mạch biết công suất tác dụng trên điện dẫn là 100mW,
điện áp hai đầu điện dẫn là 20V? [<$>] 250 m s Câu 21
?: Cho mạch điện gồm ba điện trở 4 Ω; 6 Ω; 12 Ω mắc song song. Xác định
điện trở tương đương của mạch? [<$>] 2 Ω
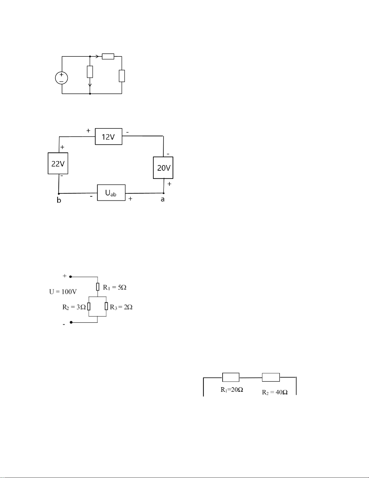
Câu..?: Xét mạch như hình vẽ. Biết e(t) = 30 V; R1 =20 Ω; R = 10 Ω; e R1 (t) R i1
Dòng điện qua điện trở R1 là? [<$>] 1,5A Câu 22
? Nhánh có điện áp 42V gồm hai điện trở R1 = 3Ω, R2 = 2Ω mắc song song. Tính
dòng điện chạy qua từng điện trở?
[<$>] I1 = 14A; I2 = 12A. Câu 23
?: Thiết bị điện vận hành liên tục trong 2 ngày với công suất 150 W tiêu thụ lượng điện năng là: [<$>] 7,2 kWh Câu 24
?: Cho mạch điện điện áp 220 V gồm bốn điện trở 5 Ω, 10 Ω, 15 Ω, 20 Ω mắc song
song. Điện trở tương đương của mạch là: [<$>] 2,4 Ω Câu 25
?: Cho mạch điện có 2 điện trở mắc nối tiếp lần lượt có giá trị bằng 20Ω và 0.1kΩ,
dòng điện chạy trong mạch i(t) =5sin(314t) A. Tính điện áp của mạch điện?
[<$>] u(t) = 600 sin (314t) V Câu 26
?: Cho mạch điện có 2 điện trở mắc nối tiếp lần lượt có giá trị bằng 20Ω và 0.1kΩ,
dòng điện chạy trong mạch i(t) =5sin(314t) A. Tính công suất tiêu thụ của mạch điện?
[<$>] p(t) = 3000 sin2(314t) W Câu 27
?: Phần tử có dòng điện là 10 A, tiêu thụ công suất là 2,2 kW. Tính điện áp trên phần tử đó? [<$>] 220 V Câu 28
?: Tính điện năng tiêu thụ trong 1 tháng (30 ngày) của một chiếc quạt, biết công
suất của quạt là 50 W và vận hành 8 giờ trong một ngày? [<$>] 12 kWh Câu 29
?: Mạch điện có 3 điện trở 𝑅1 = 5Ω, 𝑅2 = 10Ω, 𝑅3 = 20Ω mắc song song vào
nguồn áp U = 100 V. Tính dòng điện chạy qua các điện trở và dòng điện tổng.
[<$>] I1 = 20A; I2 = 10A; I3 = 5A; Itổng = 35A Câu 30
?: Cho nguồn cấp E=100V; R=30Ω; R2= R3= 40Ω. Tìm R I1 I1 I2 E R [<$>] I 2 R3 1 = 1A Câu 31
?: Mạch điện có 3 điện trở 𝑅1 = 5Ω, 𝑅2 = 7Ω, 𝑅3 = 8Ω mắc nối tiếp vào nguồn áp
U = 100 V. Tính điện áp trên các điện trở 5Ω , 7Ω, 8Ω: [<$>] 25V; 35V; 40V Câu 32
?: Xác định I2 trong sơ đồ đồ mạch sau? [<$>] 2A Câu 33
? Một mạch điện có nguồn E1 = 220V, cấp cho điện trở 10Ω. Muốn giảm giá
trị dòng điện trong mạch đi 2 lần cần mắc thêm một điện trở như thế nào.
[<$>] Mắc nối tiếp với điện trở R một điện trở có giá trị bằng 10. Câu 34
?: Một chiếc điều hòa có công suất 1000W. Hỏi mỗi đêm (tương đương 8
tiếng), điều hòa tiêu thụ hết bao nhiêu số điện (giả thiết điều hòa luôn chạy đầy tải)? [<$>] 8 số điện Câu 35
? Một mạch điện có nguồn 220V cấp cho điện trở R = 40. Muốn tăng giá
trị dòng điện trong mạch lên gấp đôi cần mắc thêm một điện trở như thế nào?
[<$>] Mắc song song với điện trở R một điện trở có giá trị bằng 40. Câu 36
?: Biết i2 = 2 A; i3 = 1,5 A; R1 = 3 Ω; R3 = 2 Ω. Giá trị sức điện động E2 ở hình dưới là: [<$>] -13,5 V Câu 37
?: Biết i1 = 4A; i2 = 2 A; R1 = 3 Ω; R2 = 2 Ω; R3 = 4 Ω. Giá trị sức điện động E1; E2 ở hình dưới là: [<$>] 16 V; -20 V Câu 38
?: Tính dòng điện I? [<$>] 4 A Câu 39
?: Tính điện áp U? [<$>] -3 V Câu 40
?: Một bóng đèn có công suất 4W vận hành khoảng 10 giờ một ngày. Tính điện
năng tiêu thụ của bóng đèn trong 1 năm? [<$>] 14,6 kW Câu 41
?: Tải được cấp bởi một nguồn điện 220 V, dòng điện qua tải là 10A. Muốn dòng
điện qua tải giảm xuống còn 4A thì phải mắc thêm vào mạch một điện trở có giá trị bao nhiêu? [<$>] 33Ω Câu 42
?: Nguồn điện có sức điện động E và điện trở trong R0 = 3Ω cung cấp cho tải có
điện trở R. Biết điện áp của tải Utải = 195V, công suất tải tiêu thụ Ptải = 1950W. Xác định Rtải và E.
[<$>] Rtải = 19,5Ω; E = 225V I R0 + E - Rtải Utải Câu 43
?: Một mạch điện gồm có điện trở R1 = 40Ω mắc nối tiếp với một điện trở R2
= 80 Ω. Mạch được cấp bởi nguồn điện 360 V. Điện áp trên điện trở R2 là bao nhiêu? [<$>] 240V Câu 44
?: Xét mạch như hình vẽ. Biết e(t) = 30 V; R1 =20 Ω; R = 10 Ω; e R1 (t) R i1
Dòng điện qua nguồn e(t) là? [<$>] 4,5A Câu 45
?: Xét mạch như hình vẽ. Biết: e(t) = 40 V; R = 10 Ω ; R1 = 20 Ω; R2 = 30Ω R2 i2 R e 1 (t) R i1
Công suất tiêu thụ trên R là? [<$>] 10W Câu 46
?: Xác định dòng điện i2 trong sơ đồ sau: [<$>] 19A Câu 47
? Một thiết bị điện có công suất 200W, vận hành trong 3 ngày, mỗi ngày 6 giờ; hãy
tính lượng điện năng tiêu thụ của thiết bị này? [<$>] 3600 Wh. Câu 48
? Một thiết bị điện có công suất 100W, vận hành trong 2 ngày, mỗi ngày 12 giờ;
hãy tính lượng điện năng tiêu thụ của thiết bị này? [<$>] 2400 Wh. Câu 49
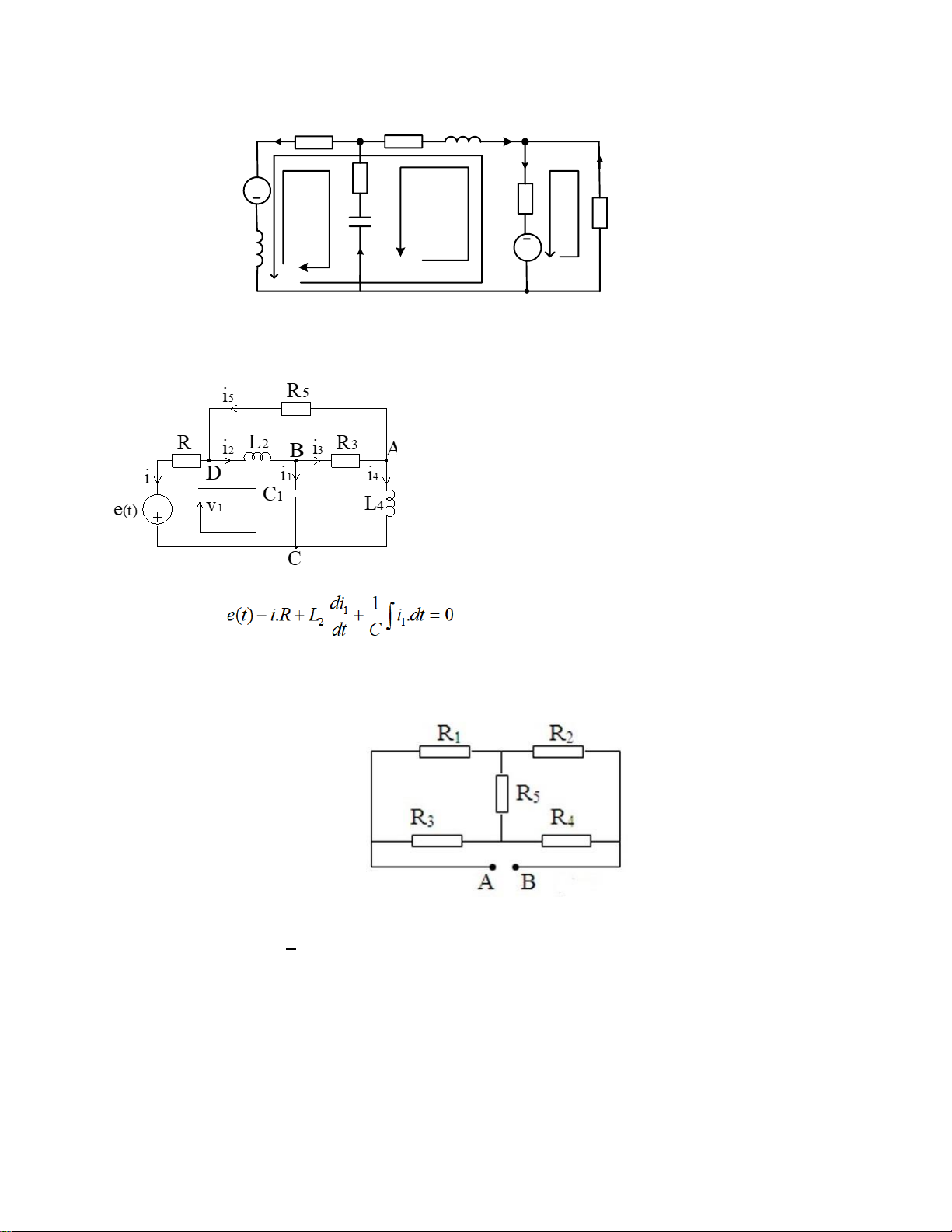
?: Cho mạch điện có 2 nút và 3 nhánh
như hình vẽ. Số phương trình độc lập được viết
theo định luật Kirchhoff 1 và Kirchhoff 2 lần lượt là: [<$>] 1 và 2 Câu 50
?: Viết phương trình định luật
Kirchhoff về điện áp cho vòng 1 như sau: 1
[<$>] R1i1(t) + ∫ 𝑖1(𝑡)𝑑𝑡 + R2 i2(t) = e1(t) 𝐶1 Câu 51
?: Một bếp điện có công suất 2000 W vận hành trong khung giờ (11 giờ 00 đến 12
giờ 00) và (17 giờ 00 đến 19 giờ 00) trong một ngày, tính tiền điện phải trả trong 1 tháng
có 30 ngày (biết giá điện trung bình 3000 đồng/1kWh)? [<$>] 600 000 đồng [<$>] 450 000 đồng [<$>] 540 000 đồng [<$>] 300 000 đồng Câu 52
?: Cho mạch điện hình tam giác và tổng trở mỗi cạnh là 6; theo đó, tổng trở tương
đương giữa 2 đỉnh là: [<$>] 4 Câu 53
?: Phương trình theo định luật Kirchhoff về điện áp cho vòng 2 là: R R 1 A 3 L3 i i B 1 3 i4 i5 R + 2 e1(t) R4 V R5 1 V C 2 V3 2 L1 e4(t) i2 + V4 C 1 𝑑𝑖 [<$>] −𝑅 3 2𝑖2− ∫ 𝑖 − 𝑅 𝐶
2𝑑𝑡 − 𝑅3𝑖3 − 𝐿3 4𝑖4 = −𝑒4 2 𝑑𝑡 Câu 54
? Viết phương trình theo định luật Kirchhoff 2 cho vòng 1 của mạch điện sau. [<$>] Câu 55
?: Biết R1 = 2 Ω; R2 = 6 Ω; R3 = 3 Ω; R4 = 9 Ω; R5 = 1 Ω; UAB = 20 V. Giá trị dòng
điện qua điện trở R1 ở hình dưới là: [<$>] 2,5 A Câu 56
?: Một bóng đèn sợi đốt có ghi 200V – 100W được mắc vào nguồn có hiệu điện
thế u(t) = 200√2sin(100t - 450). Xác định điện năng tiêu thụ của bóng đèn trong 10h? Giả
sử điện trở của bóng đèn không đổi. [<$>] 1000Wh Câu 57
?: Xét mạch như hình vẽ. Biết: R =5 Ω; R1 = 30 Ω; R2 = 25 Ω; i2 =2A R2 i2 R e 1 (t) R i1
Xác định công suất tiêu thụ toàn mạch? [<$>] 240W Câu 58
?: Cho mạch điện như hình vẽ [<$>] -30V [<$>] 30V [<$>] -52V [<$>] 52V Câu 59
? Cho mạch điện, hãy tính điện áp trên R1? [<$>] 80,645V. Câu 60
?:Cho mạch điện như hình vẽ, tính điện áp trên điện trở R2 . Biết điện áp đặt trên đoạn mạch là 120V [<$>] 80V Câu 61
?: Cho ba điện trở R1; R2 và R3 có giá trị lần lượt là 10Ω, 20Ω và 15Ω mắc song
song và nối với nguồn điện áp 50V, Tính dòng điện trên điện trở R3? [<$>] 3,33A Câu 62
?:Cho mạch điện như
hình vẽ, ba điện trở R1; R2 và R3 có giá trị
lần lượt là 10Ω, 20Ω và 15Ω mắc song song và nối với nguồn điện áp 150V. Tính dòng điện I12 R3 [<$>] 17,5A Câu 63
?:Thiết bị điện có công suất 750W, vận hành liên tục trong 12h tiêu thụ lượng điện năng là bao nhiêu? [<$>] 9 kWh Câu 64
?: Một thiết bị có điện áp đặt vào là 220 V, tiêu thụ công suất 2750 W, dòng điện
trên thiết bị có giá trị là bao nhiều? [<$>] 12,5 A Câu 65
?: Tính dòng điện qua điện trở 10Ω, điện áp 100 V? [<$>] 10 A Câu 66
?: Tính giá trị tương đương của ba điện trở 30 Ω, 50 Ω và 20 Ω mắc song song? [<$>] 9,67 Ω Câu 67
?: Dòng điện có giá trị 1000 mA tương đương bao nhiêu A? [<$>] 1 A Câu 68
?: Tính giá trị tương đương của ba điện trở 10 Ω, 20 Ω và 20 Ω mắc nối tiếp? [<$>] 50 Ω Câu 69
?: Viết phương trình theo định luật Kirchhoff về dòng điện cho nút A (với quy ước:
dòng điện đi vào nút mang dấu ‘+’ và dòng đi ra khỏi nút mang dấu ‘-’): [<$>] i1 + i2 - j = 0 Câu 70
?: Mạch điện có điện áp 220V, công suất tiêu thụ 990W - Vậy dòng điện trên mạch là : [<$>] 4,5A Câu 71
?: Viết phương trình theo định luật Kirchhoff 1 cho nút B (với quy ước: dòng điện
đi vào nút mang dấu ‘+’ và dòng đi ra khỏi nút mang dấu ‘-’): i L1 B C4 1(t) i4(t) i2(t) v4 v v2 1 R2 R4 L2 R3 R5 i3(t) i A 5(t) D C v3 R6 i6(t) e6(t)
[<$>] i1 - i2 – i4 = 0 Câu 72
?: Thiết bị điện đang hoạt động với công suất 150W liên tục trong 3 ngày thì tiêu
thụ lượng điện năng là: [<$>] 10,8kWh Câu 73
?: Dòng điện có giá trị 60 mA tương đương bao nhiêu A? [<$>] 0,06A. Câu 74
?: Trong mạch có E = 220 V; R = 10k. Hỏi công suất tỏa nhiệt trên điện trở R là bao nhiêu? [<$>] 4,84W Câu 75
?: Một điện trở R mắc trong mạch 220V, dòng điện chạy qua có giá trị là
10kA. Hỏi điện trở R có giá trị bao nhiêu? [<$>] 0,022 Câu 76
?: Trong mạch có U = 200 V; hai điện trở 10 và 8 mắc nối tiếp nhau. Hỏi
dòng điện chạy trong mạch bằng bao nhiêu? [<$>] 11,111A Câu 77
?: Điện trở có điện áp 220 V tiêu thụ công suất 11 W, dòng điện qua điện trở là: [<$>] 50 mA Câu 78
Biết i1 = 5A; i2 = 3 A; R3 = 4 Ω. Giá trị dòng điện i3 và điện áp trên điện trở R3 ở hình dưới là: [<$>] 2A; 8V Câu 79
?: Biết UR1 = 10V; i3 = 1 A; R1 = 2 Ω. Giá trị dòng điện i2 ở hình dưới là: 0 [<$>] 4A Câu 80
?: Biết i1 = 4A; i2 = 2 A; R1 = 3 Ω; R2 = 2 Ω. Giá trị sức điện động E1 ở hình dưới là: [<$>] 16V Câu 81
?: Biết i2 = 3A; i3 = 2 A; R2 = 6 Ω; R3 = 2 Ω; E1 = 6 V. Giá trị sức điện động E2 ở hình dưới là: [<$>] 8V