



















Preview text:
BÀI TẬP KĨ THUẬT ĐIỀU KHIỂN TỰ ĐỘNG MỤC LỤC
BÀI 1. . . . . . . . . . . . . . . . . . . . . . . . . . . . . . . . . . . . . . . . . . . . . . . . . . . . . . . . . . . . . . . . . . . . . . . . 3
Câu 1: Nêu định nghĩa về điều khiển, điều khiển tự động? Cho ví dụ?. . . . . . . . . . . . . . . . . . . .3
Câu 2:Tại sao cần điều khiển tự động?. . . . . . . . . . . . . . . . . . . . . . . . . . . . . . . . . . . . . . . . . . . . .4
Câu 3: Nêu các thành phần cơ bản của hệ thống điều khiển tự động?. . . . . . . . . . . . . . . . . . . . 4
Vẽ sơ đồ khối? Cho biết các thành phần này trong ví dụ câu 1?. . . . . . . . . . . . . . . . . . . . . . . . 4
Câu 4: Nêu các loại điều khiển thường gặp, mỗi loại cho một vài ví dụ. . . . . . . . . . . . . . . . . . .5
Câu 5: Nêu các ứng dụng của lý thuyết điều khiển trong thực tiễn, cho ví dụ?. . . . . . . . . . . . . 5
BÀI 2. . . . . . . . . . . . . . . . . . . . . . . . . . . . . . . . . . . . . . . . . . . . . . . . . . . . . . . . . . . . . . . . . . . . . . . . 6
Câu 1: Thực hiện phép biến đổi Laplace. . . . . . . . . . . . . . . . . . . . . . . . . . . . . . . . . . . . . . . . . . . 6
Câu 2: Tìm hàm truyền. . . . . . . . . . . . . . . . . . . . . . . . . . . . . . . . . . . . . . . . . . . . . . . . . . . . . . . . .7
Câu 3: Tìm hàm truyền. . . . . . . . . . . . . . . . . . . . . . . . . . . . . . . . . . . . . . . . . . . . . . . . . . . . . . . . .8
Câu 4: Biến đổi laplace ngược. . . . . . . . . . . . . . . . . . . . . . . . . . . . . . . . . . . . . . . . . . . . . . . . . . . 8
BÀI 3 : TÍNH HÀM TRUYỀN TƯƠNG ĐƯƠNG CỦA HỆ THỐNG. . . . . . . . . . . . . . . . . . . . .9
Câu 1. . . . . . . . . . . . . . . . . . . . . . . . . . . . . . . . . . . . . . . . . . . . . . . . . . . . . . . . . . . . . . . . . . . . . . .9
Câu 2. . . . . . . . . . . . . . . . . . . . . . . . . . . . . . . . . . . . . . . . . . . . . . . . . . . . . . . . . . . . . . . . . . . . . .10
Câu 3. . . . . . . . . . . . . . . . . . . . . . . . . . . . . . . . . . . . . . . . . . . . . . . . . . . . . . . . . . . . . . . . . . . . . .11
Câu 4. . . . . . . . . . . . . . . . . . . . . . . . . . . . . . . . . . . . . . . . . . . . . . . . . . . . . . . . . . . . . . . . . . . . . .12
Câu 5. . . . . . . . . . . . . . . . . . . . . . . . . . . . . . . . . . . . . . . . . . . . . . . . . . . . . . . . . . . . . . . . . . . . . .14
Câu 6:. . . . . . . . . . . . . . . . . . . . . . . . . . . . . . . . . . . . . . . . . . . . . . . . . . . . . . . . . . . . . . . . . . . . . 15
Câu 7. . . . . . . . . . . . . . . . . . . . . . . . . . . . . . . . . . . . . . . . . . . . . . . . . . . . . . . . . . . . . . . . . . . . . .17
BÀI 4: TÍNH HÀM TRUYỀN TƯƠNG ĐƯƠNG CỦA HỆ THỐNG. . . . . . . . . . . . . . . . . . . . 19
Câu 1. . . . . . . . . . . . . . . . . . . . . . . . . . . . . . . . . . . . . . . . . . . . . . . . . . . . . . . . . . . . . . . . . . . . . .19
Câu 2. . . . . . . . . . . . . . . . . . . . . . . . . . . . . . . . . . . . . . . . . . . . . . . . . . . . . . . . . . . . . . . . . . . . . .21
Câu 3. . . . . . . . . . . . . . . . . . . . . . . . . . . . . . . . . . . . . . . . . . . . . . . . . . . . . . . . . . . . . . . . . . . . . .22
Câu 4. . . . . . . . . . . . . . . . . . . . . . . . . . . . . . . . . . . . . . . . . . . . . . . . . . . . . . . . . . . . . . . . . . . . . .24
Câu 5. . . . . . . . . . . . . . . . . . . . . . . . . . . . . . . . . . . . . . . . . . . . . . . . . . . . . . . . . . . . . . . . . . . . . .27
Câu 6:. . . . . . . . . . . . . . . . . . . . . . . . . . . . . . . . . . . . . . . . . . . . . . . . . . . . . . . . . . . . . . . . . . . . . 29
Câu 7. . . . . . . . . . . . . . . . . . . . . . . . . . . . . . . . . . . . . . . . . . . . . . . . . . . . . . . . . . . . . . . . . . . . . .32
BÀI 5: XÉT TÍNH ỔN ĐỊNH CỦA HỆ THỐNG. . . . . . . . . . . . . . . . . . . . . . . . . . . . . . . . . . . . 35
Câu 1. . . . . . . . . . . . . . . . . . . . . . . . . . . . . . . . . . . . . . . . . . . . . . . . . . . . . . . . . . . . . . . . . . . . . .35
Câu 2. . . . . . . . . . . . . . . . . . . . . . . . . . . . . . . . . . . . . . . . . . . . . . . . . . . . . . . . . . . . . . . . . . . . . .35
Câu 3. . . . . . . . . . . . . . . . . . . . . . . . . . . . . . . . . . . . . . . . . . . . . . . . . . . . . . . . . . . . . . . . . . . . . .36
Câu 4. . . . . . . . . . . . . . . . . . . . . . . . . . . . . . . . . . . . . . . . . . . . . . . . . . . . . . . . . . . . . . . . . . . . . .37
Câu 5. . . . . . . . . . . . . . . . . . . . . . . . . . . . . . . . . . . . . . . . . . . . . . . . . . . . . . . . . . . . . . . . . . . . . .38
Câu 6. . . . . . . . . . . . . . . . . . . . . . . . . . . . . . . . . . . . . . . . . . . . . . . . . . . . . . . . . . . . . . . . . . . . . .39
Câu 7. . . . . . . . . . . . . . . . . . . . . . . . . . . . . . . . . . . . . . . . . . . . . . . . . . . . . . . . . . . . . . . . . . . . . .40
Câu 8. . . . . . . . . . . . . . . . . . . . . . . . . . . . . . . . . . . . . . . . . . . . . . . . . . . . . . . . . . . . . . . . . . . . . .41
Câu 9. . . . . . . . . . . . . . . . . . . . . . . . . . . . . . . . . . . . . . . . . . . . . . . . . . . . . . . . . . . . . . . . . . . . . .42
Câu 10. . . . . . . . . . . . . . . . . . . . . . . . . . . . . . . . . . . . . . . . . . . . . . . . . . . . . . . . . . . . . . . . . . . . .44 10.20 44 10.21 45
BÀI 6: VẼ QUỸ ĐẠO NGHIỆM SỐ. . . . . . . . . . . . . . . . . . . . . . . . . . . . . . . . . . . . . . . . . . . . . . 45
Câu 1. . . . . . . . . . . . . . . . . . . . . . . . . . . . . . . . . . . . . . . . . . . . . . . . . . . . . . . . . . . . . . . . . . . . . .45
Câu 2. . . . . . . . . . . . . . . . . . . . . . . . . . . . . . . . . . . . . . . . . . . . . . . . . . . . . . . . . . . . . . . . . . . . . .48
Câu 3. . . . . . . . . . . . . . . . . . . . . . . . . . . . . . . . . . . . . . . . . . . . . . . . . . . . . . . . . . . . . . . . . . . . . .50
Câu 4. . . . . . . . . . . . . . . . . . . . . . . . . . . . . . . . . . . . . . . . . . . . . . . . . . . . . . . . . . . . . . . . . . . . . .53
Câu 5. . . . . . . . . . . . . . . . . . . . . . . . . . . . . . . . . . . . . . . . . . . . . . . . . . . . . . . . . . . . . . . . . . . . . .56
Câu 6:. . . . . . . . . . . . . . . . . . . . . . . . . . . . . . . . . . . . . . . . . . . . . . . . . . . . . . . . . . . . . . . . . . . . . 59
Câu 7. . . . . . . . . . . . . . . . . . . . . . . . . . . . . . . . . . . . . . . . . . . . . . . . . . . . . . . . . . . . . . . . . . . . . .61
Câu 8. . . . . . . . . . . . . . . . . . . . . . . . . . . . . . . . . . . . . . . . . . . . . . . . . . . . . . . . . . . . . . . . . . . . . .65
Câu 9:. . . . . . . . . . . . . . . . . . . . . . . . . . . . . . . . . . . . . . . . . . . . . . . . . . . . . . . . . . . . . . . . . . . . . 67
a,. . . . . . . . . . . . . . . . . . . . . . . . . . . . . . . . . . . . . . . . . . . . . . . . . . . . . . . . . . . . . . . . . . . . . . . .68
b,. . . . . . . . . . . . . . . . . . . . . . . . . . . . . . . . . . . . . . . . . . . . . . . . . . . . . . . . . . . . . . . . . . . . . . . 70
Câu 10. . . . . . . . . . . . . . . . . . . . . . . . . . . . . . . . . . . . . . . . . . . . . . . . . . . . . . . . . . . . . . . . . . . . .73
Câu 11. . . . . . . . . . . . . . . . . . . . . . . . . . . . . . . . . . . . . . . . . . . . . . . . . . . . . . . . . . . . . . . . . . . . .75
BÀI 7: SƠ ĐỒ DÒNG TÍN HIỆU. . . . . . . . . . . . . . . . . . . . . . . . . . . . . . . . . . . . . . . . . . . . . . . . .78
Câu 1:. . . . . . . . . . . . . . . . . . . . . . . . . . . . . . . . . . . . . . . . . . . . . . . . . . . . . . . . . . . . . . . . . . . . . 78
Câu 2. . . . . . . . . . . . . . . . . . . . . . . . . . . . . . . . . . . . . . . . . . . . . . . . . . . . . . . . . . . . . . . . . . . . . .80
Câu 3. . . . . . . . . . . . . . . . . . . . . . . . . . . . . . . . . . . . . . . . . . . . . . . . . . . . . . . . . . . . . . . . . . . . . .81
Câu 4. . . . . . . . . . . . . . . . . . . . . . . . . . . . . . . . . . . . . . . . . . . . . . . . . . . . . . . . . . . . . . . . . . . . . .82
Câu 5. . . . . . . . . . . . . . . . . . . . . . . . . . . . . . . . . . . . . . . . . . . . . . . . . . . . . . . . . . . . . . . . . . . . . .83
Câu 6. . . . . . . . . . . . . . . . . . . . . . . . . . . . . . . . . . . . . . . . . . . . . . . . . . . . . . . . . . . . . . . . . . . . . .85
Câu 7. . . . . . . . . . . . . . . . . . . . . . . . . . . . . . . . . . . . . . . . . . . . . . . . . . . . . . . . . . . . . . . . . . . . . .86
BÀI 8: SƠ ĐỒ DÒNG TÍN HIỆU. . . . . . . . . . . . . . . . . . . . . . . . . . . . . . . . . . . . . . . . . . . . . . . . .87
Câu 1. . . . . . . . . . . . . . . . . . . . . . . . . . . . . . . . . . . . . . . . . . . . . . . . . . . . . . . . . . . . . . . . . . . . . .87
Câu 2. . . . . . . . . . . . . . . . . . . . . . . . . . . . . . . . . . . . . . . . . . . . . . . . . . . . . . . . . . . . . . . . . . . . . 88
Câu 3:. . . . . . . . . . . . . . . . . . . . . . . . . . . . . . . . . . . . . . . . . . . . . . . . . . . . . . . . . . . . . . . . . . . . . 89
Câu 4:. . . . . . . . . . . . . . . . . . . . . . . . . . . . . . . . . . . . . . . . . . . . . . . . . . . . . . . . . . . . . . . . . . . . . 90
Câu 5:. . . . . . . . . . . . . . . . . . . . . . . . . . . . . . . . . . . . . . . . . . . . . . . . . . . . . . . . . . . . . . . . . . . . . 92
Câu 6:. . . . . . . . . . . . . . . . . . . . . . . . . . . . . . . . . . . . . . . . . . . . . . . . . . . . . . . . . . . . . . . . . . . . . 93
BÀI 9: THIẾT KẾ KHÂU HIỆU CHỈNH SỚM TRỄ PHA. . . . . . . . . . . . . . . . . . . . . . . . . . . . . 94
Câu 1. . . . . . . . . . . . . . . . . . . . . . . . . . . . . . . . . . . . . . . . . . . . . . . . . . . . . . . . . . . . . . . . . . . . . .94
Câu 2. . . . . . . . . . . . . . . . . . . . . . . . . . . . . . . . . . . . . . . . . . . . . . . . . . . . . . . . . . . . . . . . . . . . . .96
Câu 3:. . . . . . . . . . . . . . . . . . . . . . . . . . . . . . . . . . . . . . . . . . . . . . . . . . . . . . . . . . . . . . . . . . . . 98
Câu 4. . . . . . . . . . . . . . . . . . . . . . . . . . . . . . . . . . . . . . . . . . . . . . . . . . . . . . . . . . . . . . . . . . . . .100
BÀI 10: TỔNG HỢP. . . . . . . . . . . . . . . . . . . . . . . . . . . . . . . . . . . . . . . . . . . . . . . . . . . . . . . . . . 107
Câu 1. . . . . . . . . . . . . . . . . . . . . . . . . . . . . . . . . . . . . . . . . . . . . . . . . . . . . . . . . . . . . . . . . . . . .107
Câu 2. . . . . . . . . . . . . . . . . . . . . . . . . . . . . . . . . . . . . . . . . . . . . . . . . . . . . . . . . . . . . . . . . . . . .110
Câu 3:. . . . . . . . . . . . . . . . . . . . . . . . . . . . . . . . . . . . . . . . . . . . . . . . . . . . . . . . . . . . . . . . . . . .112
Câu 4: Mạch tích phân bậc 1. . . . . . . . . . . . . . . . . . . . . . . . . . . . . . . . . . . . . . . . . . . . . . . . . . 115
Câu 5: Mạch vi phân bậc 1. . . . . . . . . . . . . . . . . . . . . . . . . . . . . . . . . . . . . . . . . . . . . . . . . . . 116
Câu 6: Khâu sớm pha. . . . . . . . . . . . . . . . . . . . . . . . . . . . . . . . . . . . . . . . . . . . . . . . . . . . . . . . 117
Câu 7: Khâu trễ pha. . . . . . . . . . . . . . . . . . . . . . . . . . . . . . . . . . . . . . . . . . . . . . . . . . . . . . . . . 119
Câu 8. . . . . . . . . . . . . . . . . . . . . . . . . . . . . . . . . . . . . . . . . . . . . . . . . . . . . . . . . . . . . . . . . . . . .120
Câu 9: Khâu vi tích phân tỉ lệ PID. . . . . . . . . . . . . . . . . . . . . . . . . . . . . . . . . . . . . . . . . . . . . .121 BÀI 1
Câu 1: Nêu định nghĩa về điều khiển, điều khiển tự động? Cho ví dụ?
• Điều khiển là quá trình thu thập trông tin, xử lý thông tin và tác động lên hệ
thống để đáp ứng của hệ thống gần với mục đích trước
• Điều khiển tự động là quá trình mà không có sự tác động của con người
❖ Ví dụ điều khiển, điều khiể tự động
• Hệ thống điều khiển mực nước
• Hệ thống điều khiển đèn và quạt trong các nhà máy
• Hệ thống điều khiển nhà máy điện, xi măng, giải khát
• Hệ thống sản xuất thiết bị điện tử : tivi, điện thoại, điều hòa,…
Câu 2:Tại sao cần điều khiển tự động?
• Đáp ứng của hệ thống không thỏa mãn yêu cầu, nên cần tăng tốc độ, độ chính
xác, tăng năng xuất, tăng hiệu quả kinh tế, làm những việc mà con người không
làm được, giảm thiểu tai nạn lao động, tiết kiệm nhân công,...
Câu 3: Nêu các thành phần cơ bản của hệ thống điều khiển tự động?
Vẽ sơ đồ khối? Cho biết các thành phần này trong ví dụ câu 1?
• Các thành phần cơ bản của hệ thống điều khiển tự động bao gồm: đối tượng, bộ
điều khiển, cảm biến (thiết bị đo lường) Sơ đồ khối:
Các thành phần trong ví dụ 1 điều khiển kín mực chất lỏng:
• Đối tựng là mực chất lỏng
• Cảm biến (thiết bị đo lường) là phao
• Bộ điều khiển là thiết bị điều khiển
Câu 4: Nêu các loại điều khiển thường gặp, mỗi loại cho một vài ví dụ
Cho biết thành phần trong các ví dụ này?
Các điều khiển thường gặp bao gồm: điều khiển tốc độ, điều khiển vị trí, điều khiển moment
Một vài ví dụ cho điều khiển
• Điều khiển tốc độ: ví dụ như trong thang máy
• Điều khiển vị trí: ví dụ như trong thang máy, máy cắt tia laze
Câu 5: Nêu các ứng dụng của lý thuyết điều khiển trong thực tiễn, cho ví dụ?
❖ Các ứng dụng của lý thuyết điều khiển :Áp dụng trong hầu hết tất cả các lĩnh vực kỹ thuật
• Hệ thống sản xuất: nhà máy xi măng, nhà máy đường, nhà máy giấy, nhà máy chế
biến thực phẩm, nước giải khát...
• Quá trình công nghiệp: nhiệt độ, lưu lượng, áp suất, tốc độ,
• Hệ cơ điện tử: robot di động, cánh tay máy, máy công cụ,...
• Hệ thống thông tin: hệ thống phát thanh, truyền hình, tổng đài điện thoại
• Hệ thống sản xuất và truyền tải năng lượng: nhà máy điện,...
• Phương tiện giao thông: xe hơi, tàu hỏa, máy bay, tàu vũ trụ,...
• Thiết bị quân sự: điều khiển rada ,tên lửa, pháo,...
• Thiết bị đo lường: các máy vẽ,...
• Thiết bị điện tử dân dụng: máy điều hòa, ti vi, tủ lạnh, máy giặt, máy ảnh, nồi cơm điện BÀI 2
Câu 1: Thực hiện phép biến đổi Laplace a) Hàm nấc đơn vị b) Hàm dốc đơn vị c) Hàm dirac d) Hàm mũ đơn vị e) Hàm sin f) Hàm cos s
⇒ ℒ{(cos wt)u(t)} = s2 + ω2
g) Cho hàm f(t) = 2 + 10t + 3. e−2t + 5t. e−3t + 2. sin(2t) + 10. cos(4t)
+e−2t. sin(3t) + e3t. cos(4t) + cos2(t)– sin2(t)
Biến đổi laplace ta được: 2 10 3 5 2.2 10. s 32 F(s) = + + + + + s s2
s + 2 (s + 3)2 + s2 + s2 s2 + 42 (s + 2)2 + 32 s − 3 1 1
+ (s− 3)2 + 42 + 2.(1 + cos(2t)) − 2.(1 − cos(2t)) 2 10 3 5 4 10s 32 ⟺ F(s) = + + + + + s s2
s + 2 (s + 3)2 + 2s2 s2 + 42 (s + 2)2 + 32 s − 3 1 s 1 s + ( + . (1 + s − 3)2 + 4² 2 s2 ) − + 2² 2 . (1 − s2 + 22) 2 10 3 5 4 10s 32 ⟹ F(s) = + + + + + s s2
s + 2 (s + 3)2 + 2s2 s2 + 42 (s + 2)2 + 32 s − 3 s + ( + s − 3)2 + 4² s2 + 2²
Câu 2: Tìm hàm truyền dv(t) a) M. dt + B.v(t) = f(t)
⟺ M. s. V(s) + B. V(s) = F(s) ⟺ V(s). ( M. s + B ) = F(s) V(s) ⟹ G(s) = F(s) = 1 M. s + B d2y(t) dy(t) b) M. + K. y(t) = f(t) dt2 + B. dt
⟺ M. s². Y(s) + B. s. Y(s) + K. y(s) = F(s)
⟺ Y(s). ( M. s² + B. s + K ) = F(s) Y(s) ⟺ G(s) = F(s) = 1 M. s2 + B. s + K
Câu 3: Tìm hàm truyền d3c(t) d2c(t) dc(t) d2r(t) dr(t) a) + c(t) = + r(t) dt3 + + + dt2 dt dt2 dt ⟺
s³. C(s) + s². C(s) + s. C(s) + C(s) = s². R(s) + s. R(s) + R(s) ⟺
C(s). ( s³ + s² + s + 1) = R(s). ( s² + s + 1) C(s) s² + s + 1 ⟺ G(s) = = R(s) s³ + s² + s + 1 d³y(t) b) d²y(t) dy(t) dr(t) + 2. + 3. dt³ dt² dt + 4. y(t) = 3. d + 4. r(t)
⟺ s³. Y(s) + 2. s². Y(s) + 3. s. Y(s) + 4. Y(s) = 3. S. R(s) + 4. R(s)
⟺ Y(s). ( s³ + 2s² + 3s + 4 ) = R(s). ( 3s + 4 ) Y(s) ⟹ G(s) = R(s) = 3s + 4 s³ + 2s² + 3s + 4
Câu 4: Biến đổi laplace ngược 10 F(s) = s.(s+ 2).(s + 3)² A B C D ⟺ F(s) = + + + s s + 2 (s + 3)² s + 3 10 10 Với A = s. F(s)|s=0 = = 0,5 ( | s + 2). (s + 3)² = s=0 2 + 3² 10 10 B = ( s + 2 ). F(s)|s=−2 = | = s. (s + 3)² −2. ( −2 + 32) = −5 s=−2 10 10 C = (s + 3)². F(s)|s=−3 = | = s. (s + 3)² −3. ( −3 + 2) = 3,33 s=−3 D = d . [(s + 3)2. F(s)| ] = d ) s=−3 . ([ 10 ]| ( ) = −10.(2s+2 | 2 2 ds ds s. s+2) s=−3 (s +2) s=−3 ⇒ D = 4,4 0,55 −5 3,33 4,4 ⟹ F(s) = + + + s s + 2 (s + 3)² s + 3
BÀI 3 : TÍNH HÀM TRUYỀN TƯƠNG ĐƯƠNG CỦA HỆ THỐNG Câu 1: �(�) �(�) �1(�) �2(�) �3(�) �1(�) s + 1 s 1 G1(s) = ; G2(s) = ; H1(s) = s + 2 (s + 3). (s + 1) s2 + 2s + 8 ; G3(s) = s Đặt +)
A = Vòng hồi tiếp âm [G2(s); H1(s)] G2(s) ⇒ A = 1+ G2(s).H1(s) +)
B = G1(s) // G3(s) = G1(s) + G3(s) �(�) G2(s) �(�) G1(s) + G3(s) 1 + G2(s). H1(s) +) C = A nối tiếp B = A ∗ B [G1(s) + G3(s)]. G2(s) ⇒ C = 1 + G2(s). H1(s) �(�) [G1(s) + G3(s)]. G2(s) �(�) 1 + G2(s). H1(s) +)
G(s) = Vòng hồi tiếp âm [ C ; hàm đơn vị ] G2(s). [G1(s) + G3(s)]
⇒ G(s) = 1+ G2(s).[G1(s) +G3(s) + H1(s)] s + 1 s 1
Thay G1(s) = (s + 3).(s + 1) ; G2(s) = s2 + 2s + 8 ; G3(s) = ; H1(s) = s + 2 vào G(s): s s . [ s + 1 + 1] ⇒ G(s) = s2 + 2s + 8 (s + 3). (s + 1) s s s + 1 1
1 + s2 + 2s + 8.[(s + 3).(s + 1) + s + s + 2] s . [ s + 1 + 1 ] �(�) s2 + 2s + 8 (s + 3). (s + 1) s �(�) 1 + s . [ s + 1 + 1 + s + 2] s2 + 2s + 8 (s + 3). (s + 1) s Câu 2: G1(s) R(s) C(s) G2(s) G3(s) G4(s) Đặt +)
A = G3(s) // G4(s) = G3(s) − G4(s) +)
Chuyển bộ tổng 1 ra sau bộ tổng 2 G1(s) R(s) C(s) G2(s) G3(s) − G4(s) +)
B = G1(s) song song hàm đơn vị = G1(s) + 1 +)
C = Vòng hồi tiếp [ G2(s) ; A ] G2(s)
⇒ C = 1+ G2(s).[G3(s) − G4(s)] R(s) G2(s) C(s) G1(s) + 1 1 + G2(s). [G3(s) − G4(s)] +)
G(s) = B nối tiếp C = B ∗ C G2(s). [G1(s) + 1]
⇒ G(s) = 1+ G2(s).[G3(s) − G4(s)] R(s) G2(s). [G1(s) + 1] C(s) 1 + G2(s). [G3(s) − G4(s)] Câu 3: R(s) C(s) G1(s) G2(s) G3(s) H1(s) H2(s) H3(s) Đặt +)
A = G2(s) nối tiếp G3(s) = G2(s). G3(s) +) B = H1(s) // H2(s) // H3(s)
⇒ B = H1(s) − H2(s) + H3(s) R(s) �(�) �1(�) G2(s). G3(s) H1(s) − H2(s) + H3(s) +)
C = Vòng hồi tiếp âm [ A ; B ] G2(s). G3(s)
⇒ C = 1+ G2(s).G3(s).[H1(s) − H2(s) + H3(s)] R(s) G2(s). G3(s) �(�) G1(s)
1 + G2(s). G3(s). [ H1(s) − H2(s) + H3(s)] +) G(s) = G1(s) nối tiếp C G1(s). G2(s). G3(s)
⇒ G(s) = 1+ G2(s).G3(s).[H1(s) − H2(s) + H3(s)] R(s) �1(�). G2(s). G3(s) C(s)
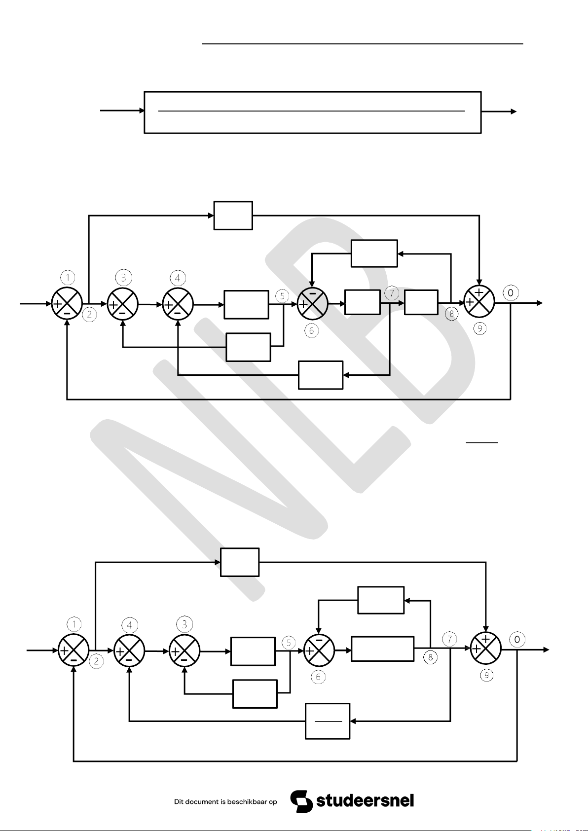
1 + G2(s). G3(s). [ H1(s) − H2(s) + H3(s)] Câu 4: �(�) �(�) G1(s) G2(s) G3(s) H2(s) H3(s) H1(s) Đặt +)
A = Vòng hồi tiếp âm [ G3(s) ; H3(s)] G3(s) ⇒ A = 1 + G3(s).H3(s) 1 +)
Chuyển điểm rẽ nhánh số 1 ra sau khối G2(s) ta được: G2(s) 1 G2(s) �(�) G3(s) �(�) G1(s) G2(s) 1 + G3(s). H3(s) H2(s) H1(s) 1 1 +)
B = G2(s) // hàm đơn vị = 1 + G2(s) +)
C = Vòng hồi tiếp âm [ G2(s) ; H2(s) ] G2(s) ⇒ C = 1+ G2(s).H2(s) �(�) G2(s) 1 G3(s) �(�) G1(s) 1 + 1 + G2(s). H2(s) 1 + G3(s). H3(s) G2(s) H1(s) +)
D = G1(s) nối tiếp C = G1(s) ∗ C G1(s). G2(s) ⇒ D = 1+ G2(s).H2(s) +) E = A nối tiếp B = A ∗ B G3(s). [1 + G2(s)] ⇒ E = G2(s).[1+ G3(s).H3(s)] �(�) G1(s). G2(s) G3(s). [1 + G2(s)] �(�) 1 + G2(s). H2(s) G2(s). [1 + G3(s). H3(s)] H1(s) +)
F = Vòng hồi tiếp âm [ D ; H1(s)] G1(s). G2(s)
⇒ F = 1+ G2(s).H2(s) + G1(s).G2(s).H1(s) �(�) G1(s). G2(s) G3(s). [1 + G2(s)] �(�)
1 + G2(s). H2(s) + G1(s). G2(s). H1(s) G2(s). [1 + G3(s). H3(s)] +)
G(s) = F nối tiếp E = F ∗ E G1(s). G3(s). [1 + G2(s)]
⇒ G(s) = [1+ G2(s).H2(s)+ G1(s).G2(s).H1(s)].[1 + G3(s).H3(s)] �(�) G1(s). G3(s). [1 + G2(s)] �(�)
[1 + G2(s). H2(s) + G1(s). G2(s). H1(s)]. [1 + G3(s). H3(s)] Câu 5: �(�) �(�) s s 1 s 1 s s C(s) s3 + 1 Trong đó: T(s) = ; T(s) = R(s) 2s4 + s2 + 2s �(�) 1 �(�) s2 s 1 s s �(�) s3 + 1 1 �(�) s � s �(�) s3 + 1 1 �(�) s3 + s + 1 � s �(�) s3 + 1 �(�) �. (s3 + s + 1) s �(�) s3 + 1 �(�) 2�4 + �2 + 2� Câu 6: H1(s) �(�) �(�) G1(s) G3(s) G2(s) H2(s) H3(s) H1(s) +)
Chuyển nhánh số 4 ra sau khối G2(s) ta được: G2(s) H1(s) G2(s) + H1(s) Đặt +)
A = G2(s) // hàm đơn vị ⇒ A = G2(s) +)
Chuyển bộ tổng số 2 ra sau bộ tổng số 3 +)
B = Vòng hồi tiếp âm [ G2(s) ; H2(s) ] G2(s) ⇒ B = 1+ G2(s).H2(s) �(�) G2(s) G2(s) + H1(s) �(�) G1(s) G3(s) 1 + G2(s). H2(s) G2(s) H3(s) +)
C = A nối tiếp B nối tiếp G3(s) = A ∗ B ∗ G3(s) G3(s). [G2(s) + H1(s)] ⇒ C = 1 + G2(s). H2(s) +)
D = Vòng hồi tiếp âm [ C ; H3(s) ] G3(s). [G2(s) + H1(s)]
⇒ D = 1+G2(s).H2(s) + G3(s).[G2(s) + H1(s)].H3(s) �(�) G3(s). [G2(s) + H1(s)] �(�) G1(s)
1 + G2(s).H2(s) + G3(s). [G2(s) + H1(s)]. H3(s) +)
E = G1(s)nối tiếp D = G1(s) ∗ D G1(s). G3(s). [G2(s) + H1(s)]
⇒ E = 1+G2(s).H2(s) + G3(s).[G2(s) + H1(s)].H3(s) �(�) G1(s). G3(s). [G2(s) + H1(s)] �(�)
1 + G2(s). H2(s) + G3(s). [G2(s) + H1(s)]. H3(s) +)
G(s) = Vòng hồi tiếp âm [ E ; hàm đơn vị ] G1(s). G3(s). [G2(s) + H1(s)]
⇒ G(s) = 1+G2(s).H2(s) + G3(s).[G2(s) + H1(s)].[H3(s) + G1(s)] �(�) G1(s). G3(s). [G2(s) + H1(s)] �(�)
1 + G2(s). H2(s) + G3(s). [G2(s) + H1(s)]. [H3(s) + G1(s)] Câu 7: �4(�) H3(s) �(�) �(�) G1(s) �2(�) G3(s) H2(s) H1(s) H1(s) +)
Chuyển điểm rẽ nhánh số 7 ra sau khối G3(s) ta được: G3(s) +)
Chuyển bộ tổng 3 ra sau bộ tổng 4 Đặt +)
A = G2(s)nối tiếp G3(s) = G2(s). G3(s) G4(s) H3(s) �(�) �(�) G1(s) G2(s). G3(s) H2(s) H1(s) G3(s) +)
B = Vòng hồi tiếp âm [ G1(s) ; H2(s) ] G1(s) ⇒ B = 1 + G1(s).H2(s) +)
C = Vòng hồi tiếp âm [ A ; H3(s) ] G2(s). G3(s) ⇒ C = 1+ G2(s).G3(s).H3(s) G4(s) �(�) G1(s) G2(s). G3(s) �(�) 1 + G1(s). H2(s) 1 + G2(s). G3(s). H3(s) H1(s) G3(s) +) D = B nối tiếp C = D ∗ C G1(s). G2(s). G3(s)
⇒ D = [1+G1(s).H2(s)].[1 +G2(s).G3(s).H3(s)] H1(s) +)
E = Vòng hồi tiếp âm [ D ; ] G3(s) G1(s). G2(s). G3(s)
⇒ E = [1+G1(s).H2(s)].[1+G2(s).G3(s).H3(s)].[G1(s).G2(s).H1(s)+1] G4(s) �(�) G1(s). G2(s). G3(s) �(�)
[1 + G1(s). H2(s)]. [1 + G2(s). G3(s). H3(s)]. [G1(s). G2(s).H1(s) + 1] +) F = E song song G4(s) G1(s). G2(s). G3(s)
⇒ F = [1+G1(s).H2(s)].[1 + G2(s).G3(s).H3(s)].[G1(s).G2(s).H1(s) + 1] + G4(s) �(�) G1(s). G2(s). G3(s) �(�)
[1 + G1(s). H2(s)]. [1 + G2(s). G3(s). H3(s)]. [G1(s). G2(s). H1(s) + 1] + G4(s) +)
G(s) = Vòng hồi tiếp âm [ F ; hàm đơn vị ] G1(s). G2(s). G3(s)
[1 + G1(s). H2(s)]. [1 + G2(s). G3(s). H3(s)]. [G1(s). G2(s). H1(s) + 1] + G4(s) ⇒ G(s) = 1+ �4(�)+ G1(s). G2(s). G3(s)
[1 + G1(s). H2(s)]. [1 + G2(s). G3(s). H3(s)]. [G1(s). G2(s). H1(s) + 1]
BÀI 4: TÍNH HÀM TRUYỀN TƯƠNG ĐƯƠNG CỦA HỆ THỐNG Câu 1: R(s) C(s) 1 50� s-2 �² �2 + � + 100 R(s) 50�² − 100� C(s) �⁴ + �³ + 100�² R(s) C(s) 50�² − 100�
�4 + �3 + 150�2 − 100�