



















Preview text:
lOMoAR cPSD| 59908026 LỜI MỞ Đ 숃 U
Đứng trước thời đại 4.0 – kỷ nguyên số của toàn nhân loại, những ngành
công nghiệp chế tạo như phần mềm, phần cứng, vật liệu linh kiện bán dẫn đã
đạt được nhiều thành tựu đáng chú ý và góp phần không nhỏ vào sự thay đổi
này. Nhận thấy tầm quan trọng của sự thay đổi có thể quyết định vận mệnh
quốc gia như vậy, những môn liên quan đến phần cứng và phần mềm đã được
tích hợp sâu vào chương trình đào tạo như một phần không thể thiếu của các
trường Cao đẳng, Đại học, đặc biệt là các trường kỹ thuật nhằm đào tạo ra thế
hệ các kỹ sư chất lượng trong tương lai. Qua bộ môn “Kiến trúc máy tính”,
sinh viên sẽ có cái nhìn cụ thể và chi tiết hơn về ngành nghề mình được đào
tạo và qua đó sẽ kích thích sự sáng tạo để cho ra những sản phẩm thiết thực phục vụ đời sống.
Qua bài tập lớn này chúng em có cái nhìn thực tế hơn, sâu sắc hơn về cách
một máy tính đơn giản như máy tính 8-bit hoạt động, qua đó có cái nhìn cụ
thể về cách mà các cổng logic làm việc với nhau.
Với sự hướng dẫn tận tình của thầy Hoàng Anh Dũng, chúng em hy vọng
có thể hoàn thành tốt bài tập lần này.
Chúng em xin chân thành cảm ơn thầy.
CHƯƠNG 1: GIỚI THI 쨃⌀U CHUNG V 쨃 KI 쨃 ĀN
TR 唃 ĀC M䄃ĀY T䤃ĀNH V䄃 H 쨃 ⌀ M䄃ĀY T䤃ĀNH 8-BIT I.
愃 i v 愃 c 愃 愃 i 1. Đề tài
Thiết kế máy tính 8 bit đơn giản, sử dụng cổng logic để thực hiện ph 攃 Āp toán. 2. Các yêu cầu đề ra -
ạt động của máy tính 8 bit
- Tìm hiểu các bộ phận cấ - Hoàn thiện sản phẩm II.
甃 Āc m 愃 Āy t 椃 Ān 1 lOMoAR cPSD| 59908026
Kiến trúc máy tính (Computer Architecture) và Tổ chức máy tính
(Computer Organization) là hai trong số các khái niệm cơ bản của ngành Công
nghệ máy tính (Computer Engineering). Có thể nói kiến trúc máy tính là bức
tranh toàn cảnh về hệ thống máy tính, còn tổ chức máy tính là bức tranh cụ thể
về các thành phần phần cứng của hệ thống máy tính. Kiến trúc máy tính là khoa
học về việc lựa chọn và kết nối các thành phần phần cứng để tạo ra các máy
tính đạt được các yêu cầu về chức năng (functionality), hiệu năng
(performance) và giá thành (cost). Nhờ có sự phát triển rất mạnh mẽ của công
nghệ vi xử lý, các máy tính ngày nay có tính năng phong phú, nhanh hơn và rẻ
hơn so với máy tính các thế hệ trước.
Kiến trúc máy tính còn được xem xét theo khía cạnh mà người lập trình có
thể can thiệp vào mọi mức đặc quyền, bao gồm các thanh ghi, ô nhớ các ngắt
... có thể được thâm nhập thông qua các lệnh. Ngày nay có rất nhiều tiến bộ
trong lĩnh vực Điện tử và nhiều công nghệ tiên tiến đang được phát triển mỗi
ngày, nhưng vi điều khiển 8-bit vẫn có vai trò riêng trong thị trường điện tử kỹ
thuật số thống trị bởi các thiết bị kỹ thuật số 16-bit, 32-bit và 64-bit.
Kiến trúc máy tính bao gồm ít nhất ba phạm trù con chính: -
Kiến trúc tập lệnh (Instruction set architecture), là
hình ảnh trừu tượng của một hệ thống tính toán được nhìn từ góc
độ của một lập trình viên sử dụng ngôn ngữ máy (hay hợp ngữ),
bao gồm tập lệnh, cách đánh địa chỉ bộ nhớ (memory address
modes), các thanh ghi, và các định dạng địa chỉ và dữ liệu. -
Vi kiến trúc (Microarchitecture), còn gọi là Tổ chức
máy tính ( Computer organization) là một mô tả bậc thấp, cụ thể
hơn về hệ thống. Mô tả này nói về các bộ phận cấu thành của hệ
thống được kết nối với nhau như thế nào và chúng hoạt động tương
hỗ như thế nào để thực hiện kiến trúc tập lệnh. Ví dụ, kích thước
bộ đệm cache của một máy tính là một đặc điểm về tổ chức máy
tính mà thường không liên quan đến kiến trúc tập lệnh. -
Thiết kế hệ thống (System Design) bao gồm tất cả các
thành phần phần cứng khác bên trong một hệ thống tính toán chẳng
hạn: Các đường kết nối hệ thống như bus và switch, các bộ điều
khiển bộ nhớ (memory controller) và các cây phả hệ bộ nhớ, các
cơ chế CPU off-load như truy nhập bộ nhớ trực tiếp (direct memory
access), các vấn đề như đa xử lý (multiprocessing). 2 lOMoAR cPSD| 59908026 III.
⌀ m 愃 Āy t 椃 Ānh 8-bit
Trong kiến trúc máy tính, số nguyên 8bit hoặc các đơn vị dữ liệu khác là
những số nguyên có chiều rộng 8-bit (1 octet ). Ngoài ra, kiến trúc CPU và ALU
8-bit là những kiến trúc dựa trên thanh ghi hoặc bus dữ liệu có kích thước đó.
Địa chỉ bộ nhớ (và do đó địa chỉ bus) cho CPU 8-bit thường lớn hơn 8 bit,
thường là 16-bit, trong khi về lý thuyết chúng có thể là 8- bit và trong một số
trường hợp, địa chỉ 8-bit cũng được sử dụng với địa chỉ 16-bit chủ yếu được
sử dụng. '8-bit' cũng là một thế hệ máy vi tính trong đó bộ vi xử lý 8-bit là tiêu
chuẩn. Thuật ngữ '8-bit' cũng được áp dụng cho các bộ ký tự có thể được sử
dụng trên máy tính có byte 8-bit, được biết đến nhiều nhất là các dạng ASCII mở rộ
ỗi ISO / IEC 8859 của các bộ ký tự quốc gia -
đặc biệt là tiếng Latin 1 cho các ngôn ngữ tiếng Anh và Tây Âu.
IBM System / 360 đã giới thiệu bộ nhớ định địa chỉ byte với các byte 8 bit,
trái ngược với bộ nhớ định địa chỉ bằng chữ số hoặc chữ số có địa chỉ bit hoặc
thập phân, mặc dù của nó thanh ghi mục đích chung rộng 32 bit và địa chỉ
được chứa trong 24 bit thấp hơn của các địa chỉ đó. Các mô hình khác nhau
của System / 360 có độ rộng đường dẫn dữ liệu nội bộ khác nhau; IBM System
/ 360 Model 30 (1965) đã triển khai kiến trúc 32-bit System / 360, nhưng có
độ rộng đường dẫn gốc 8 bit và thực hiện số học 32-bit, 8-bit cùng một lúc. Bộ
vi xử lý 8-bit đầu tiên được sử dụng rộng rãi là Intel 8080, được sử dụng trong
nhiều máy tính yêu thích vào cuối những năm 1970 và đầu những năm 1980,
thường chạy CP / Hệ điều hành M; nó có các từ dữ liệu 8 bit và địa chỉ 16 bit.
Zilog Z80 ( tương thích với 8080) và Motorola 6800 cũng được sử dụng trong
các máy tính tương tự. Z80 và MOS Technology 6502 CPU 8bit đã được sử
dụng rộng rãi trong máy tính gia đình và bảng điều khiển trò chơi thế hệ thứ
ba và của những năm 1970 và 1980. Nhiều CPU 8-bit hoặc vi điều khiển là cơ
sở của các hệ thống nhúng phổ biến hiện nay.
Một thanh ghi 8 bit có thể lưu trữ 28 giá trị khác nhau. Phạm vi giá trị số
nguyên có thể được lưu trữ trong 8 bit phụ thuộc vào cách biểu diễn số
nguyên được sử dụng. Với hai cách biểu diễn phổ biến nhất, phạm vi từ 0 đến
255 (28 - 1) để biểu diễn dưới dạng số nhị phân (không dấu) và −128 (−1 ×
27) đến 127 (27 - 1) để biểu diễn dưới dạng phần bù của hai. CPU 8 bit sử dụng
bus dữ liệu 8 bit và do đó có thể truy cập 8 bit dữ liệu trong một lệnh máy duy
nhất. Bus địa chỉ thường rộng một octet k 攃 Āp (16 bit), do các cân nhắc thực
tế và kinh tế. Điều này ngụ ý một không gian địa chỉ trực tiếp là 64 KB (65,536
byte) trên hầu hết các bộ xử lý 8-bit. 3 lOMoAR cPSD| 59908026
IV. Ý NGHĨA KHOA HỌC VÀ THỰC TIỄN CỦA ĐỀ TÀI 1. Ý nghĩa khoa học
- Nắm vững cấu trúc máy tính: Đây là cơ hội để tìm hiểu sâu hơn về cấu
trúc và nguyên lý hoạt động của máy tính, từ các phần tử cơ bản như
bộ xử lý, bộ nhớ, bộ điều khiển đến cách chúng tương tác với nhau.
- Áp dụng kiến thức lý thuyết: Nhóm nghiên cứu có thể thử nghiệm và
áp dụng những kiến thức lý thuyết đã học vào việc thiết kế một hệ
thống máy tính hoàn chỉnh. Điều này giúp củng cố kiến thức và hiểu
sâu hơn về lý thuyết và thực tiễn.
- Nghiên cứu và phát triển: Việc thiết kế máy tính 8 bits có thể dẫn đến
việc nghiên cứu và phát triển các công nghệ mới hoặc cải tiến trong lĩnh vực này. 2. Ý nghĩa thực tiễn
- Học hỏi kỹ năng thiết kế: Việc thiết kế máy tính 8 bits trên phần mềm
Logisim giúp nhóm nghiên cứu phát triển kỹ năng thiết kế mạch điện
tử và logic, kỹ năng quan trọng trong ngành Kỹ thuật Điện tử và Máy tính.
- Ứng dụng vào công việc: Kiến thức và kỹ năng thu được từ đề tài này
có thể được áp dụng trong ngành Công nghệ thông tin, từ việc thiết kế
mạch đến việc hiểu sâu về hoạt động của máy tính.
- Giải quyết vấn đề và sáng tạo: Thông qua việc tìm kiếm cách cải tiến,
tối ưu hóa hoặc mở rộng chức năng của máy tính 8 bits, nhóm nghiên
cứu có cơ hội thể hiện sự sáng tạo và khả năng giải quyết vấn đề.
Điều này không chỉ giúp nhóm nghiên cứu có hiểu biết rộng hơn về khoa
học máy tính mà còn phát triển kỹ năng thiết kế và nghiên cứu, sẵn sàng cho
thị trường lao động yêu cầu kiến thức sâu về CNTT và Kỹ thuật điện tử.
CHƯƠNG II: T 퐃ऀ NG QUAN V 쨃 H 쨃⌀ TH 퐃 ĀNG I. 甃 Āc 4 lOMoAR cPSD| 59908026
ấu trúc ở bên trên, chúng ta có thể thấy những thành phần
chính quan trọng của một máy tính 8-bit sẽ - Clock - ALU - RAM, ROM - CPU - Thanh ghi - Output
II. Danh s愃Āch linh kiêṇ 1. IC555 5 lOMoAR cPSD| 59908026
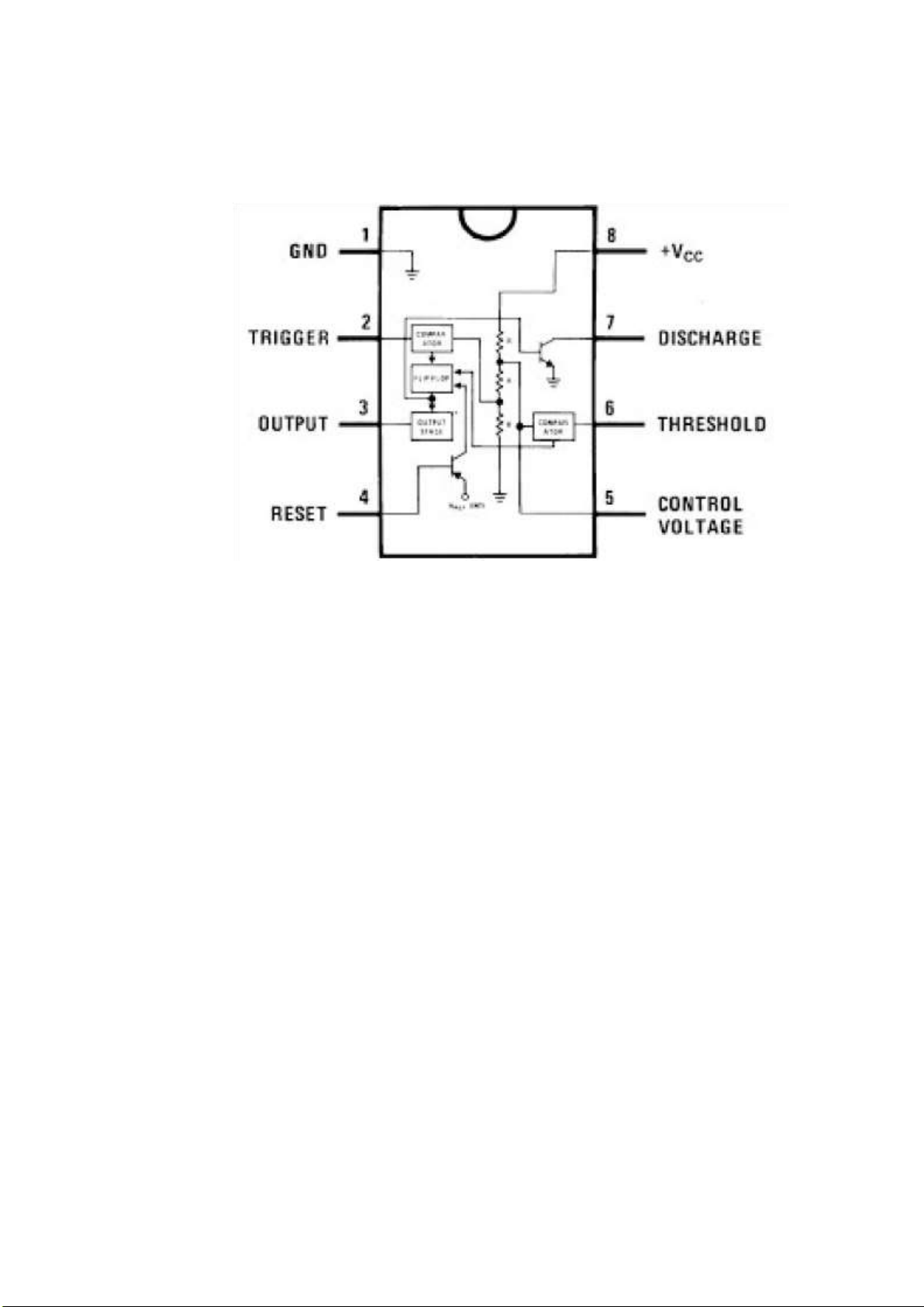
IC 555 là một dạng mạch tích hợp kỹ thuật số có thể được sử dụng như một bộ tạo xung nhịp.
Chân 1: “GND” là chân nối đất: Tất cả các mức điên áp đều được sọ
sánh với áp tại đường dây nối đất.
Chân 2: “Trigger” là chân kích: Chân trigger được dùng cung cấp đầu
vào kích cho IC555 hoạt đông ở chế độ đơn ổn. Chân này chuyển trạng thái tự̀
set sang reset của flip flop.
Chân 3: “Output” là chân xuất tín hiêu ra.̣ Chân
4: “reset” là chân reset vi mạch.
Chân 5: “Control voltage” là chân điên áp điều khiển.̣
Chân 6: “Thresohold” là chân ngưỡng: Nó là ng漃̀ vào không đảo của
bô so sánh 1, được so sánh với ng漃̀ vào đảo với điệ n áp tham chiếu là
2/3Vcc,̣ bô so sánh trên chuyển sang +Vsat và đầu ra được đặ t lại. ̣
Chân 7: “discharge” là chân xả điên.̣
Chân 8: “Vcc” là chân cấp nguồn: nguồn cung cấp trong từ 5V đến 18 V. 2. 74 LS 04 6 lOMoAR cPSD| 59908026
74 LS04 là IC cổng logic NOT 2 đầu vào 4x8bit. Bộ đảo trạng thái logic
là một linh kiện điện tử có chức năng cơ bản là đảo ngược giá trị logic đầu vào ra mức CAO hoặc THẤP. Bảng chân lý Đầu vào A Đầu ra Q 0 1 1 0 3. 74 LS 08
74LS08 là môt vi mạch logic cổ điển được thiết kế để thực hiệ n các ̣
phép toán logic AND với 4 đầu vào. Mỗi đầu vào đều cs thể có giá trị logic là
0 hoăc 1 và đầu ra tương ứng sẽ có giá trị logic 1 nếu cả 4 đậ̀ u vào đều là
logic 1. Ngược lại, nếu bất k礃 đầu vào nào có giá trị logic 0 thì đầu ra sẽ có giá trị logic 0. 7 lOMoAR cPSD| 59908026 Bảng chân lý 愃 o 愃 o A B Q 0 0 0 4. 74 LS 32 0 1 0
74 LS32 là cổng OR đầu vào 1 0 0
kép với gói Quad. Nó chứa bốn cổng 1 1 1
độc lập, mỗi cổng thực hiện chức
năng logic OR. Mỗi cổng có hai đầu vào, đó là lý do tại sao nó được đặt tên là
cổng OR đầu vào kép Quad. Bảng chân lý Đầu vào A Đầu vào B Đầu ra Q 0 0 1 0 1 0 1 0 0 1 1 0 5. 74 LS 245
74 LS245 là IC thu phát bus bát phân được thiết kế để liên lạc hai chiều
không đồng bộ giữa các bus dữ liệu Việc triển khai chức năng điều khiển giảm
thiểu các yêu cầu về thời gian bên ngoài.
Thiết bị cho phép truyền dữ liệu từ bus A sang bus B hoặc từ bus B sang
bus A, tùy thuộc vào mức logic ở đầu vào điều khiển hướng (DIR). Đầu vào
kích hoạt đầu ra (OE) có thể vô hiệu hóa thiết bị để các bus được cách ly hiệu quả. 8 lOMoAR cPSD| 59908026
Sơ đồ chân 74LS245 (chân 19 OE Kích hoạt đầu ra thấp đang hoạt
động; Thấp = tất cả các kênh đang hoạt động, Cao = tất cả các kênh bị tắt (trở kháng cao) 6. 74 LS 173
74LS173A là mạch ghi loại D - 4bit tốc độ cao có đầu ra 3 trạng thái để
sử dụng trong các hệ thống được tổ chức bằng bus. Đồng hồ được kích hoạt
hoàn toàn ở cạnh cho phép tải từ đầu vào D hoặc giữ (giữ lại nội dung thanh
ghi) tùy thuộc vào trạng thái của Đường kích hoạt đầu vào (IE1, IE2). D0-D3 Đầu vào dữ liệu IE1-IE2
Kích hoạt đầu vào( hoạt động thấp) 9 lOMoAR cPSD| 59908026 OE1OE2
Kích hoạt đầu ra (hoạt động thấp) CP ạt động ở cạnh cao) MR
Đầu vào đặt lại chính (hoạt động cao) Q0-Q3 Đầu ra 7. 74 LS 86
74 LS86 tuân theo các cổng logic cơ bản AND, OR và NOT. Các
7486 bao gồm một mạch logic sử dụng hai cổng AND, hai cổng NOT và một
cổng OR. Cổng NOT sẽ được sử dụng tại các chân đầu vào và đồng thời đầu
vào sẽ được cấp cho các cổng AND mà không cần đảo ngược. Bảng chân lý Đầu vào A Đầu vào B Đầu ra Q 0 0 0 0 1 1 1 0 1 1 1 0 10 lOMoAR cPSD| 59908026 8. 74 LS 283 11 lOMoAR cPSD| 59908026 9. 74 LS 00
74LS00 là IC dựa trên cổng logic NAND. Nó có 14 chân, tất cả đều
được kết nối với 4 cổng NAND. Do cổng NAND được gọi là cổng đa năng, 74
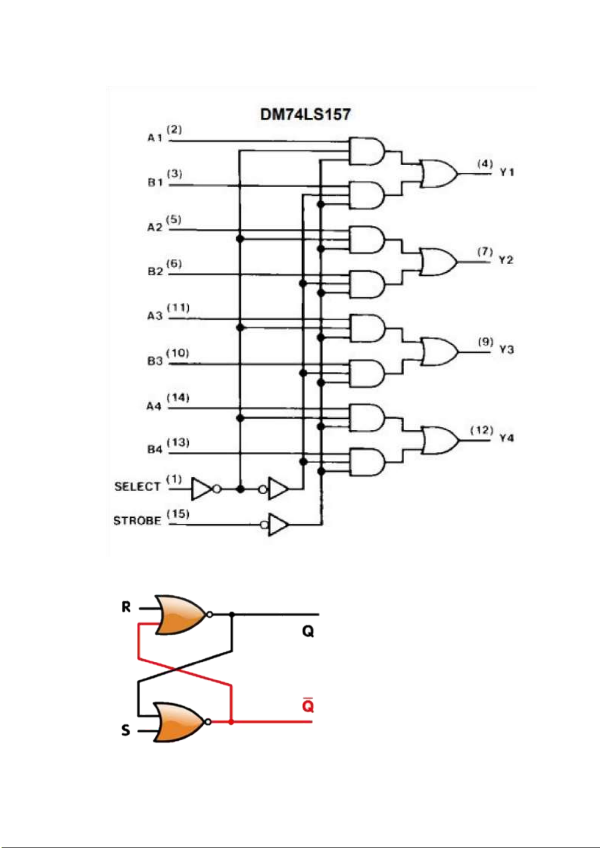
LS00 có thể được chuyển đổi thành cổng OR và NOT một cách dễ dàng. Bảng chân lý Đầu vào A Đầu vào B Đầu ra Q 0 0 1 0 1 1 1 0 1 1 1 0 12 lOMoAR cPSD| 59908026 10.74 LS 157 In puts Output Strobe Select A B H X X X L L L L X L L L H X H L H X L L L H X H H 13 lOMoAR cPSD| 59908026 11. Flip – Flop D 14 lOMoAR cPSD| 59908026
Flip – Flop D là một thành phần rất đơn giản và dễ sử dụng trong xây
dựng mạch đếm. Với chỉ hai đầu vào (D và Clock) và hai đầu ra (Q và Q̅
), Flip – Flop D giúp giải quyết các vấn đề kỹ thuật một cách hiệu quả
và thuận tiện. Sự linh hoạt của nó cho phép tạo ra các mạch đếm và làm
cho việc tương tác với người dùng trở nên dễ dàng hơn bao giờ hết.
Flip – Flop D có hai đầu vào và hai đầu ra. - Đầu vào:
o D: Đây là đầu vào dữ liệu, nơi mà giá trị dữ liệu sẽ được lưu
trữ và kiểm soát bởi flip-flop.
o Clock (CLK): Đây là đầu vào xung đồng hồ. Khi một xung
clock được đưa vào flip-flop, nó sẽ xảy ra quá trình lưu trữ hoặc truyền dữ liệu. - Đầu ra:
o Q: Đây là đầu ra lưu trữ giá trị của đầu vào D sau khi xung
clock được kích hoạt. Giá trị lưu trữ được duy trì cho đến khi có xung clock tiếp theo.
o Q̅ : Đây là đầu ra đảo của Q, nghĩa là nếu giá trị của Q là 0
thì giá trị của Q̅ là 1 và ngược lại
Với hai đầu vào và hai đầu ra, Flip – Flop D rất phổ biến và được sử dụng
rộng rãi trong các mạch logic để lưu trữ và kiểm soát dữ liệu.
Flip – Flop D là một loại flip-flop đơn giản nhưng rất quan trọng. Nó có hai
đầu vào (D và Clock) và hai đầu ra (Q và Q̅ ) . Đầu vào D là đầu vào dữ
liệu và Clock là xung đồng hồ. Điều quan trọng cần nắm về Flip – Flop D
là khi xung clock tác động, giá trị của đầu vào D sẽ được lưu vào đầu ra Q.
Để làm được điều này, Flip – Flop D sử dụng nguyên tắc lưu trữ dữ liệu
vào một cầu nối khóa (latch).
Công thức hoạt động của Flip – Flop D như sau:
- Khi xung clock là 0, đầu ra của Flip – Flop D không thay đổi.
Khi xung clock là 1, đầu vào D sẽ được lưu vào đầu ra Q của Flip -Flop D
Đây là cách Flip – Flop D hoạt động một cách cơ bản. Nó được sử dụng 15 lOMoAR cPSD| 59908026
trong nhiều ứng dụng, như là một thành phần cơ bản để xây dựng các mạch
đếm và các mạch nhớ trong vi mạch và viễn thông.
CHƯƠNG 3: NGUYÊN LÝ HO愃愃T ĐÔNG CỦA M愃ĀY ̣ T䤃ĀNH 8 BIT I. Bus
BUS được sử dụng để kết nối tất cả các mô-đun bộ xử lý cho phép các
thành phần giao tiếp với nhau.
Thông thường có nhiều hơn 1 bus trong bộ xử lý, như BUS dữ liệu, BUS
địa chỉ, BUS điều khiển, v.v. Đối với phiên bản bộ xử lý đầu tiên, tôi chỉ sử
dụng 2 BUS, một cho dữ liệu và một cho điều khiển. II. 1. Linh kiên sử dụng ̣ - IC555 - 74 LS 04 - 74 LS 08 - 74 LS 32 - Led
2. Nguyên lý hoạt đông ̣
Để xây dựng mạch clock ổn định, chúng ta cần công tắc nút ấn. Có thể
nhấn nút này và chúng ta nhân được 1 đầu ra logic thoát D chu 漃n và sau đó ̣
xây dựng mạch ổn định. Ta cần kết hợp 3 tín hiêu thành 1 tín hiệ u đầu ra chọ
mạch clock và xuất tín hiêu dao độ ng. Tín hiệ u tạo bằng nút nhấn của chúng ̣
ta tùy thuôc vào việ c chúng ta chọn đ漃n nối với ic nào sáng.̣
Khối clock của máy tính được sử dụng để đồng bộ hóa mọi hoạt
động. Clock được xây dựng dựa trên IC định thời 555. Clock có thể điều
chỉnh tốc độ (từ dưới 1Hz đến vài trăm Hz). Nó cũng có thể được đặt ở
chế độ thủ công trong đó chúng ta có thể nhấn nút để tăng từng chu k漃
đồng hồ. Đây sẽ là một tính năng thực sự hữu ích cho việc gỡ lỗi máy tính sau này. 16 lOMoAR cPSD| 59908026
Chúng em đã xây dựng 1 bô định thời 555 để phát ra xung đồng ̣
thời dao đông này và chúng em đã xây dựng 1 bộ dịnh thời 555 cung ̣
cấp cho công tắc nút nhấn (4 chân) cân bằng D. Nút bấm và chúng em
nhân được 1 đầu ra logic thoát D ổn định. Điều này mang lại cho chúng ̣
em môt đầu ra ổn định việ c gỡ rối cho công tắc bậ t tắt (6 chân) củạ
chúng em bây giờ. Những gì chúng em cần làm là kết hợp 3 tín hiêụ đầu
ra clock và điều chúng em muốn là xuất tín hiêu dao độ ng (xung ̣ vuông)
hoăc tín hiệ u thủ công (0 hoặ c 1) của chúng em tùy thuộ c vàọ lựa chọn
của em. Khi có đầu vào xung ổn định, chúng em ấn nút thủ công thì sẽ
xuất hiên xung thủ công.̣ 愃⌀ III. Thanh ghi 1. Linh kiên sử dụng ̣ - 74 LS 245 - 74 LS 173 - Led - Trở 220Ω - Tụ 0,1µF
2. Nguyên lý hoạt đông ̣
Thanh ghi là một bộ xử lý có nhiệm vụ lưu trữ thông tin. Trong trường
hợp của chúng tôi, thanh ghi 8 bit sẽ lưu trữ một số 8 bit.
Thanh ghi hoạt động bằng cách sử dụng flip-flop D để lưu trữ một chút.
Mỗi thanh ghi 8 bit sử dụng flip-flop 8 D để lưu trữ một byte (8 bit). 17 lOMoAR cPSD| 59908026
Bộ xử lý này sẽ sử dụng 6 thanh ghi:
- Thanh ghi bộ đếm chương trình (Program Couter)
- Thanh ghi A kết nối với ALU
- Thanh ghi B được kết nối với ALU - Thanh ghi lênh (IR)̣
- Thanh ghi địa chỉ bộ nhớ (MAR)
- Thanh ghi đầu ra (Output Register)
Hầu hết các CPU đều có một số thanh ghi lưu trữ lượng nhỏ dữ liệu mà
CPU đang xử lý. Trong CPU bảng mạch đơn giản của chúng tôi, chúng tôi sẽ
xây dựng ba thanh ghi 8 bit: A, B và IR. Các thanh ghi A và B là các thanh ghi
đa năng. IR (thanh ghi lệnh) hoạt động tương tự, nhưng chúng ta sẽ chỉ sử dụng
nó để lưu trữ lệnh hiện tại đang được thực thi.
Xây dựng thanh ghi 8 đầu vào kết nối với bus có thể lưu trữ 1 giá trị trong
chuỗi số 1 và số 0. Nó được kết nối trong thanh ghi A và nó có thể gửi giá trị
đó ra bus khi đầu vào kích hoạt ở mức thấp do đó, bất k礃 giá trị nào cũng được lưu trữ.
Nếu thấp: bị ngắt kết nối khối nguồn Dòng kích hoạt này lên cao thì bất
k礃 giá trị nào của chuỗi số 1 và số 0 sẽ được lưu trữ trong thanh ghi A và được
xuất ra bus và các thanh ghi còn lại cũng sẽ thấy cùng 1 chuỗi số 1 và số 0. Và
các thanh ghi còn lại có thể chọn lưu giá trị đó vào bô nhớ lưu trữ riêng ̣ của mình.
Khi đầu vào tăng cao tại thời điểm mức thấp lên mức cao thì bất k礃 giá
trị nào trên bus sẽ lưu trữ trong C và sau đó tải có thể xuống mức thấp thì cũng
không làm thay đổi đến bus. Vì những giá trị đó đã được lưu trữ trong thanh
ghi C cho đến khi về cơ bản chúng em đã chuyển giá trị từ A -> C để có thể
nhân 1 giá trị khác. Bus C sẽ ghi nhớ giá trị đó. Sau đó nó có ̣ thể được kích
hoạt để hợp lại giá trị vào bus. Thanh ghi lênḥ 18 lOMoAR cPSD| 59908026 Thanh ghi A và B 19 lOMoAR cPSD| 59908026
IV. Arithmetic logic unit (ALU) 1. Linh kiên sử dụng ̣ - 74 LS 86 - 74 LS 245 - 74 LS 283 20