Report tài liệu
Chia sẻ tài liệu
Đề cương môn Cấu tạo kiến trúc - trường đại học Kiến trúc.
Nêu các bộ phận chính của công trình Tổng quan cấu tạo. Đề cương môn Cấu tạo kiến trúc - trường đại học Kiến trúc. Tài liệu được sưu tầm gồm 9 trang giúp bạn tham khảo, ôn tập và đạt kết quả cao
Môn: Cấu tạo kiến trúc 16 tài liệu
Trường: Trường Đại học Kiến trúc Hà Nội 335 tài liệu
Tác giả:










Tài liệu khác của Trường Đại học Kiến trúc Hà Nội
Preview text:
Nêu các bộ phận chính của công trình
ng quan cấu tạo ngôi nhà và các bộ phận chính ần đế
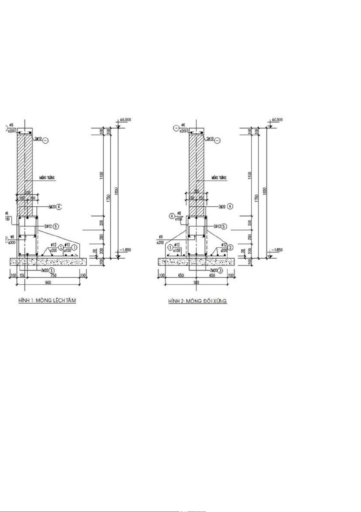
Móng và các bộ phận liên quan
ng chia làm 4 loại: móng cọc, móng bè, móng đơn và móng băng ng băng ng bè ng đơn ng cọc ần thân
ờng, khung (dầm, cột), sàn, cửa đi, cửa sổ, cầu thang ung
m cột và tường chịu lực u thang i nhà
Tài liệu liên quan:
-
Đề cương môn Cấu tạo kiến trúc - trường đại học Kiến trúc.
19 10 -
Đề cương môn Cấu tạo kiến trúc - trường đại học Kiến trúc.
19 10 -
Đề cương môn Cấu tạo kiến trúc - trường đại học Kiến trúc
22 11 -
Tiểu luận Khảo Sát Mức Độ Hài Lòng Về Căn Hộ Tòa CT4 - Nhóm 6 môn Cấu tạo kiến trúc - trường đại học Kiến trúc.
34 17