



















Preview text:
lOMoAR cPSD| 45740153 BỘ CÔNG THƯƠNG
TRƯỜNG ĐẠI HỌC KINH TẾ KỸ THUẬT CÔNG NGHIỆP KHOA: ĐIỆN ------
ĐỀ CƯƠNG ÔN TẬP
HỆ THỐNG ĐIỀU KHIỂN ĐIỆN - KHÍ NÉN VÀ THỦY LỰC
(DÙNG CHO HỆ ĐẠI HỌC) lOMoAR cPSD| 45740153
Câu 1: Cho sơ đồ mạch điều khiển khí nén như hình vẽ: Yêu cầu:
1. Vẽ biểu đồ trạng thái xy lanh A?
Biểu đồ trạng gồm trục tung biểu diễn tín hiệu vào van 3/2 V1 có nút nhấn
tự phục hồi tác động làm XL A đi ra, van 3/2 V3 có nút nhấn tự phục hồi tác động XL A đi về
Trục hoành biểu điễn các trạng thái đầu vào 1 đến 2 XL A đi ra, 2 đến 3 XL
A đi vào, để làm việc tuần tự 3=1 2. Trình bày nguyên lý làm việc của mạch?
Tác động nút nhấn tự phục hồi van 3/2-V1 nguồn khí từ cửa 1 nối cửa 2
van 3/2-V1 cấp đến cửa tác động bên trái van 4/2-V5, đẩy lòng van sang
phải khi đó nguồn khí cửa 1 nối cửa 4 van 4/2-V5 qua van tiết lưu F1 đưa
lên điều khiển xy lanh A đi ra. Đồng thời nguồn khí còn trong XL qua van
F2 qua cửa 2 nối cửa xả 3 ra ngoài
- Tác động nút nhấn tự phục hồi van 3/2-V3 nguồn khí từ cửa 1 nối cửa 2 lOMoAR cPSD| 45740153
van 3/2-V3 cấp đến cửa tác động bên phải van 4/2-V5, đẩy lòng van sang
trái khi đó nguồn khí cửa 1 nối cửa 2 van 4/2-V5 qua van tiết lưu F2 đưa
lên điều khiển xy lanh A đi vào. Đồng thời nguồn khí còn trong XL qua
van F1 qua cửa 4 nối cửa xả 3 ra ngoài
Câu 2: Cho sơ đồ mạch điều khiển khí nén như hình vẽ: Yêu cầu:
1. Trình bày chức năng, công dụng của các thiết bị trên sơ đồ?
Van 3/2 – V1 cấp nguồn khí chờ lên rơ le Rth
Van 3/2 – V3 cấp nguồn khí lên cửa tác động bên phải van 4/2-V5
Van 4/2-V5 van chính phân phối khí điều khiển XL
F1 điều chỉnh XL A đi ra nhanh hay chậm (lưu lượng)
F2 điều chỉnh XL A đi về nhanh hay chậm
Rth tạo thời gian trễ cấp khí lên cửa tác động bên trái của V5 XL A
2. Trình bày nguyên lý làm việc của mạch? -
Nhấn van 3/2-V1 nguồn khí cửa 1 nối cửa 2 van 3/2-V1 cấp lên rơ
le thời gian (đóng chậm) Rth, ban đầu cửa 10 được cấp khí sau một khoảng
thời thời gian Rth cấp nguồn khí lên cửa tác động bên trái van 4/2-V5 đẩy
lòng van từ trái sang phải khí đó nguồn khí từ cửa 1 nối cửa 4 van 4/2-V5
qua van tiết lưu F1 cấp đến điều khiển xy lanh A đi ra. Nguồn khí còn trong
XL qua van F2 qua cửa 2 nối cửa xả 3 ra ngoài lOMoAR cPSD| 45740153 -
Nhấn van 3/2-V3 nguồn khí từ cửa 1 nối cửa 2 van 3/2-V3 cấp đến
cửa tác động bên phải van 4/2-V5, đẩy lòng van sang trái khi đó nguồn khí
cửa 1 nối cửa 2 van 4/2-V5 qua van tiết lưu F2 đưa lên điều khiển xy lanh
A đi vào. Đồng thời nguồn khí còn trong XL qua van F1 qua cửa 4 nối cửa xả 3 ra ngoài
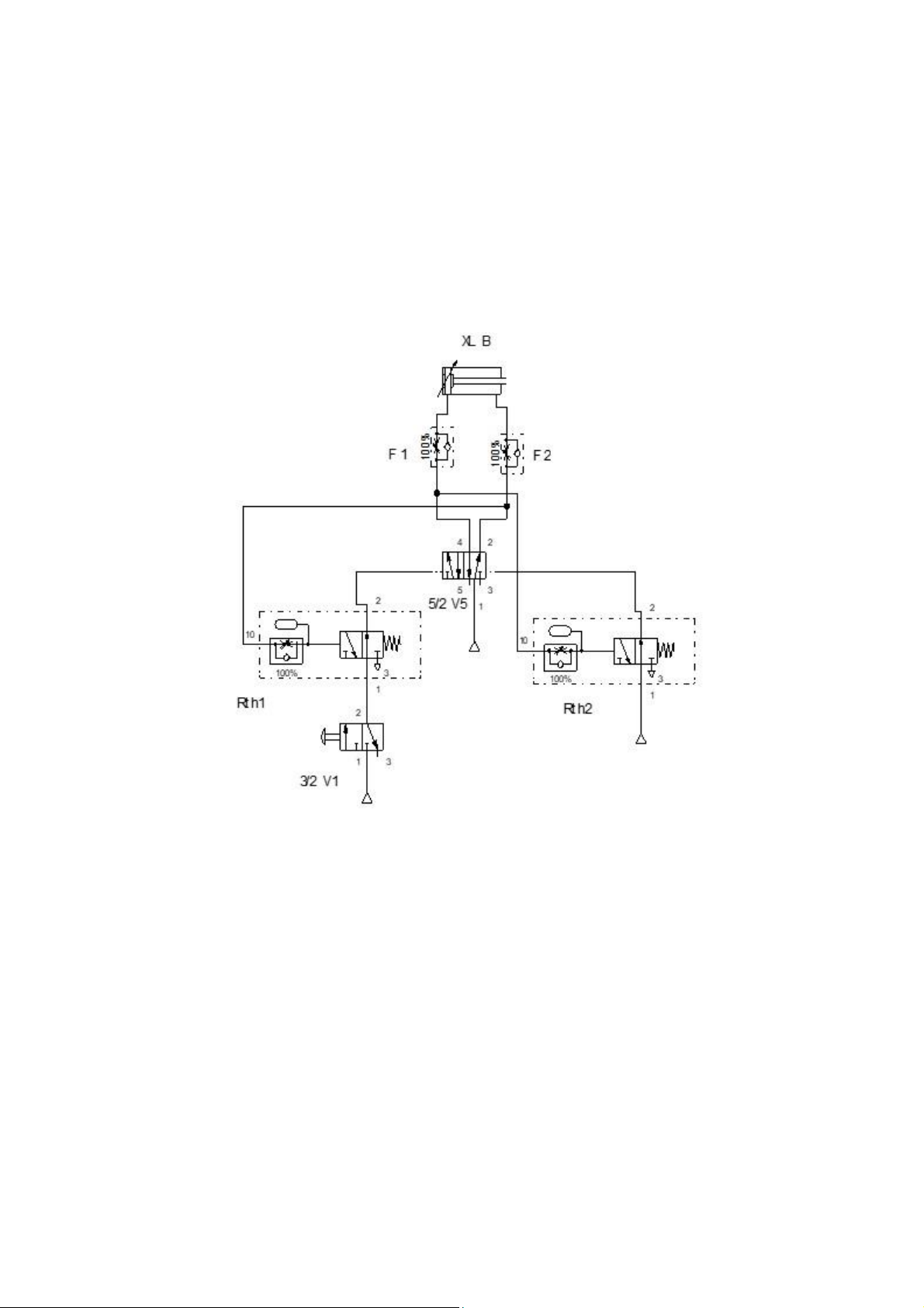
Câu 3: Cho sơ đồ mạch điều khiển khí nén như hình vẽ: Yêu cầu:
1. Trình bày chức năng, công dụng của Rth1 và Rth2 trên sơ đồ?
Rth1 tạo thời gian trễ cấp khí lên cửa tác động bên trái của V5
Rth2 tạo thời gian trễ cấp khí lên cửa tác động bên trái của V5
2. Trình bày nguyên lý làm việc của mạch?
Nhấn van 3/2-V1 nguồn khí cửa 1 nối cửa 2 van 3/2-V1 cấp lên rơ le
thời gian (đóng chậm) Rth1, ban đầu cửa 10 Rth1 được cấp khí sau
một khoảng thời thời gian t1 Rth1 cấp nguồn khí lên cửa tác động bên
trái van 5/2-V5 đẩy lòng van từ trái sang phải khí đó nguồn khí từ cửa
1 nối cửa 4 van 5/2-V5 qua van tiết lưu F1 cấp đến điều khiển xy lanh lOMoAR cPSD| 45740153
A đi ra. Nguồn khí còn trong XL qua van F2 qua cửa 2 nối cửa xả 3 ra ngoài
Đồng thời nguồn khí tác động lên cửa 10 của rơ le Rth2
Sau một khoảng thời thời gian t2 Rth2 cấp nguồn khí lên cửa tác động
bên phải van 5/2-V5 đẩy lòng van sang trái khí đó nguồn khí từ cửa 1
nối cửa 2 van 5/2-V5 qua van tiết lưu F2 cấp đến điều khiển xy lanh A
đi về. Nguồn khí còn trong XL qua van F1 qua cửa 4 nối cửa xả 5 ra ngoài
Câu 4: Cho sơ đồ mạch điều khiển khí nén như hình vẽ: Yêu cầu:
1. Thuyết minh nguyên lý mạch?
Nhấn van 3/2-V1 nguồn khí cửa 1 nối cửa 2 van 3/2-V1 cấp lên van hành
trình A1, vì đầu xy lanh B tác động lên van hành trình A1 do đó nguồn khí
cửa 1 nối cửa 2 van hành trình A1 đưa lên cửa tác động bên trái van 5/2-
V5 đẩy lòng van từ trái sang phải khí đó nguồn khí từ cửa 1 nối cửa 4 van
5/2-V5 qua van tiết lưu F1 cấp đến điều khiển xy lanh B đi ra. Nguồn khí
còn trong XL qua van F2 qua cửa 2 nối cửa xả 3 ra ngoài
Nhấn van 3/2-V3 nguồn khí từ cửa 1 nối cửa 2 van 3/2-V3 cấp đến cửa tác
động bên phải van 5/2-V5, đẩy lòng van sang trái khi đó nguồn khí cửa 1
nối cửa 2 van 5/2-V5 qua van tiết lưu F2 đưa lên điều khiển xy lanh B đi
vào. Nguồn khí còn trong XL qua van F1 qua cửa 4 nối cửa xả 5 ra ngoài lOMoAR cPSD| 45740153
2. Vẽ biểu đồ trạng thái xy lanh B?
Biểu đồ trạng gồm trục tung biểu diễn tín hiệu vào van 3/2 V1 có nút nhấn
tự phục hồi và van HT A1 tác động làm XL B đi ra, van 3/2 V3 có nút nhấn
tự phục hồi tác động XL B đi về
Trục hoành biểu điễn các trạng thái đầu vào 1 đến 2 XL B đi ra, 2 đến 3
XL B đi vào, để làm việc tuần tự 3=1
Câu 5: Cho sơ đồ mạch điều khiển khí nén như hình vẽ: Yêu cầu:
1. Nhiệm vụ van hành trình A1, A2 trong sơ đồ?
Van hành trình A1: cấp nguồn khí lên cửa tác động bên trái van V5
Van hành trình A2: cấp nguồn khí lên cửa tác động bên phải van V5 lOMoAR cPSD| 45740153
2. Thuyết minh nguyên lý làm việc của mạch?
Nhấn van 3/2-V1 nguồn khí cửa 1 nối cửa 2 van 3/2-V1 cấp lên van
hành trình A1, vì đầu xy lanh C tác động lên van hành trình A1 do đó
nguồn khí cửa 1 nối cửa 2 van hành trình A1 đưa lên cửa tác động bên
trái van 5/2-V5 đẩy lòng van từ trái sang phải khí đó nguồn khí từ cửa
1 nối cửa 4 van 5/2-V5 qua van tiết lưu F1 cấp đến điều khiển xy lanh
C đi ra. XL C đi ra tác động lên van hành trình A2 cứa nguồn 1 nối cửa
2 chờ khí lên (Nguồn khí còn trong XL qua van F2 qua cửa 2 nối cửa xả 3 ra ngoài)
Nhấn van 3/2-V3 nguồn khí cửa 1 nối cửa 2 van 3/2-V3 cấp lên cửa tác
động bên phải van 5/2-V5 đẩy lòng van sang trái khí đó nguồn khí từ
cửa 1 nối cửa 2 van 5/2-V5 qua van tiết lưu F2 cấp đến điều khiển xy
lanh C đi về. (Nguồn khí còn trong XL qua van F1 qua cửa 4 nối cửa xả 5 ra ngoài)
Câu 6: Cho sơ đồ mạch điều khiển khí nén như hình vẽ: Yêu cầu:
1. Chức năng, nhiệm vụ van V5 trong sơ đồ?
Van 5/2-V5 phân phối khí điều khiển XL
2. Vẽ biểu đồ trạng thái xy lanh CV2? lOMoAR cPSD| 45740153
Câu 7: Cho sơ đồ mạch điều khiển khí nén như hình vẽ: Yêu cầu:
1. Trình bày chức năng, công dụng của van V6, LV2, V1, F2 trên sơ đồ?
Van 3/2 – V6 cấp nguồn khí chờ lên van hành trình LV1
Van hành trình LV1: cấp nguồn khí tác động bên trái van V1
Van hành trình LV2: cấp nguồn khí tác động bên phải van V1
Van 5/2-V1: phân phối khí điều khiển XL
2. Thuyết minh nguyên lý làm việc của mạch?
Nhấn van 3/2-V6 nguồn khí cửa 1 nối cửa 2 van 3/2-V6 cấp lên van
hành trình LV1, vì đầu xy lanh CY3 tác động lên van hành trình LV1
do đó nguồn khí cửa 1 nối cửa 2 van hành trình LV1 đưa lên cửa tác
động bên trái van 5/2-V1 đẩy lòng van từ trái sang phải khí đó nguồn lOMoAR cPSD| 45740153
khí từ cửa 1 nối cửa 4 van 5/2-V5 qua van tiết lưu F1 cấp đến điều
khiển xy lanh CY3 đi ra. (Nguồn khí còn trong XL qua van F2 qua cửa
2 nối cửa xả 3 ra ngoài.)
XL CY3 đi ra tác động lên van hành trình LV2 nguồn khí cửa 1 nối cửa
2 van hành trình LV2 tác động lên cửa bên phải van V1 đấy nòng van
sang trái khí đó nguồn khí cửa 1 nối cửa 2 van V1 qua van tiết lưu F2 đấy XL CY3 đi về.
(Nguồn khí còn trong XL qua van F1 qua cửa 4 nối cửa xả 5 ra ngoài)
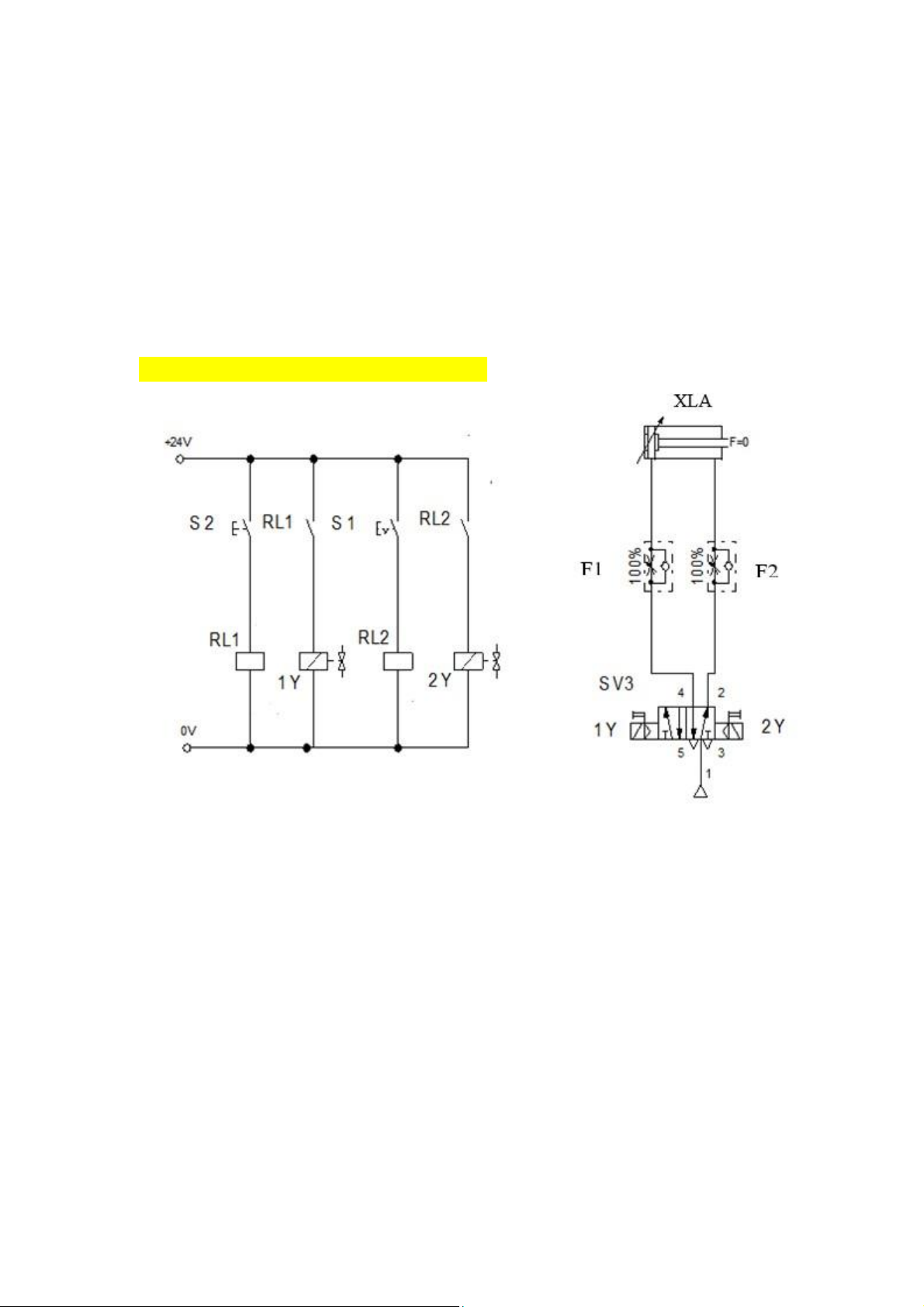
Câu 8: Cho sơ đồ mạch điều khiển điện - khí nén sau: Yêu cầu:
1. Trình bày chức năng, nhiệm vụ của rơ le trung gian RL1, RL2 trên sơ đồ?
RL1: (là cuộn hút của rơ le trung gian) làm nhiệm vụ cấp nguồn cho cuộn
hút điện từ 1Y điều khiên XLA đi ra
RL2: (là cuộn hút của rơ le trung gian) làm nhiệm vụ cấp nguồn cho cuộn
hút điện từ 2Y điều khiển XLA đi về
2. Thuyết minh nguyên lý làm việc của mạch?
Nhấn S2 cuộn hút của RL1 có điện tiếp điểm RL1 đóng lại cấp nguồn cho
cuộn hút điện từ 1Y. 1Y được tác động đẩy nòng van SV3 sang phải khi đó
nguồn khí cửa 1 nối cửa 4 qua van tiết lưu F1 đẩy XLA đi ra.( Nguồn khí
còn trong XL qua van F2 qua cửa 2 nối cửa xả 3 ra ngoài.) Nhấn S1 cuộn lOMoAR cPSD| 45740153
hút của RL2 có điện tiếp điểm RL2 đóng lại cấp nguồn cho cuộn hút điện
từ 2Y. 2Y được tác động đẩy nòng van SV3 sang trái khi đó nguồn khí cửa
1 nối cửa 2 qua van tiết lưu F2 đẩy XLA đi về.(
Nguồn khí còn trong XL qua van F1 qua cửa 4 nối cửa xả 5 ra ngoài.)
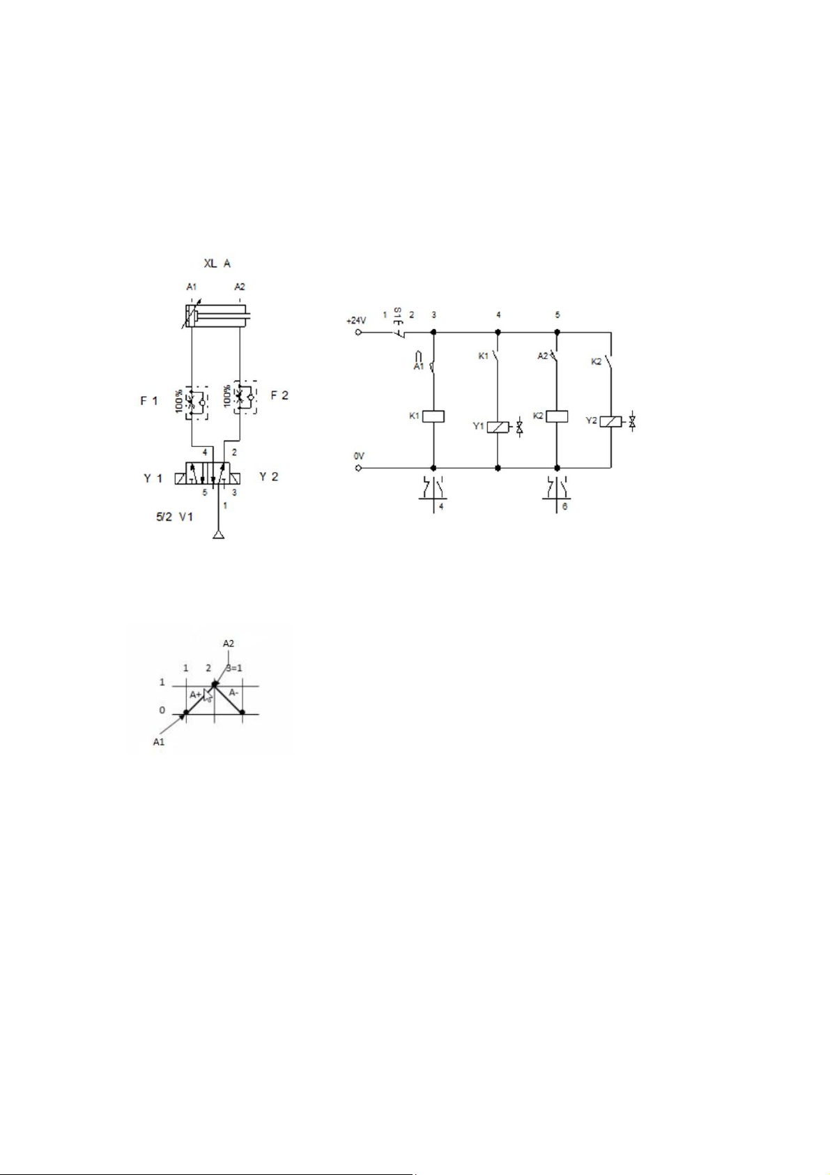
Câu 9: Cho sơ đồ mạch điều khiển điện – khí nén: Yêu cầu:
1. Xây dựng biểu đồ trạng thái xy lanh A?
2. Thuyết minh nguyên lý làm việc mạch? Cấp nguồn cho mạch
XLA tỳ lên CTHT A1 tiếp điểm A1 đóng lại cuộn hút của K1 có điện
tiếp điểm K1 đóng lại cấp nguồn cho cuộn hút điện từ Y1. Y1 được tác
động đẩy nòng van V1 sang phải khi đó nguồn khí cửa 1 nối cửa 4 qua
van tiết lưu F1 đẩy XLA đi ra.( Nguồn khí còn trong XL qua van F2
qua cửa 2 nối cửa xả 3 ra ngoài.)
XLA đi ra tác động lên CTHT A2 tiếp điểm A2 đóng lại cấp nguồn cho
cuộn hút của K2 tiếp điểm K2 đóng lại cấp nguồn cho cuộn hút điện từ
Y2. Y2 được tác động đẩy nòng van V1 sang trái khi đó nguồn khí cửa lOMoAR cPSD| 45740153
1 nối cửa 2 qua van tiết lưu F2 đẩy XLA đi về.( Nguồn khí còn trong
XL qua van F1 qua cửa 4 nối cửa xả 5 ra ngoài.)
Câu 10: Cho sơ đồ mạch điều khiển điện – khí nén: Yêu cầu:
1. Vẽ sơ đồ công nghệ điều khiển 2 xy lanh A và B? lOMoAR cPSD| 45740153
2. Thuyết minh nguyên lý làm việc của mạch?
Nhấn S1 cuộn hút của K1 có điện tiếp điểm K1 đóng lại, XLB tỳ lên
CTHT B0 tiếp điểm B0 đóng lại cấp nguồn cho cuộn hút điện từ Y1.
Y1 được tác động đẩy nòng van V1 sang phải khi đó nguồn khí cửa 1
nối cửa 4 qua van tiết lưu F1 đẩy XLA đi ra.( Nguồn khí còn trong XL
qua van F2 qua cửa 2 nối cửa xả 3 ra ngoài.)
XL A đi ra tác động lên CTHT A1 tiếp điểm A1 đóng lại cấp nguồn cho
cuộn hút điện từ Y3. Y3 được tác động đẩy nòng van V3 sang phải khi
đó nguồn khí cửa 1 nối cửa 4 qua van tiết lưu F1 đẩy XLB đi ra.
XL B đi ra tác động lên CTHT B1 tiếp điểm B1 đóng lại cấp nguồn cho
cuộn hút điện từ Y2. Y2 được tác động đẩy nòng van V1 sang trái khi
đó nguồn khí cửa 1 nối cửa 2 qua van tiết lưu F2 đẩy XLA đi về.
XL A đi về tác động lên CTHT A0 tiếp điểm A0 đóng lại cấp nguồn
cho cuộn hút điện từ Y4. Y4 được tác động đẩy nòng van V1 sang trái
khi đó nguồn khí cửa 1 nối cửa 2 qua van tiết lưu F2 đẩy XLA đi về.
Câu 11. Cho sơ đồ mạch điều khiển điện – khí nén như hình vẽ: lOMoAR cPSD| 45740153 Yêu cầu:
1. Chức năng, nhiệm vụ van FS trong sơ đồ?
Van FS cấp nguồn khí chờ lên SV3
Cuộn hút điện từ FS có nhiệm vụ tác động cấp nguồn khí chờ lên van SV3
2. Thuyết minh nguyên lý làm việc của mạch?
Nhấn S1 cuộn hút của RL1 có điện, tiếp điểm RL1(2) đóng lại duy trì,
RL1(3) đóng lại cấp điện cho cuộn hút điện từ FS, FS được tác động đẩy
nòng van SV1 sang phải khi đó nguồn khí cửa 1 nối cửa 2 cấp lên van SV3.
XL tỳ lên CTHT MS5 tiếp điểm MS5 đóng lại cấp nguồn cho cuộn hút điện
từ 1Y. 1Y được tác động đẩy nòng van SV3 sang phải khi đó nguồn khí cửa
1 nối cửa 4 qua van tiết lưu F1 đẩy XL đi ra.
XL đi ra tác động lên CTHT MS6 tiếp điểm MS6 đóng lại cấp nguồn cho
cuộn hút điện từ 2Y. 2Y được tác động đẩy nòng van SV3 sang trái khi đó
nguồn khí cửa 1 nối cửa 2 qua van tiết lưu F2 đẩy XL đi về.
Câu 12. Cho sơ đồ chức năng mạch điều khiển xy lanh A như hình vẽ: lOMoAR cPSD| 45740153
Trình bày cách vẽ sơ đồ mạch điều khiển điện – khí nén xy lanh A theo sơ đồ chức năng trên?
Dùng 2 nút nhấn ON1, ON2 nối tiếp nhau cùng ấn cấp điện cho cuộn hút
rơ le trung gian K1, tiếp điểm K1 đóng lại duy trì, nối tiếp với tiếp điểm
thưởng đóng cuộn hút K2 cấp điện cho Y1 điều khiển XL A đi ra.
Nhấn OFF kết hợp với tiếp điểm thưởng mở K1 cấp điện cho cuộn K2,
tiếp điểm thưởng đóng K2 mở ra ngắt điện cuộn K1, tiếp điểm K2 đóng
lại cấp điện cho cuộn hút điện từ Y2 điều khiển XL A đi về.
Câu 13. Cho sơ đồ công nghệ điều khiển hai xy lanh A và B như hình vẽ: lOMoAR cPSD| 45740153 3 4 1 2 5=1 a1 + A - A XL A ao + B b - B 1 XL B bo
Trong đó: + a0, a1, b0, b1: là các công tắc hành trình điều khiển xy lanh A và xy lanh B.
+ m: nút nhấn khởi động
+ g: thiết lập trạng thái ban đầu Yêu cầu:
1. Thuyết minh nguyên lý công nghệ?
m, A0, B0 điều khiển XLA đi ra
Tác động lên CTHT A1 điều khiển XLA đi về Tác
động lên CTHT A0 điều khiển XL B đi ra
Tác động lên CTHT B1 điều khiển XL B đi về
2. Lập Grafcet 1 cho công nghệ trên theo phương pháp Grafcet?
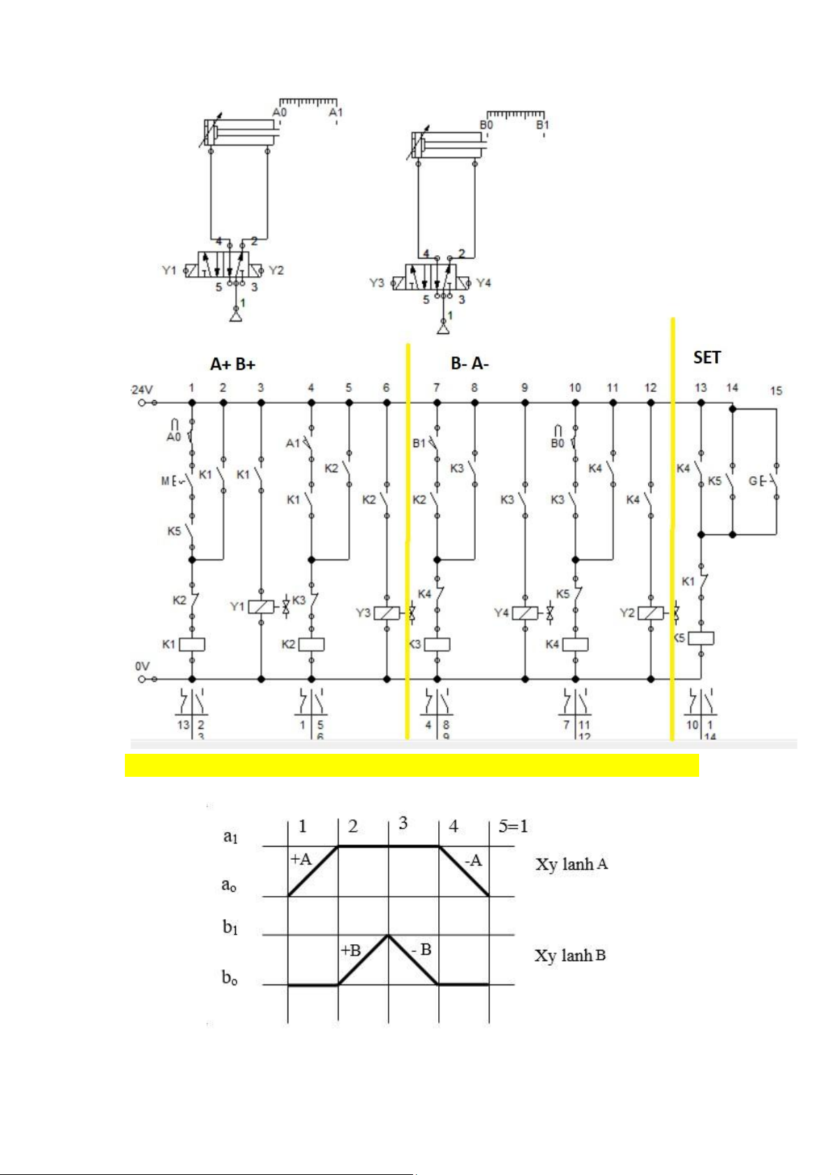
Câu 14: Cho sơ đồ mạch điều khiển điện – khí nén theo phương pháp nhịp 2 xy lanh A, B: lOMoAR cPSD| 45740153 Yêu cầu:
Thuyết minh nguyên lý làm việc của mạch điều khiển điện – khí nén cho xy lanh A, B?
Nhấn SET cuộn K5 có điện, tiếp điểm K5 đóng lại tự duy trì Nhấn S5
cuộn hút K1 có điện ,Tiếp điểm K1 thường đóng mở ra ngắt điện cuộn
hút K5 ,tiếp điểm thường mở K1 đóng lại tự duy trì và cấp điện cho
nam châm điện Y1, Y1 được tác động khí cửa 1 nối cửa 4 của van 5/2 đẩy XL A đi ra.
XL A đi ra tác động lên CTHT S2, tiếp điểm S2 đóng lại cấp điện cho
cuộn hút K2, tiếp điểm thường mở K2 đóng lại tự duy trì, tiếp điểm
thường đóng K2 mở ra ngắt điện cuộn hút của K1. Nam châm điện Y3 có
điện, Y3 được tác động khí cửa 1 nối cửa 4 đẩy XL B đi ra.
XL B đi ra tác động lên CTHT S4, tiếp điểm S4 đóng lại cấp điện cho
cuộn hút K3, tiếp điểm thường mở K3 đóng lại tự duy trì, tiếp điểm
thường đóng K3 mở ra ngắt điện cuộn hút K2. Nam châm điện Y4 có điện,
Y4 được tác động khí cửa 1 nối cửa 2 đẩy XL B đi về.
XL B đi về tác động lên CTHT S3, tiếp điểm S3 đóng lại cấp điện cho
cuộn hút K4, tiếp điểm thường mở K4 đóng lại tự duy trì, tiếp điểm
thường đóng K4 mở ra ngắt điện cuộn hút K3. Nam châm điện Y2 có điện,
Y2 được tác động khí cửa 1 nối cửa 2 đẩy XL A đi về.
Cuộn hút K5 có điện, tiếp điểm K5 thưởng mở đóng lại tự duy trì và cấp
điện cho cuộn K1, tiếp điểm thường đóng mở ra ngắt điện cuộn hút K4. lOMoAR cPSD| 45740153
Câu 15. Cho sơ đồ công nghệ điều khiển hai xy lanh A và B như hình vẽ:
Trong đó: + a0, a1, b0, b1: là các công tắc hành trình điều khiển xy lanh A và xy lanh B.
+ m: nút nhấn khởi động
+ g: thiết lập trạng thái ban đầu Yêu cầu:
1. Thuyết minh nguyên lý công nghệ?
m, A0, B0 điều khiển XLA đi ra
Tác động lên CTHT A1 điều khiển XLB đi ra
Tác động lên CTHT B1 điều khiển XL B đi về
Tác động lên CTHT B0 điều khiển XL A đi về
2. Lập Grafcet 2 cho công nghệ trên theo phương pháp Grafcet? lOMoAR cPSD| 45740153
Câu 16. Cho sơ đồ công nghệ điều khiển hai xy lanh A và B như hình vẽ:
Trong đó: + a0, a1, b0, b1: là các công tắc hành trình điều khiển xy lanh A và xy lanh B.
+ m: nút nhấn khởi động
+ g: thiết lập trạng thái ban đầu Yêu cầu:
1. Thuyết minh nguyên lý công nghệ?
G,m,CTHT A0 điều khiển XLA đi ra
Tác động lên CTHT A1 điều khiển XLB đi ra
Tác động lên CTHT B1 điều khiển XL B đi về
Tác động lên CTHT B0 điều khiển XL A đi về
2. Xây dựng mạch điều khiển điện – khí nén cho hành trình xy lanh A đi
ra(A+) và xy lanh B đi ra (B+) theo công nghệ trên bằng phương pháp nhịp? lOMoAR cPSD| 45740153
Câu 17. Cho sơ đồ công nghệ điều khiển hai xy lanh A và B như hình vẽ: lOMoAR cPSD| 45740153
Trong đó: + a0, a1, b0, b1: là các công tắc hành trình điều khiển xy lanh A và xy lanh B.
+ m: nút nhấn khởi động Yêu cầu:
1. Thuyết minh nguyên lý công nghệ?
CTHT A0 điều khiển XLA đi ra
Tác động lên CTHT A1 điều khiển XLB đi ra
Tác động lên CTHT B1 điều khiển XL B đi về
Tác động lên CTHT B0 điều khiển XL A đi về
2. Xây dựng mạch điều khiển điện – khí nén cho hành trình xy lanh A
đi vào(A-) và xy lanh B vào (B-) theo công nghệ trên bằng phương pháp nhịp?