



















Preview text:
lOMoARcPSD|35920090
HỆ THỐNG CUNG CẤP Mazda 2 CDIO 5 Nhóm 1
nghiệp vụ hướng dẫn du lịch (Trường Đại Học Duy Tân) Scan to open on Studeersnel
Studocu is not sponsored or endorsed by any college or university
Downloaded by Tùng Lê (vantung.le7624@gmail.com) lOMoARcPSD|35920090
TRƯỜNG ĐẠI HỌC DUY TÂN KHOA CƠ KHÍ
--------------------------- ĐỒ ÁN CDIO 5
HỆ THỐNG CUNG CẤP ĐIỆN TRÊN XE Ô TÔ MAZDA 2 2019
GVHD: Lê Ngọc Định
SVTH: Nguyễn Đình Phước
Nguyễn Thanh Sơn ư
Đà Nẵng, tháng năm 2025
Downloaded by Tùng Lê (vantung.le7624@gmail.com) lOMoARcPSD|35920090 LỜI NÓI ĐẦU
Xã hội ngày càng tiến bộ, chủ trương công nghiệp hóa – hiện đại hóa đất nước
của nhà nước ta đang được xúc tiến mạnh mẽ. Để phục vụ vận chuyển cho nền công
nghiệp hiện đại, cũng như nhu cầu đi lại ngày càng lớn của người dân, việc phát triển
công nghiệp ôtô là hết sức cần thiết. Bên cạnh đó, đời sống của người dân ngày càng
được nâng cao, nhu cầu đi lại, vận chuyển không chỉ dừng lại ở việc “đi tới nơi, về tới
chốn” mà còn đòi hỏi tính tiện nghi, êm dịu. Do đó, nền công nghiệp ô tô hiện đại cần
phải đảm bảo được sự an toàn khi vận hành, tính thoải mái, êm dịu cho người sử dụng
và điều khiển nhẹ nhàng cho người lái.
Ô tô là phương tiện chuyên chở hàng hóa đặc biệt quan trọng ở Việt Nam cũng
như trên thế giới. Thiết nghĩ, việc nghiên cứu, chế tạo ôtô là điều cần làm ở nước ta.
Là sinh viên ngành cơ khí động lực, sau khi học các học phần Trang bị điện và
điện tử động cơ, trang bị điện và điện tử thân xe, … thì việc tìm hiểu, nghiên cứu, tính
toán và thiết kế hệ thống điện trong xe là rất thiết thực và bổ ích. Để giúp sinh viên rèn
luyện được kỹ năng tìm hiểu thông tin, củng cố, ứng dụng lý thuyết vào thực tế và
bước đầu làm quen với việc nghiên cứu, tính toán các hệ thống điện – điện tử trên xe,
mỗi sinh viên đều được nhận Đồ án thiết kế hệ thống điện tử ô tô. Trong khuôn khổ
nhiệm vụ được giao, em xin trình bày nhiệm vụ Tính toán thiết kế hệ thống cung cấp trên ô tô.
Em xin cảm ơn sự hướng dẫn nhiệt tình của thầy giáo Lê Ngọc Định. Dưới sự
giúp đỡ, chỉ bảo của thầy cùng sự cố gắng, nổ lực của bản thân, em đã hoàn thành
nhiệm vụ trong khoảng thời gian quy định. Tuy nhiên, do kiến thức hiểu biết có hạn,
điều kiện tham khảo thực tế chưa có nhiều nên trong đồ án không thể không có sự sai
sót, nhầm lẫn. Do vậy, em mong nhận được sự đóng góp ý kiến của quý thầy để em
hoàn thiện hơn trong quá trình học tập và công tác sau này.
Đà Nẵng, ngày tháng năm 2025 Sinh viên thực hiện
Nguyễn Đình Phước Nguyễn Thanh Sơn 1
Downloaded by Tùng Lê (vantung.le7624@gmail.com) lOMoARcPSD|35920090
CHƯƠNG 1.TỔNG QUAN HỆ THỐNG CUNG CẤP TRÊN ÔTÔ
1.1. Công dụng
Hệ thống cung cấp điện có nhiệm vụ cung cấp năng lượng điện cho các phụ tải
với một hiệu điện thế ổn định ở mọi điều kiện làm việc của ô tô máy kéo.
Để cung cấp năng lượng cho các phụ tải trên ô tô, cần phải có bộ phận tạo ra
nguồn năng lượng có ích. Nguồn năng lượng này được tạo ra từ mát phát điện trên ô
tô. Khi động cơ hoạt động, máy phát cung cấp điện cho các phụ tải và nạp điện cho ắc
quy. Để đảm bảo toàn bộ hệ thống hoạt động một cách hiệu quả, an toàn thì năng
lượng đầu ra của máy phát và năng lượng yêu cầu cho các tải điện phải thích hợp với nhau. 1.2. Yêu cầu
Phải luôn tạo ra một điện áp ổn định (13,8V – 14,2V đối với hệ thống điện 14V
hoặc 27V - 28V với hệ thống điện 24V) trong mọi chế độ làm việc của phụ tải.
Vì nếu điện áp dòng điện máy phát cung cấp chênh lệch quá lớn so với điện áp
làm việc của phụ tải sẽ làm giảm tuổi thọ của phụ tải, thậm chí làm hỏng phụ tải.
Máy phát phải có cấu trúc và kích thước nhỏ gọn, trọng lượng nhỏ, giá thành thấp và tuổi thọ cao.
Do xu hướng thiết kế các loại xe cần nhỏ gọn và giảm khối lượng nhất là đối với
các xe du lịch. Nên các hệ thống trên cần đảm bảo giá thành và tuổi thọ để đảm bảo
lượng tiêu thụ hàng năm và cạnh tranh với các hãng khác.
Có độ bền cao trong điều kiện nhiệt độ và độ ẩm lớn, có thể làm việc ở những
vùng có nhiều bụi bẩn, dầu nhớt và độ rung động lớn.
Để đáp ứng ở mọi điều kiện làm việc trên ô tô :
-Ắc quy có độ bền cao, đặc tính phóng nạp thỏa mãn quá trình khởi động của động cơ.
-Khi khởi động dòng điện cung cấp cho hệ thống khởi động có cường độ rất lớn
thường khoảng 600A, nên có phản ứng xảy ra trong ắc quy . Vì vậy, ắc quy phải đáp
ứng được yêu cầu trên , tránh việc ắc quy mất điện quá nhanh và các tấm cực bị cong vênh , hư hỏng ắc quy.
- Ít chăm sóc và bảo dưỡng.
Ta đã biết hệ thống cung cấp có rất nhiều bộ phận, để chăm sóc và bảo dưỡng
hết các bộ phận của nó sẽ rất tốn thời gian và rất khó khăn. Ngoài ra, trên ô tô còn có
rất nhiều bộ phận khác đòi hỏi nhu cầu sữa chữa bảo dưỡng lớn hơn .Nên hệ thống cần
có tính ổn định cao, ít chăm sóc và bảo dưỡng.
1.3. Phân loại
Hệ thống cung cấp trên ô tô có 2 dạng chính sau:
Hệ thống cung cấp với máy phát điện một chiều. 2
Downloaded by Tùng Lê (vantung.le7624@gmail.com) lOMoARcPSD|35920090
Hình 1.1 – Sơ đồ hệ thống cung cấp dùng máy phát một chiều
1 - Máy phát; 2 - Bộ ắc quy; 3 - Đồng hồ ampe; 4 - Bộ điều chỉnh điện.
Nguyên lý làm việc máy phát điện một chiều:
Máy phát điện 1 chiều là loại máy phát ra dòng điện có chiều không thay đổi
trong suốt quá trình máy hoạt động
- Hệ thống cung cấp với máy phát xoay chiều 3
Downloaded by Tùng Lê (vantung.le7624@gmail.com) lOMoARcPSD|35920090
Hình 1.2 – Sơ đồ hệ thống cung cấp dùng máy phát xoay chiều
1-Máy phát; 2-Bộ điều chỉnh điện; 3-Khóa điện; 4-Đồng hồ ampe; 5-Phụ tải.
Ngày nay, máy phát điện lắp trên ô tô phổ biến là máy phát điện xoay chiều vì so
với máy phát điện 1 chiều nó có những ưu điểm sau: +Cấu tạo đơn giản
+Với cùng 1 công suất thì nó có kích thước và tải trọng bé hơn
+Do không có cổ góp nên tuổi thọ phục vụ lâu hơn
+Tiêu hao kim loại màu ít hơn
+Có thể tăng tỉ số truyền từ động cơ tới máy phát
+Dùng diot chỉnh lưu dòng điện xoay chiều thành dòng 1 chiều cung cấp cho phụ tải
nên không cần rơ le hạn chế dòng điện do đó giảm được kết cấu của bộ tiết chế và tăng
độ tin cậy làm việc của máy phát điện.
Hai sơ đồ tuy có cách nối dây khác nhau nhưng đều bao gồm hai nguồn năng
lượng là ắc quy và máy phát mắc song song. Tuỳ thuộc vào giá trị phụ tải và chế độ
làm việc của ô tô máy kéo, mà acquy, máy phát sẽ riêng biệt hoặc đồng thời cả hai
cung cấp năng lượng cho các bộ phận tiêu thụ (phụ tải).
Ngoài ra, tùy thuộc vào cấu tạo các bộ phận khác của hệ thống cung cấp mà ta có
sự phân loại khác nhau như:
-Ắc quy: là nguồn cung cấp năng lượng phụ trên ô tô.
- Bộ điều chỉnh điện (BĐCĐ) làm nhiệm vụ: phân phối chế độ làm việc giữa
acquy và máy phát; hạn chế và ổn định thế hiệu của máy phát để đảm bảo an toàn cho
các trang thiết bị điện trên xe; hạn chế dòng điện của máy phát để đảm bảo an toàn cho
các cuộn dây của nó. Gồm bộ điều chỉnh điện áp, điều chỉnh dòng điện, điều chỉnh dòng điện ngược… 4
Downloaded by Tùng Lê (vantung.le7624@gmail.com) lOMoARcPSD|35920090
- Bộ chỉnh lưu: chỉ có trong hệ thống cung cấp dùng máy phát xoay chiều để biến
dòng xoay chiều thành dòng một chiều cung cấp cho các phụ tải trên xe cũng như nạp vào acquy.
1.4. Các thông số cơ bản của hệ thống cung cấp
- Công suất máy phát: Phải đảm bảo cung cấp điện cho tất cả các tải điện trên xe
hoạt động. Thông thường, công suất của các máy phát trên ôtô hiện nay vào khoảng Pmf = 700 – 1500W.
- Dòng điện cực đại: Là dòng điện lớn nhất mà máy phát có thể cung cấp thông
thường thì Imax = 70 – 140A.
- Tốc độ cực tiểu và tốc độ cực đại của máy phát: nmax, nmin phụ thuộc vào tốc độ
của động cơ đốt trong.
- Nhiệt độ cực đại của máy phát tomax : Là nhiệt độ tối đa mà máy phát có thể hoạt động.
- Điện áp hiệu chỉnh: Là điện áp làm việc của bộ tiết chế Uhc = 13,8 – 14,2V (với
hệ thống 12V), và Uhc = 27 – 28V (với hệ thống 24V).
Hình 1.3 Sơ đồ hệ thống cung cấp điện tổng quát.
Phụ tải điện trên ôtô có thể chia làm 3 loại: tải thường trực là những phụ tải liên tục
hoạt động khi xe đang chạy, tải gián đoạn trong thời gian dài và tải gián đoạn trong
thời gian ngắn. Trên (1.3) trình bày sơ đồ phụ tải điện có thể gặp trên ôtô hiện đại. 5
Downloaded by Tùng Lê (vantung.le7624@gmail.com) lOMoARcPSD|35920090
Hình 1.4 Sơ đồ phụ tải điện trên ôtô 6
Downloaded by Tùng Lê (vantung.le7624@gmail.com) lOMoARcPSD|35920090
Chế độ thứ nhất: đây là chế độ không tải ứng với trường hợp không mắc điện trở
ngoài (máy phát chạy không tải). Ở chế độ này, máy phát chủ yếu nạp cho ắc qui và dòng
điện nạp phụ thuộc vào sự chênh lệch giữa hiệu điện thế hiệu chỉnh của máy phát và sức điện động của accu
Chế độ thứ hai: Là chế độ tải trung bình. Khi các phụ tải điện đang hoạt động có điện
trở tương đương RL <, sao cho IL < Imf, máy phát sẽ đảm nhận nhiệm vụ cung cấp điện cho
các phụ tải này và dòng nạp sẽ giảm. Ở chế độ này, máy phát cung cấp điện cho hai nơi:
một phần cho ắc qui và một phần cho phụ tải.
Khi điện trở tương đương của các phụ tải đạt giá trị RL = Ea.r 1 U mf −E a
Chế độ thứ ba: Là chế độ quá tải xảy ra trong trường hợp mở quá nhiều phụ tải. Khi
đó RL → 0. Nếu điện trở tương đương của các phụ tải điện đang làm việc: RL < Ea.r 1 U mf −E a
.Ác quy bắt đầu phóng điện hỗ trợ một phần điện năng cho máy phát.
1.5. Giới thiệu chung về xe ô tô Mazda 2 đời 2019
Mazda 2, mẫu xe hạng B của Mazda, nổi bật với thiết kế KODO tinh tế, nội thất sang trọng
và công nghệ SkyActiv tiên tiến. Xe có hai biến thể chính tại Việt Nam: Sedan thanh lịch
và Sport hatchback năng động. Ưu điểm của Mazda 2 bao gồm thiết kế đẹp, nội thất tiện
nghi, vận hành mạnh mẽ và an toàn. Tuy nhiên, hàng ghế sau và khoang hành lý có thể hơi
chật. Mazda 2 là lựa chọn lý tưởng cho người trẻ, gia đình nhỏ và phụ nữ yêu thích sự thanh lịch.
Hình 1.5 Xe ô tô Mazda 2 2019
Mazda 2 với ngôn ngữ thiết kế KODO đặc trưng, mang đến vẻ ngoài trẻ trung và năng
động. Ngoại thất xe nổi bật với lưới tản nhiệt viền chrome, đèn pha LED sắc sảo và những
đường gân dập nổi tinh tế. Nội thất được thiết kế tỉ mỉ, sử dụng vật liệu cao cấp, tạo cảm
giác sang trọng và thoải mái. Mazda 2 có hai biến thể chính: Sedan thanh lịch và Sport
hatchback cá tính, phù hợp với nhiều đối tượng khách hàng. 7
Downloaded by Tùng Lê (vantung.le7624@gmail.com) lOMoARcPSD|35920090
Tiếp cận thị trường Việt Nam vào năm 2015, đến nay, cùng người anh em Mazda 3 thì
Mazda 2 hiện khá được ưu chuộng tại đất nước hình chữ S. Được xây dựng để nhắm vào
phân khúc hạng B, Mazda 2 cạnh tranh trực tiếp với các đối thủ khác như: Honda City,
Toyota Vios, Hyundai Accent, Kia Rio, Ford Fiesta, Mitsubishi Attrage và Mirage. Mẫu xe
cỡ nhỏ này đang được lắp ráp và phân phối tại thị trường Việt Nam với 2 phiên bản sedan
và hatchback. Cả 2 đều được Mazda trạng bị động cơ SkyActiv có dung tích 1,5 lít và hộp số tự động 6 cấp.
1.6. Thông số kỹ thuật
Thông tin chung Thương hiệu: Mazda Mẫu xe: 2 Thế hệ: 2 III Sedan (DL)
Phiên bản (Động cơ): 1.5 SkyActiv
Năm bắt đầu sản xuất: 2015
Năm kết thúc sản xuất: 2019
Kiến trúc hệ thống truyền động: Động cơ đốt trong Loại thân xe: Sedan Số chỗ ngồi: 5 Số cửa: 4
Hình 1.6 Bảng thông số kỹ thuật xe Mazda 2 8
Downloaded by Tùng Lê (vantung.le7624@gmail.com) lOMoARcPSD|35920090
Máy phát điện của xe Mazda 2 2019 Thông số Giá trị Điện áp 12V
Dòng điện định mức 110A
Mã phụ tùng Mazda P51X-18-300B Mã Mitsubishi A3TG3191 Hãng sản xuất Mitsubishi Electric Dùng cho xe Mazda 2 (2015–2019) 9
Downloaded by Tùng Lê (vantung.le7624@gmail.com) lOMoARcPSD|35920090
CHƯƠNG 2 : CÁC BỘ PHẬN CỦA HỆ THỐNG CUNG CẤP TRÊN XE Ô TÔ MAZDA 2 ĐỜI 2019 2.1 Ắc quy 2.1.1 Công dụng
Ắc quy ô tô có những chức năng chính sau: Tích trữ điện năng để một số thiết bị trên xe
hoạt động như hệ thống đánh lửa hay máy đề giúp xe khởi động. Cung cấp điện năng cho
các phụ tải trong trường hợp máy phát điện chưa làm việc hoặc vòng tua máy chưa đạt tốc độ quy định. 2.1.2 Phân loại
Ắc quy ô tô được chia làm 2 loại: + Ắc quy nước
+ Ắc quy khô (MF - Maintenance Free)
+ Dung lượng (Ah): 45Ah – 60Ah (phổ biến nhất là 45Ah hoặc 48Ah). + Điện áp: 12V. 2.2 Máy phát điện 2.2.1 Công dụng
Máy phát là nguồn điện chính trên ô tô máy kéo, nó có nhiệm vụ:
- Cung cấp điện cho tất cả các phụ tải.
- Nạp điện cho ắc quy ở các số vòng quay trung bình và lớn của động cơ. 2.2.2 Roto
2.2.2.1 Nhiệm vụ
Rôto là phần quay của máy phát điện, đóng vai trò tạo ra từ trường quay, từ đó giúp sinh
ra điện năng để cấp cho hệ thống điện trên xe. 2.2.2.2. Cấu tạo
Là trục thép chính, được gắn với puli ở đầu, nối với dây curoa để nhận chuyển động từ động cơ.
Trục quay giúp kéo theo toàn bộ cụm rôto quay trong máy phát.
2.2.2.3. Nguyên lý hoạt động
Khi động cơ vừa khởi động, ECU sẽ cấp một dòng điện một chiều (DC) từ ắc quy qua:
Chổi than → Cổ góp (Slip Rings) → vào cuộn dây kích từ quấn trên rôto.
Cuộn dây này tạo ra từ trường điện từ bao quanh rôto. 2.2.3 Stato 2.2.3.1 Nhiệm vụ
Stato (stator) là phần đứng yên trong máy phát điện, bao quanh rôto, và có nhiệm vụ
chính là sinh ra điện năng nhờ hiện tượng cảm ứng điện từ. 2.2.3.2 Cấu tạo 10
Downloaded by Tùng Lê (vantung.le7624@gmail.com) lOMoARcPSD|35920090
Cấu tạo của stato bao gồm: lõi thép, cuộn dây stato, lớp cách điện chịu nhiệt, đầu nối ra( diode chỉnh lưu)
2.2.3.3 Nguyên lý hoạt động
Stato đóng vai trò là thỏi nam châm hút từ trường, hỗ trợ động cơ hoạt động. Khi dòng
điện được dẫn qua các cuộn dây quấn đặt bên trong lõi thép, nó sẽ tạo ra một lực cảm ứng
điện từ để chuyển đổi từ năng lượng điện thành năng lượng cơ học.
2.2.4 Giá đỡ chổi than
Đối với các mẫu Mazda 2 2019 mã phụ tùng cho chổi than là B3C7-18-W77. 2.2.4.1 Công dụng
Giá đỡ chổi than (brush holder) là một bộ phận quan trọng trong máy phát điện của xe
Mazda 2, có nhiệm vụ giữ cố định chổi than và đảm bảo tiếp xúc liên tục với cổ góp trên
rôto, giúp dòng điện kích từ được truyền ổn định vào cuộn dây rôto. 2.2.5 Bộ chỉnh lưu
Theo thông tin từ các nguồn phụ tùng chính hãng, mã phụ tùng OEM cho bộ chỉnh lưu
của Mazda 2 đời 2019 là LFB6-18-W60. Đây là sản phẩm chính hãng của Mazda, đảm
bảo chất lượng và độ tương thích cao với hệ thống điện của xe.
2.2.5.1 Chức năng của bộ chỉnh lưu
Chuyển đổi dòng điện: Biến đổi dòng điện xoay chiều (AC) từ stato thành dòng điện một
chiều (DC) để sạc ắc quy và cung cấp điện cho các thiết bị điện tử trên xe.
Bảo vệ hệ thống điện: Ngăn chặn dòng điện ngược từ ắc quy trở lại máy phát khi động
cơ không hoạt động, bảo vệ các linh kiện điện tử khỏi hư hỏng. 2.2.6 Bộ tiết chế
Theo thông tin từ các nguồn phụ tùng chính hãng, mã phụ tùng OEM cho bộ tiết chế của
Mazda 2 đời 2019 là AJ51-18-W70.
2.2.6.1 Nguyên lý hoạt động - Giai đoạn khởi động:
Khi xe bắt đầu nổ máy, ắc quy sẽ cấp điện ban đầu cho cuộn dây rotor (cuộn kích từ).
Bộ tiết chế cấp dòng cho cuộn rotor để tạo từ trường xoay trong stator khi động cơ quay.
- Giai đoạn vận hành:
Khi rotor quay nhờ động cơ, từ trường tạo ra điện áp xoay chiều ở stator.
Điện áp này được chỉnh lưu thành điện một chiều qua bộ diode nắn dòng.
Bộ tiết chế liên tục giám sát điện áp đầu ra.
- Nếu điện áp thấp:
Bộ tiết chế tăng dòng kích từ vào cuộn rotor → từ trường mạnh hơn → điện áp đầu ra tăng lên - Nếu điện áp cao:
Bộ tiết chế giảm dòng kích từ → từ trường yếu hơn → điện áp giảm xuống. 11
Downloaded by Tùng Lê (vantung.le7624@gmail.com) lOMoARcPSD|35920090
➡ Nhờ điều chỉnh liên tục này, điện áp đầu ra của máy phát luôn được duy trì ổn định ở
mức thích hợp (~13.8–14.2V), bất kể tốc độ động cơ hay tải điện thay đổi. 2.2.6.2 Cấu tạo
Bộ tiết chế hiện đại (IC regulator) thường tích hợp bên trong máy phát điện và gồm các phần chính:
Cảm biến điện áp (Voltage sensor)
Bộ điều khiển transistor (Transistor switching)
Điều khiển dòng kích từ rotor (Field current)
Mạch bảo vệ (Overvoltage/Overcurrent protection) 12
Downloaded by Tùng Lê (vantung.le7624@gmail.com) lOMoARcPSD|35920090
Chương 3. CHỌN SƠ ĐỒ HỆ THỐNG CUNG CẤP VÀ TÍNH CHỌN MÁY
PHÁT TRÊN XE Ô TÔ MAZDA 2 2019
3.1. Phân tích, lựa chọn sơ đồ cho hệ thống cung cấp 3.1.1.Máy phát điện
Hiện nay các thiết bị trên xe đều dùng dòng điện 1 chiều. Tuy nhiên, việc dùng
máy phát 1 chiều có nhiều nhược điểm như do cấu tạo máy phát 1 chiều có vòng đổi
điện cuộn dây roto phức tạp nên tuổi thọ thấp, sữa chữa bảo dưởng khó khăn, ngoài
ra máy phát điện 1 chiều có cổ góp nên dể mòn bởi ma sát và hạn chế dòng điện phát ra.
Trong khi đó máy phát xoay chiều có vòng đổi diện và cuộn dây roto đơn giản
hơn do đó có tuổi thọ cao và dể dàng trong bảo dưỡng. Máy phát xoay chiều có dòng
kích thích nhỏ nên không cháy vòng tiếp điện. Có thể tăng tỉ số truyền từ động cơ
đên máy phát đạt tới trị số 2.5÷3 lần vì vậy, khi động cơ ô tô chạy không tải máy
phát có thể phát ra công suất đạt tới (25÷30%) công suất đ-ơịnh mức, cải thiện điều
kiện nạp cho ắc quy. Cấu tạo đơn giản, cùng 1 công suất nhưng kết cấu gọn nhệ hơn.
Tiêu hao kim loại màu ít hơn.
Máy phát xoay chiều được chia làm máy phát 3 pha và máy phát 1 pha. Do
thiết kế là xe tải nên ta chọn máy phát xoay chiều 3 pha do loại máy này có kết cấu
gọn hơn hiệu suất cao hơn máy phát điện 1 chiều có cùng 1 công suất.
Trong các loại máy phát điện xoay chiều 3 pha, ta chọn loại kích thích kiểu
điện từ. Bởi vì máy phát điện xoay chiều 3 pha kiểu kích thích kiểu điện từ có những
nhược điểm vô cùng quan trọng như khó điều chỉnh thế hiệu, công suất hạn chế, giá
thành cao và trọng lượng lớn. Ngoài ra, từ thông của nó còn phụ thuộc nhiều vào
chất lượng hợp kim . Trong khi đó, máy phát xoay chiều 3 pha kiểu kích thích bằng
nam châm điện ít tốn kém hơn và dể điều chỉnh điện áp dể dàng hơn.
Do đó, để thỏa mãn các yêu cầu của hệ thống cung cấp cho xe thiết kế nói
chung và máy phát nói riêng ta chọn máy phát xoay chiều ba pha, kích thích kiểu
điện từ . Hệ thống điện trên xe dùng dòng điện 12V. 13
Downloaded by Tùng Lê (vantung.le7624@gmail.com) lOMoARcPSD|35920090
Hình 3.1 –Máy phát điện xoay chiều 3 pha, kích thích kiểu điện từ.
1. Stato và cuộn dây; 2. Roto; 3. Cuộn kích thích; 4. Quạt gió; 5. Puli; 6,7.
Nắp; 8. Bộ chỉnh lưu; 9. Vòng tiếp điện; 10. Chổi điện và giá đỡ.
3.1.2. Bộ chỉnh lưu
Ta đã chọn dòng điện máy phát là dòng xoay chiều 3 pha vì thế để các thiết bị
trên ô tô sử dụng được và nạp điện được cho ắc quy , ta cần dùng bộ chỉnh lưu.
Ta chọn bộ chỉnh lưu 3 pha 8 đi-ốt vì nó có hiệu quả cao hơn khi công suất
máy phát đạt cao hơn 1000W thì trong thành phần của hiệu điện thế xuất hiện sống
đa hài bậc 3. Vì thế ta chọn bộ chỉnh lưu này để tận đụng ưu thế đó, giúp nâng cao
công suất máy phát và đạt được hiệu quả chỉnh lưu cao hơn. C D1 D3 D5 D7 D9 W 1 D10 W 3 W 2 D2 D4 D6 D8 D11 Wkt .
Hình 3.2 Sơ đồ bộ chỉnh lưu 14
Downloaded by Tùng Lê (vantung.le7624@gmail.com) lOMoARcPSD|35920090
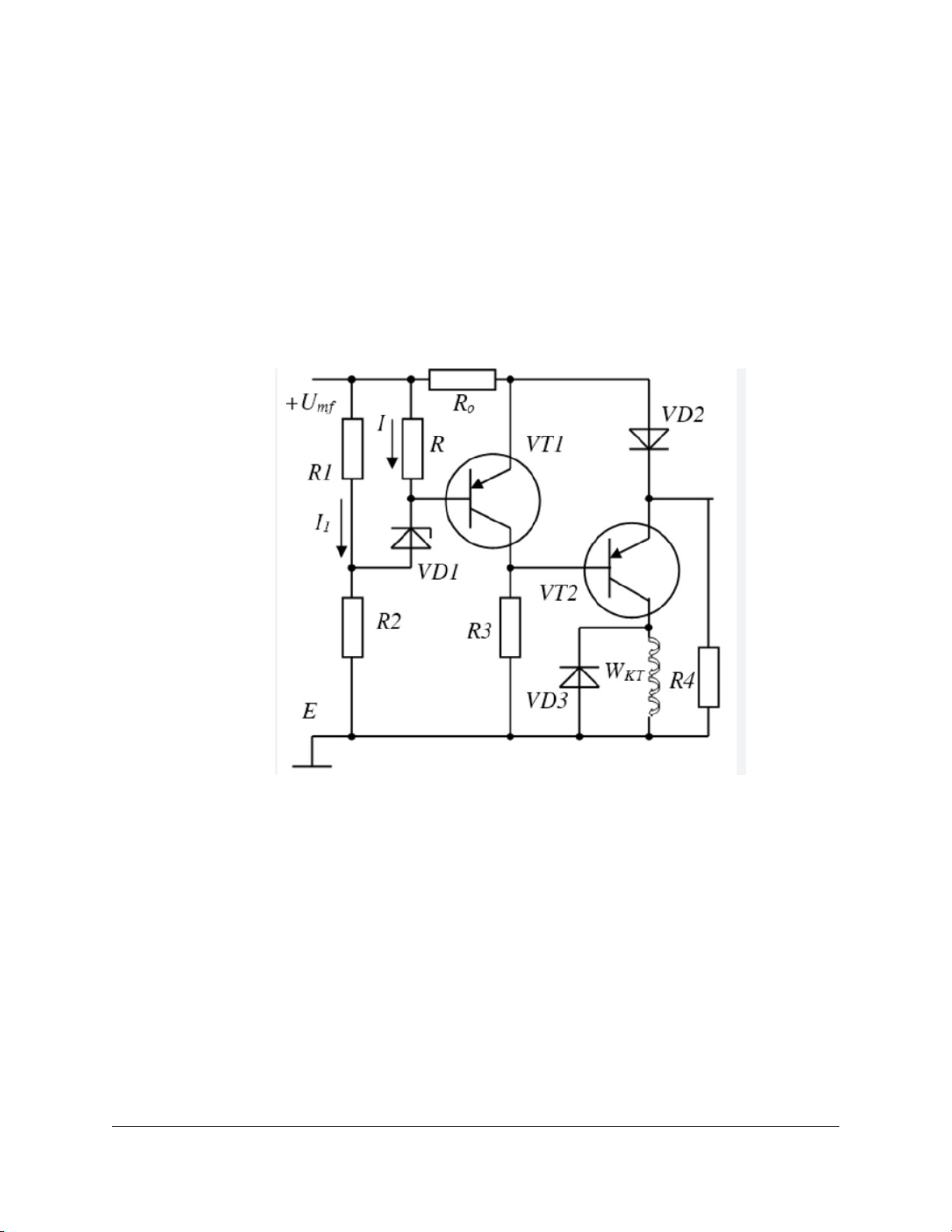
3.1.3. Bộ điều chỉnh
Trong các loại role điều chỉnh gồm bộ điều chỉnh bán dẫn và bộ điều chỉnh loại
bán dẫn không có tiếp điểm .Ta thấy bộ điều chỉnh loại rung có nhiều nhược điểm
quan trọng như điều chỉnh phức tạp nhạy cảm với rung đọng bụi bẩn , các tiếp điểm
dễ bị oxy hóa ….. Vì thế ta chọn bộ điều chỉnh điện áp bán dẫn cho xe thiết kế , vì
những ưu điểm vượt trội của nó như gọn nhẹ , làm việc tin cậy chịu được rung xóc ,
không bị ảnh hưởng bởi bụi bẩn , tuổi thọ cao , ít bảo dưởng. S
Hình 3.3 – Sơ đồ bộ điều chỉnh bán dẫn 15
Downloaded by Tùng Lê (vantung.le7624@gmail.com) lOMoARcPSD|35920090
Sau khi lựa chọn các bộ phân cơ bản cho hệ thống cung cấp, ta có được sơ đồ cụ thể như hình 3.4. 2 3 4 5 R4 R5 D13 C 7 1 D1 D3 D5 D7 6 10 D12 R1 R2 Rt D9 T2 Dz W1 D10 T1 W3 T3 W2 D2 D4 D6 D8 D11 R3 Wkt 9 8 11 I I I I
Hình 3.4 – Sơ đồ hệ thống cung cấp
1-Phụ tải; 2-Ắc quy; 3-Cầu chì; 4-Công tắc tổng; 5-Báo đèn nạp; 6-Diode zenner; 7-
Điện trở; 8-Transitor; 9-Điot chỉnh lưu; 10-Cuộn dây stator; 11-Cuộn dây rotor; I-Máy
phát; II-Bộ chỉnh lưu; III-Bộ điều chỉnh điện .
3.2. Cách tính chọn công suất máy phát
Để xác định đúng loại máy phát cần lắp trên ôtô với điều kiê ̣n đảm bảo đủ công
suất cấp cho các phụ tải,ta cần tính toán công suất máy phát theo công suất tiêu thụ
của phụ tải bao gồm phụ tải liên tục và phụ tải gián đoạn như sau:
Công suất tổng: P = P1 + P2. (3.1) Trong đó :
P1: Công suất cung cấp cho tải hoạt động liên tục.
P1= ∑Pi1 Với i là số phụ tải hoạt động liên tục.
P2: Công suất cung cấp cho tải hoạt động gián đoạn. P2= ∑Pi2 λi (3.2)
Với λi: là hệ số sử dụng phụ tải thứ i. Được xác định theo kinh nghiệm, phụ thuộc vào
điều kiện hoạt động và cách sử dụng của tài xế. 16
Downloaded by Tùng Lê (vantung.le7624@gmail.com) lOMoARcPSD|35920090
3.2.1. Công suất tiêu thụ cần thiết cho tất cả các phụ tải hoạt động liên tục
Phụ tải liên tục là các thiết bị điện và điện tử trên xe mà luôn hoạt động ở tất cả
thời gian khi động cơ hoạt động. Do đó, hệ số sử dụng phụ tải của tất cả các phụ tải này là 1.
Theo đề bài cho, ta có được bảng 2.1, từ đó ta tính được tổng công suất cần
thiết cho các phụ tải hoạt động liên tục.
Bảng 2.1 – Công suất tiêu thụ của phụ tải liên tục S Công suất Công suất tương T Tên phụ tải thực Hệ số sử dụng đương T (W) ( i) (W) 1 HT đánh lửa 35 1 35 2 Bơm nhiên liệu 70 1 70 3 Phun nhiên liệu 100 1 100 4 ECU 140 1 140 Tổng công suất 345
Như vậy, tổng công suất của các phụ tải liên tục là P1 = 345 [W].
3.2.2. Công suất tiêu thụ cần thiết cho các phụ tải gián đoạn
Phụ tải gián đoạn là phụ tải chỉ hoạt đô ̣ng 1 khoảng thời gian nào đó trong quá
trình vâ ̣n hành ôtô, do đó hê ̣ số sử dụng của loại phụ tải này là <1 và thay đổi theo
từng khoảng thời gian sử dụng của mỗi phụ tải, và thói quen vâ ̣n hành ôtô của mỗi tài xế.
Việc lựa chọn máy phát do đó cũng phụ thuộc vào loại xe, điều kiện làm việc
để chọn được thời gian sử dụng phụ tải gián đoạn thích hợp, đảm bảo máy phát cung
cấp đủ công suất cho tất cả các phụ tải ở điều kiện làm việc thường xuyên, còn các
trường hợp đặc biệt thì công suất ắc-quy sẽ bổ xung với máy phát.
Hệ số sử dụng phụ tải λ của mỗi phụ tải phụ thuộc vào thời gian sử dụng phụ
tải đó. Tùy điều kiện bên ngoài như nắng, mưa, sương mù, hay ngày và đêm mà tần
số sử dụng mỗi phụ tải là khác nhau
Ta phân tích hệ số sử dụng phụ tải như sau:
- Radio là phương tiện giải trí trên xe, tùy vào sở thích mỗi người lái mà tần số
sử dụng này là khác nhau.Ta chọn λ= 0.3
- Đèn báo trên bảng Taplo, đèn kích thước , đèn biển số , đèn cốt , đèn stop,
dùng vào ban đêm,trong khoảng thời gian hoạt động của xe nên ta chọn λ= 0.5
- Đèn đổ xe, đèn lùi , đèn đèn báo rẻ , đèn sương mù hoạt động ít hơn, sử dụng
chỉ trong trường hợp cần thiết như dừng xe, lùi hay rẽ, và cũng chỉ trong thời gian ngắn nên λ= 0.1 17
Downloaded by Tùng Lê (vantung.le7624@gmail.com) lOMoARcPSD|35920090
- Còi,đèn pha là thiết bị quan trọng sử dụng thường xuyên và là thiết bị dung
khá nhiều ở Việt Nam nên λ=0.4
- Đèn trần dùng vào ban đêm, tuy nhiên không phải sử dụng thường xuyên như
đèn Taplo, đèn pha…mà chỉ dung khi người sử dụng thấy cần thiết nên λ=0.2
- Motor điều khiển kính dung rất ít nên λ=0.1
- Sấy kính, mồi thuốc ít nên λ=0,1
- Quạt điều hòa nhiệt độ sử dụng tương đối nên λ= 0.6
- Motor phun nước rửa kính và motor gạt nước mưa tùy thuộc vào điều kiện
môi trường Việt Nam nên λ= 0,3
-Moto bơm abs sử dụng thường xuyên nên λ=0,4
-Quạt làm mát động cơ sử dụng nhiều λ= 0,9
- Motor khởi động chỉ dung khi khởi động xe, tần số sử dụng ít, nên λ=0.1
Bảng 2.2 – Công suất tiêu thụ của phụ tải không liên tục
Công suất Hệ số sử Công suất STT Tên phụ tải thực dụng tương đương [W] λ [W] 1 Radio 35 0,3 10,5 2 Đèn Taplô 55 0,5 27,5 3 Đèn kích thước xe 4x12 0,5 24 4 Đèn đỗ xe 4x4 0,1 1,6 5 Đèn biển số 2x10 0,5 10 6 Đèn cốt 2x55 0,5 55 7 Đèn pha 2x60 0,5 60 8 Đèn báo rẽ 4x23 0,1 9,2 9 Đèn Stop 2x22 0,5 22 10 Đèn trần 2x5 0,2 2 11 Motor nâng/hạ kính 4x35 0,1 14 12 Quạt điều hòa 2x70 0,6 84 13 Sấy kính 120 0,1 12 14 Motor rửa kính 60 0,3 18 15 Còi 40 0,4 16 16 Đèn sương mù 2x30 0,1 6 17 Đèn lùi 2x24 0,1 4,8 18 Motor gạt mưa 70 0,3 21 19 Motor khởi động 1200 0,1 120 20 Quạt làm mát động cơ 2x120 0,9 216 18
Downloaded by Tùng Lê (vantung.le7624@gmail.com)