



















Preview text:
lOMoAR cPSD| 58794847 LỜI NÓI ĐẦU
Với sự phát triển và hoàn thiện không ngừng của thiết bị điện trên mọi lĩnh vực đời sống
xã hội, mạch điện tử trở thành một thành phần không thể thiếu được trong các thiết bị điện,
công dụng chính của nó là để điều khiển khống chế các thiết bị điện, thay thế một số khí cụ
điện có độ nhạy cao. Nhằm mục đích: gọn hóa các thiết bị điện, giảm tiêu hao năng lượng
trên thiết bị, tăng độ nhạy làm việc, tăng tuổi thọ của thiết bị....Do đó, nhận dạng được các
linh kiện, mạch điện tử, kiểm tra, thay thế, được các linh kiện, mạch điện hư hỏng là một yêu
cầu quan trọng không thể thiếu được, nhất là trong lĩnh vực điện tử công nghiệp, khi mà các
dây chuyền công nghiệp được hình thành và phát triển mạnh trên phạm vi cả nước.
Mô đun linh kiện điện tử là rất cần thiết cho các ngành học liên quan đến lĩnh vực điện,
điện tử, tự động hóa, cơ điện tử... Do đó chúng tôi biên soạn cuốn giáo trinh “ Linh kiện điện
tử” nhằm cung cấp những kiến thức cơ sở để học viên có thể phân tích hoạt động, lắp ráp và
sửa chữa các mạch điện tử,...
Cuốn giáo trình biên soạn dựa trên các kiến thức đã được chắt lọc sao cho phù hợp với với
các trình độ trung cấp nghề, cao đẳng nghề . Trong quá trình biên soạn chắc hẳn còn thiếu sót
vì vậy rất mong nhận được sự góp ý của độc giả để cuốn giáo trình hoàn thiện hơn.
Hà Nội, ngày ... tháng...năm 2015 Chủ biên Nguyễn Thị Ngọc
GIỚI THIỆU VỀ MÔ ĐUN LINH KIỆN ĐIỆN TỬ Mã số mô đun: MĐ 22
Thời gian mô đun: 60giờ ( Lý thuyết:24 giờ; thực hành: 36giờ)
I. VỊ TRÍ, TÍNH CHẤT CỦA MÔ ĐUN
- Vị trí: Là mô đun chuyên nghề, có thể được bố trí học song song các môn học cơ sở:
MH07, MH08, MH09, MH10, MH11, MH13, MH14.
- Tính chất: Là mô đun bắt buộc trong chương trình đào tạo nghề Cơ điện tử.
II. MỤC TIÊU MÔ ĐUN:
- Trình bày cấu tạo, ký hiệu, ứng dụng của các linh kiện điện tử.
- Trình bày nguyên lý hoạt động một số mạch điện tử đơn giản ứng dụng linhkiện điện tử.
- Lắp ráp một số mạch điện tử đơn giản sử dụng linh kiện điện tử.- Chủ động, sáng
tạo và đảm bảo an toàn trong quá trình học tập.
III. ĐIỀU KIỆN THỰC HIỆN MÔ ĐUN: 1. Vật liệu: - Panel thực hành.
- Linh kiện điện tử các loại
2. Dụng cụ và trang thiết bị: lOMoAR cPSD| 58794847 - Mỏ hàn, thiếc hàn.
- Dụng cụ đo, kiểm tra linh kiện và thông số của mạch điện tử.
- Máy chiếu, máy tính, phần mềm ứng dụng mô phỏng mạch điện tử. 3. Học liệu:
Giáo trình linh kiện điện tử phiếu hướng dẫn thực hành.
4. Nguồn lực khác:
Phòng học chuyên môn điện tử.
IV. PHƯƠNG PHÁP VÀ NỘI DUNG ĐÁNH GIÁ: 1. Kiến thức:
- Linh kiện điện tử; Cấu tạo, nguyên lý hoạt động của mạch điện tử cơ bản.
- Phương pháp kiểm tra, lắp ráp, hiệu chỉnh thông số các mạch điện tử. - Các nguyên
nhân gây mất an toàn và biện pháp khắc phục.
2. Kỹ năng: Đánh giá kỹ năng thực hành của sinh viên phương pháp quan sát với bảng
kiểm/thang điểm thông qua kiểm tra bài tập thực hành đạt các yêu cầu sau: - Tiêu chuẩn kỹ thuật; - Thực hiện thao tác;
- Định mức thời gian;- Tổ chức nơi làm việc; - An toàn lao động.
3. Thái độ: Đánh giá thái độ của sinh viên thông qua: Cẩn thận, tỉ mỉ, chính xác, ý thức tổ
chức kỷ luật, chấp hành nội quy, tinh thần làm việc nhóm, làm việc độc lập, tinh thần trách nhiệm và hợp tác.
4. Những trọng tâm chương trình cần chú ý:
Thao tác lắp đặt, kiểm tra linh kiện và mạch điện tử.
5. Tài liệu tham khảo:
[1]. TS Nguyễn Viết Nguyên – Giáo trình linh kiện điện tử và ứng dụng – NXB Giáo dục 2008.
[2]. Phạm Minh Hà - Kỹ thuật mạch điện tử - NXB KHKT 1995.
[3]. Trần Thế San; Nguyễn đức Phấn - Thực hành điện & điện tử - NXB Đà Nẵng. lOMoAR cPSD| 58794847
BÀI 1: CÁC LINH KIỆN ĐIỆN TỬ THỤ ĐỘNG
Các mạch điện tử được tạo nên từ sự kết nối các linh kiện điện tử với nhau bao gồm hai
loại linh kiện chính là linh kiện thụ động và linh kiện tích cực trong đó phần lớn là các linh
kiện thụ động. Do đó muốn phân tích nguyên lí hoạt động, thiết kế mạch, kiểm tra trong sửa
chữa cần phải hiểu rõ cấu tạo, nguyên lí hoạt động của các linh kiện điện tử, trong đó trước
hết là các linh kiện điện tử thụ động. Mục tiêu:
- Trình bày được cấu tạo, nguyên lý hoạt động của các linh kiện thụ động
- Sử dụng các linh kiện để lắp ráp thành mạch hoàn chỉnh - Có khả năng
tư duy sáng tạo, cẩn thận, tỉ mỉ trong công việc. 1.ĐIỆN TRỞ 1.1Khái niệm
1.1.1Định nghĩa: Điện trở là linh kiện dùng để ngăn cản dòng điện trong mạch. Tác dụng của
điện trở trong mạch điện là xác định mức dòng và áp. Đơn vị của điện trở là Ohm – ký hiệu là Ω.
Bội số của Ω thường là Kilo, Mega và Giga
1KΩ = 103 Ω 1MΩ = 106 Ω 1GΩ = 109 Ω
Các nhà sản xuất không sản xuất điện trở với mọi giá trị mà theo các giá trị chuẩn được EIA
khuyến nghị, gọi là tiêu chuẩn E với các họ chính là: E6 – sai số 20% 100, 150, 220, 330, 470, 680
1.1.2 Các tham số kỹ thuật đặc trưng của điện trở lOMoAR cPSD| 58794847
Để đánh giá và lựa chọn điện trở ta phải dựa vào các tham số của nó. Các tham số gồm có :
a) Trị số điện trở và dung sai
+ Trị số của điện trở là tham số cơ bản, và yêu cầu trị số điện trở phải ổn định, ít thay đổi theo
nhiệt độ , độ ẩm, v.v…Trị số của điện trở phụ thuộc vào vật liệu cản điện, vào kích thước của
điện trở và nhiệt độ môi trường.
Trị số của điện trở đo bằng đơn vị Ôm và các bội số của nó. Gía trị của điện trở thường đo ở
dòng điện một chiều hoặc tần số thấp. Muốn dùng điện trở ở tần số cao phải chọn điện trở có
kết cấu, kích thước, vỏ bọc cụ thể.
+ Dung sai hay sai số của điện trở : Dung sai biểu thị mức độ chênh lệch của trị số thực tế của
điện trở so với trị số danh định và được tính theo %.
Dung sai được tính theo công thức: (Rtt – Rdd ) 100% Rdd
Trong đó : Rtt : Trị số thực tế của điện trở
Rdd : Trị số danh đinh của điện trở
Dựa vào % dung sai ta chia điện trở ở 5 cấp chính xác :
Cấp 005 : Có sai số ±0,5% Cấp 01: Có sai số ±1% Cấp I : Có sai số ±1% Cấp II : Có sai số ±10% Cấp III: Có sai số ±20%
Trong các mạch điện yêu cầu độ chính xác cao thường dùng điện trở cấp 005 và 01. Còn trong
điện tử thông dụng người ta dùng các loại điện trở từ cấp I đến cấp III. Các điện trở có độ
chính xác càng cao càng đắt do công nghệ chế tạo chúng đòi hỏi khắt khe và phức tạp hơn.
b) Công suất tiêu tán cho phép (Pttmax):
Khi có dòng điện chạy qua, điện trở tiêu tán năng lượng dưới dạng nhiệt được gọi là công suất tiêu tán. Ptt = RI2 = U2 / R (W)
Công suất tiêu tán cho phép của điện trở Pttmax : Là công suất điện cao nhất mà điện trở có thể
chịu đựng được, nếu quá mức điện trở Sẽ nóng cháy và không dùng được nữa .
Pttmax = RI2max = U2max / R ( W)
Vậy để đảm bảo cho điện trở làm việc bình thường thì Ptt Qua công thức trên ta thấy công suất tiêu tán cho phép hạn chế giá trị điện áp cực đại và giá
trị dòng điện cực đại . Do đó tuỳ theo điện áp và dòng điện qua điện trở là lớn hay nhỏ mà sử
dụng điện trở có công suất tiêu tán cho phép lớn hay nhỏ .
c) Hệ số nhiệt của điện trở :
Hệ số nhiệt của điện trở biểu thị sự thay đổi trị số của điện trở theo nhiệt độ môi trường và
được tính theo công thức :
I ∆R -6 [ ppm /ºC] TCR= R ∆T 10 Trong đó :
R: Trị số của điện trở
∆R : Đại lượng thay đổi của trị số điện trở khi nhiệt độ thay đổi một lượng là ∆T lOMoAR cPSD| 58794847
TCR : Trị số biến đổi tương đối tính theo phần triệu của điện trở trên 1ºC ( đơn vị là ppm /ºC )
1.2 Phân loại và cách mắc
*Phân loại theo cấu tạo :
+ Điện trở than (carbon): + Điện trở film: + Điện trở dây quấn:
+ Điện trở bề mặt (Điện trở dán): + Dãy điện trở:
* Phân loại theo cấp sai số :
+Loại 1 : Sai số cho phép 5% thường dùng ở những mạch cần nâng cao độ chính xác của chế độ công tác
+ Loại 2 : Có sai số cho phép 10%
+ Loại 3 : Có sai số cho phép 20% Thường dùng ở những nơi ít ảnh hưởng đến chế độ công
tác nhưu các mạch ghép *Phân loại theo trị số :
Các loại điện trở có trị số thay đổi ( Biến trở) + Biến trở thanh trượt + Biến trở núm xoay + Biến trở vi chỉnh Cách mắc điện trở
Điện trở mắc nối tiếp: Cách này dùng để tăng trị số của điện trở trên mạch điện (Hình 2.5). R1 R2 Rn
H×nh 2.5:M¹ch ®iÖn trë m¾c nèi tiÕp Theo công thức:
Rtđ = R1 + R2 + .. + Rn (2.1)
Rtd: Điện trở tương đương của mạch điện
Ví dụ: Cho mạch điện như hình vẽ. Với R1 = 2,2K , R2 = 4,7K . Tính điện trở tương đương của mạch điện R1 R2
Giải: Từ công thức (2.1) ta có Rtđ = 2,2 + 4,7 = 6,9K
Trong thực tế, người ta chỉ mắc nối tiếp từ 02 đến 03 điện trở để tránh rườm rà cho mạch điện.
Điện trở mắc song song: Cách này dùng để giảm trị số điện trở trên mạch điện. Trong thực tế
tính toán cần ghi nhớ là điện trở tương đương của mạch điện luôn nhỏ hơn hoặc bằng điện trở
nhỏ nhất trên mạch điện, điều này rất thường sảy ra sai sót khi thay thế tương đương trong
khi thực hiện sửa chữa. Ngoài ra, để dễ dàng trong tính toán, thông thường người ta dùng điện
trở cùng trị số để mắc song song, khác với mắc nối tiếp, mạch mắc điện trở song song có thể lOMoAR cPSD| 58794847
mắc nhiều điện trở song song để đạt trị số theo yêu cầu, đồng thời đạt được dòng chịu tải lớn
theo ý mốn và tăng vùng diện tích toả nhiệt trên mạch điện khi công suất tỏa nhiệt cao(Hình 2.6). R1 R2 Rn
H×nh2.6:M¹ch ®iÖn trë m¾c song song 1 1 = Theo công thức: Rtd
R1 + R2 +...+ Rn
Rtd: Điện thở tương đương của mạch điện
Ví dụ: Cho mạch điện như hình vẽ. Với R1 = 5,6K, R2 = 4,7K. Tính điện trở tương đương của mạch điện. R1 R2
Giải: Từ công thức ta có R1.R2 5,6.4,7
Rtd = R1+R2 = 5,6+4,7 = 2,55K
1.3 Cấu tạo của điện trở + Điện trở than (carbon): là loại điện trở
được làm bằng cách ép hỗn hợp bột than và chất kết
dính thành dạng trụ hoặc thanh có vỏ bọc gốm hoặc sơn.
Chúng có giá trị trong một phạm vi rộng, công suất nhỏ
(từ 1/8 đến 2W) và dung sai lớn. Thường được dùng ở khu vực tần số cao.
+ Điện trở film: là loại điện trở được làm bằng cách kết tinh kim
loại, carbon hoặc oxide kim loại trên lõi gốm.
+ Điện trở dây quấn: là loại được làm bằng
cách quấn dây kim loại có đặc tính dẫn điện
kém (ví dụ như Niken) lên lõi gốm. Loại này
thường có giá trị nhỏ nhưng chịu dòng lớn
và công suất rất cao (1 đến 300W) có khi lên tới hàng nghìn W.
+ Điện trở bề mặt (Điện trở dán): là loại điện trở được làm theo công
nghệ dán bề mặt, tức là dán trực tiếp lên bảng mạch in. Khi này người
ta có thể thu nhỏ kích thước mạch rất nhiều. lOMoAR cPSD| 58794847
+ Dãy điện trở: là loại được sản xuất nhằm
đáp ứng cho các ứng dụng cần một loạt các
điện trở cùng giá trị mắc song song với nhau
(ví dụ như cần hạn dòng cho dãy hoặc ma trận các LED).
*Phân loại theo trị số :
Các loại điện trở có giá trị thay đổi (biến trở):
Nguyên tắc : Sử dụng con chạy để thay đổi độ
dài của lớp cản điện, từ đó thay giữa các chân.
+ Biến trở thanh trượt: Được chế tạo dưới
dạng thanh và con chạy gắn với thanh trượt để điều chỉnh vị trí (cũng tỉ lệ tuyến tính).
+ Biến trở núm xoay: là loại biến trở mà con chạy được gắn với trục xoay ở giữa. Việc điều
chỉnh được thực hiện nhanh chóng và dễ dàng nhưng độ chính xác không cao.
Loại biến trở này thường có kết cấu kiểu dây quấn với kích thước khá lớn và giá trị điều chỉnh
tỉ lệ kiểu tuyến tính.
Khi phải sử dụng cả 3 chân để điều chỉnh điện áp trong mạch thì người ta gọi loại này là chiết áp
+ Biến trở vi chỉnh : Là loại được làm chủ yếu từ cacbon, kích thước nhỏ và phải sử dụng tô vít để xoay lOMoAR cPSD| 58794847
1.4 Cách đọc trị số của điện trở
• Phương pháp đọc trị số điện trở dựa vào ký tự
• Phương pháp đọc trị số điện trở dựa vào các vòng màu
a.Phương pháp đọc trị số điện trở dựa vào ký tự *
Trường hợp có 2 chữ cái:
Các chữ thường được dùng để biểu thị trị số của điện trở là Ω, R, K, M. Chữ R và Ω ứng với
đơn vị Ω, chữ K ứng với đơn vị KΩ, chữ M ứng với đơn vị MΩ. Phương pháp đọc:
+ Chữ cái đầu tiên và các chữ số biểu diễn trị số của điện trở. Vị trí của chữ thể hiện chữ số thập phân.
+ Chữ cái thứ hai biểu diễn sai số của điện trở. Qui ước về sai số: Kí hiệu Sai số Kí hiệu Sai số B 0.1% H 2.5% C 0.25% J 5% D 0.5% K 10% F 1% M 20% G 2%
Ví dụ : Đọc các trị số điện trở được biểu diễn bằng các ký tự sau: 3M3J → R = 3,3MΩ ± 5% 8K2M → R = 8,2KΩ ± 20%
Ví dụ 2: Đọc các trị số điện trở được biểu diễn bằng các ký tự sau: 6M8F, R6J, 6RJ, 3K9, R47
Trường hợp có 3 chữ số Phương pháp đọc
+ Hai chữ số đầu biểu diễn 2 số có nghĩa thực
+ Số thứ 3 biểu diễn lũy thừa của 10 (số chữ số 0)
+ Sau 3 chữ số thường là chữ R hoặc Ω, biểu thị đơn vị điện trở là Ω
+ Sau chữ R, Ω nếu có thêm chữ cái thì nó biểu diễn sai số của điện trở
Đặc biệt, chữ số thứ 3 là số 0 thì 3 chữ số là giá trị thực của điện trở Ví
dụ: Đọc các trị số điện trở được biểu diễn bằng các ký tự sau: lOMoAR cPSD| 58794847
472RJ → R = 47 x 102 Ω ±5%= 4,7KΩ±5%
330RJ → R = →R = 330Ω ± 5%
b. Phương pháp đọc trị số điện trở dựa vào các vòng màu Bảng quy ước mã màu: Màu Trị số Sai số Đen 0 Nâu 1 1% Đỏ 2 2% Cam 3 Vàng 4 Lục 5 Lam 6 Tím 7 Xám 8 Trắng 9 Nhũ vàng -1 5% Nhũ bạc -2 10%
* Qui ước xác định thứ tự vòng màu:
+ Tiết diện vòng cuối cùng là lớn nhất
+ Vòng 1 không bao giờ là nhũ vàng, nhũ bạc.
+ Vòng thứ nhất gần đầu điện trở nhất * Lưu ý:
Với điện trở có độ chính xác 1% và 2%, thường là loại điện trở 5 vòng màu, điện trở
có độ chính xác 5% và 10% thường là loại điện trở 4 vòng màu. *Trường hợp 4 vòng màu - Phương pháp đọc:
+ Vòng 1,2 là vòng biểu diễn 2 chữ số có nghĩa thực
+ Vòng 3 là vòng biểu diễn số lũy thừa của 10 (số chữ số 0) + Vòng 4 là vòng sai số
Ví dụ 3:Đọc giá trị điện trở có các vòng màu lần lượt như sau: Bài giải:
Đây là điện trở có 4 vòng màu.
+ Vòng 1: màu vàng →trị số bằng 4
+ Vòng 2: màu cam →trị số bằng 3 lOMoAR cPSD| 58794847
+ Vòng 3: màu đen →trị số bằng 0
+ Vòng 4: nhũ bạc →sai số bằng 10%
→ R = 43 x 100 Ω±10%=43Ω±10%
Ví dụ 2:Đọc giá trị điện trở có các vòng màu lần lượt như sau: Bài giải:
Đây là điện trở có 4 vòng màu.
+ Vòng 1: màu lam→trị số bằng 6
+ Vòng 2: màu xám→trị số bằng 8
+ Vòng 3: màu đỏ →trị số bằng 2
+ Vòng 4: nhũ vàng →sai số bằng 5%
→ R = 68 x 102 Ω±5%=6,8KΩ±5%
*Trường hợp 5 vòng màu: - Phương pháp đọc:
+ Vòng 1,2,3 là vòng biểu diễn 3 chữ số có nghĩa thực
+ Vòng 4 là vòng biểu diễn số lũy thừa của 10 (số chữ số 0) + Vòng 5 là vòng sai số
Ví dụ : Đọc giá trị điện có các vòng màu lần lượt như sau : Bài giải:
Đây là điện trở có 5 vòng màu.
+ Vòng 1: màu nâu →trị số bằng 1
+ Vòng 2: màu đen →trị số bằng 0
+ Vòng 3: màu đen →trị số bằng 0
+ Vòng 4: màu đỏ →trị số bằng 2
+ Vòng 5: màu nâu →sai số 1%
→ R = 100 x 102 Ω±1%=10KΩ±1%
*Những hư hỏng thường gặp ở điện trở:
- Điện trở bị đứt : do dòng điện chạy qua điện trở cao
- Điện trở bị cháy : do làm việc quá công suất chịu đựng
- Điện trở tăng trị số : Thường xảy ra ở các loại điện trở được chế tạo bằng than có hệ số nhiệt âm.
- Điện trở giảm trị số : thường xảy ra ở các loại điện trở dây quấn là do bị chạm một số vòng dây ( ít xảy ra ). lOMoAR cPSD| 58794847
1.5 Giới thiệu đồng hồ số atten :
a) Cấu tạo trên mặt đồng hồ vạn năng hiển thị số :
+ Mặt chỉ thị hiển số . + Đèn báo
+ Nút ấn giữ đọc kết quả + Khóa chuyển mạch
+ Đầu đo hệ số khuếch đại β của Tranzito
+ Đầu đo dòng điện nhỏ mA
+ Đầu đo dòng điện lớn 20A + Đầu đo chung COM
+ Đầu đo điện áp, điện trở
b) Các ký hiệu trên đồng hồ vạn năng hiển thị số
+ V~: Thang đo điện áp xoay chiều
+ V- : Thang đo điện áp 1 chiều
+ A~: Thang đo dòng điện xoay chiều
+ A-: Thang đo dòng điện 1 chiêu
+ Ω: Thang đo điện trở + F: Thang đo điện dung
+ hFE: Thang đo hệ số khuếch đại dòng tĩnh c) Các thang đo :
1) Thang đo điốt , thông mạch
2) Các thang đo điện trở
3) Các thang đo dòng điện một chiều
4) Các thang đo dòng điện xoay chiều
5) Các thang đo điện dung
6) Các thang đo điện áp xoay chiều
7) Các thang đo điện áp 1 chiều 3) Đo điện trở
+ Trả lại vị trí dây cắm như khi đo điện áp
+ Xoay chuyển mạch về vị trí đo “Ω”, nếu chưa biết giá trị điện trở thì chọn thang đo cao
nhất, nếu kết quả là số thập phân thì ta giảm xuống .
+ Đặt que đo vào hai đầu điện trở
+ Đọc giá trị trên màn hình
+ Chức năng đo điện trở còn có thể đo sự thông mạch, giả sử đo một đoạn dây dẫn bằng thang
đo trở, nếu thông mạch thì đồng hồ phát ra tiếng kêu lOMoAR cPSD| 58794847
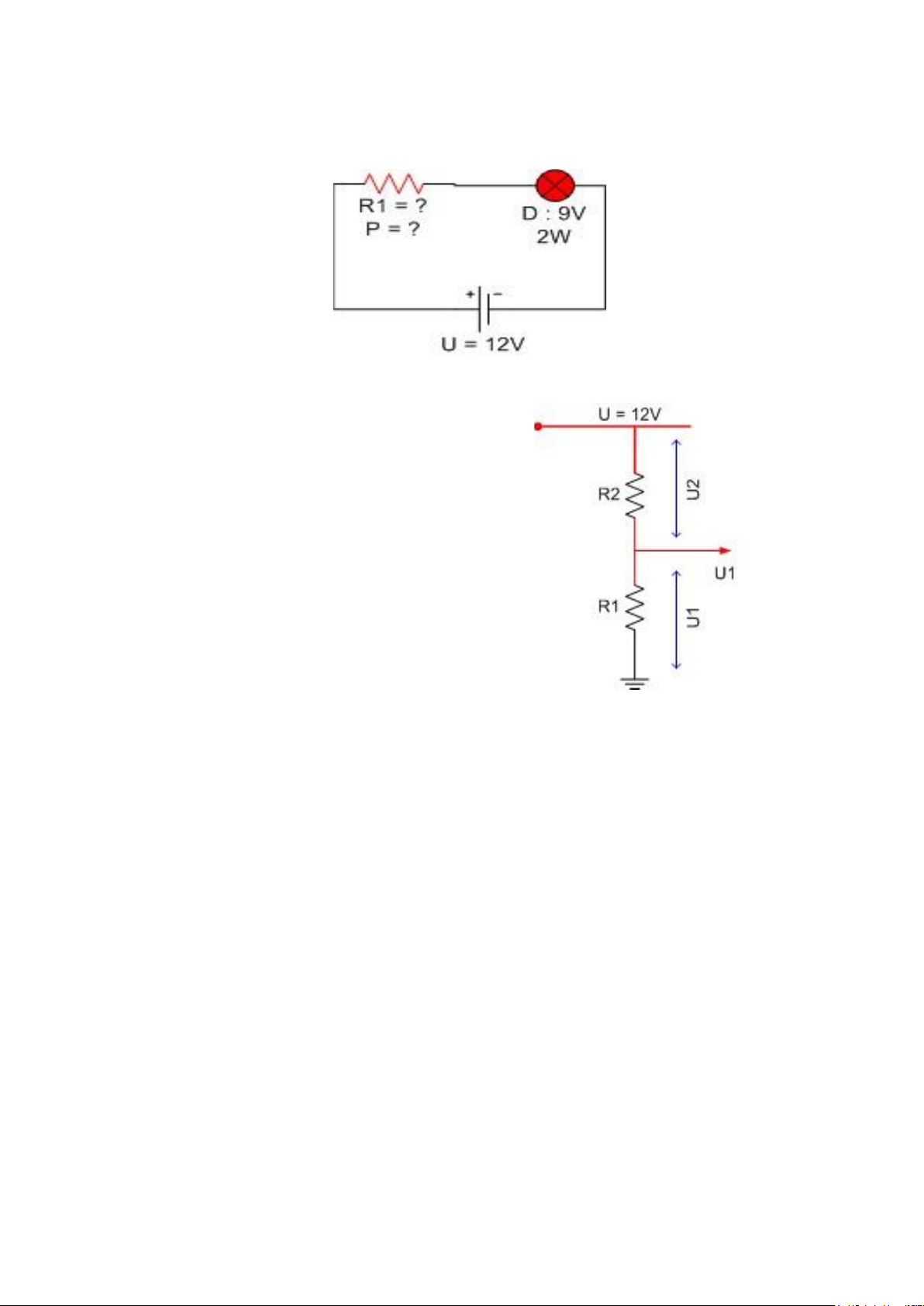
1.6 Các ứng dụng của điện trở
a. Khống chế dòng điện qua tải cho phù hợp, Ví dụ có một bóng đèn 9V, nhưng ta chỉ cónguồn
12V, ta có thể đấu nối tiếp bóng đèn với điện trở để sụt áp bớt 3V trên điện trở. Sơ đồ :
b. Tạo cầu phân áp để có được một điện áp theo ý muốn từ
một điện áp cho trước.
Từ nguồn 12V ở trên thông qua cầu phân áp R1 và
R2 ta lấy ra điện áp U1, áp U1 phụ thuộc vào giá trị
hai điện trở R1 và R2.theo công thức
U1 / U = R1 / (R1 + R2) => U1 = U.R1 / (R1 + R2)
Thay đổi giá trị R1 hoặc R2 ta sẽ thu được điện áp U1 theo ý muốn 2.TỤ ĐIỆN Mục tiêu của bài :
Sau khi học xong bài này người học có khả năng :
- Trình bày được công dụng, cấu tạo, ký hiệu, nhận biết
được hình dạng thực tế của tụ điện.
- Đọc đúng trị số tụ điện theo quy ước quốc tế
- Biết cách đo, kiểm tra chất lượng của tụ điện
- Rèn luyện cẩn thận, nghiêm túc trong học tập và trong thực hiện công việc 2.1 Khái niệm
Tụ điện theo đúng tên gọi chính là linh kiện có chức năng tích tụ năng lượng điện và có thể phóng nạp điện tích.
Đối với dòng điện một chiều, tụ điện là linh kiện có tác dụng ngăn dòng điện đi qua,
mặc dù có thể có một dòng nạp khi mới kết nối tụ điện với nguồn một chiều và sau đó lại
ngưng ngay khi tụ điện vừa mới được nạp đầy. Với trường hợp dòng điện xoay chiều, dòng
điện này tác động lên tụ điện với hai nửa chu kỳ ngược nhau làm cho tụ điện có tác dụng dẫn
dòng điện đi qua, như thể không có chất điện môi.
Cấu tạo: Gồm hai bản cực đặt song song nhau, ở giữa có một lớp điện môi. lOMoAR cPSD| 58794847
2.1.2 Các tham số đặc trưng của tụ điện
+ Trị số điện dung C: Trị số điện dung tỉ lệ với tỉ số giữa diện tích hữu dụng của bản cực S
với khoảng cách giữa 2 bản cực. Điện dung được tính theo công thức: ErE0. S C= d [F] Trong đó :
C: là điện dung của tụ điện
ℰr : hằng số điện môi của chất điện môi
ℰ0 : hằng số điện môi của không khí hay chân không
S : là diện tích hiệu dụng của một bản kim loại (m2 )
D : khoảng cách giữa hai bản cực [m] + Dung sai của tụ điện :
Đây là tham số chỉ độ chính xác của trị số điện dung thực tế so với trị số danh định của nó.
Dung sai của tụ điện được tính theo % và được xác định theo công thức sau : Cn –Cd C dd 100%
+ Điện áp làm việc :
Mỗi tụ điện chỉ có một điện áp làm việc nhất định, nếu quá điện áp này lớp điện môi sẽ bị
đánh thủng và làm hỏng tụ điện.
Điện áp làm việc là điện áp lớn nhất mà tụ điện có thể chịu đựng được trong suốt quá trình
làm việc (ít nhất là 10000 giờ) đảm bảo được các tham số của tụ (điện dung, điện trở cách điện…).
+ Tổn hao : Tụ điện lý tưởng mắc trong mạch xoay chiều năng lượng không bị mất mát và
góc lệch pha giữa điện áp trên tụ và dòng điện trong mạch là 90º. Nhưng trong thực tế một
phần năng lượng bị tổn hao trong chất cách điện và trên các bản cực nên góc lệch pha bị giảm
đi. Sự tổn hao năng lượng trong tụ điện được biểu thị bằng tag góc tổn hao δ ( góc δ là hiệu
số giữa góc 90º và góc lệch pha.
Đại lượng nghịch đảo của tagδ gọi là phẩm chất của tụ điện và được tính : 1
Q= tagδ = 2πf .C.r
Trong đó : f: là tần số của dòng điện xoay
chiều ( Hz) C: là điện dung của tụ điện
r: là điện trở tổn hao tương đương của tụ điện (Ω)
+ Điện trở cách điện :Tính chất và kích thước của điện môi quyết định điện trở cách điện
của tụ điện. Đối với tụ hóa điện trở cách điện được biểu thị bằng dòng dò. lOMoAR cPSD| 58794847
+ Hệ số nhiệt của tụ điện :Khi nhiệt độ xung quanh biến đổi sẽ làm cho kích thước của các
bản, khoảng cách giữa các bản và cả hệ số điện môi thay đổi, nên điện dung sẽ biến đổi. Sự
biến thiên tương đối cảu điện dung khi nhiệt độ thay đổi 1ºC gọi là hệ số nhiệt của tụ điện. +
Điện cảm tạp tán :Phụ thuộc vào kích thước các bản và các đầu nối. Điện cảm này dẫn đến
cộng hưởng. Để công tác ổn định, tần số công tác lớn nhất phải nhỏ hơn tần số cộng hưởng của tụ điện.
2.1.3 Phân loại và cách mắc
2.1.3.1Về cấu tạo, tụ điện được chia thành hai loại chính:
- Loại không phân cực. - Loại phân cực.
- Tụ điện giấy: gồm có 2 lá kim loại đặt xen giữa là bản giấy dùng làm chất cách điện và cuộn
tròn lại. Ở hai đầu lá kim loại đã cuộn tròn có dây dẫn nối ra để hàn. Tụ này có thể có vỏ
bọc bằng kim loại hay ống thuỷ tinh và hai đầu được bịt kín bằng chất keo plastic. Tụ giấy
có ưu điểm là kích thước nhỏ, điện dung lớn. Nhược điểm của tụ là rò điện lớn, dễ bị chập.
- Tụ điện mica: gồm những lá kim loại đặt xen kẽ nhau và dùng mica làm chất điện môi, ngăn
cách các lá kim loại. Các lá kim loại lẻ nối với nhau và nối vào một đầu ra, các lá kim loại
chẵn nối với nhau và nối vào một đầu ra. Tụ mica được bao bằng vỏ plastic. Tụ mica có tính
năng tốt hơn tụ giấy nhưng giá thành đắt hơn.
- Tụ điện gốm: tụ điện gốm dùng gốm làm điện môi. Tụ gốm có kích thước nhỏ nhưng trị số điện dung lớn. lOMoAR cPSD| 58794847
- Tụ điện dầu: tụ dùng dầu làm điện môi, có trị số lớn và chịu được điện áp cao.
- Tụ hoá: tụ dùng một dung dịch hoá học là axit boric làm điện môi. Chất điện môi này được
đặt giữa 2 lá bằng nhôm làm hai cực của tụ. Khi có một điện áp một chiều đặt giữa 2 lá thì
tạo ra một lớp oxyt nhôm mỏng làm chất điện môi, thường lớp này rất mỏng, nên điện dung
của tụ khá lớn. Tụ hoá thường có dạng hình ống, vỏ nhôm ngoài là cực âm, lõi giữa là cực
dương, giữa 2 cực là dung dịch hoá học. Tụ được bọc kín đế tránh cho dung dịch hoá học
khỏi bị bay hơi nhanh, vì dung dịch bị khô sẽ làm cho trị số của tụ giảm đi. Tụ hoá có ưu
điểm là trị số điện dung lớn và có giá thành hạ, nhưng lại có nhược điểm là dễ bị rò điện.
Khi dùng tụ hoá cần kết nối đúng cực tính của tụ với nguồn cung cấp điện. Không dùng
được tụ hoá cho mạch chỉ có điện áp xoay chiều tức là có cực tính biến đổi.
- Tụ biến đổi: gồm các lá nhôm hoặc đồng xếp xen kẽ với nhau, một số lá thay đổi vị trí được.
Tấm tĩnh (má cố định) không gắn với trục xoay. Tấm động gắn với trục xoay và tuỳ theo
góc xoay mà phần diện tích đối ứng giữa hai lá nhiều hay ít. Phần diện tích đối ứng lớn thì
điện dung của tụ lớn, ngược lại, phần diện tích đối ứng nhỏ thì trị số điện dung của tụ nhỏ.
Không khí giữa hai lá nhôm được dùng làm chất điện môi. Tụ loại biến đổi còn được gọi là lOMoAR cPSD| 58794847
tụ không khí hay tụ xoay. Tụ biến đổi thường gồm nhiều lá động nối song song với nhau,
đặt xen kẽ giữa những lá tĩnh cũng nối song song với nhau. Những lá tĩnh được cách điện
với thân tụ, còn lá động được gắn vào trục xoay và tiếp xúc với thân tụ. Khi trục tụ được
xoay thì trị số điện dung của tụ cũng được thay đổi theo. Người ta bố trí hình dáng những lá
của tụ để đạt được sự thay đổi điện dung của tụ theo yêu cầu. Khi vặn tụ xoay để cho lá động
hoàn toàn nằm trong khe các lá tĩnh, nhằm có được diện tích đối ứng là lớn nhất, thì tụ có
điện dung lớn nhất. Khi vặn tụ xoay sao cho lá động hoàn toàn nằm ngoài khe các lá tĩnh,
nhằm có diện tích đối ứng xấp xỉ bằng không, thì lúc đó, tụ điện có điện dung nhỏ nhất, gọi
là điện dung sót. Tụ xoay thường dùng trong máy thu thanh hoặc máy tạo dao động để đạt
được tần số cộng hưởng.
- Tụ tinh chỉnh hay là tụ bán chuẩn: thường dùng để chỉnh điện dung của tụ điện, nhằm đạt
được tần số cộng hưởng của mạch. Những tụ này thường có trị số nhỏ và phạm vi biến đổi
hẹp. Người ta chỉ tác động tới tụ tinh chỉnh khi lấy chuẩn, sau đó thì cố định vị trí của tụ. -
Tụ điện điện phân: có những đặc tính khác với tụ không phân cực. Tụ có cấu tạo ban đầu
gồm có hai điện cực được phân cách bằng một màng mỏng của chất điện phân, ở giai đoạn
cuối cùng, người ta dùng một điện áp đặt lên các điện cực có tác dụng tạo ra một màng oxyt
kim loại rất mỏng không dẫn điện. Dung lượng của tụ tăng lên khi lớp điên môi càng mỏng,
như vậy có thể chế tạo tụ điện có điện dung lớn với kích thước nhỏ. Do tụ điện điện phân
được chế tạo có cực tính, tương ứng với cực tính ban đầu khi hình thành lớp điện môi, cực
tính này được đánh dấu trên thân của tụ. Nếu nối ngược cực tính có thể làm phá huỷ lớp điện
môi, do đó, tụ sẽ bị hỏng. Một hạn chế khác của tụ điện điện phân là lượng điện phân còn
lại sau lúc hình thành ban đầu sẽ có tác dụng dẫn điện và làm cho tụ bị rò điện. Chất liệu
chính dùng cho tụ điện điện phân là nhôm và chất điện môi là bột dung dịch điện phân. Tụ
điện điện phân có dạng hình ống đặt trong vỏ nhôm. Những tụ điện phân loại mới có khả
năng đạt được trị số điện dung lớn với kích thước nhỏ. Phạm vi trị số điện dung từ 0,1 μ F
đến 47 μ F với cỡ rất nhỏ và từ 1 μ F đến 4700 μ F, thậm chí lớn hơn. Điện áp một chiều làm
việc của tụ điện điện phân thường thấp từ 10V đến 250V hoặc 500V, mọi tụ điện điện phân
đều có dung sai lớn và ít khi chọn trị số tới hạn.
- Tụ điện pôlistiren: tụ được chế tạo từ lá kim loại xen với lớp điện môi là màng mỏng
pôlistiren, thường pôlistiren bao bọc tạo thành lớp cách điện. Loại tụ điện này có tổn thất
thấp ở tần số cao (điện cảm thấp và điện trở nối tiếp thấp), độ ổn định và độ tin cậy cao.
Phạm vi giá trị từ 10pF đến 100000pF với dung sai khoảng ±1%. Trường hợp tụ có dạng
ống với chiều dài xấp xỉ 10mm x 3,5 mm đường kính, thường cho trị số điện dung lớn hơn.
Loại tụ điện này được dùng cho các mạch điều chỉnh, mạch lọc, mạch tần số FM và các
mạch điều khiển khác có yêu cầu độ chính xác, độ tin cậy và độ ổn định cao và tổn thất thấp.
- Tụ polycacbonat: loại tụ này được chế tạo dưới dạng tấm hình chữ nhật để có thể cắm vào
bảng mạch in. Chúng có trị số điện dung lớn tới 1 μ F với kích thước rất nhỏ, tổn hao thấp
và điện cảm nhỏ. Tụ điện polycacbonat thường được thiết kế đặc biệt và dùng cho mạch in
với kích thước xấp xỉ 7,5 mm x 2,5 mm khoảng cách chân là 7,5 mm.
- Kí hiệu của các loại tụ điện trên sơ đồ nguyên lý được giới thiệu trên Hình 2.17. +
Hình 2.9: Giới thiệu ký hiệu các dạng tụ điện thông dụng lOMoAR cPSD| 58794847
Hình 2.10 : Các dạng tụ điện thông dụng
2.1.3.2 Cách mắc tụ điện: Trong thực tế cách mắc tụ điện thường ít khi được sử dụng, do
công dụng của chúng trên mạch điện thông thường dùng để lọc hoặc liên lạc tín hiệu nên sai
số cho phép lớn. Do đó người ta có thể lấy gần đúng mà không ảnh hưởng gì đến mạch điện.
Trong các trường hợp đòi hỏi độ chính xác cao như các mạch dao động, các mạch điều
chỉnh...người ta mới sử dụng cách mắc theo yêu cầu cho chính xác. Mạch mắc nối tiếp: (Hình:2.11) C1 C2 Cn
H×nh 2.11: M¹ch tô ®iÖn m¾c nèi tiÕp 1 1
Công thức tính: Ctd = C 1 + C 2 +...+ Cn
Ctd: Điện dung tương đương của mạch điện
Cũng giống như điện trở giá trị của tụ điện được sản xuất theo bảng 2.1. Trong mạch
mắc song song điện dung tương đương của mạch điện luôn nhỏ hơn hoặc bằng điện dung nhỏ nhất mắc trên mạch
Ví dụ: Cho tụ hai tụ điện mắc nối tiếp với C1= 1mF, C2= 2,2mF tính điện trở tương
đương của mạch điện. C
Giải: Từ công thức tính ta có: Ctd = C1+C2 = 1+2,2 = 0,6875mF Mạch mắc song song: (Hình 2.12)
H×nh 2.12: M¹ch tô ®iÖn m¾c song song
Công thức tính: Ctd = C1+ C2 +...+ Cn Ctd:
Điện dung tương đương của mạch điện.
Ví dụ: Tính điện dung tương đương của hai tụ điện mắc nối tiếp, Với C1= 3,3mf; C2=4,7mF. lOMoAR cPSD| 58794847
Giải: Từ công thức ta có: Ctd = C1+ C2 = 3,3 + 4,7 = 8mF
2.1.4 Cách đọc trị số của tụ điện
Biểu thị trị số điện dung bằng số và chữ: Chữ
K,Z,J,π ứng với đơn vị pF; Chữ n, H ứng với đơn vị nF.
Chữ m, M ứng với đơn vị μF.
+ Vị trí của chữ thể hiện chữ số thập phân
+ Giá trị của số thể hiện giá trị tụ điện Ví dụ : 2H7J = 2,7 nF±5%
Ghi bằng các con số không kèm theo chữ :
+ Nếu các con số kèm theo dấu chấm hay phẩy thì đơn vị là μF. +
Vị trí dấu phẩy( dấu chấm) thể hiện chữ số thập phân
+ Nếu các con số không kèm theo dấu thì đơn vị là pF và con số cuối cùng biểu thị số lũy thừa của 10.
+ Đặc biệt số cuối cùng là số “0” thì con số đó là giá trị thực Ví dụ : 763 = 76 ×103 pF. 160 = 160 pF.
Bảng quy ước sai số : C 0,25% D 0,5% G 2% J 5% K 10% F 1% M 20% S 50%
Bảng trị số điện dung bằng vòng màu: Màu Số A Số B Hệ số nhân D Đen 0 0 100 Nâu 1 1 101 Đỏ 2 2 102 Cam 3 3 103 Vàng 4 4 104 Lục 5 5 105 Lam 6 6 106 Tím 7 7 lOMoAR cPSD| 58794847 Xám 8 8 10-1 Trắng 9 9 10-2
Phương pháp đọc :
Vòng A, B biểu diễn hai số có nghĩa thực
Vòng D biểu diễn lũy thừa của 10 ( số chữ số 0)
* Với tụ hóa: Giá trị điện dung của tụ hóa được ghi trực tiếp trên thân tụ.Tụ hóa có ghi ( -) ,( +) và luôn có hình trụ.
* Với tụ giấy, tụ gốm : tụ giấy và tụ gốm có trị số ghi bằng ký hiệu
Ví dụ: tụ gốm bên trái ghi 474K nghĩa là :
Giá trị = 47 x 104 = 470000pF =470nF=0,47 F
Chữ K hoặc J ở cuối là chỉ sai số 5% hoặc 10% của tụ điện
2.1.5 Cách đo, kiểm tra tụ điện
a) Đối với nhóm tụ không phân cực (tụ gốm và tụ giấy) như sau:
+ Điều chỉnh thang đồng hồ về ×1KΩ hoặc ×10KΩ
+ Nếu kim đồng hồ vụt lên một giá trị xác định rồi từ từ trở về vị trí cũ thì kết luận tụ đó còn tốt
+ Nếu kim đồng hồ lên một giá trị xác định và dừng luôn tại vị trí đó không trở về vị
trí cũ chứng tỏ tụ đã bị dò.
+ Nếu kim đồng hồ di chuyển từ vị trí vô cùng về 0 chứng tỏ tụ đã bị chập.
b) Đối với tụ phân cực (tụ hóa) cách đo như sau: + Đặt đồng hồ ở thang đo từ ×1 → ×100Ω
+ Để kiểm tra tụ hóa ta sử dụng một tụ có cùng điện dung còn mới để kiểm tra độ nạp xả của tụ .
Nếu hai tụ phóng nạp bằng nhau là tụ cần kiểm tra còn tốt
Trường hợp kim lên mà không trở về là tụ bị dò
3.Cuộn dây ( cuộn cảm) 3.1 Khái niệm
Cuộn cảm( hay cuộn dây) là linh kiện điện tử có thể lưu trữ năng lượng từ trường khi cho dòng điện qua. lOMoAR cPSD| 58794847
Khả năng này của cuộn cảm được đo bằng độ tự cảm (L) của nó, đơn vị là Henry
Kí hiệu cuộn cảm trong mạch điện 3.2 Cấu tạo
Cuộn cảm là một dây dẫn điện có bọc bên ngoài một lớp sơn( vecni ) cách điện, được quấn
thành nhiều vòng liên tiếp nhau trên một lõi cách điện.
Bên trong lõi là vật liệu dẫn từ tốt
Lõi của cuộn dây có thể là một ống rỗng , sắt bụi hay sắt lá. Ký hiệu : L
3.3 Các tham số của cuộn dây
a) Độ tự cảm của cuộn dây : L 2. Sl L= μr . μ0.N
Trong đó : S- là tiết diện của cuộn dây (m2 ) N- là số vòng dây
L- là chiều dài của cuộn dây(m)
μr . μ0 - là độ từ thẩm của vật liệu lõi sắt từ và của không khí (H/m) b
)Hệ số phẩm chất của cuộn dây (Q)
Để tính hệ số phẩm chất của cuộn dây ta xem xét đến sự tổn thất của cuộn dây khi có dòng
điện chạy qua. Một cuộn dây thực khi có dòng điện chạy qua luôn có tổn thất đó là công suất
điện hao phí để làm nóng cuộn dây . Các tổn thất này được biểu thị bởi một điện trở Rs nối
tiếp với điện kháng XL của cuộn dây.
Hệ số phẩm chất của cuộn dây là tỉ số của cảm kháng XL trên điện trở nối tiếp hiệu dụng RS X L đó . Q= R S
c) Tần số làm việc giới hạn ( fgh )
Cuộn dây thực còn có tần số làm việc bị giới hạn bởi điện dung riêng của nó (là điện dung
phân tán giữa các vòng dây ,..) Ở tần số thấp điện dung này được bỏ qua vì dung kháng của
nó rất lớn. Nhưng ở tần số cao thì cuộn dây trở thành một mạch cộng hưởng song song 3.4 Phân loại
a) Dựa theo ứng dụng, cuộn dây có một số loại sau :