











Preview text:
MỞ ĐẦU
M2. Các định luật cơ bản trong nghiên cứu máy điện
M1. Tổng quan về máy điện
M2.1. Định luật cảm ứng điện từ -
Sự biến thiên của từ thông móc vòng với cuộn dây tạo ra MĐ thiết bị điện từ điện gây ra từ,
sức điện động e, chiều của e xác định theo qui tắc vặn nút chai từ sinh ra điện điện áp
biến đổi các thông số 1 dòng điện Chức năng điện năng tần số e e wd , e biến đổi dạng năng Điện ---> Cơ (ĐCĐ) dt lượng Cơ ---> Điện (MFĐ) w: số vòng dây t : thời gian
Nguyên lý làm việc Định luật cảm ứng dựa vào điện từ -
Thanh dẫn chuyển động với vận tốc v, nằm vuông góc từ
Định luật lực điện từ
trường sẽ cảm ứng sức điện động e theo quy tắc bàn tay phải: e = Blv Cấu tạo Hệ thống dây quấn dẫn điện B : từ cảm
Hệ thống mạch từ (lõi dẫn từ l : chiều dài thanh dẫn e e thép, thép KTĐ) l
Phân loại (dựa vào Tĩnh (các dây quấn máy biến áp v nguyên lý) không chuyển động máy biến tần tương đối với nhau)
Có phần chuyển động Quay tương đối với nhau Thẳng , B , B v Xoay
Không đồng bộ n n1 Động cơ
- Dòng điện đi vào cuộn dây sinh ra từ thông móc vòng trong cuộn chiều
(tốc độ Rôto tốc độ
Máy phát điện (ít dùng)
dây theo quy tắc vặn nút chai từ trường) MĐ Đồng bộ (n = n1)
Động cơ (công suất lớn) quay Máy phát điện i Một Động cơ chiều
Máy phát điện (ít dùng)
M2.2. Định luật lực điện từ
- Thanh dẫn mang dòng điện nằm vuông góc với từ trường sẽ có lực điện từ tác dụng F v
đt = Bil. Chiều của Fđt xác định theo qui tắc bàn tay trái t ả i F đ t F cơ i i l e F đt đ t F đ t F , B , B v i e , B i , B
- e xác định theo quy tắc bàn tay phải: , v → e - F 2
đt xác định theo quy tắc bàn tay trái: , i → Fđt
M2.3. Nguyên lý máy phát điện và động cơ * Các máy đi ện có tính chất thuận nghịch: có thể sử dụng động cơ như là
M2.3.1. Máy phát điện: Cơ Điện
máy phát (hoặc ngược lại) nhưng hiệu quả sẽ thấp hơn
- Phải có nguồn cơ năng
- Xét cụ thể là thanh dẫn chuyển động đều với vận tốc v trong từ
- Fcơ - lực cơ làm cho thanh dẫn chuyển động trường
- Fđt = Fcơ – vai trò hãm để cho thanh dẫn chuyển động với vận tốc v không đổi Hiệu suất máy phát: η P P đâu ra điê n 1 Pđâu vao Pco
M2.3.2. Động cơ: Điện Cơ - Phải có nguồn điện
- Xét cụ thể là thanh dẫn mang dòng điện nằm trong từ trường Fđt :
lực phát động cho thanh dẫn chuyển động, xác định theo quy tắc bàn tay trái: , i → Fđt
Fcơ = Fđt : lực cản làm cho thanh dẫn chuyển động đều i F cơ F đ t F đ t H B ; B
Từ cảm, Mật độ từ thông
Từ thông (dòng từ thông) i , B Độ từ thẩm Hiệu suất động cơ η P S Tiết diện mạch từ có ích trên truc 1 B ; H Cường độ từ trường P S đien đua vao F = Iw l
Chiều dài đường sức từ trường w Số vòng dây 3 Mạch E Điện trở
Sức điện động Điện áp
M2.4. Định luật mạch từ Hl = Iw i điện I(A) ρl E (V) U = RI R R (Định luật Ôm) S Mạch F Từ trở Sức từ động F Từ áp từ = Iw ( A) U =H.l (Wb) Rμ R μ l (Định luật Hôpkin) μS 4
M3. Các loại vật liệu dùng chế tạo máy điện
M3.1. Vật liệu dẫn điện
Điện trở suất nhỏ, giá cả phải chăng : Al, Cu
M3.2. Vật liệu cách điện :
Cách điện giữa các dây dẫn với nhau và cách điện giữa các dây dẫn
với các thành phần không mang điện lõi thép
M3.3. Vật liệu dẫn từ
Lõi thép để dẫn từ thông (mạch từ), cấu tạo từ các lá thép Kỹ thuật điện dày 0,28-0,5 mm có + đ ộ từ thẩm lớn
+ t ổn hao công suất nh ỏ pha thêm Silic (2 - %) 5
đ ể t ổn hao do d òng đi ện xoáy sơn cách đi ện Dòng đi ện xoáy Các lá thép KTĐ Các d ạng lá thép KTĐ
M3.4.Vật liệu kết cấu d òng đi ện xoáy
M4. Phương pháp nghiên cứu máy điện s ơn cách đi ện
- Chú ý sự giống nhau và khác nhau giữa các máy
- Phân tích hiện tượng điện từ l á thép KTĐ
- Lập mô hình toán : hệ phương trình diễn tả nguyên lý làm việc của máy
S ự tạo th ành dòng đi ện xoáy trong l õi s ắt từ.
- Lập sơ đồ thay thế (sơ đồ mạch điện) - Tính kết quả
- Khai thác kết quả phục vụ cho thiết kế hoặc sử dụng một cách tối ưu 5 6 dây quấn
CHƯƠNG 1. MÁY BIẾN ÁP HA, CA gông tr ụ
1.1. Khái niệm chung về MBA
1.1.1.Định nghĩa, vai trò và công
dụng của máy biến áp Ki ểu bọc Ki ểu trụ - b ọc
- Định nghĩa: MBA là thiết bị chuyển đổi điện áp hoặc dòng điện xoay
chiều từ mạch điện này sang mạch điện khác theo nguyên lý cảm ứng điện Kiểu trụ từ
- Công dụng chính: b) Dây quấn
+ Máy biến áp công suất lớn (MBA điện lực) dùng trong HTĐ để truyền tải
và phân phối điện năng Dây Mục Cấu tạo Kiểu quấn dây
+ Máy biến áp chuyên dùng: lò luyện kim, hàn điện, chỉnh lưu, đo lường, thí quấn đích nghiệm .... dẫn Dây đồng Dây quấn Hình trụ, dây dẫn tròn - Sơ đồ
điện (nhôm) có đồng tâm
Hình xoắn, dây dẫn bẹt truyền tải điện : cách điện Xoáy ốc liên tục Dây quấn Hộ tiêu thụ xen kẽ 0,4 – 6 kV
Số dây quấn trên 1 trụ: 1, 2, 3 MFĐ MBA 35, 110, MBA 3 21 kV
tăng áp 220, 500 kV hạ áp S Id 3U d cách điện
- Cùng công suất S, nếu Ud Id Sd (tiết diện dây) trụ
U = RdId (tổn thất điện áp)
P = Rd I2d (tổn hao điện năng) Lõi Mục đích Cấu tạo Thành phần Kiểu lõi
1.1.2. Cấu thép thép tạo,
nguyên lý làm (mạch dẫn từ các lá thép
Trụ: đặt dây quấn trụ việc
của máy biến từ) thông KTĐ để giảm Gông: nối các trụ bọc
áp tổn hao do trụ – bọc
1.1.2.1. Cấu tạo a) Lõi thép dòng điện xoáy HA-cuộn hạ áp CA- cuộn cao áp 7 8 c) Các phụ kiện khác Nhãn Ghi thông số máy Ngoài Bánh xe Di chuyển
Các phụ Thành phần Mục đích thùng dầu Nắp thùng Đặt các linh kiện kiện khác Tai cẩu máy Vận chuyển Thùng dầu Vỏ sắt Đựng dầu Sứ cách điện Cách điện Cánh tản nhiệt Làm mát Lỗ cắm nhiệt kế Đo nhiệt độ Dầu Làm mát + Cách điện Bình dầu phụ Giãn dầu Van xả Xả dầu Kính nhìn dầu Theo dõi mức dầu
Bộ điều chỉnh điện áp Điều chỉnh điện áp U20
I20 , U20 - dòng điện, điện áp thứ cấp khi không tải
1.1. 2.2 . Nguyên lý làm vi ệc
1.1.3. Các đại lượng định mức của máy biến áp
+ Công suất định mức: Sđm (VA, kVA, MVA) i 1 i 2
+ Điện áp định mức: U1đm (sơ cấp) = U1d U2đm (thứ cấp) = U2d w T ải u 1 1 w 2
+ Dòng điện định mức: I1đm = I1d; I2đm = I2d u 2 e e 1 2 MBA 3 pha: I1 đm Sđm I1d
Đặt u1 vào dây quấn sơ cấp sẽ có dòng điện sơ cấp i1 sinh ra từ thông 3U1 đm
khép kín trong mach từ và cảm ứng sức điện động e1, e2. Nếu thứ cấp
được nối với tải thì sẽ có dòng điện thứ cấp i2 Nếu u1
= Umsin t = msin t ( = 2 f ) Theo định MBA 1 pha : I1 đm Sđm I1d
luật cảm ứng điện từ : U1 đm 9 dΦ Π e2 w 2 dt w 2ωΦmsin(ω t 2 ) E w ωΦ 2 f 1m 1 m E w m ,44fw 4 1 Φ 1 1 m 2 2 2 E w ωΦ 2 f 2 m 2 m E w m ,44fw 4 2 Φ 2 2 m 2 2 2 10
T ỉ số biến áp: E 1 w 1 k
1.2. Quan hệ điện từ trong máy biến áp E w
Nghiên cứu sự làm việc của MBA lúc tải đối xứng và xét vấn đề U trên 1 pha
Khi không tải: I202 = 0, U2 20 = E2, U1 E1 1 (do I10 nhỏ) k
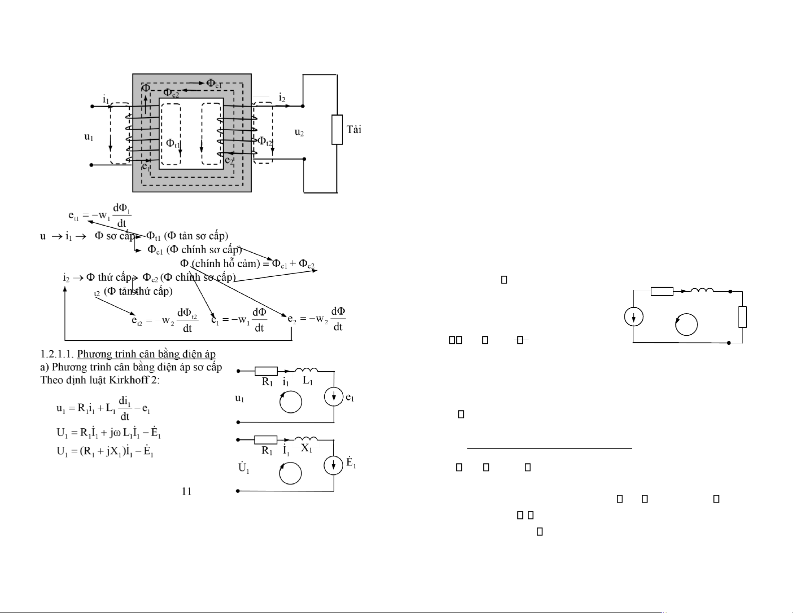
1.2.1. Các phương trình cơ bản của MBA 1
R1 - điện trở dây quấn sơ cấp
L1 - điện cảm tản dây quấn sơ cấp
(Henry) X1 = L1 - điện kháng tản dây
quấn sơ cấp (Ω) b) Phương trình cân i 2 L
bằng điện áp thứ cấp R 2 2 e 2 u 2 u2 R2i2 L2 di2 e2 dt
R2 - điện trở dây quấn thứ cấp
L2 - điện cảm tản dây quấn thứ cấp (Henry)
X2 = L2 - điện kháng tản dây quấn thứ cấp (Ω)
1.2.1.2. Phương trình cân bằng sức từ động U 1 (R1 jX1)I1 E1
(R1 + jX1 ) giá trị nhỏ với E1 (cỡ 3%) U1 E1 = 4,44fw1 max . Khi U1 = const max = const
Lúc không tải i2 = 0, max do sức từ động w1i0 sinh ra c2 ngược chiều với c1
ww11 Ii00 = ww11iI11 - ww2i2 2I 2 ;(phương trI0 I1 ình cân bww12 I2; ằng sức từ động) I1 I0 Ik2 ;k ww12
1.2.2. Quy đổi máy biến áp: Quy đổi thông số thứ cấp về sơ cấp
- Coi như w2 = w1 (chính xác hơn w’2 = w1 ) để E’2 = E1, hai mạch điện
sơ cấp và thứ cấp có điểm đẳng thế có thể nối thành mạch chung E 1 E 2 ' E1 E'2
Công thức: không được làm biến đổi quá trình năng lượng trong MBA
+ Quy đổi sức điện động: E’2 = E1 = kE2 12
Lúc có tải do i2 0, max do sức từ động w1i1 - w2i2 sinh ra
+ Quy đổi điện áp: U’2 = kU2 ' ' R X
+ Quy đổi dòng điện I’ R 1 I ' 1 I 2 2 2
2 = I2/k (S = E2I2 = E’2I’2) X 1
+ Quy đổi điện trở dây quấn R’ 2 2
2 = k2R2 ( R’2I’2 = R2I2 ) U ' 1 U 2 Z t’
+ Quy đổi điện kháng dây quấn X’ 2 = k2X2
+ Quy đổi tổng trở tải Z’t = k2Zt
1.2.3.Sơ đồ thay thế của máy biến áp
Rn = R1 + R’2 : điện trở ngắn mạch MBA
Ý nghĩa: thay thế mạch từ và mạch điện bằng mạch điện duy nhất (gọi
Xn = X1 + X’2 : điện kháng ngắn mạch MBA
là mạch điện thay thế) để thuận lợi cho tính toán và so sánh
Các phương trình cân bằng điện áp và sức từ động sau khi qui đổi: 13 U
1.2.4. Thí nghiệm xác định thông số của máy biến áp 1 (R1 jX1)I1 ' ' ' E I X 1 I R X
Thí nghiệm không tải và thí nghiệm ngắn mạch dùng để xác định R I 1 1 1 0 2 2 2 tham số máy biến áp. U R 2 (R 2 jX 2 )I'2 th U ' U 1 2 E'2
1.2.4.1. Thí nghiệm không tải : X th I
- Định nghĩa : đặt điện áp U1đm vào cuộn sơ cấp, thứ cấp để hở 1 I0 I'2Z't
mạch - Mục đích: xác định tham số máy biến áp lúc không tải k, P0, I0, Z0, R0, X0, cos 0. - Sơ đ ồ thí nghiệm: I
0 - dòng điện từ hoá (dòng điện không tải) I 2 = 0 A W E
1 ZthI0 (R th + jXth )I0 đặc trưng cho từ I P 0 1 = I 0 thông chính do I 0 sinh ra V1 V2 U 2 đ m U 1 đm R 2
th : điện trở từ hoá đặc trưng cho tổn hao sắt từ PFe = Rth.I0
Xth : điện kháng từ hoá đặc trưng cho từ thông chính lõi thép
Trong thực tế Rth, Xth >> R1, X1, R’2, X’2 I0 rất nhỏ (I0 << I1) - Tổn hao không tải P 2 + P 2 - tổn hao
Sơ đồ thay thế gần đúng (bỏ nhánh từ hoá): 0 = R1I0 Fe trong đó: R1I0
trên cuộn sơ cấp lúc không tải
PFe - tổn hao sắt từ trong lõi thép, do dòng điện xoáy
và từ trễ Trong thực tế: R 2 1I0 << PFe P0 B( ) ) I 0 R 1 X 1 R th U 1 T ừ d ư X th H(IW ) T ừ trễ I 0 .100 %
1.2.4.2. Thí nghiệm ngắn mạch:
- Mục đích: Đo Pn, Un. Tính Zn, Rn, Xn, R1, R2, X1, X2, , U.
- Sơ đồ thí nghiệm: thứ cấp nối ngắn mạch I đ 2 m Dòng I A1
0 ghi trên vỏ máy biến áp ở dạng: i A2 0% = W I 1 đm I P n 1dm V1 U n U 1 14
Đầu tiên đặt U1 = 0, sau đó tăng dần đến khi (A1) chỉ I1đm, (A2) chỉ
I2đm thì ngừng tăng Un và đo U1 = Un bằng (V), đo Pn bằng (W). Vì
Un bé, do nó sinh ra cũng bé, I0 bé có thể bỏ qua nhánh từ hoá. In = I1đm = I’2đm R 1 X 1 X
Trong máy biến áp điện lực, Un ghi trên vỏ máy biến áp ở dạng un R 2 ’ 2 ’ R U n = R 1 + R 2 ’ n X n = X 1 + X 2 ’ % .Z un% = Un .100% I1dm n .100%= 3 10 % U1 đm U1 đm
Thí nghiệm ngắn mạch khác với ngắn mạch do sự cố (sét đánh vào
đường dây, ngắn mạch do chạm đất…). Dòng ngắn mạch do sự cố: In = U1 đm .100% U1 đm.100% I1 đm .100% Zn Zn.I1 đm un I 1 đm
Nếu un = 10% thì In = 10I1đm, gây sự cố hỏng máy biến áp. 15 16