
1
MỤC LỤC
CHƯƠNG I :
TÌM HIỂU CHUNG VỀ TRỤC CÁC ĐĂNG KHÁC TỐC TRÊN
XE CON.....................................................................................................................3
1. Giới thiệu chung….....................................................................................................3
1. Nhiệm vụ….............................................................................................................3
1.2 Sơ đồ vị trí và sơ đồ kết cấu
của trục các đăng trong truyền lực ô tô ....................4
a. Sơ đồ vị trí.................................................................................................................4
b. Sơ đồ kết cấu của trục các đăng
1.3 Phân loại……………………………………………………….….………….......
7
1.4 Yêu cầu……….………………………………………………….…….…….........
8
2. Cấu tạo và nguyên lý hoạt động của khớp các đăng khác tốc.................................8
2.1 Cấu tạo………………………………………………….….…………..…...……..
2.2 ................................................................................................................................
Nguyên lý và quan hệ động học....................................................................................9
2.3 Bố trí trục truyền với các đăng khác tốc trên ô tô..................................................12
a) Trục truyền cơ sở với hai khớp các đăng… .............................................................13
b) Trục truyền ba khớp có ụ đỡ mềm, trục truyền một khớp với khớp nối mềm........14
CHƯƠNG II : PHÂN TÍCH KẾT CẤU TRỤC CÁC ĐĂNG ĐƯỢC GIAO.......................17
1.Sơ đồ kết cấu……………………………………………………………..……………
2. Một số đặc điểm về cấu tạo và công dụng….................................................................18
CHƯƠNG III: TÍNH TOÁN KIỂM NGHIỆM.....................................................................20
KẾT LUẬN............................................................................................................................25

2
TÀI LIỆU THAM KHẢO.............. 26
LỜI NÓI ĐẦU
Trước yêu cầu phải đẩy nhanh quá trình công nghiệp hóa hiện đại hóa của nhà nước
đối với ngành Cơ khí nói chung, ngành Công nghệ kỹ thuật ô tô nói riêng. Chúng ta
phải đẩy mạnh nghiên cứu, tìm hiểu đưa ra những phương án thiết kế, chế tạo ra
những sản phẩm cung cấp cho thị trường. Có như thế nền công nghiệp nước ta mới
thực sự được phát triển.
Hệ thống các đăng trong cơ khí có rất nhiều ứng dụng quan trọng, đặc biệt
trong ngành Ô Tô. Nghiên cứu và phát triển chế tạo nó là một bước đi lớn trong nền
Cơ khí hiện nay. Vì vậy, sau thời gian học tập tại trường Đại Học Kinh Doanh &
Công Nghệ Hà Nội, dưới sự giúp đỡ và hướng dẫn của thầy Phạm Hữu Nam, thầy
Đỗ Ngọc Nguyên, thầy Lưu Tuấn Hải và thầy Lê Hoàng Long, em đã chọn và được
giao làm đề tài đồ án:“ Nghiên cứu thiết kế, tính toán trục các đăng khác tốc trên
ô tô con”.
Được sự giúp đỡ của các thầy cô giáo trong bộ môn Công Nghệ Kỹ Thuật Ô
Tô trường Đại Học Kinh Doanh & Công Nghệ Hà Nội, đặc biệt là sự hướng dẫn
tận tình của thầy Phạm Hữu Nam, giúp em hoàn thành đồ án môn học này. Do
những hạn chế về tài liệu, thời gian nghiên cứu và kinh nghiệm thực tế nên đồ án
của em khó tránh khỏi được những sai sót và khiếm khuyết. Em rất mong nhận sự
chỉ dẫn tận tình của thầy cô và sự góp ý chân thành của các bạn.
Em xin chân thành cảm ơn!

3
CHƯƠNG I : TÌM HIỂU CHUNG VỀ TRỤC CÁC ĐĂNG KHÁC TỐC
TRÊN XE CON
1. Giới thiệu chung
1.1 Nhiệm vụ
Hình 1.1 Trục các đăng
- Trục các-đăng là một chi tiết trên hệ thống truyền lực nó có nhiệm vụ truyền
mô-men giữa các cụm chi tiết đặt cách xa nhau và làm thay đổi vị trí không gian
trong quá trình ô tô chuyển động
- Ngoài ra trục các đăng còn có nhiệm vụ cụ thể như:
+ Nối giữa mặt bích hộp số với cầu chủ động
+ Nối giữa hộp số phụ đến cầu xe, sử dụng trong những xe ô tô có động cơ đặt phía
trước dẫn động cầu sau.
1.2 Sơ đồ vị trí và sơ đồ kết cấu của trục các đăng trong truyền lực ô tô

4
a. Sơ đồ vị trí
Hình 1.2 Sơ đồ vị trí của trục các đăng trong hệ thống truyền lực ô tô
- Trên hình 1.2 trục các đăng nối giữa hộp số (màu đỏ) và cầu chủ động (màu
vàng) nhằm truyền momen xoắn từ động cơ phía trước xuống hai bánh xe phía
sau.
- Nhờ có bộ truyền động các-đăng, mọi khó khăn nói trên đã được giải quyết triệt
để. Đồng thời việc bố trí, lắp đặt các cụm trên ôtô được thuận tiện, dễ dàng. Có
thể ví bộ truyền động các-đăng khá giống như đường ống dẫn khí, dẫn thủy lực
hoặc đường dây điện đi khắp các nơi cần thiết trên ôtô. Với bộ truyền động các-
đăng thì không những chỉ truyền lực mà còn truyền được cả mô-men.
b. Sơ đồ kết cấu của trục các đăng

5
Hình 1.3 Kết cấu cụm trục các đăng
- Trục các đăng là một ống thép các bon đủ bền, để chịu được lực xoắn và uốn.
Hai đầu ống được hàn nạng khớp các đăng. Thông thường trục các đăng là một
đoạn ống có hai khớp các đăng ở hai đầu. Thỉnh thoảng người ta dùng loại các
đăng 2 đoạn, 3 đoạn nối với nhau bởi vòng bi đỡ trục các đăng, thiết kế như vậy
để giảm rung động và tiếng ồn.
- Các nạng các đăng được chế tạo liền với các mặt bích dùng để nối truyền động
các đăng với các bộ phận khác (hộp số và cầu chủ động).
- Mối ghép then hoa dạng trượt được chế tạo từ thép hợp kim 20, 15, 12 và tôi
thấm ni tơ với độ sâu tới 1.2mm, hoặc bằng thép các bon 55 tôi bề mặt bằng
dòng điện cao tần. Độ cứng bề mặt sau khi gia công xong phải đạt 61÷64 HRC
tại các vị trí lắp ổ bi.
- Trục chữ thập

6
Hình 1.4 Đầu trục chữ thập
- Tên các bộ phận:
1. Khớp chữ thập
2. Vòng bi
3. Vòng đệm
4. Cốc chứa bi
5. Vòng hãm
6. Vòng đệm
- Tại các đầu của trục chữ thập có lắp các cốc 4 cùng với viên bi kim 2, các viên
bi được chặn bởi vòng hãm 5. Ổ bi được làm kín bởi nhờ vòng đệm 6. Ổ bi của
khớp chữ thập được bôi trơn bằng cách bơm mỡ qua vú mỡ ở giữa khớp và theo
các lỗ khoan trong các trục chữ thập.
- Thân trục các đăng có dạng ống với các nạng được hàn vào các đầu trục hoặc
một đầu có nạng còn đầu kia là then hoa. Các ống của trục các đăng được chế
tạo từ thép tấm bằng cách uốn tròn thành ống và hàn mép hoặc sử dụng dạng
thép hình ống chuyên dụng. Vật liệu chế tạo trục là thép các bon thấp (thép 20).
Đường kính của trục các đăng thường được tiêu chuẩn hóa. Các then hoa được
chế tạo từ thép hợp kim 40X và tôi cao tần để đạt độ cứng bề mặt từ 44,5÷46,5
HRC

7
- Trục các đăng cần được cân bằng động để giảm tối đa rung động khi nó làm
việc. Nếu truyền động các đăng có 2 trục thì việc cân bằng động phải được thực
hiện đồng thời cho cả 2 trục. Trong quá trình cân bằng động, để tạo đối trọng
người ta thường hàn thêm các tấm kim loại lên thân trục các đăng ở vị trí mất
cân bằng.
1.3 Phân loại
- Theo công dụng:
+ Trục các đăng nối giữa hộp số phân phối với cầu xe
+ Trục các đăng nối giữa cầu xe với bánh xe
+ Trục các đăng dẫn động cơ cấu phụ
- Theo tính chất động học:
+ Khớp các đăng khác tốc: tốc độ quay trục bị động và chủ động khác nhau khi
truyền qua khớp nối
+ Khớp các đăng đồng tốc: tốc độ quay trục bị động và chủ động là như nhau
khi truyền qua khớp nối.
- Theo số khớp các đăng:
+ Loại đơn: có nghĩa là trong bộ truyền động các đăng chỉ có duy nhất một khớp các
đăng và chỉ sử dụng cho loại khớp các đăng đồng tốc.
+ Loại kép: có tác dụng truyền mô men xoắn giữa hai cụm, cơ cấu có khoảng cách lớn
và được sử dụng cho loại khớp các đăng khác tốc hoặc kết hợp giữa khớp các đăng
khác tốc và đồng tốc.
- Theo kết cấu:
+ Loại có khớp dạng trục chữ thập
+ Loại khớp dạng bi

8
+ Loại khớp đàn hồi cho phép làm việc ở góc truyền giới hạn
1.4 Yêu cầu
- Đảm bảo độ đồng đều tốc độ giữa trục vào và trục ra
- Độ rung và độ ồn trong quá trình làm việc là tối thiểu
- Tuổi thọ cao
- Ở bất kì số vòng quay nào, trục các đăng cũng không bị võng và va đập, cần
phải giảm tải trọng do momen quán tính sinh ra đến một trị số đảm bảo an toàn
- Các trục các đăng phải đảm bảo quay đều và không sinh ra tải trọng động
- Đối với các đăng đồng tốc phải đảm bảo chính xác về động học trong quá
trình làm việc khi trục chủ động và bị động lệch với nhau một góc bất kì để đảm bảo
hai trục quay cùng tốc độ
- Kết cấu đơn giản, dễ chế tạo, có độ bền vững cao, hiệu suất truyền động cao
2. Cấu tạo và nguyên lý hoạt động của khớp các đăng khác tốc
2.1 Cấu tạo
Hình 2.1 Cấu tạo của khớp các đăng khác tốc kiểu Hooke

9
- Tên các bộ phận:
1. Trục chủ động
2. Trục bị động
3. Đầu nạng của trục
4. Trục chữ thập
5. Cốc chứa bi
6. Ổ con lăn
7. Vòng đỡ phớt
8. Phớt
9. Vòng chặn
2.2 Nguyên lý và quan hệ động học
- Cấu tạo của một khớp các đăng khác tốc kiểu Hooke trình bảy trên hình 2.1 .
Khớp được bố trí truyền mô men với góc nghiêng truyền lực β thay đổi. Cấu tạo
của khớp bao gồm trục chủ động 1 và trục bị động 2. Trục chữ thập 4 được lồng
vào các lỗ trên hai nạng trục 3, thông qua các cốc 5 và ổ con lăn 6. Các vòng chặn
9 giúp định vị các cốc bị 5 và trục chữ thập trong các nạng trục .

10
Hình 2.2 Sơ đồ khớp không gian
- Sơ đồ khớp không gian được mô tả trên hình 2.2. Khi trục chủ động 1 quay
với một góc α
1
nào đó, trục chữ thập 3 chuyển động quay theo và làm trục bị
động 2 quay với góc α
2.
- Nếu góc nghiêng giữa 2 đường tâm trục β = 0, vận tốc tức thời ω
1
= ω
2,
hai
trục có tốc độ bằng nhau. Nếu tồn tại góc nghiêng giữa các đường tâm trục β
≠ 0, quan hệ của hai góc quay trên trục là:
- Sai lệch góc quay :
- Phụ thuộc vào góc quay α
1
với chu kì 180⁰ và góc nghiêng β. Khi β càng
lớn sự sai lệch α
2
- α
1
càng lớn. Vận tốc góc được xác lập nhờ đạo hàm của
góc quay α
2,
α
1
theo thời gian:

11
Hình 2.3 Quan hệ
(
α
2
-
α
1)
,
(
ω
2/
ω
1)
với các giá trị β khác nhau theo góc
quay α
1
- Đồ thị biểu dễn quan hệ
(
α
2
-
α
1),
(
ω
2/
ω
1)
khi vận tốc góc quay ω
1
= const, mô
tả trên hình 2.3. Như vậy trục bị động sẽ quay không đều khi trục chủ động
quay đều. Khớp các đăng Hooke này được gọi là khớp các đăng khác tốc .
Hình 2.4 Bố trí trên ô tô
- Trục truyền trên ô tỏ thường bố trí hai khớp các đăng khác tốc nối với nhau
bởi thân trục dài và góc nghiêng β giới hạn nhỏ hơn 30°, như sơ đồ trên hình
2.4. Để đảm bảo khả năng quay đều của trục bị động ω
3
, (khi ω
1
quay đều),
kết cấu bố trí góc nghiêng β
1
= β
2
và thân trục có chiều dài thay đổi. Khi

12
ω
1
= const ω
2
≠ const, khớp các đăng thứ hai tạo nên sự bù góc quay và đảm
bảo ω
3
= const.
- Đoạn thân trục nối hai khớp (khi làm việc quay với vận tốc góc biến đổi ω
2
)
là chi tiết luôn phải chịu tải trọng động tác dụng tuần hoàn, đặc biệt ở số
vòng quay cao, nên dễ bị hư hỏng bởi mỏi và mài mòn khớp then hoa di
trượt
2.3 Bố trí trục truyền với các đăng khác tốc trên ô tô
- Cấu tạo của các trục truyền sử dụng khớp các đăng khác tốc (Hooke, hình
2.1) nối giữa các cụm trên ô tô phụ thuộc vào chiều dài và góc nghiêng
truyền lực nối các cụm, với nhiều dạng cơ bản như sơ đồ bố trí trên hình
2.5, trục truyền cơ sở với hai khớp các đăng (a), trục truyền hai khớp bố trí
lệch nhau (b), trục truyền hai khớp không có thân trục (c) , trục truyền ba
khớp có ụ đỡ mềm (d) , trục truyền một khớp có khớp nối mềm (e) .
Hình 2.5 Sơ đồ bố trí Trục các đăng khác tốc
K: Các khớp các đăng kiểu Hooke
β: Các góc nghiêng truyền động
Um: Ụ đỡ mềm

13
Km: Khớp nối đàn hồi
a) Trục truyền cơ sở với hai khớp các đăng
Trục truyền sử dụng hai khớp các đăng khác tốc K1, K2 nối với nhau bởi thân trục
3 (hình 2.6a).
Chiều dài thân trục tùy thuộc vào khoảng cách giữa các cụm. Trên thân trục bố trí
khớp then hoa 4 di trượt cho phép thay đổi chiều dài của trục khi trục truyền làm
việc. Để đảm bảo khả năng đồng tốc giữa trục chủ động và bị động cần bố trí pha
của góc quay các khớp các đăng bằng nhau (α2 = α1), hai khớp được bố trí trên
cùng mặt phẳng. Trên thân trục ở chỗ lắp then hoa có vạch dấu lắp ráp.
Thân trục được cân bằng tĩnh và cân bằng động tốt. Sự mất cân bằng khối lượng có
thể gây đứt thân trục truyền ở số vòng quay nguy hiểm.
Các trục chữ thập nằm trong nạng vừa quay và vừa truyền tải động, ổ con lăn 8
nhỏ giúp giảm ma sát trong không gian, và được bôi trơn theo định kỳ, hoặc một
lần khi lắp ráp. Trong thân trục chữ thập 12 có khoan các đường dẫn 13 từ vú mỡ
đến bôi trơn ổ.
Trên nhiều HTTL của ô tô tải có góc nghiêng truyền lực lớn, cụm động cơ hộp số,
cụm cầu chủ động được bố trí sao cho có thể giảm góc nghiêng của trục truyền
nhằm hạn chế tải trọng động và nâng cao tuổi thọ của trục truyền (hình 2.6d). Kết
cấu trục truyền cơ sở có hại khớp các đăng được sử dụng để nối cụm động cơ với
cầu xe, hộp số với hộp phân phối, nối truyền lực giữa các cầu trên ô tô nhiều cầu
chủ động, nối hộp số với các hộp thu công suất...

14
Hình 2.6 Trục các đăng khác tốc kiểu Hooke
K: Các khớp các đăng
1. Mặt bích chủ động 8. Cốc chứa bi
2. Mặt bích bị động 9. Ổ con lăn
3. Thân trục 10. Phớt chắn mỡ
4. Then hoa trên trục 11. Phớt che bụi
5. Trục truyền 12. Trục chữ thập
6. Cầu giữa 13. Lỗ chứa mỡ
7. Cầu sau
b) Trục truyền ba khớp có ụ đỡ mềm, trục truyền một khớp với khớp
nối mềm
Để nối truyền động với khoảng cách dài, trục truyền có thể bố trí thành nhiều đoạn
nối với nhau bằng các khớp và có các giá mềm đỡ trục.
Trên hình 2.7 trình bày dạng bố trí trục truyền cho ô tô vận tải thân dài sử dụng 3
khớp các đăng và một ụ đỡ mềm. Trục gồm 2 đoạn thân trục 3 và 4 nối với nhau
thông qua mặt bích 8 của trục. Đoạn trục thứ nhất được bố trí song song với trục
dọc của xe và đặt trong ụ đỡ mềm Um. Khớp K1 đóng vai trò bù các góc do biến

15
dạng của khung xe và ụ đở mềm. Đoạn trục thứ hai có cấu tạo là một trục truyền cơ
sở hai khớp các đăng K2, K3 thực hiện chức năng đảm bảo vận tốc trên trục cầu xe
(trục bị động) luôn bằng vận tốc trục hộp số (trục chủ động).
Hình 2.7 Trục truyền ba khớp có ụ đỡ mềm
K: Các khớp các đăng
Um: Ụ đỡ mềm
1. Hộp số 5. Ổ bi
2. Cầu 6. Giá đỡ ổ bi
3. Đoạn trục thứ nhất 7. Ụ cao su
4. Đoạn trục thứ hai
8. Mặt bích nối
9. Giá treo ụ
Trên hình 2.8 trình bày dạng bố trí trục truyền cho ô tô con có cầu sau chủ động
với góc nghiêng truyền lực (β) nhỏ. Trục gồm 2 đoạn thân trục 3 và 4 nối với nhau
thông qua khớp các đăng K1. Đoạn trục 3 được bắt với hộp số 1 nhờ khớp đàn hồi
Km. Đoạn trục 4 nối giữa khớp K1 với cầu xe 2 bằng mặt bích 5. Cầu xe bố trí liên

16
kết với khung vỏ, nên sự biến dạng của giá đỡ mềm Um rất nhỏ. Toàn bộ trục
truyền được coi bố trí liên kết với khung vỏ. Khớp các đăng K1 giúp cho trục
truyền ít chịu ảnh hưởng của biến dạng. Kết cấu trục truyền như vậy được sử dụng
cho liên kết bánh xe với khung vỏ nhờ hệ thống treo độc lập.
Hình 2.8 Trục truyền một khớp các đăng với khớp nối
mềm K: Các khớp các đăng 1. Hộp số
Um: Ụ đỡ mềm 2. Cầu
Km: Khớp nối đàn hồi 3. Đoạn trục 1
4. Đoạn trục 2
5. Mặt bích nối

17
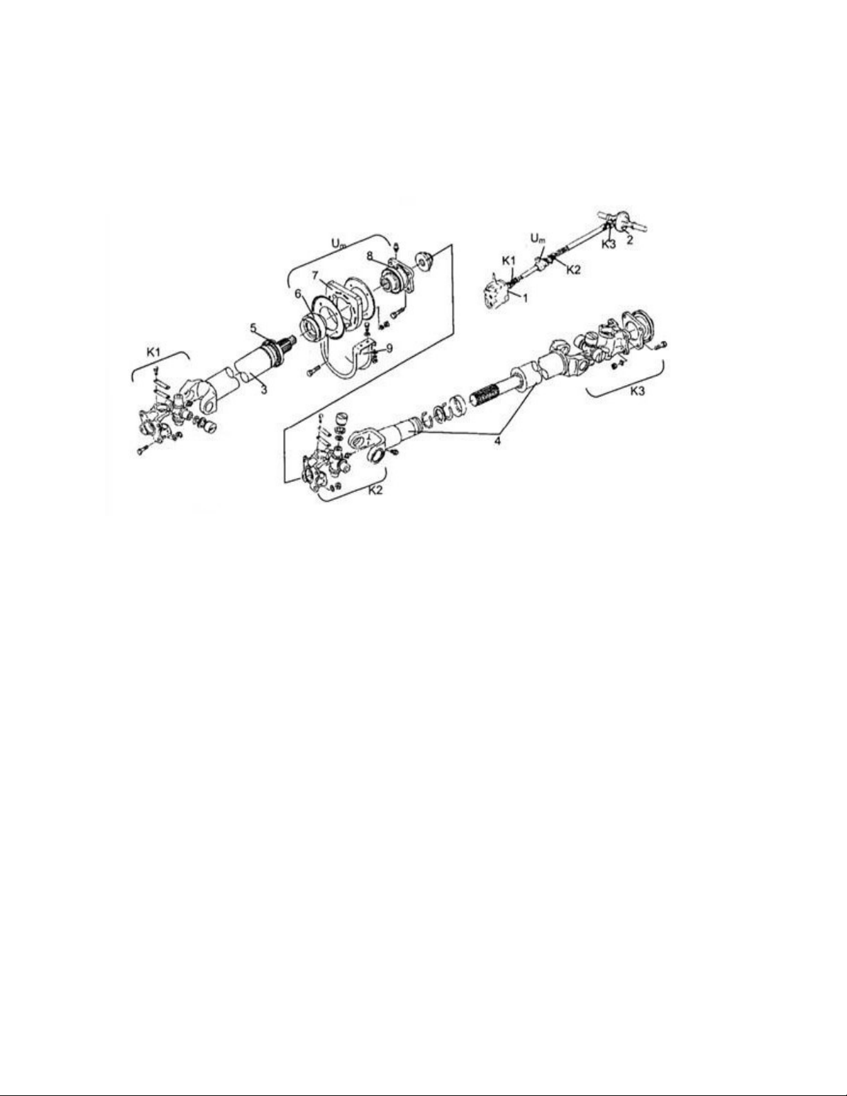
CHƯƠNG II : PHÂN TÍCH KẾT CẤU TRỤC CÁC ĐĂNG ĐƯỢC GIAO
1. Sơ đồ kết cấu
1. Vỏ mặt bích
2. Bu lông
3. Khớp chữ thập
4. Nạng các đăng
5. Vú bơm mỡ
6. Mối ghép hàn
7. Tấm định vị
8. Lẩy cố định
9. Nắp chụp
10. Nắp chặn kín
11. Nắp chụp
12. Đệm
13. Thân các đăng

18
14. Then hoa
15. Đệm điều chỉnh
2. Một số đặc điểm về cấu tạo và nhiệm vụ :
- Trục chữ thập :
+ có 2 khớp, 1 khớp gắn với đầu để gắn vào mặt bích hộp số, 1 khớp gắn với
đuôi để gắn vào bộ vi sai.
+ Trên trục chữ thập (3) có một lỗ nhỏ để chúng ta bơm mỡ, mục đích là bôi
trơn các ổ bi và nắp vòng bi.
+ Trên hai đầu trục chữ thập được gắn một cái nạng chữ U (4). Khi đầu
nạng 1 quay thì đầu nạng 2 sẽ quay theo
- Nạng các đăng được chế tạo liền với các mặt bích dùng để nối truyền động
các đăng với các bộ phận khác (hộp số và cầu chủ động).
- Thân các đăng : được chế tạo rỗng, khi sản xuất sẽ có dung sai chỗ dày chỗ
mỏng. Khi quay trục sẽ bị đảo nên trọng tâm của thân các đăng sẽ không
nằm ở chính giữa mà bị lệch trong không gian. Trong sản xuất người ta sẽ có
máy đo để kiểm tra chỗ nào bị thiếu hụt. Qua đó sẽ dán một tấm định vị (7)
bằng thép để cân bằng động khi trục quay tròn
- Khớp trượt : + bên ngoài là mặt bóng dạng ống
+ bên trong sẽ có các rãnh then hoa(14) . Các rãnh then hoa có
công dụng ăn khớp với các rãnh then hoa ở trên trục thứ cấp hộp số. Khi
trục thứ cấp quay thì làm cho khớp trượt quay theo. Khi hoạt động khớp
trượt chịu 2 lực (một là quay tròn hau là thụt vào thụt ra)
- Mối ghép then hoa (14) dạng trượt được chế tạo từ thép hợp kim 20, 15, 12
và tôi thấm ni tơ với độ sâu tới 1.2mm, hoặc bằng thép các bon 55 tôi bề mặt

19
bằng dòng điện cao tần. Độ cứng bề mặt sau khi gia công xong phải đạt
61÷64 HRC tại các vị trí lắp ổ bi.

20
CHƯƠNG III: TÍNH TOÁN KIỂM NGHIỆM
Bài tập: Cho biết các số liệu của xe du lịch: mô men
M
emax
=160 Nm, tỷ số truyền i
h1
=3,6.
Các kích thước của chạc chữ thập bộ truyền các đăng:
H=57,2mm, l=11,7mm; d=14,7 mm; r=(H-l)/2
Các kích thước của nạng: đường kính lỗ d=15mm;
khoảng cách từ đường tâm cổ trục lắp ổ bi tới mặt đầu
của nạng H=33 mm; kích thước của tiết diện nguy
hiểm: rộng b=17 mm, chiều dài l=50 mm, cánh tay đòn
c = 30 mm, cánh tay đòn a = 15 mm. Khi tính, lấy bán
kính trung bình đặt lực ngang R= H-d/2 (hình vẽ 2)
Yêu cầu:
- Tính kiểm tra bền chạc chữ thập
- Tính kiểm tra bền nạng của các đăng
Bài
làm
Tính bền trục chữ thập
Trục chữ thập được làm bằng thép hợp kim: 20X
Điều kiện bền uốn σ
u
≤ [ σ
u
] = 250÷300 Mpa
Điều kiện bền cắt τ
c
≤
80÷120Mpa
Các ngõng của trục chữ thập được tính kiểm tra bền uốn và cắt dưới dạng tác
Bấm Tải xuống để xem toàn bộ.