








Preview text:
ĐẠI HỌC ĐÀ NẴNG
TRƯỜNG ĐẠI HỌC BÁCH KHOA KHOA ĐIỆN BÀI TẬP
ĐIỀU KHIỂN TRUYỀN ĐỘNG ĐIỆN
Giảng viên : PGS LÊ TIẾN DŨNG
Sinh viên thực hiện: LÊ Thanh Thưởng
Nhóm HP / Lớp: Nh20.34
Ngành: Kỹ thuật điều khiển và tự động hoá Bài tập 2
a. Mô phỏng động cơ điện trong Simulink
Kết quả mô phỏng về tốc độ và momen động cơ đồng bộ 3 pha không tải
Chọn động cơ số 2 trong bản chọn của simulink
Động cơ 3 pha đồng bộ ( PMSM ) sử dụng nguồn AC 220V cho momen cực đại khi không tải là 1.8N.m và
khởi động sau 0.04s ở đây rất giao động lên xuống vì khởi động chưa hoàn tất nhưng đáp ứng đáp ứng
được yêu cầu của bài
Đồ thị tốc độ không tải tốc độ tối đa 220rad/s có thể đáp ứng được yêu cầu của bài chỉ yêu cầu tốc độ
tối đa khi ở chiều thuận là 100rad/s và 70 rad/s ở chiều nghịch . Tốc độ không tải khi ổn định là 160rad/s
b. Mô phỏng bộ biến tần Bộ chỉnh lưu
Kết quả mô phỏng bộ chỉnh lưu
Với nguồn xoay chiều 3 pha ban đầu lệch nhau 1 góc 1200
Dòng điện và điện áp sau bộ chỉnh lưu
Ta thấy khi qua chỉnh lưu cầu kép 3 pha dòng điện trở thành dòng 1 chiều có giá trị chạy
từ 93A đến 107A dòng điện thay đổi nhấp nhô không ổn định do chưa thông qua mạch lọc , điện áp
cũng trở thành điện áp 1 chiều thay đổi nhấp nhô từ 460 V tới 540A thoã mãn với điện áp đầu ra của
mạch chỉnh lưu theo điện tử công suất
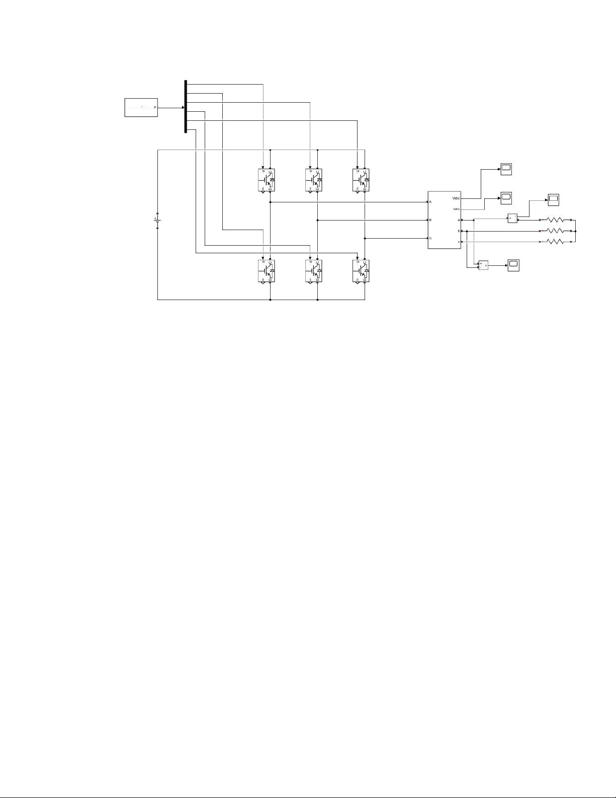
Mô phỏng mạch nghịch lưu
Kết quả mô phỏng nghịch lưu
Điện áp Vabc thay đổi từ 600V đến -600V do điện áp 1 chiều đặt vào là 600V tạo ra nguồn xoay chiều
Điện áp Iabc thay đổi từ -200A đến -200A tạo thành dòng xoay chiều Đ
Điện áp đặt trên pha A đầu ra chỉnh lưu tạo thành dạng bậc thang có dạng sóng sin phù hợp với yêu cầu đầu ra nghịch lưu
Điện áp giữa 2 pha A và B duy trì trong khoảng thời gian 0.01s sau đó đảo chiều có độ lớn từ -600V đến 600A c. Mô tả hệ hở
Kết quả mô phỏng hệ hở
Khi dòng điện qua biến tần tới động cơ hoạt động ổn định với tốc độ ổn định khi hoàn tất quá trình khởi
động là 150 N.m và momen ổn định không vượt quá momen định mức của động cơ lúc này không tải và
động cơ hoạt động ổn định phù hợp bài toán