










Preview text:
ĐẠI HỌC BÁCH KHOA HÀ NỘI
VIỆN ĐIỆN – ĐIỆN TỬ
CHUYÊN NGÀNH ĐIỆN TỬ VIỄN THÔNG
BÁO CÁO BÀI TẬP LỚN
MÔN HỌC: LÝ THUYẾT MẠCH
ĐỀ TÀI: MẠCH CÒI CẢNH SÁT
NGƯỜI THỰC HIỆN: Tạ Văn Tùng – 20224195 Mục lục
1. GIỚI THIỆU CHUNG ................................ 2
1.1. Mạch còi cảnh sát là gì ? ........................ 2
1.2. Các ặc iểm cơ bản. ............................... 2
1.3. Tính năng và ứng dụng. .......................... 2
2. THIẾT KẾ MẠCH ...................................... 3
2.1. Giới thiệu IC NE555. .............................. 3 2.1.1.
IC NE555 là gì ? ............................ 3 2.1.2.
Cấu tạo chân. ................................. 4 2.1.3.
Cấu tạo bên trong. ......................... 6
2.1.4. Đặc iểm. ............................................. 7
a) Chế ộ phi ổn (Astable Mode).................. 8
b) Chế ộ ơn ổn (Monostable Mode). ........ 8
c) Chế ộ lưỡng ổn (Bistable Mode). ........... 8
2.2. Cấu tạo mạch. ...................................... 9
2.3. Sơ ồ mạch. ........................................... 9
2.4. NGUỒN THAM KHẢO ................... 11 1
1. GIỚI THIỆU CHUNG
1.1. Mạch còi cảnh sát là gì ?
Mạch còi cảnh sát là một thiết bị quan trọng trong hệ thống cảnh sát
giao thông và cảnh sát ô thị, óng vai trò không thể thiếu trong việc
iều tiết giao thông và cảnh báo nguy hiểm. Mạch còi này ược lắp ặt
trên các phương tiện công cộng như xe cảnh sát, xe cứu hỏa và xe
cứu thương ể thu hút sự chú ý và cảnh báo cho người dân về sự xuất
hiện của các phương tiện ưu tiên.
1.2. Các ặc iểm cơ bản. -
Âm Thanh Đặc Trưng: Mạch còi cảnh sát phát ra âm thanh lớn,
sắc nét và có tần số cao, giúp thu hút sự chú ý của người i ường và
các phương tiện khác. Âm thanh của mạch còi thường ược thiết kế ể
dễ dàng phân biệt với các loại còi khác, nhằm tăng cường tính nhận diện. -
Chức Năng Cảnh Báo: Mạch còi cảnh sát ược sử dụng ể cảnh
báo về việc iều tiết giao thông hoặc báo hiệu sự khẩn cấp. Khi nghe
thấy tiếng còi này, người tham gia giao thông cần chủ ộng nhường
ường và tạo iều kiện cho các phương tiện ưu tiên i qua một cách an toàn. -
Tính Ưu Việt và An Toàn: Thiết kế của mạch còi cảnh sát
thường ảm bảo tính ưu việt và an toàn cao. Độ ồn lớn và âm thanh rõ
rệt giúp tránh tai nạn do sự chủ quan của người lái xe và làm tăng
hiệu quả trong việc ứng cứu khẩn cấp.
1.3. Tính năng và ứng dụng.
Mạch còi cảnh sát không chỉ ơn giản là một phương tiện cảnh báo mà
còn có những ứng dụng khác như: -
Giảm tai nạn giao thông: Bằng cách cảnh báo và yêu cầu các
phương tiện khác phản ứng nhanh chóng, mạch còi cảnh sát giúp
giảm thiểu tai nạn giao thông. -
Đảm bảo an toàn công cộng: Khi thực hiện nhiệm vụ bảo vệ trật
tự công cộng, mạch còi cảnh sát giúp xe cảnh sát có thể thu hút sự chú
ý của công chúng và các bên liên quan. -
Phục vụ nhu cầu khẩn cấp: Trong các tình huống khẩn cấp như
uổi bắt tội phạm, mạch còi cảnh sát ược sử dụng ể yêu cầu các
phương tiện khác nhường ường ể xe cảnh sát di chuyển nhanh chóng và an toàn. 2
Mạch còi cảnh sát không chỉ ơn giản là một thiết bị phát ra âm thanh.
Đó là một phần quan trọng của hệ thống cảnh báo giao thông, góp
phần tích cực vào việc duy trì trật tự, an toàn giao thông và ảm bảo sự
an toàn cho cả cán bộ chiến sĩ và người dân. Sự hiệu quả của mạch
còi cảnh sát ã ược chứng minh thông qua các trường hợp ứng cứu và
kiểm soát tình huống giao thông bất ngờ.
2. THIẾT KẾ MẠCH
2.1. Giới thiệu IC NE555.
2.1.1. IC NE555 là gì ?
Bộ ịnh thời 555 là một dạng mạch tích hợp kỹ thuật số (IC) có thể ược
sử dụng như một bộ tạo xung nhịp. Nói cách khác, IC 555 là một
mạch có thể ược sử dụng như một bộ tạo xung a hài ổn ịnh hoặc ơn ổn
ịnh. Nói một cách ơn giản hơn, IC 555 là một mạch ịnh thời ơn , có
thể tạo ra các xung ịnh thời chính xác với chu kỳ làm việc 50% hoặc
100%. Nó ược phát triển vào năm 1970 bởi Signetic Corporation và
ược thiết kế bởi Hans Camenzind vào năm 1971.
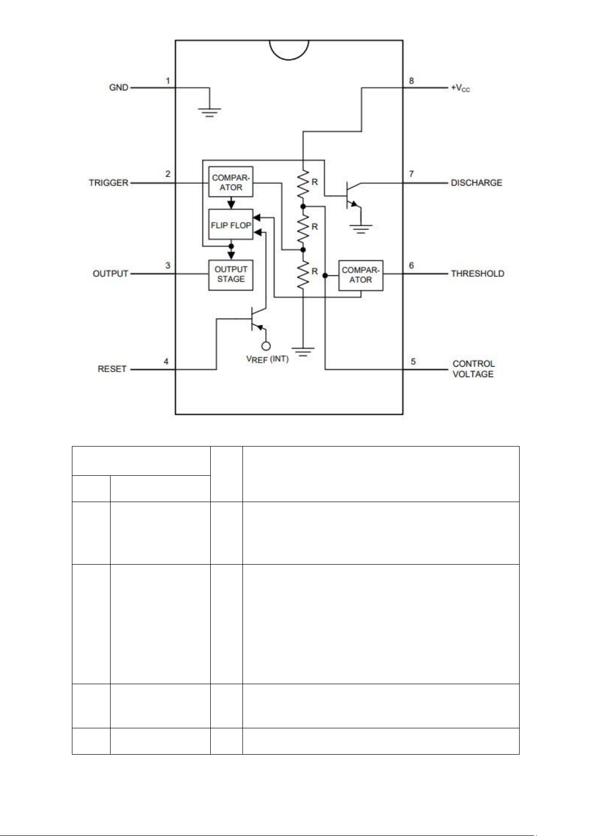
2.1.2. Cấu tạo chân. 3 Chân Chức năng I/O Số Tên
Là chân nối ất, tất cả các mức iện áp iều 1 GND
O ược so sánh với áp tại ường dây nối ất.
Là chân kích, ược dùng ể cung cấp ầu vào
kích cho IC 555 hoạt ộng ở chế ộ ơn ổn.
Chân này là ầu vào ảo của bộ so sánh có 2 Trigger
I nhiệm vụ làm cho transistor của flip flop
chuyển trạng thái từ set sang reset. Ngõ ra
của bộ ịnh thời phụ thuộc
vào ộ lớn xung bên ngoài ưa vào chân trigger. 3 Output
O Chân tín hiệu ra ở dạng xung vuông. 4
Bất cứ khi nào bộ ịnh thời bị reset, một
xung âm ược ưa ến chân 4. Đầu ra ược
thiết lập lại trạng thái ban ầu bất kể iều 4 Reset
I kiện ầu vào. Khi chân này không ược sử
dụng, ta nối lên Vcc ể tránh mọi khả năng kích hoạt sai.
Là chân iện áp iều khiển. Chân ngưỡng
và chân kích iều khiển sử dụng chân này.
Biên ộ sóng ra ược quyết ịnh bởi một Control
biến trở hoặc một iện áp bên ngoài ược 5 I Voltage
ưa vào chân này. Vì vậy, lượng iện áp
trên chân này sẽ quyết ịnh khi nào bộ so
sánh ược chuyển ổi, và do ó thay ổi biên ộ của ầu ra.
Điện áp ặt vào chân này ược so sánh với
iện áp tham chiếu 2/3 Vcc. Khi iện áp tại 6 Threshold
I chân này lớn hơn 2/3 Vcc, flip-flop bị
RESET và ngõ ra chuyển từ Cao xuống Thấp.
Là chân xả iện. Chân này ược kết nối với
cực thu hở của transistor NPN bên trong ể 7 Discharge
I cho phép tụ ịnh thời xả iện. Khi iện áp tại
chân này ạt ến 2/3 VCC, ngõ ra sẽ chuyển từ Cao xuống Thấp.
Là chân cấp nguồn. Nguồn cung cấp trong 8 Vcc I khoảng từ 5V ến 18V.
2.1.3. Cấu tạo bên trong. 5
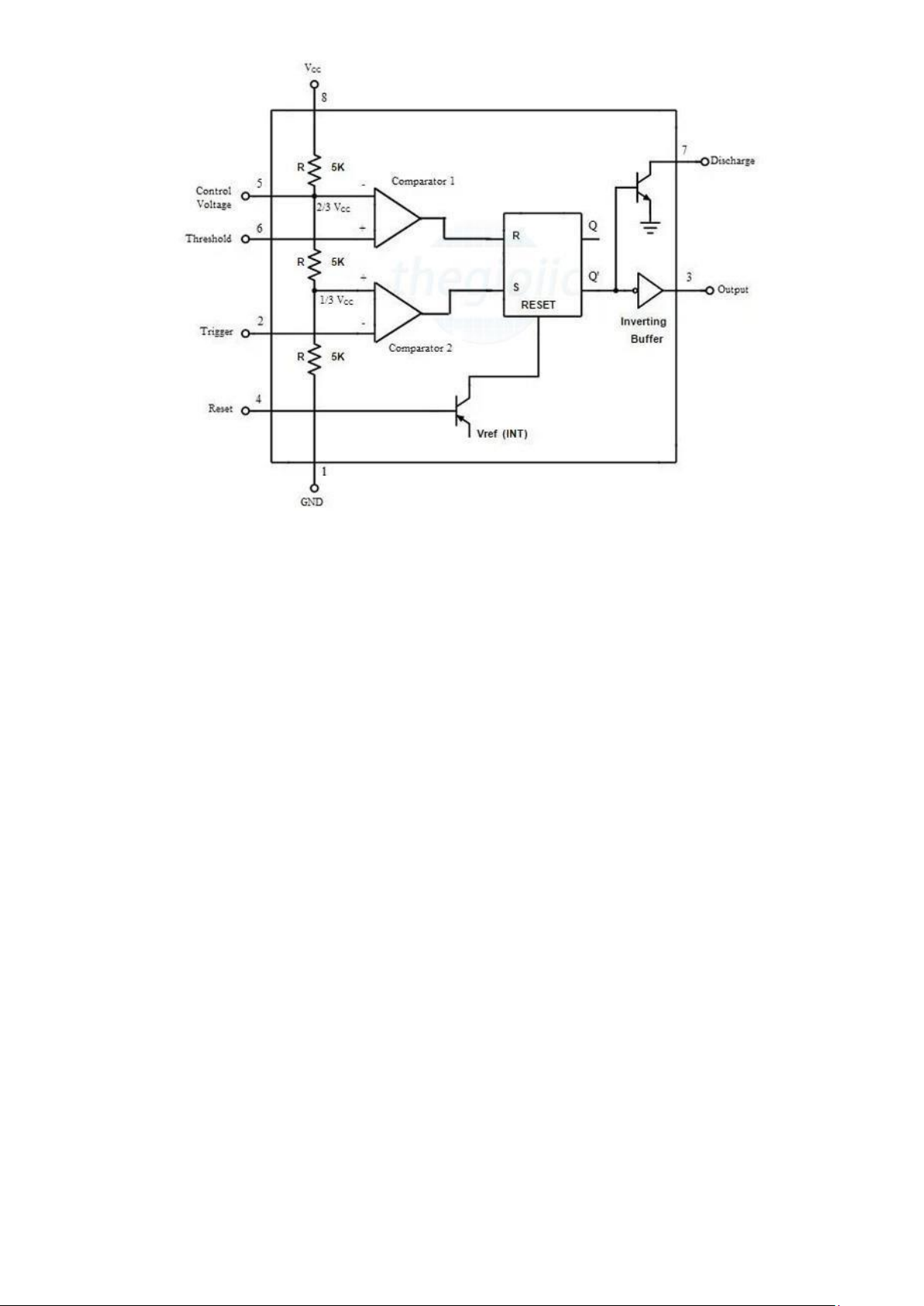
- Bên trong một IC ịnh thời 555 bao gồm những thành phần sau ây: + Hai bộ so sánh. + Một SR flip – flop. + Hai transistor. + Một mạng iện trở.
- Các bộ so sánh chính là các Op-Amp cơ bản. Bộ so sánh 1 so sánh
iện áp ngưỡng với iện áp tham chiếu VCC 2/3. Tùy thuộc iện áp của
chân 6 so với iện áp chuẩn 2/3 VCC mà bộ so sánh 1 có iện áp mức
cao hay thấp ể làm tín hiệu R (Reset) iều khiển flip-flop.
- Bộ so sánh 2, cung cấp ầu vào S cho flip-flop, so sánh iện áp kích
hoạt với iện áp tham chiếu VCC 1/3. Tùy thuộc iện áp của chân 2 so
với iện áp chuẩn 1/3 VCC mà bộ so sánh 2 có iện áp mức cao hay
thấp ể làm tín hiệu S (Set) iều khiển flip-flop.
- Mạng iện trở gồm ba iện trở sẽ hoạt ộng như một mạch chia iện áp.
Giá trị của các iện trở này là 5KΩ. Ba iện trở 5K này chịu trách
nhiệm về tên “IC 555”.
- Trong số hai transistor, một transistor là transistor xả iện. Cực thu hở
của transistor này ược kết nối với chân xả iện (Chân 7) của IC. Tùy
thuộc vào trạng thái ngõ ra của flip-flop mà transistor này dẫn bảo hòa hoặc tắt. 6
- Khi transistor dẫn bão hòa, nó cung cấp một ường dẫn xả iện tới tụ
iện ược kết nối bên ngoài. Cực nền của transistor kia ược kết nối với
chân reset (Chân 4) ể reset bộ ịnh thời bất chấp trạng thái của các ngõ vào khác.
2.1.4. Đặc iểm.
- Có hai loại IC 555: NE555 và SE555. Trong khi NE555 có thể ược
sử dụng trong phạm vi nhiệt ộ 0-70°C, SE555 có thể ược sử dụng
trong phạm vi nhiệt ộ từ -55°C ến 125°C.
- Có sự ổn ịnh nhiệt ộ 0,005% mỗi °C.
- Nó có thể hoạt ộng với các nguồn iện khác nhau, từ 5 V ến 18 V.
- Nó có thể ược sử dụng như một bộ tạo xung hoặc một bộ dao ộng
bằng cách vận hành nó ở các chế ộ khác nhau.
- Tên gọi 555 xuất phát từ thực tế là nó chứa ba iện trở 5 Kilo-Ohm
mắc nối tiếp ể tạo thành mô hình phân áp.
- Có thể iều khiển cả Transistor-Transistor Logic (TTL) do dòng iện
ầu ra cao và các mạch logic CMOS.
- Có dòng iện ầu ra cao và chu kỳ làm việc có thể iều chỉnh.
- IC 555 có thể hoạt ộng trong cả hai chế ộng không ổn ịnh và chế ộ ơn ổn.
- Ngõ ra có thể cung cấp cho tải một dòng iện 200mA theo kiểu sink hoặc source.
- Có chứa 24 transistor, 2 diode và 17 iện trở.
- IC 555 có sẵn dưới dạng IC 8 chân (DIP).
- Thời gian ịnh thời có thể từ micro giây ến hàng giờ.
2.1.5. Chế ộ làm việc.
a) Chế ộ phi ổn (Astable Mode). 7
Trong chế ộ này, 555 hoạt ộng như một chế ộ chạy tự do. Ngõ ra của
mạch dao ộng a hài phi ổn (Multivibrator Astable) sẽ liên tục chuyển
ổi trạng thái giữa thấp và cao mà không cần tín hiệu ầu vào hoặc kích
hoạt trigger do ó tạo ra một chuỗi xung vuông, ó là lý do tại sao nó
ược biết như là máy phát xung vuông.
b) Chế ộ ơn ổn (Monostable Mode).
Mạch có thể coi là bộ ếm thời gian một lần chỉ có một trạng thái ầu ra
ổn ịnh. Trong chế ộ này một tín hiệu trigger làm cho tín hiệu ầu ra ở
mức cao và nó sẽ giữ giá trị ở mức cao trong một khoảng thời gian
nhất ịnh sau ó tự ộng ặt lại giá trị mức thấp, nó sẽ ở mức thấp cho ến
khi ược kích hoạt lại bởi tín hiệu trigger.
c) Chế ộ lưỡng ổn (Bistable Mode).
Ở chế ộ này có 2 trạng thái ầu ra ổn ịnh ược iều khiển bởi hai tín hiệu
trigger. Một trigger có thể ặt ầu ra thành mức cao, trong khi một
trigger khác có thể ặt lại ầu ra về mức thấp, chúng thường ược coi là
flip – flop. IC 555 hoạt ộng như một flip-flop vì nó có hai trạng thái
ổn ịnh. Nó có thể ược sử dụng ể lưu trữ 1-bit dữ liệu. Tuy nhiên, IC
555 không phải là một lựa chọn tốt ể thay thế cho flipflop. 2.2. Cấu
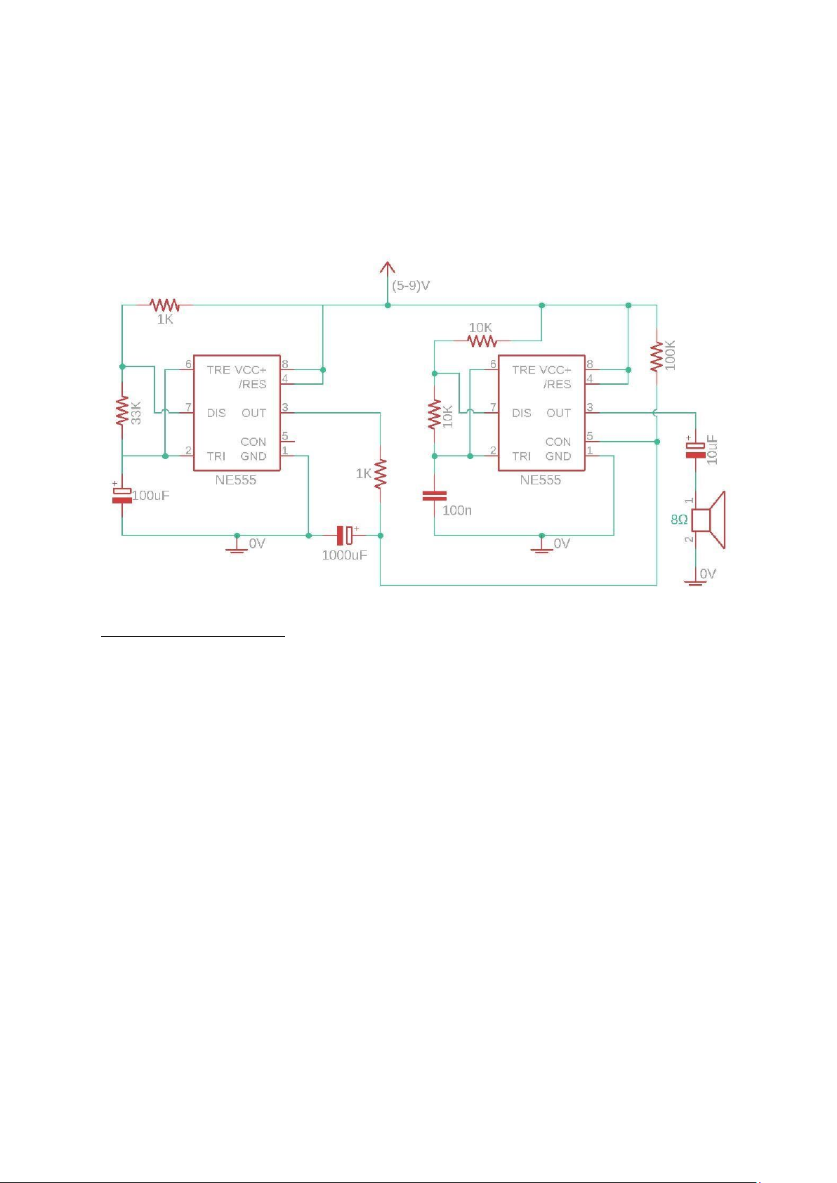
tạo mạch. - 2x IC NE555 - Loa 8Ω 8
- Điện trở: 100K, 33K, 2x 1K, 2x 10K
- Tụ iện: 1000uF, 100uF, 10uF, 100nF - Breadboard - Dây nối - Nguồn (5-9)V
2.3. Sơ ồ mạch. Nguyên lý hoạt ộng:
- Ở ây ta ã sử dụng cách sắp xếp tương tự bằng cách sử dụng chế ộ
phi ổn của IC 555 ể tạo ra một âm thanh duy nhất. Nhưng ể bắt
chước tiếng còi cảnh sát, chúng ta cần chuyển ổi qua lại giữa 2 âm hoặc tần số.
- Và sự chuyển ổi giữa hai âm này có thể thực hiện ược bằng cách sử
dụng IC 555 thứ hai ở chế ộ phi ổn ịnh và bằng cách kết nối ầu ra
của nó với chân iều khiển của IC 555 ầu tiên. Bây giờ tùy thuộc vào
trạng thái ầu ra của IC 555 ầu tiên, chúng ta nhận ược 2 tần số khác nhau từ IC 555 thứ hai.
- Do có tụ iện 1000uF nên iện áp ở chân iều khiển tăng giảm dần thay
vì tăng giảm ột ngột. Và kết quả là chúng ta có ược ầu ra mượt mà
dao ộng giữa 2 âm tương tự như tiếng còi cảnh sát.
Mô phỏng trên phần mềm proteus 9 Mạch thực tế NGUỒN THAM KHẢO
Giới thiệu IC ịnh thời 555 (dientuviet.com)
Police Siren Circuit Using 555 IC (elonics.org)
Police Siren Circuit on Breadboard | 555 Timer Project #14 (youtube.com)
Các chế ộ làm việc của bộ ịnh thời 555 | Học Nghề Kỹ Sư Điện & Điện Tử - YouTube 10