



Preview text:
lOMoAR cPSD| 59735516
Báo cáo thực hành buổi 3 Họ tên: Nguyễn Gia Vũ Mssv: 23020321
Bài 1. Phân loại một số loại tụ điện thường sử dụng, phân biệt giữa tụ thường và tụ phân cực. STT Loại tụ điện
Giá trị điện dung
Giá trị điện dung đo đọc được được C1 Tụ phân cực 0,47 F 0,4761 F C2 Tụ thường 0,1 F 0,0506 F C3 Tụ thường 0,01 F 0,0179 F C4 Tụ thường 33pF 40,42pF
Bài 2. Tụ điện mắc nối tiếp/ song song.
1. 3 tụ mắc song song lOMoAR cPSD| 59735516
2. 3 tụ mắc nối tiếp
Giá trị: C1=0,01 F, C2=C3=0,1 F STT
Giá trị điện dung Ceq đo được
Giá trị điện dung Ceq tính toán 1 0,1566 F 0,21 F 2 10,55pF 8,33pF
Bài 3. Tụ điện mắc nối tiếp/ song song.
(a). C1=0,01 F, C2=0,1 F, C3=0,1 F
(b). C1=33pF, C2=0,47 F, C3=0,01 F, C4=C5=0,1 F STT
Giá trị điện dung Ceq đo được
Giá trị điện dung Ceq tính toán 1.(a) 0,0405 F 0,06 F 2.(b) 0,0162 F 0,0098 F lOMoAR cPSD| 59735516
Bài 4. Nhận biết cuộn cảm và cách đọc thông số trên cuộn cảm. STT Vạch màu
Giá trị đọc được
Giá trị đo được L Nâu-đen-cam-bạc 10×103 10% H 10,48mH
Bài 5. Cuộn cảm mắc nối tiếp/ song song. STT
Giá trị điện cảm Leq đo được
Giá trị điện cảm Leq tính toán 1.a 29,28mH 30mH 2.b 3,95mH 3,333mH
Giá trị: tất cả các cuộn cảm có giá trị điện cảm là 10mH
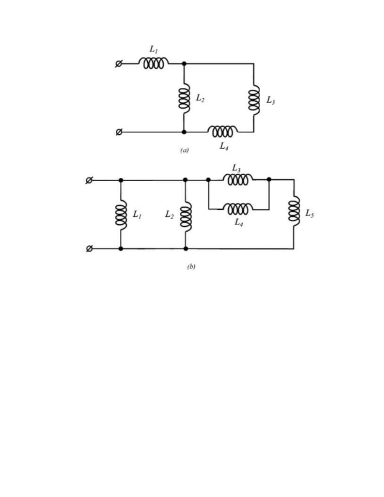
Bài 6. Cuộn cảm mắc nối tiếp/ song song. STT
Giá trị điện cảm Leq đo được
Giá trị điện cảm Leq tính toán a 16,32mH 16,667mH b 3,7mH 3,75mH lOMoAR cPSD| 59735516