















Preview text:
TRƯỜNG ĐẠI HỌC BÁCH KHOA HÀ NỘI
Trường Điện – Điện Tử
BÁO CÁO THỰC TẬP CƠ BẢN
Sinh viên thực hiện: Trần Nhật Minh 20214012 Lớp: Điện tử 03 -K66 Mã lớp: 726392
Giáo viên hướng dẫn: Phan Văn Phương Hà Nội 02/2023 1 Mục lục I. Tìm hiểu tín hiệu số
1. Khái niệm tín hiệu số
2. Ưu, nhược điểm của tín hiệu số a, Ưu điểm b, Nhược điểm II.
Các định lý của Đại số Boole và định luật De Morgan
III. Tìm hiểu về LED 7 thanh
1. Giới thiệu về LED 7 thanh 2. Cấu tạo 3. Nguyên lý hoạt động 4. Phân loại 5. Ứng dụng thực tế
IV. Các cổng logic cơ bản 1. Khái niệm cổng logic 2. Bảng chân lí
3. Các cổng logic cơ bản a, Cổng OR b, Cổng AND c, Cổng NOT d, Cổng NAND e, Cổng XOR f, Cổng XNOR g, Cổng NOR
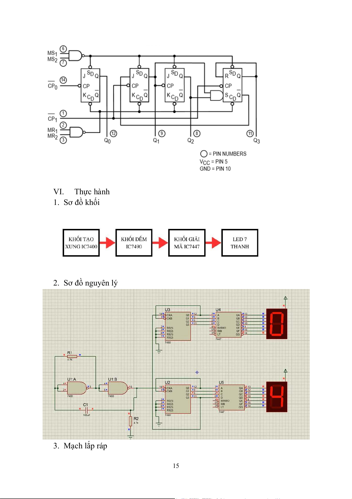
4. Ứng dụng của cổng logic V. IC số 1. IC 7400 2. IC 7447 3. IC 7490 4. Lắp ráp VI. Thực hành 1. Sơ đồ khối 2. Sơ đồ nguyên lý 3. Mạch lắp ráp VII. Kết luận 2 I. Tín hiệu số
1. Khái niệm tín hiệu số
Tín hiệu số là tín hiệu được sử dụng để biểu diễn dữ liệu dưới dạng một
chuỗi các giá trị rời rạc; tại bất ký thời điểm nào, nó chỉ có thể đảm nhận một
trong số các giá trị hữu hạn. Điều này tương phản với một tín hiệu tương tự, đại
diện cho các giá trị liên tục. Đây là tín hiệu được thể hiện bằng những con số cụ
thể trong máy tính gọi là nhị phân điện thế 0-1; thể hiện ở 2 mức cao và thấp
trong đó mức điện thế cao là 1 và mức điện thế thấp là 0 hay còn được hiểu với nghĩa là OFF – ON.
2. Ưu điểm và nhược điểm của tín hiệu số a, Ưu điểm:
- Khi sử dụng tín hiệu số trong quá trình truyền tải sẽ giúp loại bỏ các tạp âm
- Việc sao chép các thông tin được thực hiện chất lượng hơn và không bị hạn chế
- Tín hiệu số không bị ảnh hưởng bởi điện áp và dao động nhiệt
- Dù là các biến dạng tuyến tính hay không tuyến tính, tín hiệu số vẫn không bị biến dạng
- Tốc độ không làm ảnh hưởng hay gây méo dao động b, Nhược điểm:
- Tín hiệu số được biểu thị dưới dạng số 0-1 do vậy chúng dễ bị tổn thất khi
truyền tải. Trong quá trình truyền âm thanh những sai sót một vài byte dữ liệu
cũng khiến cho âm thanh bị lỗi
- so với tín hiệu tương tự, hệ thống, quy trình xử lý tín hiệu digital phức tạp và tốn hép hơn rất nhiều
c, Ứng dụng của tín hiệu số
- Tín hiệu số có nhiều ứng dụng đa dạng, ví dụ như trong lĩnh vực điển tử y
sinh, trong điều chỉnh động cơ diesel, xử lý âm thanh... 3 II.
Các định lý của Đại số Boole và định luật De Morgan
Đại số Boole gồm 6 định lý cơ bản và một tập hợp A, được trang bị hai phép
toán nhị phân ∧ (được gọi là "AND" hay "phép nhân"), ∨ (gọi là "OR" hay
"phép cộng"), một phép toán đơn nhất ¬ (gọi là "NOT" hay "phép phủ định") và
hai giá trị 0 và 1 tương ứng với mức thấp (ký hiệu ⊥)
⊥ và mức cao (ký hiệu ⊤),
giả sử a, b, c thuộc tập hợp A, ta có các tiên đề sau:
a ∨ (b ∨ c) = (a ∨ b) ∨ c
a ∧ (b ∧ c) = (a ∧ b) ∧ c Phép kết hợp a ∨ b = b ∨ a a ∧ b = b ∧ a Phép hoán vị a ∨ (a ∧ b) = a a ∧ (a ∨ b) = a Phép hấp thụ a ∨ 0 = a a ∧ 1 = a Phép đồng nhất
a ∨ (b ∧ c) = (a ∨ b) ∧
a ∧ (b ∨ c) = (a ∧ b) ∨ Phép phân phối (a ∨ c) (a ∧ c) a ∨ ¬a = 1 a ∧ ¬a = 0 Phép bù
Giao hoán: A.B = B.A, A+B = B+A
Phối hợp: A.B.C = A.(B.C) = (A.B).C
Phân phối: A.(B+C) = A.B + A.C
III. Tìm hiểu về LED 7 thanh
1. Giới thiệu về LED 7 thanh
LED 7 thanh hay còn được gọi là LED 7 đoạn, bao gồm 7 đoạn đèn LED
được xếp lại với nhau thành hình chữ nhật. Khi các đoạn lập trình để chiếu sáng 4
thì sẽ hiển thị các chữ số của hệ thập phân hoặc thập lục phân. Đôi khi LED số
8 được hiển thị dầu thập phân khi có nhiều LED 7 thanh được nối với nhau để
có thể hiển thị được các số lớn hơn 2 chữ số
2. Cấu tạo của LED 7 thanh
- LED 7 thanh bao gồm 8 LED được kết nối xong xong để có thể thắp
sáng hiển thị số “0, 1, 2, 3, 4, 5, 6, 7, 8, 9, A, b, C, d, E, F...”
- Mỗi đoạn LED được đánh dấu từ a tới g
- Đoạn thứ 8 được gọi là “ Chấm thập phân” (Decimal Point) ký hiệu DP
được sử dụng hiển thị số không phải số nguyên.
3. Nguyên lý hoạt động của LED 7 thanh
- Nguyên tắc chung: muốn LED sáng thì LED đó phải được phân cực
thận. Do đó muốn tạo ra chữ số nào thì ta chỉ cẩn cho LED ở các vị trị tương
ứng sáng lên. Bảng mô tả cách tạo ra các chữ số để hiển thị lên LED 7 đoạn như sau: Dương chung Âm chung 5
4. Phân loại LED 7 thanh: Dựa vào các cực được nối , có thể chia như sau:
- Loại dương chung: nếu cực dương (anode) của tất cả 8 LED được nối
với nhau cà các cực âm (cathode) đứng riêng lẻ.
- Loại âm chung: nếu cực âm (cathode) của tất cả 8 LED được nối với
nhau và các cực dương (anode) đứng riêng lẻ.
5. Ứng dụng của LED 7 thanh
- Các ứng dụng phổ biến của LED 7 thanh: Đồng hồ kỹ thuật số, hiển thị
màn hình bếp từ, tử lạnh, máy giặt ...
IV. Các cổng logic cơ bản 1. Khái niệm cổng logic
Trong điện tử học, cổng logic (tiếng Anh: logic gate) là mạch điện thực
hiện một hàm Boole lý tưởng hóa. Có nghĩa là, nó thực hiện một phép
toán logic trên một hoặc nhiều logic đầu vào, tạo re một kết quả logic duy
nhất, với thời gian thực hiệ lý tưởng hóa là không có trễ. Các đại lượng
nhin phân trong thực tế là những đại lượng Vật lý khác nhau (dòng điện, điện áp, áp suất...)
Các đại lượng đó có thể thể hiện bằng 2 trạng tháo có ‘1’ hoặc không ‘0’.
Các cổng logic là các phần tử đóng vai trò chủ yếu để thực hiện các chức
năng logic đơn giản nhất trong các sơ đồ logic nhằm thực hiện một hàm logic nào đó.
Quan hệ logic cơ bản nhất có 3 loại: AND, OR, NOT. Cổng logic gồm
các phần tử có nhiều đầu vào và chỉ có 1 đầu ra. Đầu ra là tổ hợp của các
đầu vào. Từ các cổng logic ta có thể kết hợp để tạo ra nhiều mạch logic
thực hiện các hàm logic phức tạp hơn.
Các cổng đơn giản nhất có số ngõ vào tối thiều của phép toán (1 hoặc 2)
đôi khi được hiểu là cổng logic cơ bản. Đó là 8 cổng: cổng Đệm, cổng
NOT, cổng OR, cổng AND, cổng NOR, cổng NAND, cổng XOR, cổng
XNOR. Các cổng phức hợp thì nhiều ngõ hơn. Gắn với cổng là bảng chân lý theo đại số Boolean. 2. Bảng chân lý 6 3. Phân loại
Trước khi đi vào tìm hiểu một số loại cổng logic, quy định về mức 0 và mức 1 như sau:
Nếu IC của TTL thì điện áp vào là 5V, khi đó có mức 1 = 5V, 0= 0V.
Nếu IC của CMOS thì điện áp vào Vdd = 3 – 18V, khi đó mức 1 = Vdd và mức 0 = 0V. a, Cổng OR
- Cổng hoặc có 2 hoặc nhiều lối và và chỉ có một lối ra. Lối ra ở mức 1 nếu có ít
nhất một lối vào ở mức 1. Ta có bảng chân lý sau: b, Cổng AND
- Cổng và có 2 hoặc nhiều lối vào và chỉ có một lối ra. Lối ra ở mức một nếu tất
cả lối vào đều ở mức 1. Ta có bảng chân lý sau: 7 c, Cổng NOT
- Cổng NOT cho kết quả đầu ra ngược lại so với đầu vào. Ta có bảng chân lý: d, Cổng NAND
- Cổng NAND cho kết quả là mức 0 khi tất cả đầu vào bằng 1 và mức 1 khi ít
nhất 1 đầu vào bằng 1. Ta có bảng chân lý: 8 e, Cổng NOR
- Cổng NOR cho kết quả là mức 0 khi ít nhất 1 đầu vào bằng 1 và mức 1 khi tất
cả đầu vào là 0. Ta có bảng chân lý: f, Cổng XOR
- Cổng XOR cho kết quả là mức 0 khi tất cả đầu vào có giá trị giống nhau và
mức 1 khi tất cả đầu vào có giá trị khác nhau. Ta có bảng chân lý: g, Cổng XNOR
- Cổng XNOR cho kết quả là mức 1 khi tất cả đầu vào có giá trị giống nhau và
mức 0 khi tất cả đầu vào có giá trị khác nhau. Ta có bảng chân lý: 9
4. Ứng dụng của cổng logic
- Các ứng dụng của cổng logic chủ yếu được xác định dựa trên bảng trạng thái
của chúng, tức là phương thức hoạt động của chúng. Các cổng logic cơ bản
được sử dụng trong nhiều mạch điện như khóa nút nhấn, kích hoạt báo trộm bằng ánh sáng,...
- Ngoài ra, cổng logic cũng chính là các phần tử cấu thành nên mạch tổ hợp
chẳng hạn như mạch giải mã, mã hóa, đa hợp, giải đa hợp. V. Tìm hiểu về IC số 1. IC 7400
Chức năng các chân và sơ đồ chân:
- Chân 1: Đầu vào biến A cổng 1
- Chân 2: Đầu vào biến B cổng 1
- Chân 3: Đầu ra Y cổng 1
- Chân 4: Đầu vào biến A cổng 2
- Chân 5: Đầu vào biến B cổng 2
- Chân 6: Đầu ra Y cổng 2 10
- Chân 7: Chân GND nối đất
- Chân 8: Đầu ra Y cổng 3
- Chân 9: Đầu vào biến B cổng 3
- Chân 10: Đầu vào biến A cổng 3
- Chân 11: Đầu ra Y cổng 4
- Chân 12: Đầu vào biến B cổng 4
- Chân 13: Đầu vào biến A cổng 4
- Chân 14: Chân cấp nguồn, được nối với điện áp dương Thông số kỹ thuật:
- Dải điện áp hoạt động: +4,75 - +5,25V
- Điện áp cung cấp tối đa: 7V
- Dòng điện tối đa được phép rút qua mỗi đầu ra cổng: 8mA - Đầu ra TTL - ESD tối đa: 3,5kV
- Thời gian tăng điển hình: 15ns
- Thời gian giảm điển hình: 15ns
- Nhiệt độ hoạt động: 0-75℃ 2. IC 7447
- IC SN7447AN là IC giải mã dành riêng cho LED 7 thanh anode chung. IC
SN7447AN chuyển đổi từ mã BCD sang mã LED 7 thanh anode chung.
- Ứng dụng khi ta cần hiển thị số trên LED 7 thanh trong mạch số mà không cần
dùng vi điều khiển, hoặc muốn tiết kiệm chân cho vi điều khiển. 11
Chức năng các chân và sơ đồ chân:
- Chân 16: cấp nguồn Vcc cụ thể ở đây là 5V
- Chân 8: là chân GND nối đất
- Chân 1, 2, 6, 7: là các chân tín hiệu vào ứng với B, C, D, A
- Chân 15, 14, 13, 12, 11, 10, 9: là các chân ra, các chân này sẽ được nối với LED 7 thanh
- Chân 3: LT (Lamp test) như tên gọi của nó chân 3 này là chân kiểm tra LED 7
thanh, nếu ta cắm chân này xuống mass thì bộ giải mã sẽ sáng cùng lúc với 7
đoạn. Chân này chỉ phục vụ để kiểm tra xem có Led nào bị hỏng hay không và
trong thực tế không sử dụng nó.
- Chân 4: BI/RB0 luôn luôn được kết nối với mức cao, nếu kết nối với mức thấp
thì toàn bộ LED sẽ không sáng bất chấp trạng thái đầu vào là gì
- Chân 5: RBI kết nối với mức cao Sơ đồ logic: 12 Bảng chân lý: 13 3. IC 7490
- IC 74LS90 thuộc học TTL có công dụng đếm mã nhị phân chia 10 mã hóa
BCD. Cứ mỗi xung vào thì IC 74LS90 đếm tiến lên 1 và được mã hóa ra 4 chân.
Khi đếm đến 10 nó sẽ reset và trở về ban đầu. IC 74LS90 này có ứng dụng rộng
trong các mạch số đếm 10 và trong các mạch chia tần Số chân Tên chân Mô tả 1
Clock input 2 (CLKA) Ngõ vào xung đồng hồ 2 (xung kích cạnh xuống) 2 Reset 1 (R0(1))
Chân Reset 1 (Reset về 0) – Tích cực mức 1 3 Reset 2 (R0(2))
Chân Reset 2 (Reset về 0) – Tích cực mức 1 4 Not connected (NC) Không sử dụng 5 Supply voltage
Chân cấp nguồn 5V (4.75V – 5.25V) 6 Reset 3 (R9(1))
Chân Reset 3 (Reset về 9) – Tích cực mức 1 7 Reset 4 (R9(2))
Chân Reset 4 (Reset về 9) – Tích cực mức 1 8 Output 3 (QC) Ngõ ra 3 9 Output 2 (QB) Ngõ ra 2 10 Ground (0V) Chân nối đất 11 Output 4 (QD) Ngõ ra 4 12 Output 1 (QA) Ngõ ra 1 13 Not connected Không sử dụng 14
Clock input 1 (CLKA) Ngõ vào xung đồng hồ 1 (xung kích cạnh xuống) 14 VI. Thực hành 1. Sơ đồ khối 2. Sơ đồ nguyên lý 3. Mạch lắp ráp 15 VII. Kết luận
Thông qua khoảng thời gian học môn học Thực tập cơ bản dưới sự hướng dẫn
của thầy, em đã hiều hơn về các linh kiện điện tử, về cách thiết kế và lắp ráp
mạch điện tử, đặc biệt là mạch đếm số từ 00 đến 59 trong bài thực hành lần này.
Đây sẽ là những nền tảng để cho em có thể học được các kiến thức nâng cao
hơn của ngành học sau này. Em xin được chân thành cảm ơn thầy vì đã tận tình
giúp đỡ em hoàn thành bài thực hành và báo cáo này trong khoảng thời gian vừa qua. 16