








Preview text:
ĐẠI HỌC BÁCH KHOA HÀ NỘI
TRƯỜNG ĐIỆN – ĐIỆN TỬ - KHOA ĐIỆN TỬ
BÁO CÁO THỰC TẬP CƠ BẢN
Đề tài: Lắp ráp mạch tạo xung
Giảng viên hướng dẫn: Thầy Phan Văn Phương
Sinh viên thực hiện: Nguyễn Văn Phương Mã số sinh viên: 2020202x Lớp: 713xxx– TTB - ab
Hà Nội, tháng 03 năm 2022 Mục lục
1. Mục đích thực hành: . . . . . . . . . . . . . . . . . . . . . . . . . . . . . . . . . . . . . . . . . . . . . . . . . . 2
2. Yêu cầu đạt được: . . . . . . . . . . . . . . . . . . . . . . . . . . . . . . . . . . . . . . . . . . . . . . . . . . . . 2
3. Giới thiệu lý thuyết cần có: . . . . . . . . . . . . . . . . . . . . . . . . . . . . . . . . . . . . . . . . . . . . . 2
3.1. Tín hiệu xung: . . . . . . . . . . . . . . . . . . . . . . . . . . . . . . . . . . . . . . . . . . . . . . . . . . . . 2
3.2. Mạch tạo xung vuông và răng xung răng cưa dùng transistor: . . . . . . . . . . . . . . . 3
3.2.1. Mạch tạo xung vuông (mạch dao động đa hài): . . . . . . . . . . . . . . . . . . . . . . . 3
3.2.2 Nguyên lý hoạt động mạch chia làm hai giai đoạn: . . . . . . . . . . . . . . . . . . . . 3
4. Nội dung thực hành: . . . . . . . . . . . . . . . . . . . . . . . . . . . . . . . . . . . . . . . . . . . . . . . . . . 5
4.1 Sơ đồ nguyên lý. . . . . . . . . . . . . . . . . . . . . . . . . . . . . . . . . . . . . . . . . . . . . . . . . . . 6
4.2 Tiến hành vẽ sơ đồ lắp ráp . . . . . . . . . . . . . . . . . . . . . . . . . . . . . . . . . . . . . . . . . . . 6
4.3 Đo đạc . . . . . . . . . . . . . . . . . . . . . . . . . . . . . . . . . . . . . . . . . . . . . . . . . . . . . . . . . . 6
5. Tổng kết: . . . . . . . . . . . . . . . . . . . . . . . . . . . . . . . . . . . . . . . . . . . . . . . . . . . . . . . . . . . 8 1
1. Mục đích thực hành:
- Tính toán, lắp ráp và đo đạc các thông số của mạch tọa xung vuông và răng cưa
dùng đèn bán dẫn trên cơ sở mạch đa hài.
- Đo đạc, điều chỉnh chế độ làm việc tĩnh và chế độ làm việc của mạch. Xác định
quan hệ giữa tần số giao động và thông số mạch; nghiên cứu tính không đối xứng của mạch.
- Sử dụng thành thạo thiếu bị đo: Đồng hồ vạn năng, dao động ký, máy phát hàm, nguồn cung cấp.
- Ổn định kỹ năng nhận dạng linh kiện rời rạc, lắp ráp, hàn. 2. Yêu cầu ạ đ t được:
- Nắm vững được nguyên lý hoạt động của bộ tạo dao động cũng như các điều
kiện để mạch hoạt động. Hiểu được tác dụng của từng linh kiện cũng như từng khối trong mạch.
- Nắm được cách lắp ráp mạch cũng như cách hàn mạch lên panel thực hành.
- Sử dụng được các thiết bị đo…
3. Giới thiệu lý thuyết cần có:
3.1. Tín hiệu xung:
Hình 1: Các loại xung cơ bản
Trong mạch điện tử, kỹ thuật xung đóng vai trò quan trọng và có ứng dụng khá
rộng rãi. Các mạch tạo xung được ứng dụng trong các mạch điều khiển, đặc biệt là 2
mạch điều khiển báo động, mạch định thời, mạch dò. Trong thực tế, các mạch tạo
xung đa phần đều được tích hợp trong IC.
3.2. Mạch tạo xung vuông và răng xung răng cưa dùng transistor:
3.2.1. Mạch tạo xung vuông (mạch dao động đa hài): - Cấu tạo mạch:
Hình 2: Mạch dao động đa hài. Trong đó:
+ T1 giống với T2 đều là C828 hoặc C1815.
+ R1=R4=Rc và R2=R3=Rb để cho ra xung vuông cân đối.
+ Điều kiện chọn Rb<βmin.Rc.
Mạch này chính là mạch ghép nối hai khóa điện tử với nhau bằng tụ C1, C2 tạo
thành mạch khuếch đại có phản hồi toàn phần.
3.2.2 Nguyên lý hoạt động mạch chia làm hai giai đoạn: + Giai đoạn 1: 3
Khi mới cấp nguồn, thì tất cả các bản tụ của C1 lẫn C2 đều được nạp điện, một
trong 2 transistor Q1 hoặc Q2 hoạt động trước (vì trên thực tế dù 2 transistor cùng một
loại nhưng không hề giống nhau hoàn toàn, sẽ có con transistor này nhạy hơn con kia).
Ta giả sử Q1 nhạy hơn nên hoạt ộ
đ ng trước, đồng nghĩa Q1 có Vbe lớn hơn hoặc bằng
0.6V (do điện áp tại cực B của Q1 tăng từ 0 đến 0.6V, trước khi điện áp ở đây bằng
0.6V thì cực âm tụ C1 vẫn đang được nạp), dòng điện có thể đi từ cực C xuống cực E
và xuống mass nên led D2 sáng, đầu cực dương tụ C2 không được nạp điện do dòng
điện chỉ đi xuống mass. Cùng lúc đó vì Q2 không dẫn (không hoạt ộ đ ng) nên led D1
không sáng, cực dương tụ C1 sẽ được nạp điện, nhưng sẽ không nạp được bao nhiêu vì
dòng điện lúc này chủ yếu chạy về mass, cực âm tụ C2 lẫn âm tụ C1 cũng vậy, không
nạp được bao nhiêu. Khi Q1 hoạt động thì cực B cũng được coi như đang nối với cực
E xuống mass nên dòng điện ở chân B được đi qua chân E xuống mass, đồng nghĩa
điện áp tại B giảm từ 0.6 V về 0V (cực âm tụ C1 xả điện). Khi điện áp tại chân B xả
hết thì Q1 ngưng dẫn, đèn led D2 tắt, tới Giai đoạn 2. + Giai đoạn 2: 4
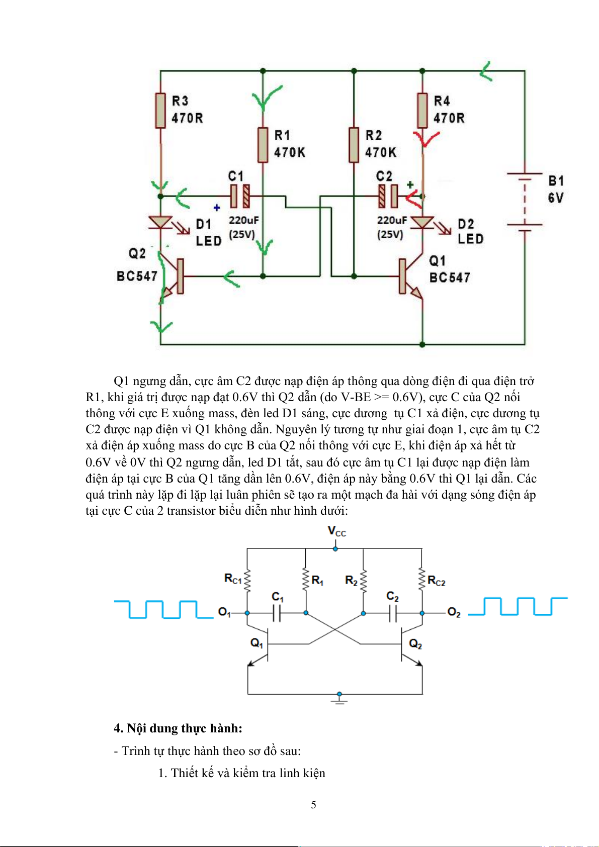
Q1 ngưng dẫn, cực âm C2 được nạp điện áp thông qua dòng điện đi qua điện trở
R1, khi giá trị được nạp đạt 0.6V thì Q2 dẫn (do VBE >= 0.6V), cực C của Q2 nối
thông với cực E xuống mass, đèn led D1 sáng, cực dương tụ C1 xả điện, cực dương tụ
C2 được nạp điện vì Q1 không dẫn. Nguyên lý tương tự như giai đoạn 1, cực âm tụ C2
xả điện áp xuống mass do cực B của Q2 nối thông với cực E, khi điện áp xả hết từ
0.6V về 0V thì Q2 ngưng dẫn, led D1 tắt, sau đó cực âm tụ C1 lại được nạp điện làm
điện áp tại cực B của Q1 tăng dần lên 0.6V, điện áp này bằng 0.6V thì Q1 lại dẫn. Các
quá trình này lặp đi lặp lại luân phiên sẽ tạo ra một mạch đa hài với dạng sóng điện áp
tại cực C của 2 transistor biểu diễn như hình dưới:
4. Nội dung thực hành:
- Trình tự thực hành theo sơ đồ sau:
1. Thiết kế và kiểm tra linh kiện 5 2. Vẽ sơ đồ nguyên lý 3. Vẽ sơ đồ lắp ráp 4. Lắp ráp mạch
5. Điều chỉnh chế độ hoạt động( tĩnh)
6. Thiết kế và kiểm tra linh kiện
4.1 Sơ đồ nguyên lý
4.2 Tiến hành vẽ sơ đồ lắp ráp
Mặt trên panel: cắm linh kiện và đi dây. Yêu cầu: - Thẩm mỹ.
- Các linh kiện thẳng hang, bẻ chân các linh kiện theo hướng dẫn.
- Dễ dàng nhân biết mạch và vị trí các linh kiện trong mạch.
- Thuận lợi cho việc hiệu chỉnh sửa chữa, đo đạc. 4.3 Đo đạc
Căn cứ vào sơ đồ và các chỉ tiêu đã cho: R1=R4=1kΩ R2=R3=100kΩ 6 C1=C2=1µF Q1=Q2=C828 R5=100Ω C1=C2= 4,7µF V+=6V÷9V
Ta đo được kết quả đo của UEC và UEB: UCE1=5x0,25=1,25(V) UCE2=5x0,25=1,25(V) 7
5. Tổng kết:
Qua bài thực hành môn học với nội dung Thực hiện mạch tạo xung, em cảm ơn
thầy Phan Văn Phương đã giúp em và các bạn lớp TTB-ab các kỹ năng:
- Tính toán, lắp ráp và đo đạc các thông số của mạch tọa xung vuông và răng cưa
dùng đèn bán dẫn trên cơ sở mạch đa hài.
- Đo đạc, điều chỉnh chế độ làm việc tĩnh và chế độ làm việc của mạch. Xác định
quan hệ giữa tần số giao động và thông số mạch; nghiên cứu tính không đối xứng của mạch.
- Sử dụng thành thạo thiếu bị đo: Đồng hồ vạn năng, dao động ký, máy phát hàm, nguồn cung cấp.
- Ổn định kỹ năng nhận dạng linh kiện rời rạc, lắp ráp, hàn.
- Nắm vững được nguyên lý hoạt động của bộ tạo dao động cũng như các điều
kiện để mạch hoạt động. Hiểu được tác dụng của từng linh kiện cũng như từng khối trong mạch.
- Nắm được cách lắp ráp mạch cũng như cách hàn mạch lên panel thực hành.
- Sử dụng được các thiết bị đo…
Do giới hạn về thời gian thực hiện cũng như kiến thức tìm hiểu được, mạch này
em thực hiện còn những thiếu sót nhất định, em kính mong mong thầy thông cảm. Qua
đây em cũng xin cảm ơn thầy Phan Văn Phương đã hướng dẫn em nghiên cứu và thực
hiện thiết kế mạch cho môn học trên.
Em xin trân trọng cảm ơn thầy! 8