


















Preview text:
Chương 10
Đo thông số của mạch điện Nội dung
Các phương pháp đo điện trở Đo điện trở lớn Đo điện trở nhỏ Đo điện dung
Đo điện cảm và hỗ cảm
Đo cách điện thiết bị điện
Đo điện trở tiếp đất
Đo và xác định vị trí hỏng cáp ngầm
Các phương pháp đo điện trở
Các phương pháp gián tiếp
Đo gián tiếp thông qua (U,I)
Các phương pháp đo điện trở
Các phương pháp gián tiếp
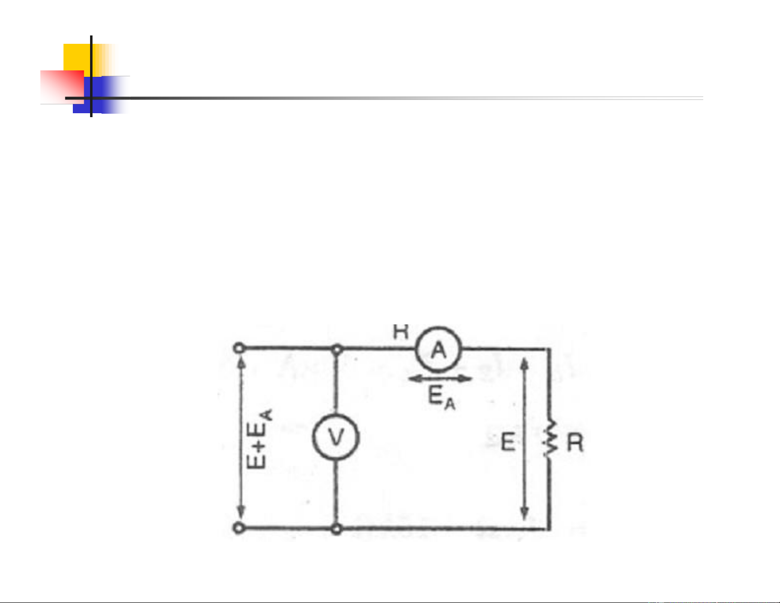
Dùng vôn mét & ampe mét A A I R I A RA IV U V R R U R V R V V U IR U U a / R A
R R R I A I A I U 1 U
b / R U
R R V I I I I / I V 1 V I
Các phương pháp đo điện trở
Các phương pháp gián tiếp
Dùng vôn mét & ampe mét A A I R I A RA IV U V R R U R V R V V U IR U U a / R A
R R R I A I A I U 1 U
b / R U
R R V I I I I / I V 1 V I Bài tập
Đo điện trở dùng phương pháp vôn kế, ampe kế.
Ampe kế chỉ 0.5A, vôn kế chỉ 500V. Ampe kế có Ra=10Ω, vôn kế có Rv=10kΩ Tính giá trị R.
Tính sai số trong phép đo trên
Các phương pháp đo điện trở
Các phương pháp gián tiếp
Dùng ampe mét & điện trở mẫu
Điện trở R mắc song song với điện trở x
mẫu R0 và mắc với nguồn U
Dùng ampe mét đo dòng qua R là I va x x ̀
dòng qua điện trở mẫu là I0
Giá trị điện trở cần đo
𝑈 = 𝑈 ⫘ 𝐼 𝑅 = 𝐼 𝑅 𝐼0 ⫘ 𝑅 = . 𝑅 𝑥 0 𝑥 𝑥 0 0 𝑥 𝐼 0 𝑥
Các phương pháp đo điện trở
Các phương pháp gián tiếp
Dùng vôn mét & điện trở mẫu Điện trơ mắc nt với điện trơ ̉ R ̉ mẫu R x 0
Dùng vôn mét đo điện áp rơi trên R là x U va x
̀ điện áp rơi trên điện trở mẫu là U0
Giá trị điện trở cần đo 𝑈 𝑈 𝑈 𝐼 𝑥 0 𝑥 𝑥 = 𝐼0 ⫘ = ⫘ 𝑅𝑥 = . 𝑅0 𝑅𝑥 𝑅0 𝑈0
Các phương pháp đo điện trở
Các phương pháp trực tiếp
Sử dụng Ôm kế (Ohmmeter) Nguyên lý : R = U / I Ôm kế nối tiếp
Ôm kế song song (Ohm kế kiểu Shunt)
Các phương pháp đo điện trở Ôm kế nối tiếp
R dùng để bảo vê ̣ ôm kế khỏi dòng quá lớn khi Rx = 0 p 𝑅𝑝 = 𝑈0 − 𝑟 𝐼 𝑐𝑡 𝑐𝑡𝑚𝑎𝑥
Điện trở trong của ôm kế 𝑈0 𝑅 + 𝑅 = Ω = 𝑟𝑐𝑡 + 𝑅𝑝
( phụ thuộc vào điện áp nguồn ) 𝐼𝑐𝑡𝑚𝑎𝑥
Các phương pháp đo điện trở
Ôm kế nối tiếp nhiều thang đo
Khóa chuyển mạch B ở vị trí 1
𝑅𝑝1 = 𝑅Ω1 − 𝑅𝑎𝑏
Khóa chuyển mạch B ở vị trí 2
𝑅𝑝2 = 𝑅Ω2 − 𝑅𝑎𝑏
Nếu 𝑅Ω2 = N. 𝑅Ω1 thì 𝑈2 = 𝑁. 𝑈1
Các phương pháp đo điện trở
Ôm kế song song (Ohm kế mạch Shunt)
Bô ̣ phận chỉ th ̣i của Ôm kế mắc song song với điện trở cần đo.
Khi R ∞ (chưa mắc R vào mạch đo) dòng qua chỉ thi ̣lớn nhất x x
Khi R = 0 (nối 2 đầu dây), dòng qua chỉ thị nhỏ nhất (I = 0) x ct
Tương quang giữa điện trở cần đo và điện trở vôn kế 𝐼𝑥 = 𝑅𝑥 𝐼𝑐𝑡 𝑅Ω+𝑅𝑥 Bài tập
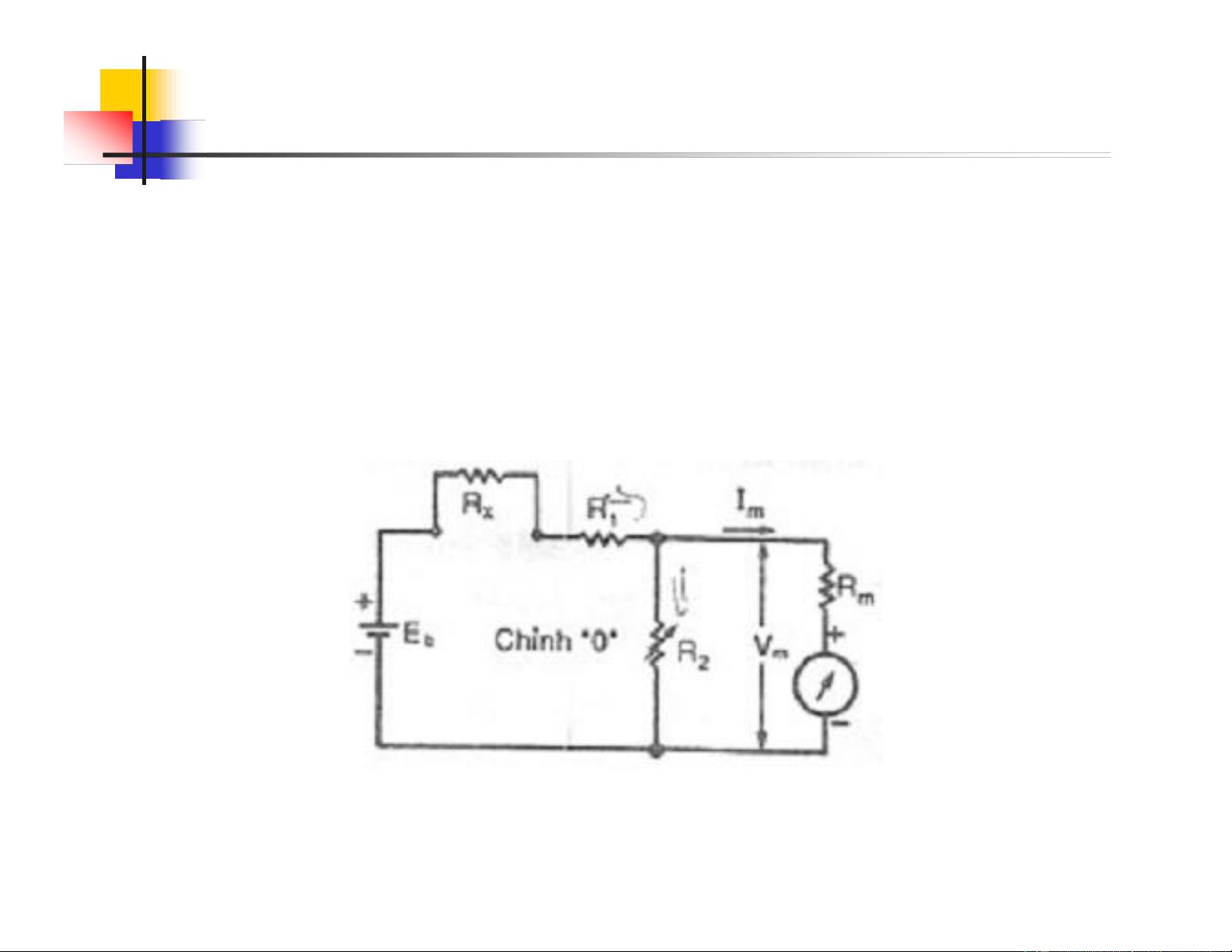
Một ohm kế loại nối tiếp có mạch đo như hình vẽ. Nguồn E = b
1.5V, cơ cấu đo có I = 100μA. Điện trơ fs ̉ R1 + Rm = 15kΩ
Tính dòng qua cơ cấu khi R = 0 x
Tính giá trị R để kim chỉ th ̣i có đô ̣ lệch 1/2D, 1/4D, 3/4D x Bài tập
Một ohm kế loại nối tiếp có sơ đồ như hình vẽ.
Biết E = 1.5V ; R = 15kΩ ; R = 50Ω ; R = 50Ω ; I = 50 μA b 1 m 2 max
Xác định trị số đọc của R khi I = I ; I = ½.I ; I = ¾ .I x m max m max m max
Điện áp nguồn giảm E = 1.3V. Tính lại điện trở R2 b Bài tập
Một ohm kế loại nối tiếp có sơ đồ như hình vẽ. Biết E = 3V ; R = 50Ω ; I = 1mA b m max
Xác định giá trị điện trở Shunt R1 và điện trở chỉnh không R2
Biết điện trở Rx=Rh=2000 khi kim điện kế ở chính giữa thang đo. Bài tập
Một ohm kế loại nối tiếp có sơ đồ như hình vẽ. Biết E = 3V ; R = 50Ω ; I = b m max 1mA
Xác định giá trị điện trở Shunt R1
và điện trở chỉnh không R2
Biết điện trở Rx=Rh=2000 khi
kim điện kế ở chính giữa thang đo. Bài tập
Một ohm kế loại song song có sơ đồ như hình vẽ. Biết E = 1.5V ; R = 25Ω ; I = 2mA b m max
Xác định giá trị điện trở R1
Xác định phần trăm thang đo ứng với điện trở đo được Rx=100
Đo điện trở lớn
Điện trở lớn có trị số cỡ MΩ và thường là điện trở cách điện
Ví dụ: điện trở giấy cách điện, sứ, dầu biến áp…
Cấp điện áp làm việc lớn
Điện trở có trị số lớn có 2 thành phần
Điện trở cách cách điện khối
Điện trở cách điện mặt
Phương pháp đo điện trở cách điện là phương pháp đo đặc thù điện trở lớn.
Đo điện trở lớn
Khác biệt giữa điện trở lớn và nhỏ Dòng điện bề mặt
Dòng điện trong dây dẫn Dòng điện khối Điện trở kim loại Điện trở cách điện
Đo điện trở lớn
Đo điện trở cách điện bề mặt
Để đo điện trở cách điện bề mặt, cần khử dòng điện khối
Dòng điện rò trên bề mặt vật liệu được đo bằng điện kế,
Dòng xuyên qua khối vật liệu thì được nối qua cực chính xuống đất. U Điện trở cần đo: R x I
1: 2 cực áp sát vật liệu cần đo 2: cực phu ̣
3: vật liệu cần đo điện trở bề mặt
