



















Preview text:
ĐO LƯỜNG ĐIỆN BÀI TẬP
HƯƠNG I: ĐO ĐIỆN ÁP VÀ DÒNG ĐIỆN 1.1
Một ampe-kế dùng cơ cấu đo từ điện có điện trở cơ cấu đo R(m) =99Ω và dòng làm
lệch tối đa Imax = 0,1mA. Điện trở shunt Rs = 1Ω. Tính dòng điện tổng cộng đi qua
ampe-kế trong các trường hợp: a) kim lệch tối đa
b) 0,5Dm; (FSD = Imax, full scale deviation) c) 0,25Dm Hình B.1.1 Giải:
a) kim lệch tối đa Dm:
Điện áp hai đầu cơ cấu đo: Vm=Im.Rm=0,1mA.99Ω=99mV Vm 9,9mV I = = 9,9mA sRs = Vm => I = s Rs 1Ω Dòng tổng cộng: I = Is + I = 9,9 + 0,1 = 10mA b) 0,5Dm: Im = 0,5 . 1mA = 0,05mA
Vm = Im.Rm = 0,05mA.99Ω = 4,95mV Vm 4.95mV Is = = =4.95mA Rs 1Ω
I = Is + Im = 4.95mA + 0,05mA=5mA c)0,25mA: Im = 0,25.0,1mA = 0,025mA
Vm = ImRm = 0,025mA.99Ω = 2,475mV Trang 1
ĐO LƯỜNG ĐIỆN BÀI TẬP Vm 2,475 I = = 2,475V o= Rs 1
1.2 Một cơ cấu đo từ điện có I= 100µA, điện trở nội khung quay R= 1KΩ. Tính điện trở
shunt mắc vào cơ cấu đo để trở thành một ampe-kế tương ứng với hình 1.1. a) Dm = 100mA = tầm đo 1 b) Dm = 1A = tầm đo 2 Giải:
a) ở tầm đo 100mA Vm= ImRm = 100.1 = 100mV
It = Is+ Im => Is = It –Im = 100mA – 100µA = 9,9mA Vm 100mV R = =1,001Ω s = Is 99,9mA
b) Ở tầm đo 1A: Vm = ImRm = 100mV
Is= It – Im = 1A- 100µA= 999,9mA Vm 100mV R = =0,10001Ω s= Is 999,9mA
1.3 Một cơ cấu đo từ điện có ba điện trở shunt được mắc theo kiểu shunt ayrton sử dụng
làm ampe-kế. Ba điện trở có trị số R1=0,05Ω, R2=0,45Ω, R3=4,5Ω, Rm= 1kΩ, Imax=
50µA, có mạch đo như hình sau, tính các trị số tầm đo của ampe-kế Hình B.1.3 Giải: Trang 2
ĐO LƯỜNG ĐIỆN BÀI TẬP
Tại độ lệch 0,5 Dm
Vs= Imax.Rm= 50µA.1kΩ = 50mV V 50 s I = = s= 10mA R + R + R 5Ω 1 2 3
It=Is+Im=50µA+10mA = 10,05mA; I=10mA. Khóa điện ở C:
Vs= Im(Rm+R3) = 50µA.(1kΩ+4,5Ω) = 50mV Vs 50mV = = 100mA Is= R1 + R2 0,5Ω + 4,5Ω Khóa điện ở D:
Vs= Im(Rm +R2 +R3) = 50µA(1kΩ + 4,5Ω +0,45Ω) =50mV Vs 50mV Is = =
= 1A.I = 50µA+1A=1,00005A = 1A R1 0,05Ω
1.4 Một cơ cấu đo từ điện Imax =100µA,điện trở dây nội (dây quấn) Rm = 1KΩ được sử
dụng làm vôn kế DC. Tính điện trở tầm đo để vônkế có Vtd= 100V. Tính điện áp V
hai đầu vôn kế khi kim có độ lệch 0,75Dm; 0,75Dm và 0,25Dm (độ lệch tối đa Dm) Hình B.1.4 Giải: V V = IM (Rs + Rm) => Rs = - Rm I m
Khi V= Vtd=100V => IM = Imax =100µA 100V R -1KΩ =999KΩ s = 100μA Trang 3
ĐO LƯỜNG ĐIỆN BÀI TẬP
Tại độ lệch 0,75 Dm Im = 0,75.100µA = 75µA
V= Im(Rs+ Rm) 75µA(999kΩ +1kΩ)=75V
Tại độ lệch 0,5 Dm Im = 50 µA V= 50 µA(999 kΩ+1kΩ)=50V
Tại độ lệch 0,25 Dm
V= 25µA(999 kΩ+1kΩ)=25V
1.5 Một cơ cấu đo từ điện có Imax=50 µA; Rm =1700 Ω được sử dụng làm vôn kế DC có
tầm đo 10V, 50V, 100V. tính các điện trở tầm đo theo hình sau: Hình B.1.5 Giải
Theo hình a: V R + R = m 1 Imax V => 10V R = - Rm = - 1700Ω =198,3kΩ 1 I 50μA max 50V R = - 2 1700Ω =998,3kΩ 50μA 100V R = - 1700Ω =1,9983MΩ 3 50μA
Theo hình b: Trang 4
ĐO LƯỜNG ĐIỆN BÀI TẬP V 10V R = 1 - R = - 1700Ω =198,3kΩ 1 I m max 50μA
R + R + R =V2 m 1 2 Im 50V R = V2 - R - Rm =
- 198,3kΩ - 1700Ω =800kΩ 2 1 Im ax 50μA V 3 V
R + R + R + R =
=>R = 3 - R - R - R m 1 2 3 I 3 2 1 m I max m 100V =
- 800kΩ - 198,3kΩ - 1700Ω =1MΩ 50μA
1.6 Một vônkế có tầm đo 5V, được mắc vào mạch, đo điện áp hai đầu điện trở R2 như hình sau:
a) Tính điện áp VR2 khi chưa mắc Vônkế.
b) Tính VR2 khi mắc vôn kế, có độ nhạy 20kΩ/V.
c) Tính VR2 khi mắc vôn kế, có độ nhạy 200kΩ/V Hình B.1.6 Giải:
a) VR2 khi chưa mắc Vônkế. R2 50kΩ V =E =12V =5V R 2 R1 + R2 70kΩ + 50kΩ
b) Với vôn kế có độ nhạy 20kΩ/V. Rv=5V.20kΩ/V=100kΩ
Rv//R2=100kΩ//50kΩ=33,3kΩ 33,3kΩ = R // R E v 2 =12V =3,87V
R + R // R V 1 v 2 70kΩ + 33,3kΩ R2= Trang 5
ĐO LƯỜNG ĐIỆN BÀI TẬP
c) Với vôn kế có độ nhạy 200kΩ/V Rv=5V.200kΩ/V=1kΩ
Rv//R2=1MΩ//50kΩ= 47,62kΩ 47,62kΩ V =12V =4,86V R 2
70kΩ + 47,62kΩ4,86V
1.7 Một cơ cấu đo từ điện có Ifs= 100µA và điện tr73 cơ cấu đo Rm =1kΩ được
sử dụng làm vônkế AC có V tầm đo = 100V. Mạch chỉnh lưu có dạng cầu sử
dụng diode silicon như hình vẽ, diode có VF(đỉnh) =0,7V
a) tính điện trở nối tiếp Rs
b) Tính độ lệch của vônkế khi điện áp đưa vào vônkế là 75V và 50V (trị hiệu dụng- RMS).
c) Tính độ nhạy của vôn kế. Tín hiệu đo là tín hiệu xoay chiều dạng sin. Hình B.1.7 Giải: a) Tính Rs:
Đây là mạch chỉnh lưu toàn kì nên ta có quan hệ: IP(trị đỉnh)= Itb/0,637 Vm (trị đỉnh)= 2V Cơ cấu đo có: Trang 6
ĐO LƯỜNG ĐIỆN BÀI TẬP 100μA I =I =100μA ⟶ = = Fs tb I 157μA p 0,637 tacó : 1,414V - 2V - td F = ⟶ 1,414V 2V Rs = td F - Rm Rs + Rm Ip
(1,414.100V ) - (2.0,7V ) =
- 1kΩ =890,7kΩ 157μA
b)KhiV =75V 1,414V - I =0,637I =
(1,414 ×75V ) - (2 ×0,7V ) 0,637 2VF =0,637 tb m R +R 890,7kΩ +1kΩ s m I =75μA tb KhiV =50V
(1,414 ×50V ) - (2 ×0,7V ) I =0,673 =50μA tb 890,7kΩ +1kΩ c)I
=157μA ⟶ I (RMS ) =0,707IP =0,707 ×157μA =111μA m 100V R = =900,9kΩ. 111μA 900,9kΩ Độ nhạy= = 9,009kΩ /V 100V
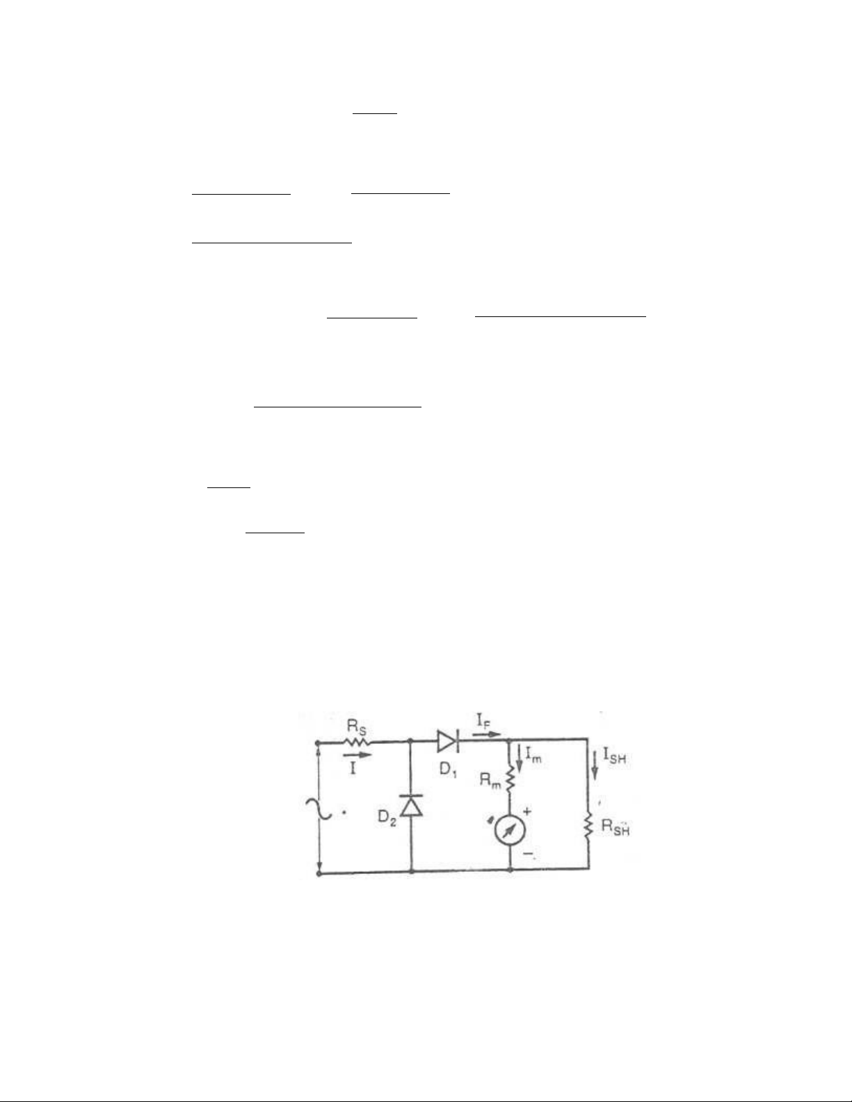
1.8 Một cơ cấu đo từ điện có Ifs = 50µA; Rm = 1700Ω kết hợp với mạch chỉnh lưu bán
kì như hình sau. Diod silicon D1 có giá trị dòng điện thuận If (đỉnh) tối thiểu là 100
µA. Khi điện áp đo bằng 20% Vtầm đo , diode có VF = 0,7V, vôn kế có Vtầm đo = 50V. a) Tính Rs và RSH
b) Tính độ nhạy của Vônkế trong hai trường hợp: có D2 và không có D2 Hình B.1.8 Giải:
a) Tính Rs và RSH Trang 7
ĐO LƯỜNG ĐIỆN BÀI TẬP
Ở đây sử dụng chỉnh lưu bán kì nên ta có:
Ip=Itb/(0,5.0,673): trị đỉnh trong trường hợp chỉnh lưu bán kì
Cơ cấu đo có Ifs = Itb = 50 µA=> Im= 50 µA/(0,5.0,673) = 157 µA(trị đỉnh)
Khi V= 20% Vtd, IF(đỉnh) có giá trị 100 µA. Vậy khi V= Vtd, IF(đỉnh) có giá trị: 100% I =
×100μA =500μA F 20% I =I + I
⟶ I =I - I =500μA - 157μA =343μA F m SH SH F M
V =I R =157μA ×1700Ω =266,9mV p m m V 266,9mV R = m = =778Ω SH I SH 343μA
1,414V - V - V I td m F = F R S
1,414V - V - V td m F = 1,414 ×50V - =
266,9mV - 0,7V =139,5kΩ Rs I 500μA F
b) Tính độ nhạy:
• Có D2 trong bán kì dương, dòng qua D1 có giá trị đỉnh: IF=500 µA
Trong bán kì âm, dòng qua vônkế có giá trị đỉnh: 1,414Vtd 1,414.50V I = = =500μA Rs 139,5kΩ I
=0,707.500μA =353,5μA(RMR)c hiêudung 50V (RMR) R = =141,4kΩ tông 353,5μA(RMR) 141,4kΩ Đônhay = =2,8kΩ /V 50V • Không có D2:
Trong bán kì dương:IF(đỉnh) = 500 µA. Trong bán kì âm: I = 0
Trong chu kì của tín hiệu:
Ihiệu dụng =0,5I F(đỉnh)
Với I là dòng điện mạch chính chạy qua Rs trong bán kì dương. Trang 8
ĐO LƯỜNG ĐIỆN BÀI TẬP T 2 2 2 1 I I =
sin ωt)2 dt = F (đinh) hiêudung ∫(I 2T F 4 0
I =0,5.500μA =250μA 50V R = =200kΩ 250μA
Đô _ nhay :=200kΩ =4kΩ /V 50V
1.9 Một ampe kế sử dụng cơ cấu đo từ điện có cầu chỉnh lưu và biến dòng như hình
vẽ. Biết rằng cơ cấu đo có Ifs = 1mA và Rm = 1700Ω. Biết dòng có Nthứ = 500; Nsơ
= 4. Diode cóVF(đỉnh) = 0,7V; Rs=20kΩ. Ampe kế lệch tối đa khi dòng sơ cấp Ip = 250mA. Tính giá trị RL. Hình B.1.9 Giải:
Chỉnh lưu toàn kì nên ta có: Itb 1mA I = = = m(trị 1,57mA đỉnh) 0,637 0,673
Điện áp Em ở hai đầu cuộn thứ biến dòng(trị đỉnh):
Em = (Rm+Rs) + 2VF = 1,57mA(20kΩ + 1700Ω) + 1,4V= 35,5V
⇨ Es(trị hiệu dụng) = (0,707.35,5V) = 25,1V
Dòng làm lệch tối đa cơ cấu đo có trị hiệu dụng I: I = 11,1Itb = 11,1.1mA=11,1mA Ta có: Trang 9
ĐO LƯỜNG ĐIỆN BÀI TẬP Nso 4 I =I =250mA = 2mA thu so N 500 thu I
=I + I ⟶ I =2mA - 11,1mA =0,89mA; thu q L L
(với Iq=Iqua cơ cấu đo) Es 25,1V R = = =28,2kΩ L E 0,89mA L
CHƯƠNG II: ĐO ĐIỆN TRỞ
2.1 Cho Eb = 1,5; R1= 15kΩ; Rm =1kΩ; R2 = 1kΩ; Imax = 50µA. Xác định trị số đọc
của Rx khi Ib = Imax; Im = ½ Imax; Im =3/4 Imax . Giải:
Tại Im =Imax = 50µA; Vm = Imax × Rm = 50µA × 1kΩ = 50mA. 50mV
Do đó: I =Vm = =50μA m
. Như vậy dòng điện: Ib = 100µA. R 1kΩ 2 E Vậy b R + R #
Nếu R + R >> R // R >> 500Ω . x 1 x 1 2 m I b 1,5V # =15kΩ. R 100μA
x +15kΩ = 15kΩ; Rx = 0Ω.
Khi Im =1/2 Imax = 25µA; Vm = 25mV ⟶ I2 = 25µA. 1,5V
Suy ra Ib = 50µA. Vậy Rx + R1 # ; R 50μA x # 15kΩ.
Tương tự như cách tính trên. Im = 3/4 Imax = 37,5µA.
Ib = Im + I2 = 37,5µA + 37,5µA = 75µA. 1,5V Rx + R1 = = 20kΩ, Rx = 5kΩ. 75μA
2.2 Một ohm-kế loại nối tiếp có mạch đo (Hinh dưới đây). Nguồn Eb = 1,5V, cơ
cấu đo có Ifs = 100µA. Điện trở R1 + Rm = 15kΩ.
a) Tính dòng điện chạy qua cơ cấu đo khi Rx = 0.
b) Tính trị giá Rx để cho kim chỉ thi có độ lệch bằng 1/2 FSD, 1/4 FSD, 3/4 FSD
(FSD: độ lệch tối đa thang đo.) Trang 10
ĐO LƯỜNG ĐIỆN BÀI TẬP Hình B.2.2 Giải: E 1,5V b a. I = = =100μA m (FSD). R + R + R 0 +15kΩ x 1 m
b. Độ lệch bằng 1/2 FSD: 100μA I =
=50μA (vì cơ cấu đo tuyến tính.) m 2 E E b b 1,5V
R + R + R = ⟶ R = - CR + R 3 = - 15kΩ =15kΩ x 1 m x 1 m I I 50μA m m Độ lệch bằng 1/4 FSD: 100μA 1,5V I = - m = =25μA ; Rx 15kΩ =45kΩ 4 25μA Độ lệch bằng 3/4 FSD: 1,5V I R = - m = 0,75 × 100µA = 75µA; 15kΩ =5kΩ. x 75μA
2.3 Một ohm-kế có mạch đo như hình sau. Biết Eb =1,5V, R1 = 15kΩ; Rm = 50Ω;
R2 = 50Ω; cơ cấu đo có Ifs = 50µÂ.
Tính trị giá Rx khi kim chỉ thị có độ lệch tối đa: (FSD); 1/2 FSD và 3/4 FSD. Trang 11
ĐO LƯỜNG ĐIỆN BÀI TẬP Hình B.2.3 Giải:
Khi kim lệch tối đa (FSD):
Im = 50µA; Vm = Im.Rm = 50µA×50Ω = 2,5mV. 2,5Vm I =Vm = =50μA 2 R 50Ω 2
Dòng điện mạch chính: Ib = I2 + Im = 50µA + 50µA = 100µA. R + R 1,5V = E b = =15kΩ x 1 I 100μA b
Rx = ( Rx + R1) – R1 = 15kΩ - 15kΩ = 0 Kim lệch 1/2 FSD: 1,25mV I = =
m = 25µA; Vm = 25µA × 50Ω = 1,25mV; I 25μA 2 50Ω Ib = 25µA + 25µA = 50µA. 1,5V R +R = =30kΩ
; Rx = 30kΩ - 15kΩ = 15kΩ. x 1 50μA Kim lệch 3/4 FSD:
Im = 0,75 × 50µA = 37,5µA; Vm = 37,5µA×50Ω = 1,875mV. 1,875mV I = = 2
37,5μA ; Ib = 37,5µA + 37,5µA = 75µA. 50Ω 1,5V R + R =
=20kΩ ⟶ R =20kΩ - 15kΩ =5kΩ x 1 x . 75μA Trang 12
ĐO LƯỜNG ĐIỆN BÀI TẬP
2.4 Một ohm-kế co mạch đo nhiu hình bai 3. có nguồn Eb giam xuống chỉ còn
1,3V. Tính trị giá mới của R2 ?.?lại các giá trị Rx tương ứng với độ lệch của kim: 1/2 FSD, 3/4 FSD. Giải: E R 1,3V b x R = = x = 0; I 86,67μA b + R1 0 +15kΩ
Im = 50µA (FSD); I2 = Ib – Im = 86,67µA – 50µA = 36,67µA. 2,5mV
V = I R = 50µA × 50Ω = 2,5mV; R =Vm = 68,18Ω m m m 2 I 2 36,67μA Khi kim lệch 1/2 FSD:
Im = 25µA; Vm = 25µA × 50Ω = 12,5mV I =Vm 1,25mV = =18,33μA 2 R2 68,1Ω
Ib=Im + I2 = 25µA + 18,3µA =43,33µA V 1,3V R + R m =
30kΩ ⟶ R =30kΩ - 15kΩ =15kΩ = 2 1 I 43,33μA x b Khi kim lệch 3/4 FSD:
Im = 0,75 × 50µA = 37,5µA; Vm = 37,5µA × 50Ω = 1,875mV. 1,875mV I = =27,5μA; 2 I 68,18Ω b =37,5µA + 27,5µA = 65µA. R + R Vm 1,3V =
20kΩ ⟶ R =20kΩ - 15kΩ =5kΩ = x 1 I 65μA x b
2.5 Tính dòng điện chạy qua cơ cấu đo và độ lệch của kim chỉ thị của ohm-kế có
mạch dô như hình vẽ khi ta sử dung tầm đo R×1 trong hai trường hợp: a)Rx = 0 b) Rx = 24Ω Trang 13
ĐO LƯỜNG ĐIỆN BÀI TẬP Hình B.2.5 Giải:
Mạch tương đương của ohm- kế khi ta sử dụng tầm đo R×1 trong hai
truwowg\ngf hợp Rx = 0 và Rx = 24Ω như sau: • R = 0; I = 1,5V x
b 14Ω + [10Ω //C9,99kΩ + 2,875kΩ + 3,82kΩ3] 1,5V = I = 62,516mA
b 14Ω + C10Ω //16,685kΩ3
Dòng Im chạy qua cơ cấu đo: 10Ω I =62,516mA m 10Ω +16,685kΩ
Im = 37,5µA = Ifs: Khi kim lệch tối đa. • Rx = 24Ω: I = 1,5V b
24Ω +14ΩC10Ω //C16,685kΩ33 =31,254mA 10Ω I =31,254mA 18,72μA : m 10Ω +16,685kΩ kim lệch 1/2 FSD.
2.6 Tính dòng điện chạy qua cơ cấu đo và độ lệch của kim chỉ thị của ohm-kế có
mạch như bài 5, khi sử dụng tầm đo R×100 va R×10k trong trường hợp Rx = 0. Trang 14
ĐO LƯỜNG ĐIỆN BÀI TẬP Hình B.2.6 Giải:
• Mạch tương đương của Ohm-kế khi ta sử dụng tầm đo R×100 và R = 0. 1,5V I =
b 1470Ω + [1kΩ //C9kΩ + 2,875kΩ + 3,82kΩ3] 1,5V = =622,38μA
236kΩ + C1kΩ //15,695kΩ3 1kΩ I =62238μA =37,5μA =I m
fs : kim chỉ thị lệch tối đa. 1kΩ + 6,695kΩ
• Mạch tương đương của ohm-kế khi ta sử dungj tầm đo R×10kΩ và Rx = 0. I = 15V b
236kΩ + [10kΩ //C2,875kΩ + 3,82kΩ3] 15V
=236kΩ + [10kΩ // 6,695kΩ] =62,5μA 10kΩ I =62,5μA =37,5kΩ =I m
fs : Kim chỉ thị lệch tối đa.
10kΩ + 6,695kΩ
2.7 Ta đo điện trở bằng cách dùng phương pháp V và A được mắc rẻ dài. Ampe-
kế chỉ 0,5A,vôn kế chỉ 500V.Ampe kế có Ra = 10Ω,10kΩ/V. Tính giá trị R. Trang 15
ĐO LƯỜNG ĐIỆN BÀI TẬP Hình B.2.7 Giải: E + EA = 500V; I = 0,5A E + E 500V R + R = A = =1000Ω x I 0,5A
R = 1000Ω - Ra = 1000Ω - 10Ω =990Ω.
2.8 Các ampe-kế, vôn kế và điện trở R ở bài 2.7 được mắc rẻ ngắn. Hãy tính độ
chỉ của vôn kế và ampe-kế (nguồn cung cấp vẫn là 500V). Hình B.2.8 Giải: Nội trở của vôn kế :
Rv = 1000V × 10kΩ/V =10MΩ
Rv // R = 10MΩ // 990Ω = 989,9Ω
• Độ chỉ của vôn kế : E =500V ×C Rv // R3 =5000V ×989,9Ω =495V
R + C R + R3 10Ω + 989,9Ω a v E 495V
• Độ chỉ của ampe-kế: =I + I = = =0,5A v . R // R 989,9Ω v Trang 16
ĐO LƯỜNG ĐIỆN BÀI TẬP CHƯƠNG III:
ĐO ĐIỆN DUNG, ĐIỆN CẢM VÀ HỔ CẢM
3.1. Cho cầu đo như hình vẽ , biết C1 =0.1μF và tỉ số R3/R4 có thể chỉnh được thay
đổi trong khoảng : 100/1 và 1/100 . Hãy tính CX mà cầu có thể đo được. Hình B.3.1 Giải:
Ta có: Cx = C1R3/R4 . Với : R3/R4 =100/1
=>CX = 0,1μF(100/1) =10μF
Với : R3/R4 =1/100 => 0,1μF(1/100) =0,001μF
Vậy cầu có tầm đo : từ 0,001μF 10μF
3.2. Cho cầu điện dung như hình sau, thành phần mẫu C1 =0,1µF ;R3 =10kΩ. Biết rằng
cầu cân bằng khi nguồn cung cấp co f = 100Hz; R1 =125Ω và R4 = 14,7Ω . Hãy tình giá
trị Rs , CS và hệ số tổn hao D của tụ? Trang 17
ĐO LƯỜNG ĐIỆN BÀI TẬP Hình B.3.2 Giải: Ta có : Cs =C1R3/R4; 0,1μF ×10kΩ C S = 14,7kΩ = 0.068μF ; R ×R 1 4 125Ω ×14,7kΩ R =183.3Ω S = = R3 10kΩ
D = ω CSRS = 2π . 100Hz ×0,068μF×183,8Ω = 0,008
3.3. Cho cầu điện dung như hình sau, thành phần mẫu C1 =0,1µF ;R3 =10kΩ. Biết rằng
cầu cân bằng khi nguồn cung cấp co f = 100Hz; R1 =125Ω và R4 = 14,7Ω . Hãy tình giá
trị Rs , CS và hệ số tổn hao D của tụ? Hình B.3.3 Giải: Ta có : Cs =C1R3/R4; Trang 18
ĐO LƯỜNG ĐIỆN BÀI TẬP 0,1μF ×10kΩ C S = 14,7kΩ = 0.068μF ; R ×R 1 4 125Ω ×14,7kΩ R =183.3Ω S = = R3 10kΩ
D = ω CSRS = 2π . 100Hz ×0,068μF×183,8Ω = 0,008
3.4. Cầu Maxwell đo điện cảm dùng thành phần mẫu C3 = 0,1μF, nguồn cung cấp có tần
số f=100Hz. Cầu cân bằng khi R1 =1,26kΩ; R3= 470Ω và R4 =500Ω .Tính trị giá điện
cảm LS, điện trở RS và hệ số phẩm chất Q của cuộn dây. Hình B.3.4 Giải: Ta có :L =0,1μF S =C3R1R4
×1,26kΩ ×500Ω =63mH R1R4 1,26kΩ ×500Ω R = S = = 1.,34kΩ R 470Ω 3 ωLS Q=
=2u ×100Hz ×63mH =0,03 R 1,34kΩ S
3.5. Cầu có nguồn cung cấp f= 100Hz cân bằng khi C3 =0,1μF, R1 =1,26kΩ , R3 =75Ω và
R4 =500Ω. Tính điện cảm LP ,điện trở RP và hệ số phẩm chất Q của cuộn dây? Trang 19
ĐO LƯỜNG ĐIỆN BÀI TẬP Hình B.3.5 Giải:
L =C R R =0,1μF×1,26kΩ ×500Ω =63mH P 3 1 4 R =R1R4 1,26kΩ ×500Ω = =8,4kΩ P R 75Ω 3 RP 8,4kΩ Q = = =212 ωL
2u ×100Hz ×63mH P
3.6. Hãy tính thành phần tương đương LS,RS của cuộn dây có :LP =63Mh ; RP = 8,4kΩ ( f =100Hz). Giải: R X 2 RS =
P P ;thế: RP = 8,4kΩ ; R 2 =7,056 ×107 ; X =ωLP X 2 + R 2 P P P P
=>XP =2 u ×100Hz ×63mH =39,6Ω
X 2 =1,57 ×103 ; X 2 + R 2 =7,056 ×107 P P P 8,4kΩ ×1,57 ×103 R = S = 0,187Ω ; 7,056 ×107 7,056 ×107 ×39,6 X = S = 39,6Ω 7,056 ×107 X L = S 39,6Ω S = = 63mH ω 2u ×100Hz Trang 20