



















Preview text:
Chương 4: Đo thông số RLC
1. Cho mạch điện như hình vẽ , biết E = 1,5 V; Imax = 100µA, R1 = 10 KΩ và Rm = 5 KΩ.
Xác định giá trị điện trở RX khi kim lệch 1/4 Imax A. RX = 15 KΩ B. RX = 30 KΩ C. RX = 45 KΩ D. RX = 30 Ω
2. Một vôn kế DC kiểu cơ cấu đo Từ Điện như hình sau, Rm=1kΩ, Imax=100µA, với tầm
đo 2V thì điện trở phụ Rs có giá trị là: a. 9kΩ B. 20kΩ C. 10kΩ D. 19Kω
3. Một vôn kế DC kiểu cơ cấu đo Từ Điện như hình sau, Rm=1kΩ, Imax=100µA, với tầm
đo 3V thì điện trở phụ Rs có giá trị là: a. 29kΩ b. 39kΩ c. 30kΩ d. 40kΩ
4. Một vôn kế DC kiểu cơ cấu đo Từ Điện như hình sau, Rm=1kΩ, Imax=100µA, với tầm
đo 2,5V thì điện trở phụ Rs có giá trị là: a. 25kΩ b. 35kΩ c. 24kΩ d. 34kΩ
5. Một vôn kế DC kiểu cơ cấu đo Từ Điện như hình sau, Rm=1kΩ, Imax=100µA, với E =
thì điện trở phụ Rs có giá trị là: A. 4kΩ B.45kΩ C.34kΩ D.35kΩ
6. Một vôn kế DC kiểu cơ cấu đo Từ Điện như hình sau, Rm=1kΩ, Imax=100µA, với tầm
đo 4V thì điện trở phụ Rs có giá trị là: A. 9kΩ B.49kΩ C.40kΩ D.30kΩ
7. Một vôn kế DC kiểu cơ cấu đo Từ Điện như hình sau, Rm=1kΩ, Imax=100µA, với tầm
đo 4,5V thì điện trở phụ Rs có giá trị là: A. 4kΩ B.55kΩ C.44kΩ D.45kΩ
8. Một vôn kế DC kiểu cơ cấu đo Từ Điện như hình sau, Rm=1kΩ, Imax=100µA, với tầm
đo 5V thì điện trở phụ Rs có giá trị là: A. 9kΩ B.55kΩ C.59kΩ D.50kΩ
9. Một vôn kế DC kiểu cơ cấu đo Từ Điện như hình sau, Rm=1kΩ, Imax=100µA, với tầm
đo 5,5V thì điện trở phụ Rs có giá trị là: A. 4kΩ B.55kΩ C.54kΩ D.65kΩ
10. Một vôn kế DC kiểu cơ cấu đo Từ Điện như hình sau, Rm=1kΩ, Imax=100µA, với
tầm đo 6V thì điện trở phụ Rs có giá trị là: A. 9kΩ B.69kΩ C.60kΩ D.50kΩ
11. Một vôn kế DC kiểu cơ cấu đo Từ Điện như hình sau, Rm=1kΩ, Imax=100µA, với
tầm đo 6,5V thì điện trở phụ Rs có giá trị là: A. 4kΩ B.65kΩ C.75kΩ D.64kΩ
12. Một vôn kế DC kiểu cơ cấu đo Từ Điện như hình sau, Rm=1kΩ, Imax=100µA, với
tầm đo 7V thì điện trở phụ Rs có giá trị là: A. 9kΩ B.80kΩ C.69kΩ D.70kΩ
13. Một vôn kế DC kiểu cơ cấu đo Từ Điện như hình sau, Rm=1kΩ, Imax=100µA, với
tầm đo 7,5V thì điện trở phụ Rs có giá trị là: A. 4kΩ B.74kΩ C.94kΩ D.75kΩ
14. Một vôn kế DC kiểu cơ cấu đo Từ Điện như hình sau, Rm=1kΩ, Imax=100µA, với
tầm đo 10V thì điện trở phụ Rs có giá trị là: A. 9kΩ B.99kΩ C.100kΩ D.90kΩ
15. Cho cơ cấu đo từ điện Imax = 100µA , điện trở nội Rm = 1kΩ được dùng làm vôn kế
DC . Tính điện trở tầm đo để vôn kế có Vđo =99V . a. 989kΩ b. 889kΩ c.890kΩ d.990kΩ
16. Cho cơ cấu đo từ điện Imax = 100µA , điện trở nội Rm = 1kΩ được dùng làm vôn kế
DC . Tính điện trở tầm đo để vôn kế có Vđo =98V . a.979kΩ b.879kΩ c.980kΩ d.890kΩ
17. Cho cơ cấu đo từ điện Imax = 100µA , điện trở nội Rm = 1kΩ được dùng làm vôn kế
DC . Tính điện trở tầm đo để vôn kế có Vđo =97V . a. 869kΩ b .870kΩ c. 970kΩ d. 969kΩ
18. Cho cơ cấu đo từ điện Imax = 100µA , điện trở nội Rm = 1kΩ được dùng làm vôn kế
DC . Tính điện trở tầm đo để vôn kế có Vđo =96V . a. 859kΩ b. 860kΩ c. 959kΩ d. 960kΩ
19. Cho cơ cấu đo từ điện Imax = 100µA , điện trở nội Rm = 1kΩ được dùng làm
vôn kế DC . Tính điện trở tầm đo để vôn kế có Vđo =95V . a. 849kΩ b. 949kΩ c. 850kΩ d. 950kΩ
20. Cho cơ cấu đo từ điện Imax = 100µA , điện trở nội Rm = 1kΩ được dùng làm
vôn kế DC . Tính điện trở tầm đo để vôn kế có Vđo =94V . a. 939kΩ b. 940kΩ c. 1100kΩ d. 1200kΩ
21. Cho cơ cấu đo từ điện Imax = 100µA , điện trở nội Rm = 1kΩ được dùng làm
vôn kế DC . Tính điện trở tầm đo để vôn kế có Vđo =93V . a. 829kΩ b. 929kΩ c. 930kΩ d. a830kΩ
22. Cho cơ cấu đo từ điện Imax = 100µA , điện trở nội Rm = 1kΩ được dùng làm vôn kế
DC . Tính điện trở tầm đo để vôn kế có Vđo =92V . a. 819kΩ b. 920kΩ c. 919kΩ d. 820kΩ
23. Cho cơ cấu đo từ điện Imax = 100µA , điện trở nội Rm = 1kΩ được dùng làm vôn kế
DC . Tính điện trở tầm đo để vôn kế có Vđo =91V . a. 909kΩ b. 910kΩ c. 1100kΩ d. 909kΩ
24. Cho cơ cấu đo từ điện Imax = 100µA , điện trở nội Rm = 1kΩ được dùng làm vôn kế
DC . Tính điện trở tầm đo để vôn kế có Vđo =90V . a. 899kΩ b. 999kΩ c. 990kΩ d. 890kΩ
25. Cho cơ cấu đo từ điện Imax = 100µA , điện trở nội Rm = 1kΩ được dùng làm vôn kế
DC . Tính điện trở tầm đo để vôn kế có Vđo =89V . a. 989kΩ b. 889kΩ c. 1100kΩ d. 1200kΩ
26. Cho cơ cấu đo từ điện Imax = 100µA , điện trở nội Rm = 1kΩ được dùng làm vôn kế
DC . Tính điện trở tầm đo để vôn kế có Vđo =88V . a. 779kΩ b. 779kΩ c. 798kΩ d. 879kΩ
27. Cho cơ cấu đo từ điện Imax = 100µA , điện trở nội Rm = 1kΩ được dùng làm vôn kế
DC . Tính điện trở tầm đo để vôn kế có Vđo =87V . a. 769kΩ b. 780kΩ c. 870kΩ d. 869kΩ
28. Cho cơ cấu đo từ điện Imax = 100µA , điện trở nội Rm = 1kΩ được dùng làm vôn kế
DC . Tính điện trở tầm đo để vôn kế có Vđo =86V . a. 959kΩ b. 859kΩ c. 860kΩ d. 760kΩ
29. Cho cơ cấu đo từ điện Imax = 100µA , điện trở nội Rm = 1kΩ được dùng làm vôn kế
DC . Tính điện trở tầm đo để vôn kế có Vđo =85V . a. 849kΩ b. 788kΩ c. 850kΩ d. 750kΩ
30. Cho cơ cấu đo từ điện Imax = 100µA , điện trở nội Rm = 1kΩ được dùng làm vôn kế
DC . Tính điện trở tầm đo để vôn kế có Vđo =84V . a. 739kΩ b. 788kΩ c. 839kΩ d. 840kΩ
31. Cho cơ cấu đo từ điện Imax = 100µA , điện trở nội Rm = 1kΩ được dùng làm vôn kế
DC . Tính điện trở tầm đo để vôn kế có Vđo =83V . a. 729kΩ b. 788kΩ c. 880kΩ d. 829kΩ
32. Cho cơ cấu đo từ điện Imax = 100µA , điện trở nội Rm = 1kΩ được dùng làm
vôn kế DC . Tính điện trở tầm đo để vôn kế có Vđo =82V . a. 819kΩ b. 788kΩ c. 780kΩ d. 820kΩ
33. Cho cơ cấu đo từ điện Imax = 100µA , điện trở nội Rm = 1kΩ được dùng làm vôn kế
DC . Tính điện trở tầm đo để vôn kế có Vđo =81V . a. 819kΩ b. 809kΩ c. 810kΩ d. 811kΩ
34. Cho cơ cấu đo từ điện Imax = 100µA , điện trở nội Rm = 1kΩ được dùng làm vôn kế
DC . Tính điện trở tầm đo để vôn kế có Vđo =80V . a. 799kΩ b. 788kΩ c. 1100kΩ d. 1200kΩ
35, Cho cơ cấu đo từ điện Imax = 100µA , điện trở nội Rm = 1kΩ được dùng làm vôn kế
DC . Tính điện trở tầm đo để vôn kế có Vđo =79V . a. 689kΩ b. 788kΩ c. 789kΩ d. 790kΩ
36. Cho cơ cấu đo từ điện Imax = 100µA , điện trở nội Rm = 1kΩ được dùng làm vôn kế
DC . Tính điện trở tầm đo để vôn kế có Vđo =78V . a. 879kΩ b. 788kΩ c. 780kΩ d. 779kΩ
37. Cho cơ cấu đo từ điện Imax = 100µA , điện trở nội Rm = 1kΩ được dùng làm vôn kế
DC . Tính điện trở tầm đo để vôn kế có Vđo =77V . a. 769kΩ b. 788kΩ c. 770kΩ d. 760kΩ
38. Cho cơ cấu đo từ điện Imax = 100µA , điện trở nội Rm = 1kΩ được dùng làm vôn kế
DC . Tính điện trở tầm đo để vôn kế có Vđo =76V . a. 759kΩ b. 788kΩ c. 760kΩ d. 850kΩ
39. Để đo được điện trở lớn ( MΩ ) phương pháp gián tiếp. Bằng cách mắc nối tiếp điện trở
cần đo với miliampe kế có khả năng đo tới 100 µA báo dòng 8 µA ở nguồn 200 V. Vậy
điện trở cần đo là bao nhiêu ? A. R = 25 MΩ B. R = 20 MΩ C. R = 10 MΩ D. R = 15 MΩ
40. Cho mạch đo điện trở như hình vẽ, . Sai số của phép đo phụ thuộc vào A.
Sai số phép đo phụ thuộc vào nội trở của Vôn kế B.
Sai số phép đo phụ thuộc vào nội trở của Ampe kế C.
Sai số phép đo phụ thuộc vào nội trở vôn kế và ampe kế D.
Sai số phép đo không phụ thuộc vào nội trở của các đồng hồ mà chỉ phụ thuộc vào sai
số của điện trở cần đo
41. Cho mạch đo điện trở như hình vẽ, . Sai số của phép đo phụ thuộc vào A.
Sai số phép đo phụ thuộc vào nội trở của Vôn kế B.
Sai số phép đo phụ thuộc vào nội trở của Ampe kế C.
Sai số phép đo phụ thuộc vào nội trở vôn kế và ampe kế D.
Sai số phép đo không phụ thuộc vào nội trở của các đồng hồ mà chỉ phụ thuộc vào sai
số của điện trở cần đo
42. Thang đo của Ohm kế hiển thị bằng kim có dạng A.
Tùy thuộc vào từng loại cơ cấu đo B.
Cùng chiều với thang đo dòng điện C.
Cùng chiều với thang đo điện áp D.
Ngược chiều với thang đo dòng điện và điện áp
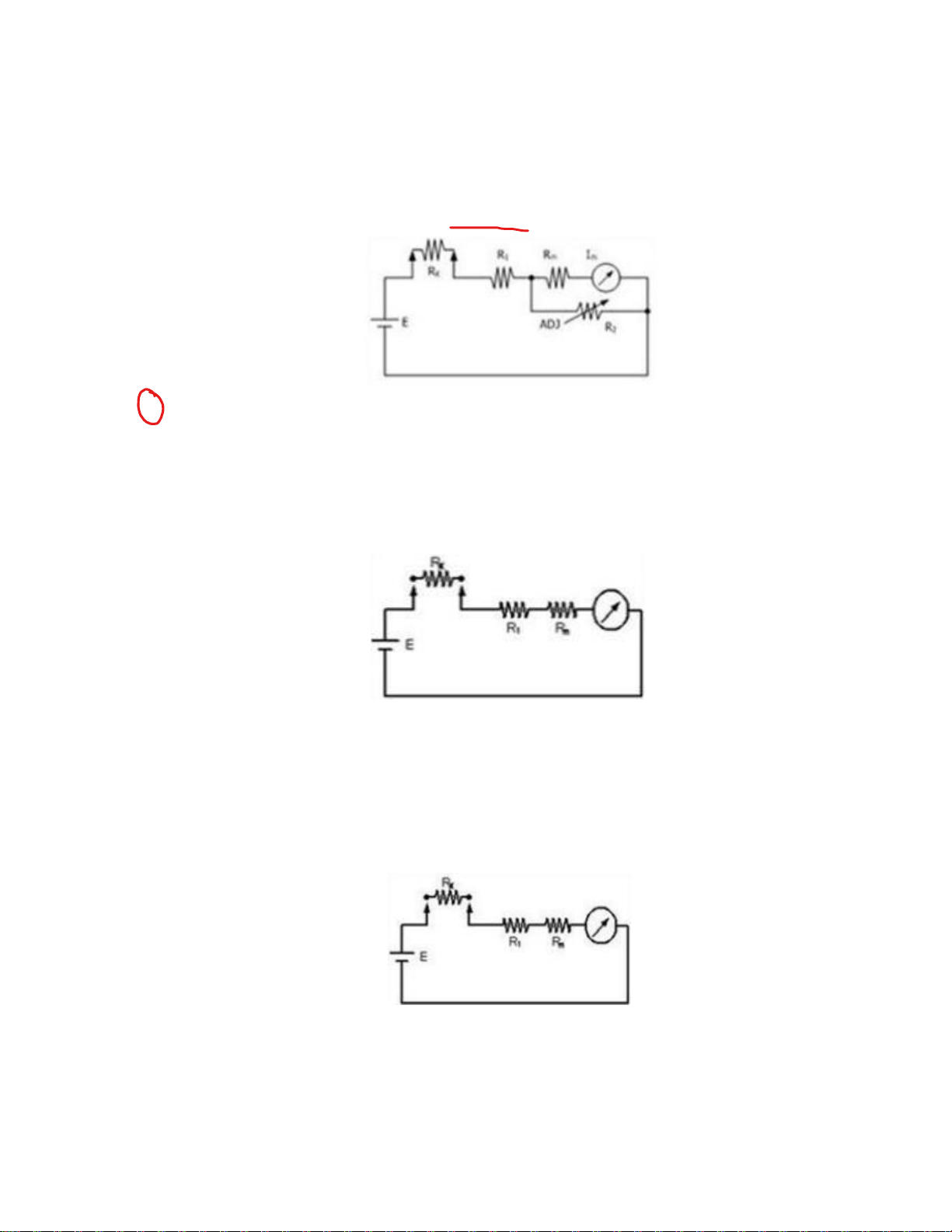
43. Cho mạch đo điện trở như hình vẽ, Biết E = 1,5V; Imax = 100µA, R1+Rm = 15 KΩ
Tính dòng đi qua cơ cấu Im khi RX = 0 A. Im = 100µA B. Im = 50 µA C. Im = 75 µA D. Im = 25 µA
44. Cho mạch điện như hình vẽ , biết E = 1,5 V; Imax = 100µA, R1 = 10 KΩ và Rm = 5
KΩ . Xác định giá trị điện trở RX khi kim lệch 1/4 Imax A. RX = 15 KΩ B. RX = 30 KΩ C. RX = 45 KΩ D. RX = 30Ω
45. Cho mạch đo điện trở như hình vẽ , Biết E = 1,5V; Imax = 100µA, R1 + Rm = 15
KΩ .Tính dòng đi qua cơ cấu Im khi RX = 45 KΩ A. Im = 100µA B. Im = 50 µA C. Im = 75 µA D. Im = 25 µA
46. Cho mạch đo điện trở như hình vẽ , Biết E = 1,5V; Imax = 100µA, R1 + Rm = 15 KΩ
.Tính dòng đi qua cơ cấu Im khi RX = 5 KΩ A. Im = 100µA B. Im = 50 µA C. Im = 75 µA D. Im = 25 µA
47. Cho mạch đo điện trở như hình vẽ , Biết E = 1,5V; Imax = 100µA, R1 + Rm = 15 KΩ
.Tính dòng đi qua cơ cấu Im khi RX = 15 KΩ A. Im = 100µA B. Im = 50 µA C. Im = 75 µA D. Im = 25 µA
48. Một cơ cấu đo có dòng điện Imax = 50 µ A, nội trở cơ cấu Rm = 20 kΩ , Được dùng
làm ohm kế được cấp bởi nguồn điện 3V. Vậy điện trở R1 cần mắc thêm vào mạch có giá
trị là bao nhiêu khi Rx = 0 A. R1= 40 kΩ B. R1= 60 kΩ C. R1= 40 Ω D. R1= 60 Ω
49. Một cơ cấu đo có nội trở Rm = 15 kΩ, được dùng làm ohm kế được cấp bởi nguồn
điện 3V, điện trở R1 mắc nối tiếp với cơ cấu đo là 40 kΩ. Khi dòng điện qua cơ cấu đo là
Im = 30 µ A thì giá trị điện trở RX là A. RX = 45 kΩ B. RX = 50 kΩ C. RX = 40 kΩ D. RX = 55 kΩ
50. Một mạch đo điện trở có R1 + Rm = 15 kΩ , Imax = 100 µ A, nguồn cung cho mạch
đo là 3V. Nếu giá trị dòng điện qua mạch đo là 75 µ A thì giá trị điện trở RX sẽ là A. RX = 25 kΩ B. RX = 35 kΩ C. RX = 45 kΩ D. RX = 15 kΩ
51. Một mạch đo điện trở có R1 + Rm = 25 kΩ , Imax = 100 µ A , nguồn cung cho mạch
đo là 3V . Nếu giá trị dòng điện qua mạch đo là 50µA thì giá trị điện trở RX sẽ là A. RX = 40 kΩ B. RX = 35 kΩ C. RX = 45 kΩ D. RX = 50 kΩ
52. Mạch đo như hình vẽ có thông số sau E = 3V, Imax = 100µ A , R1 = 15 kΩ , Rm = R2
= 3 kΩ . Khi dòng điện qua cơ cấu đo là 75 µA thì RX có giá trị là A. RX = 3,5 kΩ B. RX = 22,5 kΩ C. RX = 16,5 kΩ D. RX = 24,5 kΩ
53. Mạch đo như hình vẽ có thông số sau E = 3V; Imax = 100µA , R1 = 15 kΩ , Rm
= R2 = 3 kΩ . Khi dòng điện qua cơ cấu đo là 50 µ A thì RX có giá trị là A. RX= 14,5 kΩ B. RX= 13.5 kΩ C. RX= 5,34 kΩ D. RX= 5,43 kΩ
54. Mạch đo như hình vẽ có thông số sau E = 3 V; Imax = 50 µ A , Rm = 3 kΩ . Khi Rx =
0; để đảm bảo an toàn cho cơ cấu đo thì giá trị điện trở R1 sẽ là A. R1 = 57 kΩ B. R1 = 59 kΩ C. R1 = 95 kΩ D. R1 = 75 kΩ
55. Mạch đo như hình vẽ có thông số sau E = 3V, Imax = 100 µ A , R1 = 25 kΩ , Rm = R2
= 10 kΩ , khi dòng điện tổng I = 50 µ A thì điện trở RX sẽ có giá trị là A. Rx = 10 kΩ B. Rx = 20 kΩ C. Rx = 30 kΩ D. Rx = 40 kΩ
56. Mạch đo như hình vẽ có thông số sau E = 3V, Imax = 100 µ A , R1 = 25 kΩ , Rm = R2
= 10 kΩ , khi dòng điện tổng I = 75 µ A thì điện trở RX sẽ có giá trị là A. Rx = 10 kΩ B. Rx = 20 kΩ C. Rx = 30 kΩ D. Rx = 40 kΩ
57. Mạch đo như hình vẽ có thông số sau E = 3V, Imax = 100 µ A , R1 = 25 kΩ , Rm = R2
= 10 kΩ , khi dòng điện tổng I = 60 µ A thì điện trở RX sẽ có giá trị là A. Rx = 10 kΩ B. Rx = 20 kΩ C. Rx = 30 kΩ D. Rx = 40 kΩ
58. Giá trị điện trở RX theo phương pháp gián tiếp khi giá trị đọc được trên vôn kế là 250V
và trên ampe kế là 2,5 mA là A. RX = 100 kΩ B. RX = 10 kΩ C. RX = 100 MΩ D. RX = 10 MΩ
59. Cho mạch điện như hình vẽ, biết E = 1,5V; Imax = 50µA, R1 = 15 KΩ và Rm = R2 =
50Ω. Xác định giá trị điện trở RX khi Im = Imax A. RX = 0 B. RX = ∞ C. RX = 5 KΩ D. RX = 15 KΩ
60. Cho mạch điện như hình vẽ , biết E = 1,5V; Imax = 100µA, R1 = 10 KΩ và Rm = 5
KΩ . Xác định giá trị điện trở RX khi kim lệch ½ Imax A. RX = 15 KΩ B. RX = 30 KΩ C. RX = 15 Ω D. RX = 30 Ω
61. Cho mạch điện như hình vẽ, biết E = 1,5V; Imax = 100µA; R1 = 10 KΩ và Rm = 5 KΩ
. Xác định giá trị điện trở RX khi kim lệch ¾ Imax A. RX = 5 KΩ B. RX = 15 Ω C. RX = 20 KΩ D. RX = 25Ω
62. Cho mạch điện như hình vẽ, biết E = 1,5V; Imax = 50µA, R1 = 15 KΩ và Rm = R2 =
50Ω . Xác định giá trị điện trở RX khi Im = 0 A. RX = 0 B. RX = ∞ C. RX = 5 KΩ D. RX = 15 KΩ
63. Cho mạch điện như hình vẽ, biết E = 1,5V; Imax = 50µA, R1 = 15 KΩ và Rm = R2 =
50Ω . Xác định giá trị điện trở RX khi Im = ½ Imax A. RX ≈ 15 KΩ B. RX ≈ 45 KΩ C. RX ≈ 5 KΩ D. RX ≈ 30 KΩ
64. Cho mạch điện như hình vẽ, biết E = 1,5V; Imax = 50µA, R1 = 15 KΩ và Rm = R2 =
50Ω . Xác định giá trị điện trở RX khi Im = 3/4Imax A. RX ≈ 15 KΩ B. RX ≈ 45 KΩ C. RX ≈ 5 KΩ D. RX ≈ 30 KΩ
65. Cho mạch điện như hình vẽ , biết E = 1,3V; Imax = 50µA, R1 = 15 KΩ và Rm = 50 Ω
. Xác định giá trị điện trở R2 khi RX = 0 A. R2 = 68,18 Ω B. R2 = 50 Ω C. R2 = 69,18 Ω D. R2 = 59,18 Ω
66. Cho mạch điện như hình vẽ , biết E = 1,3V; Imax = 50µA, R1 = 15 KΩ và Rm = 50Ω =
R2 . Xác định giá trị điện trở Rx khi Im = ½ Imax A. Rx = 12 KΩ B. Rx = 11 KΩ C. Rx = 0.11 KΩ D. Rx = 0.011 KΩ
67. Cho mạch điện như hình vẽ , biết E = 1,3V; Imax = 50µA, R1 = 15 KΩ và Rm = 50Ω ,
R2= 40 Ω . Xác định giá trị điện trở Rx khi Im =3/4 Imax A. Rx = 0.407 KΩ B. Rx = 0.0047 KΩ C. Rx = 4.7 KΩ D. Rx = 0.47 KΩ 68.
Cho mạch điện như hình vẽ , biết E = 1,5V; R1 = 14 Ω và Rm = 16,685 KΩ ; R2 =
10 Ω . Tính dòng trong mạch khi Rx = 0 A. Im ≈ 0.0625A B. Im ≈ 6.25mA C. Im ≈ 0.625mA D. Im ≈ 62.5µA
69. Cho cầu Wheatstone đo điện trở theo phương pháp cân bằng. Khi đo giá trị điện trở Rx
ta điều chỉnh P = 3,5KΩ , Q = 7 KΩ, S = 5,51 KΩ thì cầu cân bằng. Tính Rx A. Rx = 2,755 KΩ B. Rx = 500 Ω C. Rx = 4 KΩ D. Rx = 6 KΩ
70. Cho cầu Wheatstone đo điện trở theo phương pháp cân bằng. Khi đo giá trị điện trở
Rx ta điều chỉnh P = 3,5 KΩ, Q = 7 KΩ , S = 1 KΩ thì cầu cân bằng. Tính Rx A. Rx = 2,755 KΩ B. Rx = 500 Ω C. Rx = 4 KΩ D. Rx = 6 KΩ
71. Cho cầu Wheatstone đo điện trở theo phương pháp cân bằng Khi đo giá trị điện trở Rx
ta điều chỉnh P = 3,5 KΩ, Q = 7 KΩ và S thì cầu cân bằng. Khi đó ta tính giá trị đện trở cần
đo Rx = 2 KΩ Vậy giá trị điện trở S cần điều chỉnh là: A. S = 2,755 KΩ B. S = 500 Ω C. S = 4 KΩ D. S = 6 KΩ
72. Cho cầu Wheatstone đo điện trở theo phương pháp cân bằng Khi đo giá trị điện trở Rx
ta điều chỉnh P = 3,5 KΩ, Q = 7 KΩ và một tụ điênΩ thì cầu cân bằng. Tính Rx A. Rx = 2,755 KΩ B. Rx = 500 Ω C. Rx = 4 KΩ D. Rx = 6 KΩ
73. Khi đo điện trở bằng cầu Wheatstone đo điện trở theo phương pháp cân bằng, nguồn
điện cung cấp cho mạch đo là: A. Nguồn điện một chiều B.
Nguồn điện xoay chiều lấy trực tiếp từ lưới điện quốc gia C.
Nguồn điện dạng xung tam giác hoặc dạng xung gai D.
Nguồn điện xoay chiều lấy từ thứ cấp của máy biến áp cách ly
74. Cho cầu đo điện dung có các giá trị C1 = 0,1µF; f =100 Hz; R1 = 125 Ω; R3 = 10 KΩ;
R4 = 14,7 KΩ thì cầu cân bằng. Tính Cx. A. Cx = 0,068 µF. B. Cx = 10 µF. C. Cx = 0,001 µF. D. Cx = 0,03 µF.
75. Cho cầu đo điện dung có các giá trị C1 = 0,1µF; f =100 Hz; R1 = 125 Ω; R3 = 10 KΩ;
R4 = 14,7 KΩ thì cầu cân bằng. Tính Rx. A. Rx = 183,8 Ω. B. Rx = 551,3 Ω. C. Rx = 2,99 MΩ. D. Rx = 14,705 KΩ.
76. Cho cầu đo điện dung có các giá trị C1 = 0,1µF; f =100 Hz; R1 = 125 Ω; R3 = 10 KΩ;
R4 = 14,7 KΩ thì cầu cân bằng. Tính hệ số tổn hao nhỏ ( phẩm chất ) D.