





Preview text:
ĐỀ THI HỌC KỲ LẦN 2
MÔN: KỸ THUẬT ĐO LƯỜNG CẢM BIẾN LỚP: CĐTĐ18 A, B; Ngày thi: 06/07/2019 Thời gian: 90 phút
Sinh viên không tham khảo tài liệu
Lưu ý: Đề thi có 2 mặt Câu 1: (2 điểm)
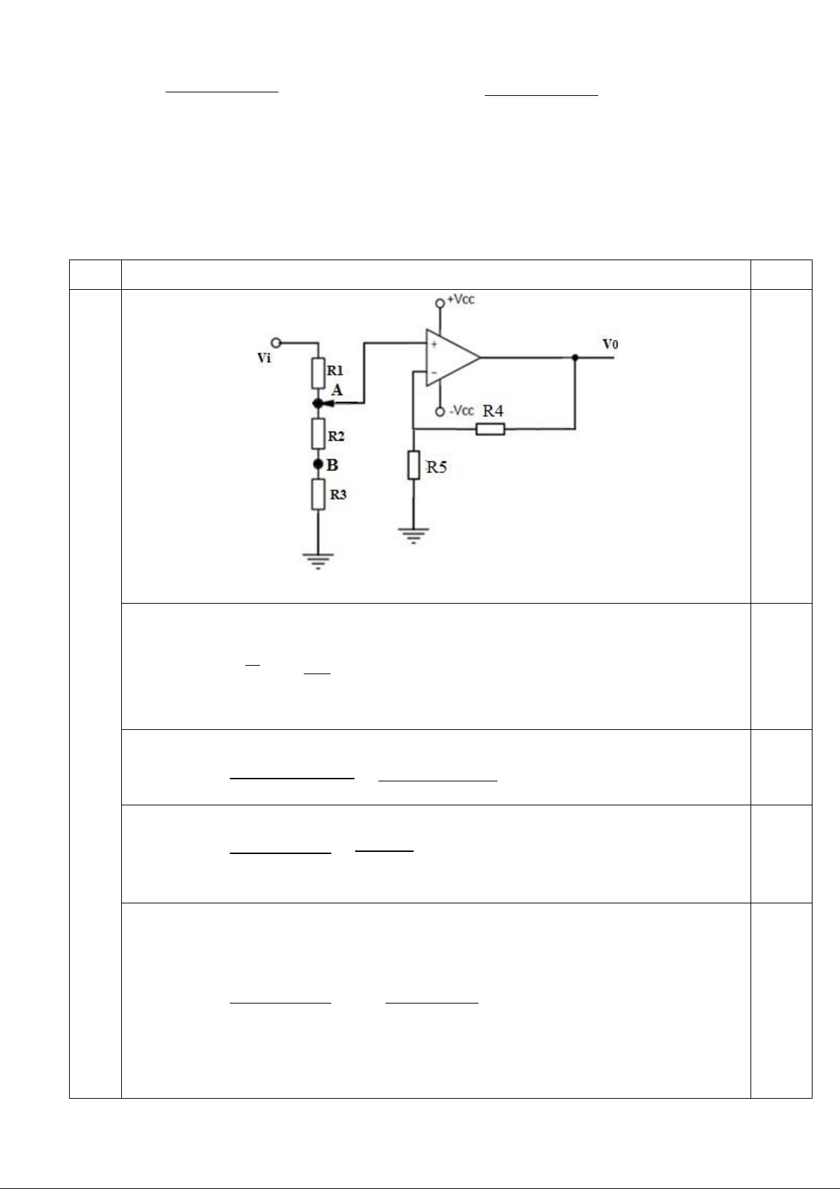
Cho mạch Vôn kế DC như hình 1: Hình 1
a) Cho R1 = R2 = R3 = 30KΩ; R4 = 1KΩ; R5 = 0.1KΩ; Vi = 3VDC. Tính V0
khi thang đo ở vị trí tại A và tại B?
b) Tính chọn điện trở R1, R2, R3 để Vôn kế có tầm đo tại A là 5VDC và tại B
là 10VDC? Biết (R1 + R2 + R3) = 10KΩ. Biết mạch có hệ số khuếch đại Av = 10
lần và kim lệch tối đa khi V0 = 5VDC? Câu 2: (2 điểm)
Một encoder tương đối có độ phân giải N = 200 (xung/vòng) được gắn đồng trục với động cơ.
a) Hỏi muốn động cơ quay được 1 vòng + 450 (tức 4050) thì cần cài bao nhiêu
xung? Viết phương trình liên hệ giữa góc quay và số xung: α0 = a. x (Trong
đó α là góc quay, x là số xung, a là hệ số cần tìm).
a) Tính tốc độ quay của động cơ (vòng/phút). Biết biết tốc độ xung encoder đọc
về của động cơ là: 1000 xung/s. Câu 3: (2 điểm)
Một bộ chuyển đổi tín hiệu Thermocouple có thông số của nhà sản xuất như sau: Range (dải đo): 0 ÷ 8000C Out (ngõ ra): 4 ÷ 20mA
a) Viết phương trình liên hệ giữa nhiệt độ và dòng điện : t0C = a. ImA + b (Với t0C
là nhiệt độ, I là dòng điện mA). 1/2
b) Để chuyển đổi tín hiệu dòng điện sang điện áp, ta mắc thêm điện trở R nối tiếp.
Tính giá trị điện trở R để VOUT = 5VDC tại 3000C. Với R vừa tìm được hãy viết
phương trình liên hệ giữa nhiệt độ và điện áp: t0C = a. V+ b (Với t0C là nhiệt
độ, V là điện áp Volt) Câu 4: (2 điểm)
Một Loadcell có các thông số như sau: Độ nhạy S = 2 mV/V. Nguồn cấp Vs = 5
VDC. Tầm đo từ 0kg đến 20kg.
a) Tính dải điện áp Vo của Loadcell (Vomin ; Vomax )?
b) Thiết kế mạch khuếch đại cho Loadcell để điện áp ngõ ra V0 từ 0VDC đến
5VDC tương ứng khối lượng từ 0kg đến 20kg, bỏ qua khối lượng bàn cân? Câu 5: (2 điểm)
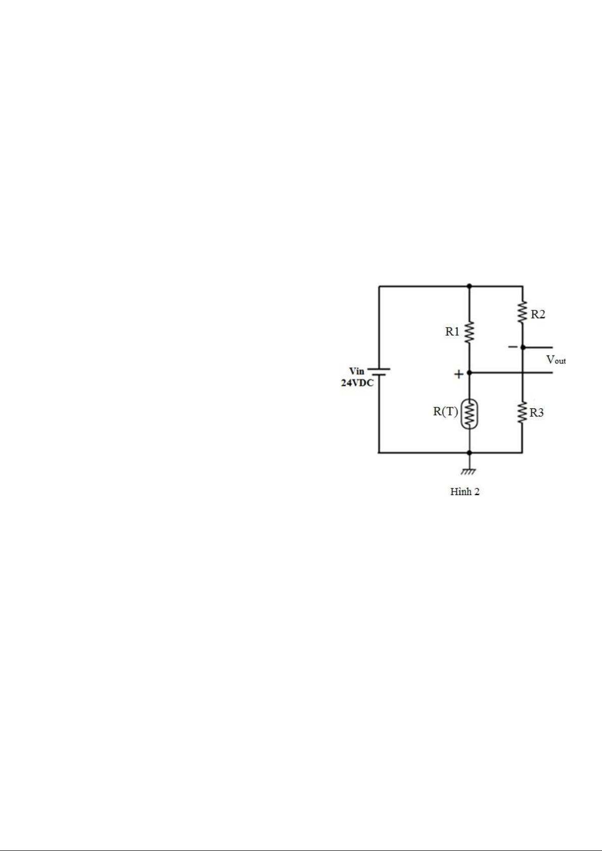
Một cảm biến nhiệt độ PT100 mắc vào mạch cầu Wheatstone như hình 2.
a) Viết công thức tính điện áp Vout ?
b) Tính độ nhạy ngõ ra S (mV/0C) của
PT100 trong dải đo từ: 00C đến 2000C.
Biết PT100 có phương trình: R(T) = R0(1+AT) Với A = 3.9083 × 10−3 Đặt: ∆R = R0.A.T
Cho R1 = 1 KΩ ; R2 = 1 KΩ ; R3 = 0,1 KΩ
Tp. HCM, ngày 6 tháng 07 năm 2019 BM. Tự Động Hoá GV ra đề TS. Đặng Đắc Chi Phan Hồng Thiên 2/2 BỘ CÔNG THƯƠNG
CỘNG HÒA XÃ HỘI CHỦ NGHĨA VIỆT NAM
TRƯỜNG CĐKT CAO THẮNG
Độc lập – Tự do – Hạnh phúc
KHOA ĐIỆN – ĐIỆN LẠNH
ĐÁP ÁN ĐỀ THI HỌC KỲ
MÔN: KỸ THUẬT ĐO LƯỜNG CẢM BIẾN LỚP: CĐTĐ16 A, B; Ngày thi: 06/07/2019 Thời gian: 90 phút Câu Nội dung Điểm a) Hệ số khuếch đại: 0,5
A = 1+ 𝑅4 = 1+ 1𝐾 = 11 lần 1 V 𝑅5 0.1𝐾 (2đ) Điện áp V0 tại A
𝑉𝑖 . (𝑅2 + 𝑅3). 𝐴𝑉 3. (30 + 30).11 0,25 𝑉0𝐴 = = = 22 𝑉 𝑅 + 𝑅 + 𝑅 90 1 2 3 Điện áp V0 tại B 𝑉 𝑖 . 𝑅3. 𝐴𝑉 3.30.11 𝑉 0,25 0𝐵 = = = 11 𝑉 𝑅 + 𝑅 + 𝑅 90 1 2 3 b) Tại vị trí A ta có: 𝑉 𝑖 . (𝑅2 + 𝑅3) 5. (𝑅2 + 𝑅3) 𝑉 0𝐴 = . 𝐴 . 10 = 5 𝑅 + 𝑅 + 𝑅 𝑉 = 10 1 2 3
→ (𝑅2 + 𝑅3) = 1 𝐾Ω (1) 0,25 3/2 Tại vị trí B ta có: 𝑉 𝑖. 𝑅3 10. 𝑅3 𝑉0𝐵 = . 𝐴 . 10 = 5 (2) 0,25 𝑅 + 𝑅 + 𝑅 𝑉 = 10 1 2 3 => R3 = 0,5 KΩ
Ta lại có: 𝑅1 + 𝑅2 + 𝑅3 = 10𝐾Ω (3) Từ 1, 2, 3 ta có 0,25
=> 𝑅1 = 10 − 1 = 9 𝐾Ω => R2 = 0,5 KΩ 0,25
a) Số xung cần cài đặt 0,5 405 × 200 𝑠ố 𝑥𝑢𝑛𝑔 = = 225 𝑥𝑢𝑛𝑔 360 2 0,5 (1đ)
Phương trình liên hệ: α0 = 1,8. x
b) Tốc độ quay của động cơ 1s 1000 xung 60s Số xung = 6000 xung 0,5 6000 n = = 30 (vòng/phút) 200 0,5 3 (2đ)
a) Phương trình liên hệ giữa nhiệt độ và dòng điện có dạng: t0 = a. I + b
Theo đề bài ta có hệ phương trình: { 0 = 4. a + b 800 = 20. a + b 0,5 => a = 50, b = -200
Vậy phương trình liên hệ giữa nhiệt độ và dòng điện là: t0 = 50. I(mA) – 200 0,5
b) Tại 300 0C thì I = 300+200 = 10𝑚𝐴 = 0,01(𝐴) 0,25 50
Vậy điện trở R cần mắc thêm có giá trị: R = 0,25
𝑈 = 5 = 500 Ω = 0,5 𝐾Ω 𝐼 0,01
Phương trình liên hệ giữa nhiệt độ và điện áp: 0,25
Từ phương trình dòng điện : t0 = 50. I(mA) – 200 ⟹ t = 50. 𝑈 – 200 𝑅 Với R = 0,5 KΩ 0,25 Vậy t = 100.U – 200 4/2 a) Vomin = 0mV 0,5 Vomax = 2.5 = 10mV 0,5 4 b) Khi qua khuếch đại (2đ) (0mV
÷ 10mV) ⇒ khuếch đại Av lần ⇒ (0 ÷ 5V) 0,25 5 𝑅 2 => A 0,25 V = = 500 lần => = 500 0,01 𝑅 1
Chọn R1 = 1KΩ => R2 = 500 KΩ
Vậy ta dùng mạch khuếch đại vi sai với các giá trị R1, R2 như trên 0,5 a) 1 Ta có: RT 𝑅3 V0 = V+ − V− = [ − ] . 24 R + R R + R 1 T 2 3 5 (2đ) b. Khi T = 0C ⇔V0 = 0V
Khi T = 200 0C ⇔ ∆R = R0.A.T= 78,2 Ω 0,25 RT = 100 + 78,2 = 178,2 Ω 0,1782 0,1 𝑉0 = [ − ] . 24 1 + 0,1782 1 + 0,1 0,25 5/2 = 1,448V ⇒ V 0,5 0 = 1448 mV
Vậy độ nhạy 𝑆 = 1448 = 7,2 mV/𝐶0 200
Tp. HCM, ngày 6 tháng 07 năm 2019 BM. Tự Động Hoá GV ra đề TS. Đặng Đắc Chi Phan Hồng Thiên 6/2