














Preview text:
Đề cương ôn thi kết thúc học phần Thầy Bảo
ĐỀ CƯƠNG ÔN TẬP “SỨC BỀN VẬT LIỆU”
I. TÓM TẮT LÝ THUYẾT
DẠNG 1: Tính phản lực liên kết, vẽ biểu đồ nội lực Qy, Mx, kiểm tra bền, chọn tiết diện
1. Tính phản lực liên kết:
Yêu cầu SV vẽ đúng phản lực liên kết của ngàm phẳng, gối đỡ cố định, gối đỡ di động.
Dùng đúng hệ phương trình cân bằng và giải ra các phản lực liên kết.
2. Vẽ biểu đồ nội lực của thanh chịu uốn:
Cách 1: Dùng phương pháp mặt cắt (cách này an toàn, nhưng mất thời gian).
Cách 2: Sử dụng các quy tắc vẽ nhanh như sau:
- Nơi nào có lực cắt Qy bằng 0 thì mômen uốn Mx đạt cực trị.
- Nơi nào có lực tập trung thì biểu đồ lực cắt tại đó có bước nhảy, trị số bước nhảy
bằng trị số lực tập trung, chiều bước nhảy cùng chiều lực tập trung.
- Nơi nào có mô men tập trung thì biểu đồ mô men uốn tại đó có bước nhảy, trị số
bước nhảy bằng trị số mômen tập trung, chiều bước nhảy cùng chiều mô men tập trung.
- Biểu đồ kết cấu không có lực phân bố thì biểu đồ lực cắt bậc 0 (đường thẳng nằm
ngang), biểu đồ mômen uốn bậc 1 (đường thẳng nằm nghiêng).
- Biểu đồ kết cấu có lực phân bố (phân bố đều) thì biểu đồ lực cắt bậc 1, biểu đồ
mômen uốn bậc 2 (đường cong parabol).
- Thanh bị căng phía nào thì biểu đồ mô men uốn hướng về phía đó, bề lõm hứng lấy lực phân bố.
- Hiệu mô men tại 2 đầu mút trong một đoạn bằng diện tích của biểu đồ lực cắt trong đoạn đó.
- Hiệu lực cắt tại 2 đầu mút trong một đoạn bằng diện tích của biểu đồ kết cấu trong
đoạn đó. (Diện tích biểu đồ kết cấu luôn có giá trị âm). 3. Các công thức
a) Công thức tính ứng suất pháp trong thanh M = xmax max W x
b) Một số công thức tính mô men chống uốn của các loại mặt cắt:
- Mặt cắt hình chữ nhật rộng b, cao h: bh2 W = x 6 Trang 1
Đề cương ôn thi kết thúc học phần Thầy Bảo
- Mặt cắt hình tròn đường kính d: W = 0,1d 3 x
- Mặt cắt hình vành khăn đường kính trong d, đường kính ngoài D:
W = 0,1D3 1 − (d / D )4 x
- Mặt cắt hình chữ I, chữ U, khác: Tra bảng cuối sách
c) Điều kiện bền thanh chịu uốn theo ứng suất pháp lớn nhất
max = Mxmax Wx
d) Điều kiện bền thanh chịu uốn theo ứng suất tiếp lớn nhất max
Ứng với từng loại mặt cắt khác nhau mà có ứng suất tiếp lớn nhất khác nhau:
- Mặt cắt hình chữ nhật có tiết diện A: = 3 Q ymax max 2.A
- Mặt cắt hình tròn có tiết diện A: = 4 Q ymax max 3.A
- Mặt cắt hình vành khăn bán kính trong R1, bán kính ngoài R2: 4 Q = ymax
R2 + R .R + R2 max . 1 1 2 2 3 R4 − R4 2 1
e) Điều kiện bền thanh chịu uốn theo ứng suất pháp và ứng suất tiếp lớn nhất max max Trong đó:
= / 2
hoặc = /
DẠNG 2: Vẽ biểu đồ lực dọc Nz, kiểm tra bền, chọn tiết diện, chọn tải trọng
1. Vẽ nhanh biểu đồ lực dọc Nz: Nhớ chiều dương quy ước và nhớ biểu đồ lực dọc có
bước nhảy khi đi lực tập trung. 2. Các công thức
a) Ứng suất pháp trong thanh chịu kéo, nén đúng tâm N = Z A Trang 2
Đề cương ôn thi kết thúc học phần Thầy Bảo
σ: Ứng suất pháp (kN/cm2; N/m2; …)
Nz: Lực dọc (kN, N, …)
A: Tiết diện (cm2, m2 , …)
b) Ba bài toán cơ bản áp dụng cho thanh chịu kéo, nén đúng tâm
- Thanh đủ bền khi: N
Z max max A
- Lực tác dụng (hay còn gọi là tải trọng) phải thỏa: N A. Z max
- Tiết diện của thanh phải thỏa: N A Z max
[σ]: Ứng suất pháp cho phép (kN/cm2; N/m2; …)
c) Biến dạng dài tuyệt đối: N l l = E.A
E: Mô đun đàn hồi (N/m2)
l: Chiều dài (mm, m, …)
N: Lực dọc (kN, N, …)
A: Tiết diện (cm2, m2 , …)
DẠNG 3: Đặc trưng hình học mặt cắt ngang
SV cần nhớ và áp dụng được các công thức sau:
1. Tọa độ trọng tâm tiết diện:
A x + A x + ... x = 1 1 2 2 = C
A + A + ... 1 2
A y + A y + ... y = 1 1 2 2 = C
A + A + ... 1 2
2. Mô men quán tính đối với trục qua trọng tâm, mô men độc cực của vài loại tiết diện ngang hay gặp: Trang 3
Đề cương ôn thi kết thúc học phần Thầy Bảo bh3 hb3
I = I = 0,05d 4
I = I = 0,05D4( 1 − 4 ); x y x y I = ; I = . x y I = 0,1d 4 .
I = 0,1D4( 1 − 4 ) p p 12 12 Với α = d/D
3. Công thức tính mô men quan tính chính trung tâm khi có biến đổi hệ trục toạ độ song song
I = I + b2 A; I = I + a2 A; I = I + ab.A. X x Y y XY xy
DẠNG 4: Vẽ biểu đồ mô men xoắn, áp dụng điều kiện bền, điều kiện cứng để kiểm
tra bền, chọn tải trọng hoặc chọn tiết diện hợp lý
1. Vẽ nhanh biểu đồ mô men xoắn Mz: Nhớ chiều dương quy ước và nhớ biểu đồ có
bước nhảy khi đi qua mô men tập trung. 2. Các công thức:
a) Ứng suất tiếp tại 1 điểm nào đó trên mặt cắt ngang M = z I p
Ip là mô men quán tính độc cực (cm3, m3, …
Mz là mô men xoắn (N.m, KN.m, …) Trang 4
Đề cương ôn thi kết thúc học phần Thầy Bảo
G là mô đun đàn hồi trượt của vật liệu (kN/cm2, N/m2 , …)
b) Ứng suất tiếp lớn nhất tại 1 điểm trên viền mặt cắt ngang M I = zmax ;W = p max W p r p c) Góc xoắn M = z GI p
d) Góc xoắn tỉ đối (góc xoắn trên 1 mét chiều dài trục thanh) M l = zi i G I i pi
(li là chiều dài, m, cm, mm, …)
e) Điều kiện bền của thanh chịu xoắn M
zmax max W p
f) Điều kiện cứng của thanh chịu xoắn M
zmax max G.I p
g) Công thức liên hệ giữa mô men xoắn, công suất truyền động và tốc độ quay của trục 9740.N M = z n
N là công suất truyền động (kW)
Mz là mô men xoắn (N.m)
n là số vòng quay của trục trong 1 phút (vòng/phút)
h) Thanh đủ bền và cứng khi nó thỏa điều kiện bền và điều kiện cứng
Mz max W p M
z max G.I p
DẠNG 4: Các bài tập khác, bài tập thể hiện năng lực sáng tạo của người học
(Tùy tình huống mà SV tìm cách xử lý). Ghi chú:
- SV cần học thuộc các công thức nói trên. Trang 5
Đề cương ôn thi kết thúc học phần Thầy Bảo
- SV làm hết, hiểu hết các bài tập cho ở dưới; làm lại và hiểu hết các bài ví dụ học trên
lớp là đạt yêu cầu.
- SV cần biết đổi đơn vị.
1 m = 100 cm = 1000 mm
1 m2 = 104 cm2 = 106 mm2 1 kN = 1000 N
1 MPa = 103 kPa = 106 Pa = 106 N/m2
1 kN/cm2 = 103 N/ cm2 = 107 N/m2
10/m = π/180 rad/m
(Trên 90% bài làm sai, dẫn tới hỏng môn học là do SV không nhớ đổi đơn vị)
II. BÀI TẬP ÔN TẬP
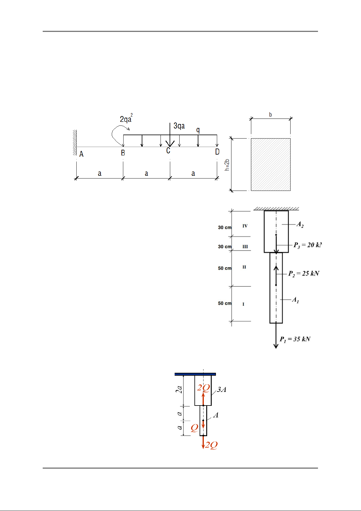
BÀI 1: (2 điểm). Cho dầm AD bằng thép có dạng tiết diện vành khăn, đường kính ngoài
60 mm, đường kính trong 30 mm, được bố trí như hình vẽ. Ứng suất pháp và tiếp cho
phép của dầm là =
2[ ] = 3,8.108 N / m2 , P = 2qa; a = 0,2 m, q = 2 kN/m.
a) Tính phản lực liên kết tại B và D (0,5đ).
b) Vẽ biểu đồ lực cắt Qy và mô men uốn Mx của dầm (1,5đ).
c) Kiểm tra xem dầm AD đủ bền theo điều kiện ứng suất pháp và ứng suất tiếp lớn nhất không (0,5đ).
BÀI 2: (2 điểm). Cho dầm AD bằng thép có dạng tiết diện tròn, đường kính 60 mm,
được bố trí như hình vẽ. Ứng suất pháp và tiếp cho phép của dầm là
= 2[ ] = 3,8.108 N / m2 , a =0,2m, q = 1kN/m.
a) Tính phản lực liên kết tại A và B (0,5đ).
b) Vẽ biểu đồ lực cắt Qy và mô men uốn Mx của dầm (1,5đ).
c) Kiểm tra xem dầm AD đủ bền theo điều kiện ứng suất pháp và ứng suất tiếp lớn nhất không (0,5đ). q .a A Trang 6
Đề cương ôn thi kết thúc học phần Thầy Bảo
BÀI 3: (3 điểm). Cho dầm AD bằng thép có dạng tiết diện tròn, đường kính 80 mm,
được bố trí như hình vẽ. Ứng suất tiếp cho phép của dầm là =
2[ ] = 3,8.108 N / m2 , a = 0,2m, q = 1kN/m.
a) Tính phản lực liên kết tại A và C (1đ).
b) Vẽ biểu đồ lực cắt Qy và mô men uốn Mx của dầm (1,5đ).
c) Kiểm tra xem dầm AD đủ bền theo điều kiện ứng suất pháp và ứng suất tiếp lớn nhất không (0,5đ). q P=q.a A B C D
BÀI 4: (2 điểm). Một thanh thẳng đứng bị ngàm chặt đầu trên, đầu kia chịu lực P = 10
kN tác dụng vuông góc với trục thanh. Mặt cắt ngang thanh có kích thước bxh = 30x40
mm. Biết vật liệu làm thanh có ứng suất pháp và tiếp cho phép là [] = 2[τ]=108 N/m2.
a) Hãy vẽ hình và đặt lực minh họa cho bài toán này (1đ)
b) Xác định lượng chìa ra lớn nhất l của thanh để nó đủ bền theo điều kiện ứng suất
pháp và ứng suất tiếp lớn nhất (1đ).
BÀI 5 (2 điểm): Trục dài 400 mm có mặt cắt hình tròn, có đường kính d = 5 cm. Hai
đầu trục được giữ bởi hai ổ đỡ. Ở giữa trục có lực tác dụng là P = 500 N, có phương
vuông góc với trục. Ứng suất pháp và tiếp cho phép của trục là =
2[ ] = 3,8.108 N / m2
a) Hãy vẽ hình và đặt các lực cho bài toán này (1đ).
b) Hãy kiểm tra điều kiện bền theo điều kiện ứng suất pháp và ứng suất tiếp lớn nhất của trục (1đ).
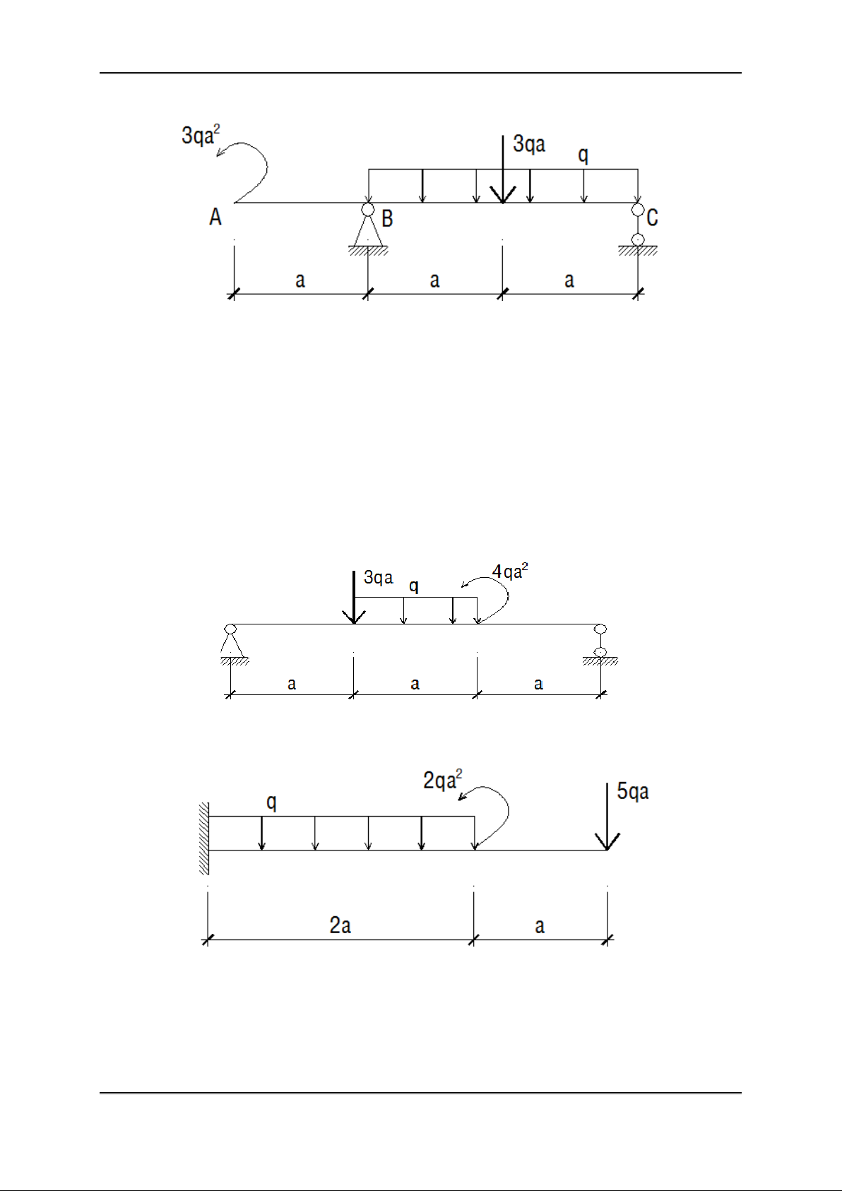
BÀI 6 (3 điểm): Trục dài 1500 mm có mặt cắt hình tròn, có đường kính d = 8 cm. Tại
hai mút đầu trục và trung điểm trục tác dụng lần lượt lực P = 10 kN có phương song
song nhau và cùng vuông góc với trục. Tại các điểm C, D nằm giữa A và B sao cho AC
= CD = DB lần lượt đặt các gối đỡ. Ứng suất pháp và tiếp cho phép của trục là
= 2[ ] = 3,8.108 N / m2 .
a) Hãy vẽ hình, đặt các lực và tính các phản lực liên kết cho bài toán này (1đ).
b) Vẽ biểu đồ lực cắt Qy và mô men uốn Mx cho trục (1đ).
c) Hãy kiểm tra xem trục đủ bền theo điều kiện ứng suất pháp và ứng suất tiếp lớn nhất không? (1đ). Trang 7
Đề cương ôn thi kết thúc học phần Thầy Bảo
BÀI 7: (3 điểm). Cho dầm AD bằng thép có dạng tiết diện tròn, đường kính 80 mm,
được bố trí như hình vẽ. Ứng suất tiếp cho phép của dầm là =
2[ ] = 3,8.108 N / m2 ,
a = 0,2 m, q = 10 kN/m, P = 10 kN; M = 5 kN.m.
a) Tính phản lực liên kết tại A và C (1đ).
b) Vẽ biểu đồ lực cắt Qy và mô men uốn Mx của dầm (1,5đ).
c) Kiểm tra xem dầm AD đủ bền theo điều kiện ứng suất pháp và ứng suất tiếp lớn
nhất không (0,5đ).
BÀI 8: (2 điểm). Cho dầm bằng thép có dạng tiết diện vành khăn, đường kính ngoài 80
mm, đường kính trong 60 m được bố trí như hình vẽ. Ứng suất tiếp cho phép của dầm
là = 2[ ] = 3,8.108 N / m2 . Các số liệu khác cho trên hình.
a) Tính phản lực liên kết tại các gối đỡ (1đ).
b) Vẽ biểu đồ lực cắt Qy và mô men uốn Mx của dầm (1,5đ).
c) Kiểm tra xem dầm đủ bền theo điều kiện ứng suất pháp và ứng suất tiếp lớn nhất không (0,5đ). B C A D
BÀI 9: (2 điểm). Cho dầm bằng thép có dạng tiết diện là hình vuông như hình vẽ. Ứng
suất tiếp cho phép của dầm là = 2[ ] = 3,8.108 N / m2 . Các số liệu khác cho trên hình.
a) Tính phản lực liên kết tại các gối đỡ (1đ).
b) Vẽ biểu đồ lực cắt Qy và mô men uốn Mx của dầm (1,5đ).
c) Tìm b để dầm đủ bền theo điều kiện ứng suất pháp và ứng suất tiếp lớn nhất (0,5đ). Trang 8
Đề cương ôn thi kết thúc học phần Thầy Bảo
BÀI 10: Dầm AD có mặt cắt ngang hình chữ nhật chịu lực như hình vẽ. Dầm làm cùng
một loại vật liệu có ứng suất cho phép =
2[ ] = 3,8.108 N / m2 , q=10 kN/m, a = 1m.
a) Xác định phản lực liên kết.
b) Vẽ biểu đồ lực cắt Qy và mô men uốn Mx của dầm.
c) Xác định b để dầm đủ bền theo điều kiện ứng suất pháp và ứng suất tiếp lớn nhất.
BÀI 11: (2 điểm). Cho thanh chịu lực như hình bên.
Mô đun đàn hồi E = 2.104kN/cm2; các tiết diện A1= 10 cm2, A2= 20 cm2.
a) Vẽ biểu đồ lực dọc Nz
b) Tính ứng suất và biến dạng dài toàn phần của thanh.
BÀI 12: (2 điểm). Thanh được treo lên trần nhà, coi
trần nhà tuyệt đối cứng. Cho Q = 100 kN; a = 0,5 m;
A = 4 cm2. Vật liệu làm thanh có mô đun đàn hồi E
= 3.1011 N/m2, có ứng suất pháp cho phép = 3,8.108 N / m2
a) Vẽ biểu đồ lực dọc Nz trong thanh.
b) Tính độ biến dạng trong toàn thanh.
c) Tính ứng suất từng đoạn thanh.
d) Kiểm tra bền thanh. Trang 9
Đề cương ôn thi kết thúc học phần Thầy Bảo
BÀI 13: (2 điểm) Cho thanh AB có trọng lượng P = 50 kN, được giữ bởi các thanh BC,
BD và MN có cùng tiết diện tròn, đường kính d như hình vẽ. Cho Q = 100 kN. Vật liệu
làm thanh có mô đun đàn hồi E = 4.1011 N/m2, có ứng suất pháp cho phép = 12kN / cm2
a) Tính nội lực trong các thanh 1, 2, 3?
b) Tính d để các thanh 1, 2, 3 đều đủ bền?
BÀI 14: (2 điểm) Dầm tuyệt đối cứng AB chịu tác
dụng của lực Q = 50 kN, được giữ bằng khớp bản lề A
và các thanh treo BC và DE như hình vẽ. Vật liệu làm
các thanh treo có mô đun đàn hồi E = 4.1011 N/m2, có
ứng suất cho phép [σ] = 20k N/cm2 .
a) Tính nội lực và độ biến dạng trong các thanh 1 và 2. Biết A = 10cm2.
b) Kiểm tra xem các thanh 1, 2 đủ bền không?
BÀI 15: (2 điểm) Thanh được treo lên trần nhà, coi trần nhà tuyệt đối
cứng. Cho Q = 200 kN; b = 1 m; A = 20 cm2. Vật liệu làm thanh có
mô đun đàn hồi E = 4.1011 N/m2, có ứng suất pháp cho phép = 3,8.108 N / m2
a) Vẽ biểu đồ lực dọc Nz trong thanh.
b) Tính độ biến dạng trong thanh. c) Kiểm tra bền thanh.
BÀI 16: (2 điểm) Cho cơ hệ như hình vẽ. Thanh AD coi
như tuyệt đối cứng, dài l = 2,1 m, có trọng lượng Q = 40
kN đặt giữa thanh, các thanh 1, 2 và 3 có chiều dài l0 =
0,8 m. Các thanh 1, 2 có mặt cắt ngang 3 cm2, thanh 3 có
mặt cắt ngang 6 cm2, P = 20 KN. Vật liệu làm các thanh
có mô đun đàn hồi E = 3.1011 N/m2, có ứng suất pháp cho
phép [σ] = 3.108 N/m2 .
a) Tính nội lực và độ biến dạng trong các thanh 1, 2 và 3.
b) Kiểm tra xem các thanh 1, 2, 3 đủ bền không. Trang 10
Đề cương ôn thi kết thúc học phần Thầy Bảo
BÀI 17: (3 điểm). Một trục thép có mặt cắt
ngang hình tròn, đường kính d = 100 mm, chịu
tác dụng của các momen xoắn M1 = 2kNm, M2
= 3kNm, M3 = 4kNm và M4 như hình vẽ. Vật
liệu thép có ứng suất cho phép = 8kN / cm2
; mô đun trượt của thép là G = 8.1011 N/m2 và
góc xoắn tỉ đối cho phép là [θ] = 0,250/m; a = 0,5 m.
a) Tìm M4 khi góc xoắn của mặt cắt ở đầu bên phải trục bằng 0 (1đ).
b) Vẽ biểu đồ momen xoắn với giá trị tìm được của M4 ở câu a (1đ).
c) Kiểm tra xem thanh có đủ bền và đủ cứng không (1đ).
BÀI 18: (3 điểm). Một trục thép có mặt cắt ngang hình
tròn, đường kính d, chịu tác dụng của các momen xoắn
M1 = 5 kNm, M2 = 3 kNm, M3 = 6 kNm và M4 = 2 kNm
như hình vẽ. Vật liệu thép có ứng suất cho phép
= 1,9.108 N / m2 ; mô đun trượt của thép là G = 8.1011
N/m2 và góc xoắn tỉ đối cho phép là [θ] = 0,30/m. Trục thép này gồm bốn đoạn độ dài
bằng nhau và bằng a = 0,5 m.
a) Vẽ biểu đồ momen xoắn Mz (1đ).
b) Tìm d để trục đủ bền và cứng (1đ).
c) Tìm góc xoắn tại A theo kết quả d tìm được ở câu b (1đ).
BÀI 19: (3 điểm). Một trục thép M2
có mặt cắt ngang hình vành khăn,
đường kính ngoài D = 60 mm, 0,6 m 0,6 m
đường kính trong d = 50 mm. Chịu A
tác dụng của các momen xoắn M B C 1 M1
= 6 kNm, M2 = 8 kNm như hình vẽ.
Vật liệu thép có ứng suất cho phép = 7kN / cm2 ; mô đun trượt của thép là G = 8.1011
N/m2 và góc xoắn tỉ đối cho phép là [θ] = 0,50/m.
a) Vẽ biểu đồ momen xoắn Mz (1đ).
b) Tìm góc xoắn tại B và C (1đ).
c) Kiểm tra xem trục đủ bền và cứng không (1đ).
BÀI 20: (2 điểm). Xác định ứng suất pháp lớn nhất và nhỏ nhất trên mặt cắt dầm thép
chữ I trong hai trường hợp như hình vẽ. Biết rằng momen uốn lớn nhất của dầm M = Mx = 200 kNm. Trang 11
Đề cương ôn thi kết thúc học phần Thầy Bảo a) b)
BÀI 21: (2 điểm). Tính ứng suất tiếp tại A và B và vẽ hình minh họa phân bố ứng suất
tiếp trên mặt cắt do momen xoắn gây ra biết rằng Mz =30kNm. a) b)
BÀI 22: (3 điểm). Một trục thép có mặt cắt ngang hình tròn, đường kính, chịu tác dụng
của các momen xoắn như hình vẽ. Vật liệu thép có ứng suất cho phép [τ] = 1,9.108
N/m2; mô đun trượt của thép là G = 8.1011 N/m2 và góc xoắn tỉ đối cho phép là [θ] = 0,30/m.
a) Vẽ biểu đồ momen xoắn Mz của trục thép.
b) Tìm d1, d2 để trục đủ bền và cứng.
c) Tìm góc xoắn tại A.
BÀI 23: (3 điểm). Một trục thép có mặt cắt ngang hình vành khăn, đường kính ngoài
D = 80 mm, đường kính trong d = 60 mm. Chịu tác dụng của các momen xoắn như hình
vẽ. Vật liệu thép có ứng suất tiếp cho phép [τ] = 1,9.108 N/m2; mô đun trượt của thép
là G = 8.1011 N/m2 và góc xoắn tỉ đối cho phép là [θ] = 0,50/m.
a) Vẽ biểu đồ mô men xoắn Mz (1đ). Trang 12
Đề cương ôn thi kết thúc học phần Thầy Bảo
b) Tìm góc xoắn tại B, C, D (1đ).
c) Kiểm tra xem trục đủ bền và cứng không (1đ).
BÀI 24: (3 điểm). Cho thanh bằng thép có dạng tiết diện tròn, đường kính d, được bố
trí như các hình vẽ dưới. Ứng suất pháp và ứng suất tiếp cho phép của dầm là =
2[ ] = 3,8.108 N / m2 , a = 1,2 m, q = 3 kN/m.
a) Tính phản lực liên kết tại các gối đỡ.
b) Vẽ biểu đồ lực cắt Qy và mô men uốn Mx của thanh.
c) Tìm d để thanh đủ bền theo điều kiện ứng suất pháp và ứng suất tiếp lớn nhất. a) b) Trang 13
Đề cương ôn thi kết thúc học phần Thầy Bảo c)
BÀI 25: (3 điểm). Cho thanh bằng thép có dạng tiết diện trọn đường kính d, được bố
trí như các hình vẽ dưới. Ứng suất pháp và ứng suất tiếp cho phép của dầm là
= 2[ ] = 15kN / cm2 , a = 0,5 m, q = 2 kN/m.
a) Tính phản lực liên kết tại các gối đỡ hoặc tại ngàm.
b) Vẽ biểu đồ lực cắt Qy và mô men uốn Mx của thanh.
c) Tìm d để thanh đủ bền theo điều kiện ứng suất pháp và ứng suất tiếp lớn nhất. a) b) Trang 14
Đề cương ôn thi kết thúc học phần Thầy Bảo c)
BÀI 26: (2 điểm). Tìm tọa độ trọng tâm và mô men quán tính chính trung tâm của
tiết diện như hình vẽ. a) b) c) d)
TÀI LIỆU THAM KHẢO
Theo các tài liệu học trên lớp và tài liệu tại Thư viện Nhà trường.
----------------- HẾT -----------------
Chúc các bạn SV hoàn thành tốt môn học này! Trang 15