



Preview text:
Đề A
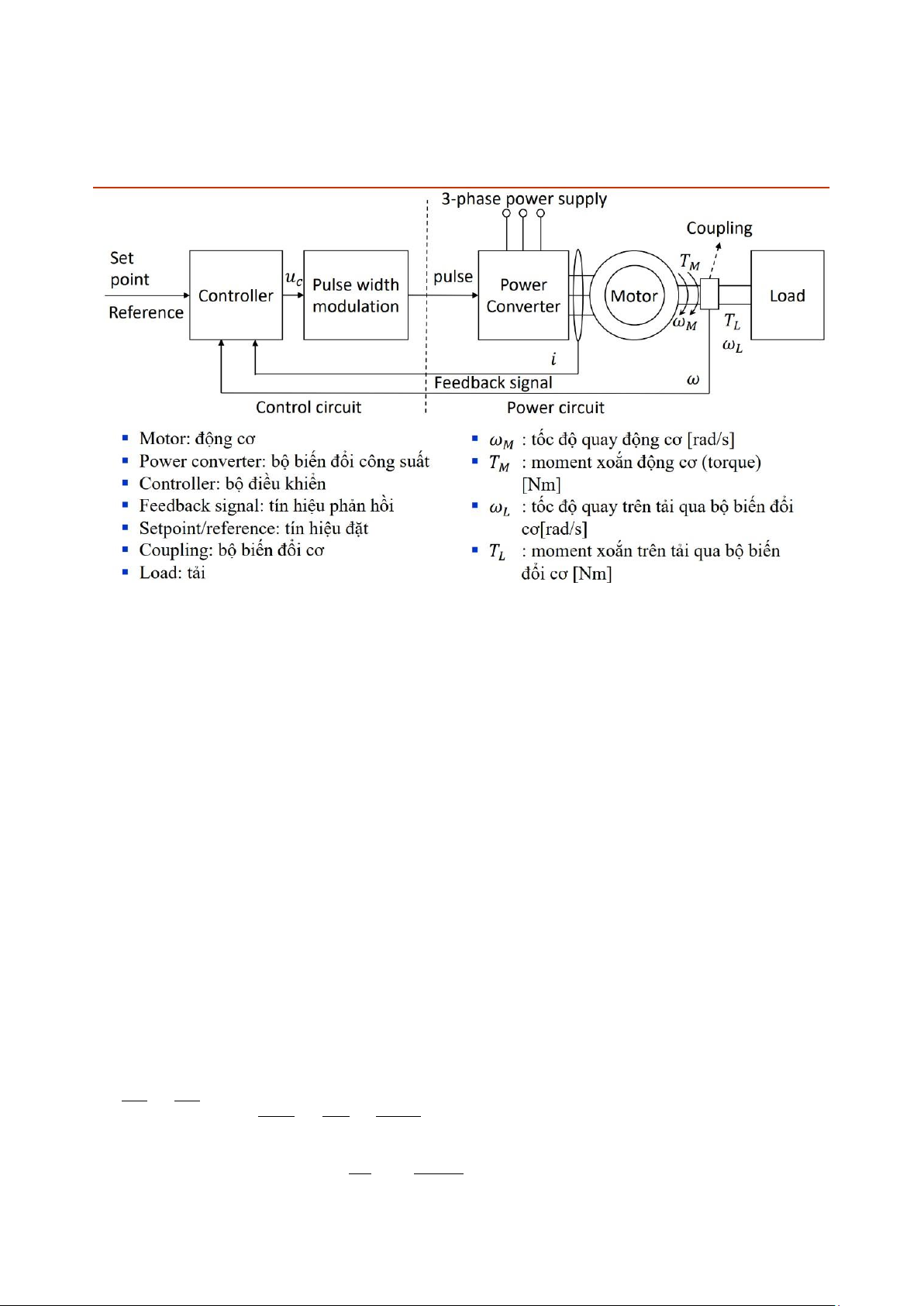
Câu 1: Giải thích chi tiết cấu trúc của hệ truyền động điện hiện đại (sdk)
Mô hình gồm các bước sau:
1. Đưa giá trị điểm đặt vào bộ điều khiển
2. Một bộ điện tử công suất để biến đổi điện áp cấp cho động cơ qua đó biến đổi được các đặc tính động cơ
3. Một bộ điều khiển phản hồi vòng kín: điều khiển bằng cách nhận giá trị phản hồi
từ tín hiệu và momen tải để bám sát giá trị đặt
Câu 2: Phân tích nguyên lý hoạt động của hệ thống truyền động máy phát - động cơ điện 1 chiều
Giáo trình trang 61, Slide chương 2 trang 48, 49.
Câu 3: Cho động cơ điện 1 chiều kích từ độc lập, Udm = 220V, Idm = 43, 5V, ndm =
1510 v/p, Pdm = 8kW, R = 0, 322Ω. Tính β độ cứng đặc tính cơ tự nhiên và tổn hao cơ khi
động cơ làm việc ở chế độ định mức.
Giảm điện áp xuống 110V, xuất hiện hãm tái sinh, vẽ và mô tả chi tiết quá trình hãm
và tính tốc độ động cơ ứng với giá trị U = 110V
Ta có phương trình đặc tính cơ điện: V 220
w = a − Ra I ⇔ 1510 =
− 0, 322 .43, 5 ⇔ Kϕ = 1, 3 Kϕ Kϕ a 9, 55 Kϕ Kϕ dT (Kϕ)2
=> Độ cứng đặc tính cơ: β = = − = −5, 248 dω Ra 1
Tổn hao cơ khí: ∆P = Udm.Idm − Pdm = 220.43, 5 − 8.103 = 1570W
Giảm nhanh điện áp xuống 110V, hãm tái sinh, vẽ mô tả quá trình hãm và tính tốc độ động cơ w U1 = 220V w01 U2 = 110V A wA B w02 C wC TL M
Giải thích ở giáo trình trang 37. J
Động năng dư T = (w2 − w2 ) b 2 A B 110
Tốc độ động cơ khi điện áp giảm xuống 110V w =
− Ra I = 73, 84(rad/s) C Kϕ Kϕ a Dò ng điện tại B w 110 ⇒ = − Ra I
I = −290, 7(A) A Kϕ Kϕ b b 1500
Câu 4: Hệ truyền động 1 chiều kích thích vĩnh cửu P = 4kW, w =
= 157, 068(rad/s), 9, 55
TL = 25Nm, J = 10kgm2, Idc ≤ 2Idm, t =? để tăng tốc từ 0 -> 1500v/p. dw 1
Ta có phương trình động lực học: = (T − T ) dt J L ⇒ ∆w 1 = (T − T J∆w ) ⇒ ∆t = ∆t J L T − TL Vdm V Ta có: dm − E I , I kd = = R dm a Ra
Mà Ikd ≤ 2Idm ⇒ Vdm ≥ 2E ⇒ Vdm ≥ 2Kϕw ⇒ Vdm.Idm ≥ 2KϕIw ⇒ P ≥ 2Tw ⇒ P 10.157, 068 T ≤
= 12, 7Nm ⇒ ∆t ≤ = 127(s) 2w 12, 7 − 25
Câu 6: Chỉ ra trường hợp ổn định
Dựa vào công thức silde trang 35,36 chương 1
Điều kiện để ổn định tĩnh: δw → 0 khi t → ∞ ⇔ dTL − dT > 0 hay β − β < 0 dw dw L 2 w Ta có: dT dm L = L > 0 dw dw dT dmM = > 0 dw dw dmL dm M Theo đồ thị: < dw dw
⇒ dTL — dT < 0 ⇒ không ổn định dw dw tĩnh w Ta có: dT dmL L = > 0 dw dw dT dmM = < 0 dw dw
⇒ dTL − dT > 0 ⇒ ổn định tĩnh dw dw w Ta có: dT dm L = L < 0 dw dw dT dm = M < 0 dw dw
Theo đồ thị: dmL > dmM dw dw dTL dT ⇒ −
> 0 ⇒ ổn định tĩnh dw dw 3 Đề B
Câu 1: Phân tích các chế độ hãm của động cơ điện 1 chiều kích từ độc lập
Câu 2: Phân tích nguyên lý hoạt động của hệ thống truyền xung áp
Giáo trình trang 101-102, slide chương 2 trang 83,84
Câu 3: Động cơ điện 1 chiều kích từ độc lập Udm = 220V, Idm = 80A, ndm = 1070 v/p,
Kϕdm = 1, 8V.s/rad, R = 0, 37Ω. Động cơ đang làm việc tại điểm có điện áp bằng 1 nửa
đm và dòng điện định mức thì tăng nhanh điện áp phần ứng lên điện áp định mức, động
cơ được tăng tốc, tính giá trị ban đầu của dòng điện phần ứng, để dòng điện ban đầu
bằng 2Idm thì điện áp đặt lên động cơ là ?
Ta có phương trình đặc tính cơ: V 110
w = a − Ra T ⇔ 1070 =
− 0, 7 .80 ⇔ T = 30 rad/s = Kϕ (Kϕ)2 e 9, 55 1, 8 1, 82 e 4