



















Preview text:
lOMoARcPSD| 59149108
CHƯƠNG 2: MẠCH MỘT CHIỀU
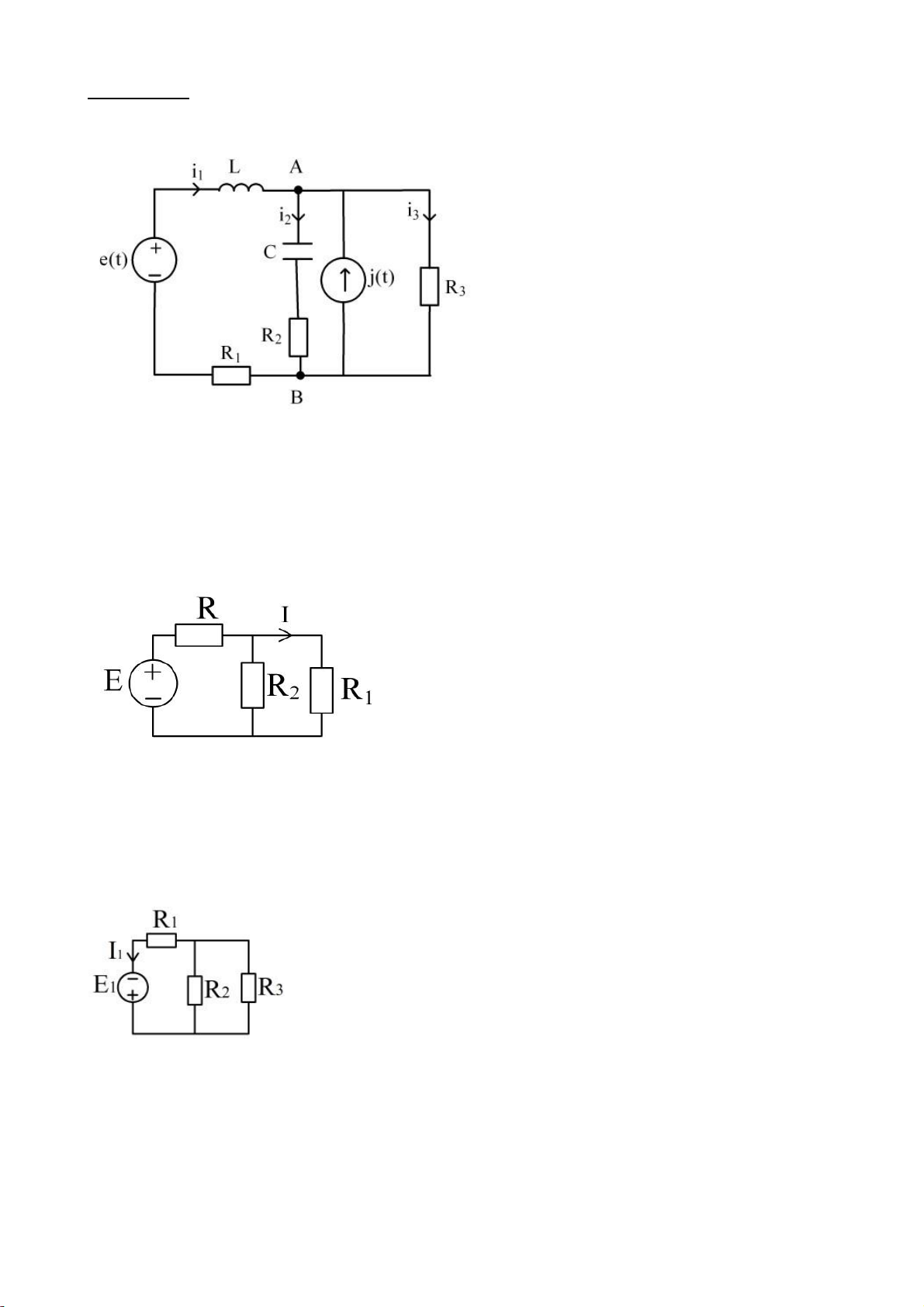
Câu 1: Phương trình theo định luật Kirchhoff 1 tại nút A trong sơ đồ mạch sau:
A. i1+j=i2+i3 B. i1= i2+ i3.
C. i1 - i2 + i3 - j=0 D. i1 - i2 -i3 - j=0 Câu 2: Cho mạch
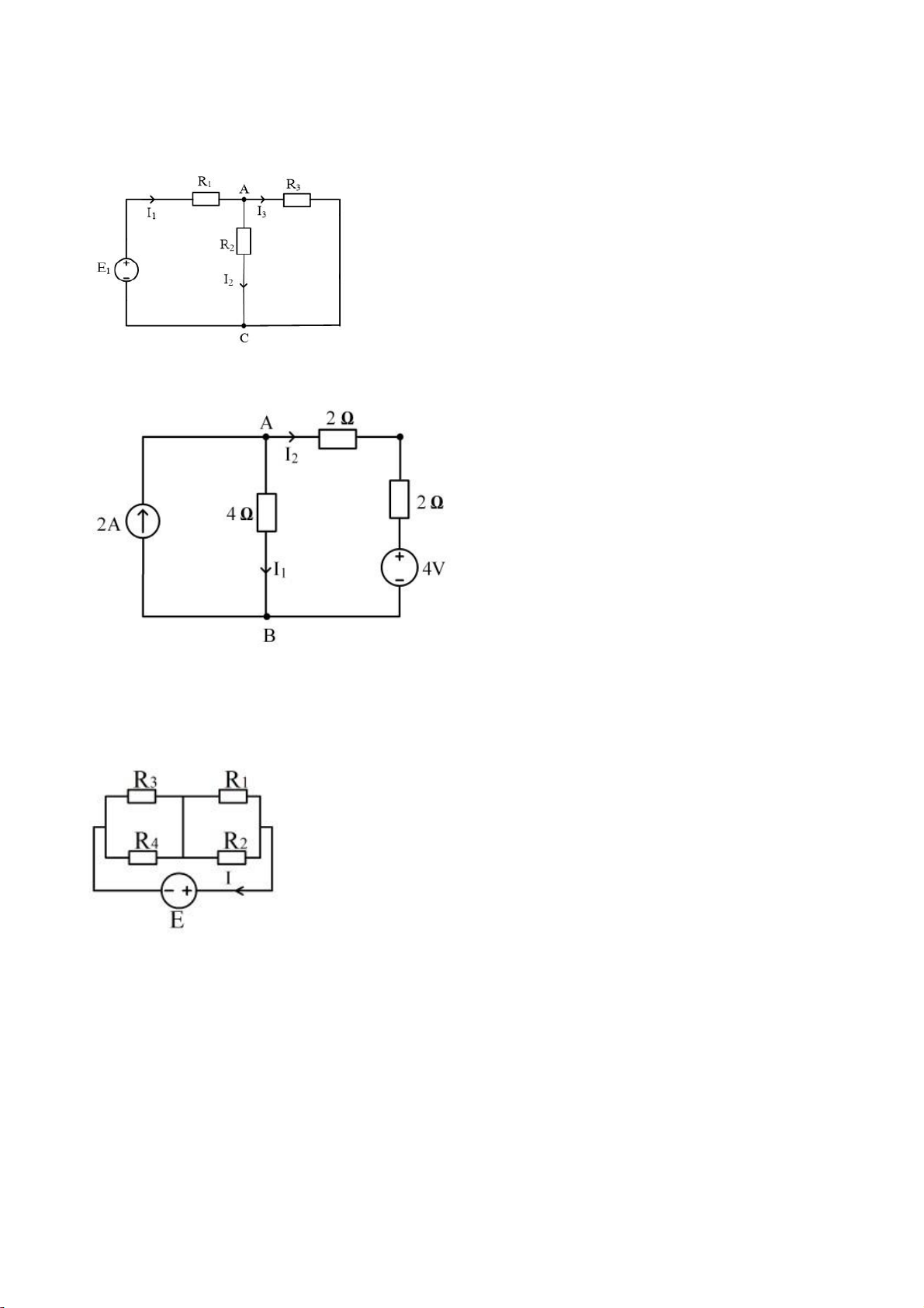
điện như hình vẽ. Biết E=100V; R=20Ω;R2=20Ω; R1=15 Ω Xác định
d ng điện đi qua điện trở R1 A. I = 2, 5A B. I = -2,5A C. I= -2A D. I = 2A
Câu 3: Cho mạch điện như hình vẽ biết R1=100Ω; R2=R3=200Ω; E1=200V. Xác định d ng điện I1 A. I1= 1A B. I1= 2A C. I1= 0,4A D. I1= -1A lOMoARcPSD| 59149108 Câu
4: Xác định d ng điện I trong mạch như hình vẽ. Biết E1=100V; E2=20V; E3=60V; R1=10Ω; R2=20Ω A. I= 5A B. I= 6A C. I= -2A D. I= 2A
Câu 5: Tìm điện dẫn Gx trong sơ đồ mạch sau. Biết công suất tác dụng trên điện dẫn Gx là 50mW. A. 500µS B. 500mS C. 0.5mS. D. 500Ω
Câu 6: Khóa K trong mạch điện ở hình dưới được đóng vào tại thời điểm t = 0.
Giá trị của d ng điện chạy qua điện cảm iL(+0) là A. 1,2A B. 12/11A C. 6A D. 1A lOMoARcPSD| 59149108 Câu
7: Xác định nguồn E1 trong mạch biết I2 = 10A; R3 =2R2 =20Ω; R1= 10Ω A. 300V B. 250V C. 100V D. 200V
Câu 8: Xác định VA trong sơ đồ đồ mạch sau? A. 6V B. 3V C. 2V D. 5V
Câu 9: Hãy xác định d ng điện I của mạch. Biết R1=4Ω;R2=4Ω;R3=2Ω; R4=2Ω;E=12V A. -4A B. 4A C. 1A D. 2A
Câu 10: Xác định công suất tiêu thụ trên điện trở R trong mạch như hình vẽ. Biết E1=100V; E2=50V; E3=30V; R=60Ω lOMoARcPSD| 59149108 Câu A. P=540W B. P= 180W C. P= -240W D. P= 240W
11: Một mạch điện gồm có điện trở R1 = 30Ω mắc nối tiếp với một điện trở R2 = 40 Ω.
Mạch được cấp bởi nguồn điện 140 V. Điện áp trên điện trở R2 là bao nhiêu? A. 60V B. 60mV C. 80V D. 80mV
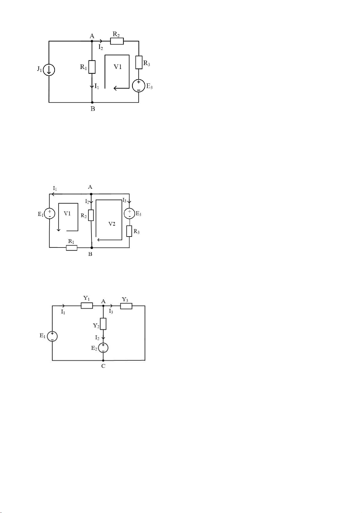
Câu 12: Xét mạch như hình vẽ sau: I E R
Biết E = 20 V; I = 2 A. Giá trị của điện trở và công suất tỏa nhiệt trên điện trở R lần lượt là: A. 10 Ω; 40 W B. 20 Ω; 50 W C. 40 Ω; 80 W D. 10 Ω; 50 W
Câu 13: Xác định d ng điện I1 trong mạch biết I2 = 6A; R2 =2R3 =10 Ω; R1= 40Ω A. 18A B. 20A C. 15A. D. 19A
Câu 14: Cho mạch điện gồm điện trở R1 =20Ω mắc nối tiếp với điện trở R2 được cấp bởi
nguồn điện 60V, d ng điện chạy trong mạch là 2A. Xác định giá trị điện trở R2 A. 25 Ω B. 20 Ω C. 10Ω D. 15 Ω
Câu 15: Xác định d ng điện I trong mạch như hình vẽ. Biết E=100V; J=6A; R1=6Ω; R2=10Ω lOMoARcPSD| 59149108 Câu A. I= -4A B. I= 10A C. I= 6,25A D. I= 4A
16: Cho mạch điện như hình vẽ biết R0=100Ω; R1=R2=R3 = 300Ω; E=2kV. Xác định d ng điện I0 ? A. -9A B. -10A C. 9A D. 5A
Câu 17: Xác định VA trong sơ đồ đồ mạch sau? A. 3V B. 6V C. 5V D. 2V
Câu 18: Xác định nguồn E1 trong mạch biết I2 = 10A; R3 =2R2 =20Ω; R1= 10Ω lOMoARcPSD| 59149108 Câu A. 100V B. 200V C. 250V D. 300V lOMoARcPSD| 59149108
CHƯƠNG 3: MẠCH XOAY CHIỀU MỘT PHA
Câu 1: Xét mạch như hình vẽ sau: R i 2 3 i 1 C 3 R 1 L 2 v 2 R v 3 1 j(t) i 2 e 1 (t ) e 3 (t )
Ph ươ ng trình theo đị nh lu ậ t Kirchhoff 2 cho v ng 1 là: A. B. C. D.
Câu 2: Viết phương trình
theo định luật Kirchhoff 2 cho v ng 2 trong sơ đồ mạch sau?
A. -R I2 2 +R I3 3 -R I4 4 =- B. R I + + =- - 2 2 R I3 3 R I4 4 E3 E4 E3 +E4 C. R I + + =- + - = + 2 2 R I3 3 R I4 4
D. R I2 2 R I3 3 R I4 4 E3 E4 E + 3 E4
Câu 3: Xét mạch như hình vẽ sau: lOMoARcPSD| 59149108
Phương trình theo định luật Kirchhoff 2 cho v ng 2 là: lOMoARcPSD| 59149108 B. C. D. j(t) lOMoARcPSD| 59149108 A. B. C. D. j(t) A. B. C.
Câu 6: Chọn nút C làm gốc VC = 0. Biểu diễn d ng điện các nhánh 1, 2 theo thế các nút trong sơ đồ mạch sau? A. . lOMoARcPSD| 59149108 B. C. D.
Câu 7: Chọn nút A làm gốc VA =0. Biểu diễn d ng điện các nhánh theo thế các đỉnh trong sơ đồ mạch sau? A. ìïíII1 == 2
((EE12-+V YV YCC))12 B. ìïíII12==((EE12-+V
YV YCC))12 ïîI = ïî =- 3 V YC 3 I3 V YC 3 C. ìïíII1 == 2
((- -- -EE12 V YV YCC))12 D. íìïII12= +=((E-
-1E2V YCV Y)C1) 2 ïîI =- ïî =- 3 V YC 3 I3 V YC 3
Câu 8: Khép nguồn d ng J1 qua nhánh R1. Biểu diễn d ng điện các nhánh theo d ng điện v
ng trong sơ đồ mạch sau? lOMoARcPSD| 59149108 { { { {
A. II12= +=IIvv11 J1 B. II12==- --IIvv11 J1 C. II12==I-v1Iv-1 J1 D. II12==- -IvI1v1 J1
Câu 9: Cho mạch điện như hình vẽ biết R1=1Ω; R2 =15 Ω; R3=2Ω; E1=10V; E3 =27V, d ng
điện trong v ng 1 là Iv1= 5A. Hãy xác định d ng điện qua nhánh 1 (I1)? A. 2A B. 5A C. 15A D. 10A
Câu 10: Chọn nút A làm gốc VA =0. Biểu diễn d ng điện các nhánh theo thế các đỉnh trong sơ đồ mạch sau? A. ìïíII1 == 2
((EE12-+V YV YCC))12 B. ìïíII12==((EE12-+V
YV YCC))12 ïîI =- ïî = 3 V YC 3 I3 V YC 3
C. ìïíII1==((- -- -EE12 V YV YCC))12 D. íïìII12=
+=((E- -1E2V YCV Y)C1) 2 2 ïîI =- ïî =- 3 V YC 3 I3 V YC 3 lOMoARcPSD| 59149108 lOMoARcPSD| 59149108
: Xét mạch như hình vẽ sau:
Phương trình theo định luật Kirchhoff 2 cho v ng 2 là: A. B. C. D.
Câu 12: Chọn nút B làm gốc VB = 0. Biểu diễn d ng điện các nhánh 3, 4 theo thế các nút trong sơ đồ mạch sau? A. B. . C. D. lOMoARcPSD| 59149108
: Xét mạch như hình vẽ sau:
Phương trình theo định luật Kirchhoff 2 cho v ng 2 là: lOMoARcPSD| 59149108
: Xét mạch như hình vẽ sau: lOMoARcPSD| 59149108
: Xét mạch như hình vẽ sau:
Phương trình theo định luật Kirchhoff 2 cho v ng 1 là: A. B. C. D.
Phương trình theo định luật Kirchhoff 1 tại nút A là:
A. i3 - i4 - j = 0
B. - i3 - i4 - j = 0
C. i3 - i4 + j = 0
D. i2 + i3 - i4 - j = 0
Câu 18: Giá trị hiệu dụng của d ng điện 100sin(314t - 300) A là: lOMoARcPSD| 59149108
: Xét mạch như hình vẽ sau: A. A B. A C. 50 A D. 100 A
Câu 19: Điện áp trên điện trở 5 Ω khi có d ng điện i(t) = 10sin(314t - 100) A chạy qua là: A. 50sin(314t - 1000) V B. 50sin(314t - 100) V C. 50sin(314t) V D. 50sin(314t + 800) V
Câu 20: Giá trị hiệu dụng của d ng điện 200sin(314t - 300) A là: A. 200 A B. 100 A C. A D. A
Câu 21: Điện áp trên cuộn cảm 5 mH khi có d ng điện i(t) = 10sin(100t + 200) A chạy qua là: A. B. 50cos(100t + 200) V 5sin(100t + 200) V C. D. 5cos(100t + 200) V 50sin(100t + 200) V lOMoARcPSD| 59149108 :
Câu 22 Cho sơ đồ mạch như hình vẽ Bi ế t I = 1 2
A, Z = 10 + j10 Ω, Z = 10 – j10 Ω. A. V B.
Giá trị của điện áp trên Z1 là: V C. V D. V
Câu 23: D ng điện i(t) = 10sin(1000t - 300) A chạy qua qua nhánh có điện trở 8 Ω và cuộn
cảm 5 mH mắc nối tiếp tạo ra điện áp trên nhánh là:
A. 80sin(1000t - 300) + 50sin(1000t + 600) V
B. 80sin(1000t - 300) + 50sin(1000t - 1200) V
C. 80sin(1000t) + 50sin(1000t + 600) V
D. 80sin(1000t - 300) + 50 sin(1000t + 600) V
Câu 24: D ng điện i(t) = 5 sin(100t + 170) A chạy qua nhánh có điện trở 5 Ω và tụ điện 2
mF mắc nối tiếp tạo ra điện áp trên nhánh là: A. 25 sin(100t + 170) + 25 sin(100t + 1100) V
B. 25sin(100t + 170) + 25sin(100t + 1100) V C. 25 sin(100t + 170) + 25 sin(100t - 730) V
D. 25sin(100t + 170) + 25sin(100t - 730) V
Câu 25: Cho i1(t) = 50sin(100t + 200), i2(t) = 70sin(100t - 300). Phát biểu nào dưới dây đúng?
A. i1(t) chậm pha so với i2(t) một góc 100
B. i1(t) chậm pha so với i2(t) một góc 500
C. i1(t) sớm pha so với i2(t) một góc 100
D. i1(t) sớm pha so với i2(t) một góc 500
Câu 26: Cho mạch điện ở chế độ xác lập điều hoà như hình vẽ. Biết E1 = , Z1 = 5
+ j5 Ω, Z2 = 7 + j7 Ω, Z3 = 10 + j0 Ω lOMoARcPSD| 59149108 Câu :
Giá trị của d ng điện I1 là: A. B. C. D.
27 Điện áp trên tụ điện 5 mF khi có d ng điện i(t) = 7sin(100t + 300) A chạy qua là: A. 14sin(100t + 1200) V B. 14cos(100t - 600) V C. 14sin(100t + 300) V D. 14sin(100t - 600) V
Câu 28: Cho u (t) = 120cos(314t + 200), i(t) = 6sin(314t + 300). Phát biểu nào dưới dây đúng? A. u (t) sớm pha so với i(t) một góc -100
B. u (t) sớm pha so với i(t) một góc 500 C. u (t) sớm pha so với i(t) một góc -800
D. u (t) sớm pha so với i(t) một góc 800
Câu 29: Giá trị hiệu dụng của điện áp 220
sin(314t + 500) V là: A. 110 V B. 220 V C. 440 V D. V
Câu 30: D ng điện i(t) = 10sin(1000t - 300) A chạy qua qua nhánh có điện trở 8 Ω và cuộn
cảm 5 mH mắc nối tiếp tạo ra điện áp trên nhánh là:
A. 80sin(1000t - 300) + 50sin(1000t - 1200) V
B. 80sin(1000t - 300) + 50sin(1000t + 600) V
C. 80sin(1000t) + 50sin(1000t + 600) V
D. 80sin(1000t - 300) + 50 sin(1000t + 600) V
Câu 31: Giá trị hiệu dụng của d ng điện 100sin(314t - 300) A là: A. 50 A B. A C. A D. 100 A
Câu 32: Cho i1(t) = 30sin(314t - 200), i2(t) = 60cos(314t - 300). Phát biểu nào dưới dây đúng?
A. i1(t) sớm pha so với i2(t) một góc -500
B. i1(t) chậm pha so với i2(t) một góc -100