








Preview text:
SEEE-STUDIES THI THỬ CUỐI KỲ 20222 Tổng số trang: 2
Học phần: Lý thuyết mạch Ngày thi: 30/6/2023 Thời gian: 90 phút Lời giải
Câu 1 (3 điểm). Cho mạch 2 cực tuyến tính AB như hình 1:
a. Dùng phương pháp Thevenin để thay thế mạch tương đương cho đoạn mạch AB
b. Nếu nối AB với một điện trở 𝑅𝑇. Tính 𝑅𝑇 sao cho công suất nhận trên nó là lớn nhất Hình 1 Lưu ý:
- Điện trở 3R ở bên trên không có tác dụng trong mạch do ngắn mạch
- Điện trở 4R nối tiếp nguồn dòng cũng không có tác dụng a, Bước1: Tìm Rtđ
Tắt các nguồn (Ngắn mạch nguồn E, Hở mạch nguồn J), mạch trở thành:
Điện trở tương đương Thevenin là: 𝑅𝑡đ = R//(3Rnt(R//R)) = 7 9𝑅 (Ω) Bước 2. Tìm Etđ Đặt 𝜑𝑐 = 0V
C1. Phương trình điện thế nút tại a và b của mạch là: 1 1 1 1 ( + + )𝜑𝑎 – ( )𝜑𝑏 = 𝐽 { 𝑅 𝑅 3𝑅 3𝑅 1 1 1 𝐸 − . 𝜑𝑎 + ( + )𝜑𝑏 = − 3𝑅 𝑅 3𝑅 𝑅
Điện áp 𝐸𝑡đ = 𝜑𝑏 = 5 𝑅−914 (V) 2 20 𝑅 − 2
C2. Áp dụng thế nút tại a: 𝜑 9 =
𝑎 (𝑅1 + 𝑅1 + 41𝑅) = 𝐽 − 4 𝐸𝑅 => 𝜑𝑎 = 5−4𝑅 9 4𝑅 20𝑅−2
Dòng điện qua nhánh (bc): 𝐼 = 𝜑𝑎+𝐸 = 9 +2 = 20𝑅+16 = 5𝑅+4 4𝑅 4𝑅 36𝑅 9𝑅
Điện áp 𝐸𝑡đ = 𝑈𝑏𝑐 = 𝐼𝑅 − 𝐸 = 5𝑅9𝑅+4 𝑅 − 2 = 5𝑅−914 V
b, Để công suất trên 𝑅𝑇 là lớn nhất thì: 𝑅𝑇 = 𝑅𝑡đ = 7 9𝑅 (Ω)
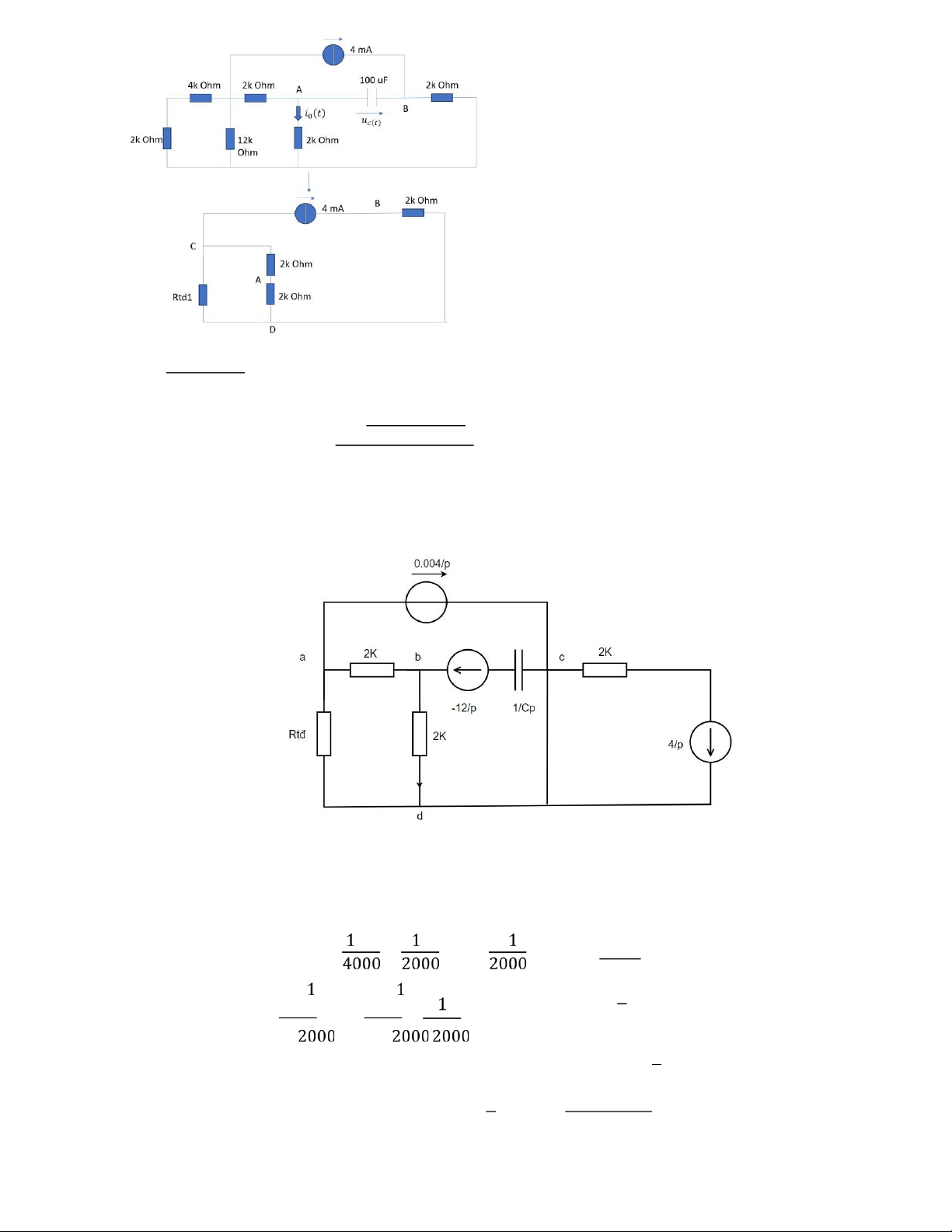
Câu 2 (3 điểm). Cho mạch điện như hình 2. Ban đầu K mở, mạch ở chế độ xác lập. a. Tính sơ kiện 𝑢𝑐(0)
b. Tại 𝑡 ≥ 0, Khoá K đóng. Tính dòng 𝑖0(𝑡) Hình 2
a. Trước khi K đóng, mạch đã xác lập:
*Xét chỉ nguồn áp 4V tác động, ta có mạch sau:
𝑈𝐶1(−0) = 𝐸 = 4𝑉
* Xét chỉ nguồn dòng tác động 12 ( 2 + 4 ) 𝑅 𝑡𝑑 1 = = 4 12 + 2 + 4 4 𝑘 ( 2 𝑘 + 2 𝐾 ) − 𝐽 ( 4 ) 𝑘 + 2 𝑘 + 2 𝑘
𝑈𝑐2(−0) = 𝑈𝐴𝐵 = 𝑈𝐴𝐷 + 𝑈𝐷𝐵 =+ (−𝐽. 2𝑘) = −12𝑉 2
Tổng hợp 2 trường hợp: 𝑈𝑐(−0) = 𝑈𝐶1(−0)+𝑈𝑐2(−0) = 4 − 12 = −8 𝑉 => 𝑈𝑐(+0) = −8 𝑉
Với 𝑅𝑡đ = (4Knt2K)//12K = 4 KΩ
Đặt 𝜑𝑑 = 0 V =>𝜑𝑐 = 0V
Phương trình điện thế tại nút a và nút b: 0,004 ( + ) 𝜑𝑎 − 𝜑𝑏 = − 𝑝 8 − 𝜑𝑎 + ( + + 10−4𝑝) 𝜑𝑏 = − . 10−4𝑝 p { 4 4 (0,5𝜑𝑏 − 𝑝)
=> {0,75𝜑𝑎 − 0,5𝜑𝑏 = − => 𝜑𝑎 = 𝑝 0,75
− 5𝜑𝑎 + (10 + 𝑝)𝜑𝑏 = −8 => −5 (𝜑𝑏 − ) + (10 + 𝑝)𝜑𝑏 = −8 𝑝 −24𝑝 − 80 => 𝜑𝑏 = 3𝑝 (𝑝 + )
Có 3𝑝 (𝑝 + ) = 0 => 𝑝 = 0 ℎ𝑜ặ𝑐 𝑝 = −
Nên 𝑉𝑏(𝑡) = 𝐴 + 𝐵𝑒− 𝑡 𝑉 => 𝑖0(𝑡) = 𝑉𝑏 Áp dụng Heviside: 𝐴 = |𝑝=0 = −4
𝐵 = 6 𝑝 + 20 𝑝 = − 20 3 | = −4
Vậy 𝑖0(𝑡) = −0,002(1 + 𝑒− 𝑡) 𝐴
Câu 3 (3 điểm). Cho mạch điện như Hình 3. Biết 𝑅1 = 100Ω, 𝑅2 = 60Ω, 𝑅𝑡 = 30 Ω, 𝐿3 = 0.1 𝐻,
𝐶2 = 0.02 𝐹, 𝐸1 = 30 𝑉, 𝑒2(𝑡) = 20 sin(50𝑡) 𝑉, mạng 4 cực thuần trở có bộ số 40 30 𝑧 = [ ] Ω. 30 50
a. Tính dòng điện 𝑖1(𝑡)
b. Tắt (ngắn mạch) nguồn 𝑒2(𝑡). Tính điện trở 𝑅𝑡 để công suất ra tải là lớn nhất. Hình 3
Cách 1. Chuyển mạng 4 cực về mạng hình T như hình vẽ: lOMoAR cPSD| 59545296
Với 𝑍𝐴 = 𝑍11 - 𝑍12 = 10 Ω 𝑍𝐵 = 𝑍12 = 30 Ω
𝑍𝐶 = 𝑍22 - 𝑍12 = 20 Ω a, Khi mạch chỉ có nguồn 𝐸1: cuộn cảm ngắn mạch, tụ
điện hở mạch, mạch trở thành: Khi đó: 𝐼 = 0,233 ( ) A 1 𝐷𝐶 = 𝐸 1 100 + 10 + 30 ( 20 + 30 ) 30 + 20 + 30
Khi mạch chỉ có nguồn 𝑒2 phức hóa mạch:
𝐸 2 = 20, 𝑍𝐶 = -j Ω, 𝑍𝐿 = j5 Ω Mạch trở thành: Đặt 𝜑 𝑐 = 0 V 1 1 1 1 −20 (100 + 60
−𝑗 + 10+𝑗5)𝜑 𝑎- 10 +𝑗5𝜑 𝑏= 60 −𝑗
Downloaded by Thi Nhien (thinhien326@gmail.com) - 10
+1𝑗5𝜑 𝑎 + ( 10S+1EEE𝑗5 + 301 Studies+501 )𝜑 𝑏 = 0 𝜑 𝑎 = 5,46 + j0,60 V 𝜑 𝑏 = 3,52 – j0,22 V
𝐼1 𝐴𝐶 = 𝜑10 𝑎−+𝜑𝑗5 𝑏 = -0,188 + j0,012 (A)
𝑖1(t) = 𝐼1𝐷𝐶 + 𝐼1 𝐴𝐶 = 0,233 + 0,188sin(50t+176°) (A) Cách 2.
Khi chỉ xét nguồn E1 tác động: Ta có hệ sau:
𝑈𝑈𝐼12𝐼12𝑅==1 4030+ 𝐼𝑈𝐼111++=3050𝐸1𝐼𝐼22 {𝑈1𝑈30−1 𝐼40+1
+100𝐼180−𝐼1𝐼302==𝐼2300= 0 => 𝐼1 = 10324 = 0,233 𝐴 { => 𝑅𝑡 + 𝑈2 = 0
Xét chỉ tính e2 tác động:
Trở kháng vào tương đương của mạch là: 𝑍𝑣 = det
𝑍(𝑍22)++𝑍𝑅11𝑡 𝑅𝑡 =
= 28,75 Ω Lúc này mạch trở thành:
Với 𝑍2 = 60-j Ω và 𝑍𝐿 = j5 Ω, đặt 𝜑 𝑏 = 0 V, phương trình điện thế tại nút a là: (𝑅1 + 𝑍
1 + 𝑍 +1𝑍 )𝜑 𝑎= − 𝑍𝐸2 2 1 2 𝐿 𝑣
Thay số ta thu được: 𝜑 𝑎 = 5,46+j0,60 V 𝐼1 𝐴𝐶 = 𝑍
𝐿𝜑+ 𝑎𝑍𝑣 = -0,188+j0,012 A
=> Dòng điện: 𝑖1(t) = 𝐼1𝐷𝐶 + 𝐼1 𝐴𝐶 = 0,233 + 0,188sin(50t+176°) (A) b,
Cách 1. Tắt nguồn 𝑒2, mạch chỉ còn nguồn DC, tụ hở mạch và cuộn cảm ngắn mạch.
Để công suất trên 𝑅𝑡 max thì:
𝑅𝑡 = 𝑅𝑡đ = 20nt(30//(10nt100)) = 43,57 Ω Cách 2:
Hòa hợp tải (biến đổi các phần tử điện trở trong khung thành 1 điện trở), ta có mạch: Với 𝑅𝑡đ 𝑍11+𝑍1 40+100
Để công suất trên 𝑅𝑡 max thì:
𝑅𝑡 = 𝑅𝑡đ = 20nt(30//(10nt100)) = 43,57 Ω