











Preview text:
VINAMILK
I/ Khái quát chuỗi cung ứng của Vinamilk 1. Chuỗi cung ứng:
-Là một tổng thể giữa nhiều nhà cung cấp và khách hàng được kết nối với nhau,
một trong những khách hàng đến lượt được cung cấp và họ cũng là nhà cung cấp
cho các tổ chức tiếp theo,sau đó đưa sản phẩm cuối cùng cho khách hàng.Chuỗi
này được bắt đầu từ việc khai thác nguồn gốc và điểm cuối của chuỗi là khách hàng.
Nói cách khác, chuỗi cung ứng là chuỗi thông tin và các quá trình kinh doanh
cung cấp một sản phẩm hoặc dịch vụ cho khách hàng từ sản xuất và phân phối đến khách hàng cuối cùng.
2. Mục tiêu chính của quản trị chuỗi cung ứng SCM (Supply Chain Management)
-Là nhằm thỏa mãn các yêu cầu của khách hàng thông qua việc sử dụng hiệu quả
nguồn tài nguyên gồm khả năng phân phối, dự trữ, và lao động. Trên lý thuyết, một
chuỗi cung ứng hướng đến mục tiêu đáp để cho cung gặp cầu và để cho hàng tồn
kho là tối thiểu. Nhiều khía cạnh của việc tối ưu hóa chuỗi giá trị bao gồm liên lạc với
nhà cung cấp để loại bỏ các cản trở, chiến lược nguồn cung ứng để đối phó với việc
cân bằng chi phí nguyên liệu thấp nhất và sự vận chuyển, thực hiện kỹ thuật đúng
thời gian để tối ưu hóa dòng sản xuất, duy trì sự kết hợp chính xác và địa điểm của
nhà máy và kho lưu trữ để phục vụ thị trường khách hàng và sử dụng sự phân bổ vị trí,
phân tích tuyến phương tiện, thiết lập chương trình năng động và sự tối ưu hóa công
việc hậu cần truyền thống để tối đa hóa hiệu quả của sự phân bổ.
I / Mô hình chuỗi cung ứng
1 Giới thiệu khái quát về công ty vinamilk
Thành lập ngày 20 tháng 8 năm 1976, đến nay Vinamilk đã trở thành công ty
hàng đầu Việt Nam về chế biến và cung cấp các sản phẩm về sữa, được xếp trong
Top 10 thương hiệu mạnh Việt Nam. Vinamilk không những chiếm lĩnh 75% thị
phần sữa trong nước mà còn xuất khẩu các sản phẩm của mình ra nhiều nước trên
thế giới như: Mỹ, Pháp, Canada,… Hoạt động hơn 10 năm trong cơ chế bao cấp,
cũng như nhiều DN khác chỉ sản xuất theo kế hoạch, nhưng khi bước vào kinh tế
thị trường, Vinamilk đã nhanh chóng nắm bắt cơ hội, không ngừng đổi mới công
nghệ, đầu tư cơ sở hạ tầng, đa dạng hóa sản phẩm để chuẩn bị cho một hành trình
mới. Từ 3 nhà máy chuyên sản xuất sữa là Thống Nhất, Trường Thọ, Dielac,
Vinamilk đã không ngừng xây dựng hệ thống phân phối tạo tiền đề cho sự phát triển.
Với định hướng phát triển đúng, các nhà máy sữa: Hà Nội, liên doanh Bình Định,
Cần Thơ, Sài Gòn, Nghệ An lần lượt ra đời, chế biến, phân phối sữa và sản phẩm từ
sữa phủ kín thị trường trong nước. Không ngừng mở rộng sản xuất, xây
dựng thêm nhiều nhà máy trên khắp cả nước (hiện nay thêm 5 nhà máy đang tiếp
tục được xây dựng), Vinamilk đạt doanh thu hơn 6.000 tỷ đồng/năm, nộp ngân sách
nhà nước mỗi năm trên 500 tỉ đồng. Cty Vinamilk hiện có trên 200 mặt hàng sữa và
sản phẩm từ sữa như: sữa đặc, sữa bột cho trẻ em và người lớn, bột dinh dưỡng,
sữa tươi, sữa chua uống, sữa đậu nành, kem, phô-mai, nước ép trái cây, bánh
biscuits, nước tinh khiết, cà phê, trà… Sản phẩm đều phải đạt chất lượng theo tiêu
chuẩn quốc tế. Vinamilk cũng đã thiết lập được hệ thống phân phối sâu và rộng,
xem đó là xương sống cho chiến lược kinh doanh dài hạn. Hiện nay, Cty có trên
180 nhà phân phối, hơn 80.000 điểm bán lẻ phủ rộng khắp toàn quốc. Giá cả cạnh
tranh cũng là thế mạnh của Vinamilk bởi các sản phẩm cùng loại trên thị trường
đều có giá cao hơn của Vinamilk. Vì thế, trong bối cảnh có trên 40 DN đang hoạt
động, hàng trăm nhãn hiệu sữa các loại, trong đó có nhiều tập đoàn đa quốc gia,
cạnh tranh quyết liệt, Vinamilk vẫn đứng vững và khẳng định vị trí dẫn đầu trên thị
trường sữa Việt Nam. Trong kế hoạch phát triển, Vinamilk đã đặt mục tiêu phát
triển vùng nguyên liệu sữa tươi thay thế dần nguồn nguyên liệu ngoại nhập bằng
cách hỗ trợ nông dân, bao tiêu sản phẩm, không ngừng phát triển đại lý thu mua sữa.
Nếu năm 2001, Cty có 70 đại lý trung chuyển sữa tươi thì đến nay đã có 82 đại
lý trên cả nước, với lượng sữa thu mua khoảng 230 tấn/ngày. Các đại lý trung
chuyển này được tổ chức có hệ thống, rộng khắp và phân bố hợp lý giúp nông dân
giao sữa một cách thuận tiện, trong thời gian nhanh nhất. Cty Vinamilk cũng đã đầu
tư 11 tỷ đồng xây dựng 60 bồn sữa và xưởng sơ chế có thiết bị bảo quản sữa tươi.
Lực lượng cán bộ kỹ thuật của Vinamilk thường xuyên đến các nông trại, hộ gia
đình kiểm tra, tư vấn hướng dẫn kỹ thuật nuôi bò sữa cho năng suất và chất lượng
cao. Số tiền thưởng và giúp đỡ những hộ gia đình nghèo nuôi bò sữa lên đến hàng
tỷ đồng. Nhờ các biện pháp hỗ trợ, chính sách khuyến khích, ưu đãi hợp lý,
Vinamilk đã giải quyết việc làm cho hàng vạn lao động nông thôn, giúp nông dân
gắn bó với Cty và với nghề nuôi bò sữa, góp phần thay đổi diện mạo nông thôn và
nâng cao đời sống; nâng tổng số đàn bò sữa từ 31.000 con lên 105.000 con. Cam
kết Chất lượng quốc tế, chất lượng Vinamilk đã khẳng định mục tiêu chinh phục
mọi người không phân biệt biên giới quốc gia của thương hiệu Vinamilk. Chủ động
hội nhập, Vinamilk đã chuẩn bị sẵn sàng từ nhân lực đến cơ sở vật chất, khả năng
kinh doanh để bước vào thị trường các nước WTO một cách vững vàng với một
dấu ấn mang Thương hiệu Việt Nam.
-Một số mặt hàng của ViNamilk như: Dinh dưỡng Organic, Sữa nước, Sữa
chua Vinamilk, Sữa cho mẹ mang thai và bé,bột ăn dặm, sữa cho người cao
tuổi,sữa đặcmô mai,sữa đậu nành....
2 Tầm quan trọng của quản trị chuỗi cung ứng (SCM – Supply Chain Management):
Đối với các công ty, SCM có vai trò rất to lớn:
- SCM giải quyết cả đầu ra lẫn đầu vào của doanh nghiệp một cách hiệu quả.
- Giúp tiết kiệm chi phí 25-50%, tăng khả năng cạnh tranh cho doanh nghiệp
nhờ SCM có thể thay đổi các nguồn nguyên vật liệu đầu vào hoặc tối ưu hóa
quá trình luân chuyển nguyên vật liệu, hàng hóa, dịch vụ.
- Hỗ trợ cho hoạt động tiếp thị: tiếp thị hỗn hợp (4P: Product, Price, Promotion, Place)
- Đóng vai trò then chốt trong việc đưa sản phẩm đến đúng nơi cần đến và vào
đúng thời điểm thích hợp.
- Mục tiêu lớn nhất của SCM là cung cấp sản phẩm/dịch vụ cho khách hàng
với tổng chi phí nhỏ nhất.
- Từng bước nâng cao hiệu quả hoạt động sản xuất của công ty và tạo điều
kiện cho chiến lược thương mại điện tử phát triển
- Cung cấp khả năng trực quan hóa đối với các dữ liệu liên quan đến sản xuất
và khép kín dây chuyền cung cấp, tạo điều kiện cho việc tối ưu hóa sản xuất
đúng lúc bằng các hệ thống sắp xếp và lên kế hoạch. -
Giảm lượng hàng tồn kho từ 25-60% -
Tăng độ chính xác trong công tác dự báo sản xuất từ 25-80% -
Cải thiện vòng cung ứng đơn hàng 30-50% -
Tăng lợi nhuận sau thuế khoảng 20%
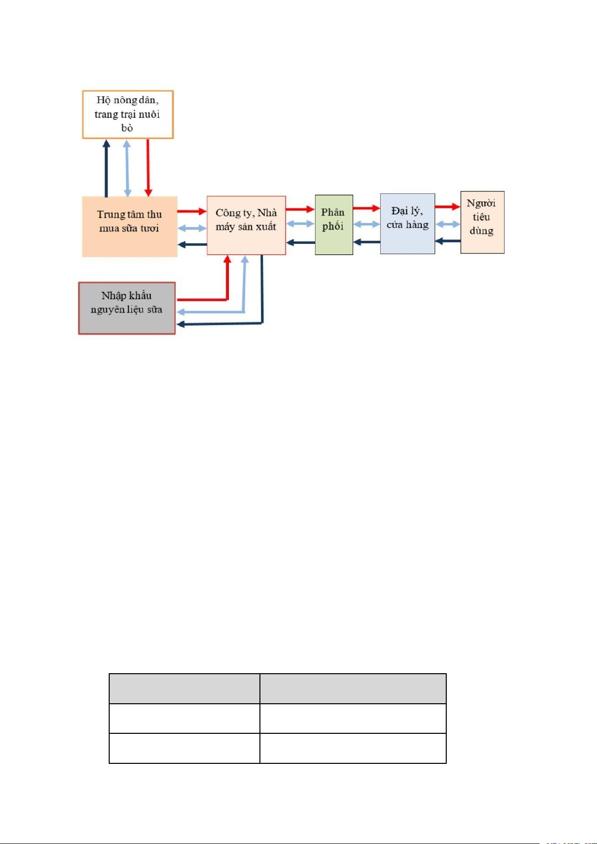
3. Mô hình chuỗi cung ứng
Mô hình chuỗi cung ứng của Vinamilk quản trị bao gồm 3 dòng:
- Dòng sản phẩm (đã nói ở trên) - Dòng thông tin - Dòng tài chính
Bạn có thể biểu đồ dưới đây để hiểu một cách tổng quan hơn về mô hình chuỗi
cung ứng của thương hiệu này. Trong đó:
- Phần mũi tên màu đỏ thể hiện: Luồng dịch chuyển của dòng sản phẩm
- Phần mũi tên màu xanh nhạt thể hiện: Luồng trao đổi thông tin
- Phần mũi tên màu xanh đậm: Thể hiện sự ra vào của dòng tài chính
Chi tiết hơn về các phần trong chuỗi cung ứng Vinamilk, chúng ta sẽ nói sâu hơn ở
phần tiếp theo qui trình hoạt động chuỗi cung ứng của vinamilk 1. Nhà cung cấp:
-Nguồn cung ứng đầu vào của công ty sữa Vinamilk gồm: nguồn nguyên liệu nhập
khẩu và nguồn nguyên liệu thu mua từ các hộ nông dân nuôi bò, nông trại nuôi bò
trong nước như sữa tươi, đường, máy móc thiết bị.
+Nguồn nguyên liệu nhập khẩu: Mỹ, New Zealand, và Châu Âu.
Một số nhà cung cấp tiêu biểu như: Tên nhà cung cấp Sản phẩm cung cấp Fonterra (SEA) Pte Ltd Sữa bột nguyên liệu Hoogwegt International BV Sữa bột nguyên liệu Perstima Binh Duong Vỏ hộp bằng thép Tetra Pak Indochina Bao bì bằng giấy
Về sau, Vinamilk hạn chế được áp lực từ phía nhà cung cấp. Công ty có thể tự chủ
được nguồn lực nguyên liệu sữa tươi.
+ Sữa tươi: Vinamilk có 13 trang trại nuôi bò sữa điển hình tại Việt Nam ở các tỉnh
thành: Sơn La, Lâm Đồng(2 trang trại), Tuyên Quang, Thanh Hoá, Nghệ An,Tây Ninh,Quảng Ngãi….
+ Đường: 2017 Vinamilk ra mắt công ty cổ phần đường Việt Nam tại tỉnh Hoà Khánh.
+ Máy móc thiết bị: được nhập khẩu từ các hãng cung cấp thiết bị ngành sữa nổi
tiếng trên Thế Giới như: Tetra Pak(Thuỵ Điển), APV của Đan Mạch. 2. Nhà sản xuất:
-Vinamilk sử dụng công nghệ sản xuất và đóng gói hiện đại tại tất cả các nhà máy.
Công ty đã tiến hành nhập khẩu công nghệ từ các nước Châu Âu như: Đức, Ý và
Thụy Sĩ để ứng dụng vào dây chuyền sản xuất, hệ thống máy móc sử dụng công
nghệ sấy phun do Niro của Đan Mạch(hãng dẫn đầu thế giới về công nghệ sấy công
nghiệp, sản xuất) dành quyền sở hữu duy nhất cho công ty tại Việt Nam.
-Ngoài ra, Vinamilk còn sử dụng các dây chuyền sản xuất đạt chuẩn quốc tế do
Tetra Pak cung cấp để cho ra sản phẩm sữa và các sản phẩm khác có liên quan.
-Vinamilk đang sở hữu các nhà máy sản xuất sữa ở New Zealand, Mỹ, Balan và 13
nhà máy sản xuất sữa hiện đại tại Việt Nam trải dài từ Bắc vào Nam, đặc biệt là
“siêu nhà máy” sữa Bình Dương tại Khu công nghiệp Mỹ Phước 2 với diện tích 20 hecta. 3. Nhà phân phối:
Sau khi đã có được sản phẩm, một mình chúng ta sẽ không thể nào đưa sản phẩm
đến tay từng khách hàng. Một nhà phân phối sẽ giúp chúng ta làm việc này.
Một nhà phân phối cũng không thể nào đưa sản phẩm đến được tất cả khách hàng
trên thị trường. Vì họ thường giao hàng hóa với số lượng nhiều, ít khi bán lẻ cho
khách hàng. Vì vậy thường các nhà phân phối sẽ liên kết với đại lý bán lẻ (tạp hóa,
siêu thị, cửa hàng tiện lợi,…) của họ đến phân phối hàng hóa đến tay người dùng.
4. Đại lý bán lẻ:
-Vinamilk có 208 nhà phân phối với hệ thống bán lẻ lên đến gần 250.000 điểm theo
kênh truyền thống và 78.000 điểm theo kênh hiện đại và vẫn tiếp tục tăng. Công ty
từng có dự định lấn sang đường bưu điện và đường mạng để bán lẻ. 5. Khách hàng:
-Gồm 2 thị trường chính và tiềm năng:
+Thị trường tiêu dùng: gồm các cá nhân, hộ gia đình mua hàng hóa và dịch vụ cho
tiêu dùng cá nhân và con em. Họ chú trọng đến chất lượng, sự đa dạng hóa của sản
phẩm, thương hiệu và quan trọng là giá cả.
+Thị trường đại lý: Gồm các đại lý phân phối nhỏ lẻ, các siêu thị, các trung tâm dinh
dưỡng,đại lý...ảnh hướng rất nhiều đến hành vi người mua hàng.
I I.Qui trình trình hoạt động chuỗi cung ứng của vinamilk
1– Thượng lưu chuỗi cung ứng của vinamilk
Như các bạn đã biết: Thượng lưu chuỗi cung ứng gao gồm nhà cung cấp, qui
trình cho việc quản lý các mối quan hệ với nhà cung cấp.Nó gắn liền với hoạt động mua nguyên vật liệu,
➢ Nguồn cung ứng đầu vào cho chuỗi cung ứng của Vinamilk
Đầu vào của công ty sữa Vinamilk gồm: nguồn nguyên liệu nhập khẩu và nguồn
nguyên liệu thu mua từ các hộ nông dân nuôi bò, nông trại nuôi bò trong nước.
- Nguồn nguyên liệu nhập khẩu: Vinamilk lựa chọn những nguồn cung cấp
nguyên liệu từ các nước có nền nông nghiệp tiên tiến, đảm bảo các tiêu chuẩn về an
toàn và chất lượng. Các nguồn cung cấp nguyên liệu chính hiện nay của Vinamilk là
Mỹ, New Zealand, và Châu Âu.
- Nguồn nguyên liệu trong nước: Công ty thành lập các trung tâm thu mua
sữa tươi có vai trò thu mua nguyên liệu sữa tươi từ các hộ nông dân, nông trại nuôi
bò và thực hiện cân đo khối lượng sữa, kiểm tra chất lượng sữa, bảo quản và vận
chuyển đến nhà máy sản xuất. Trung tâm sẽ cung cấp thông tin cho hộ nông dân về
chất lượng, giá cả và nhu cầu khối lượng nguyên vật liệu. Đồng thời, trung tâm thu
mua sẽ thanh toán tiền cho các hộ nông dân nuôi bò.
2– Trung lưu chuỗi cung ứng của vinamilk
Bao gồm tất cả các hoạt động bên trong công ty để chuyển các đầu vào
thành các đầu ra, tính từ thời điểm các đầu vào đi vào trong tổ chức đến thời điểm
các sản phẩm được phân phối ra khỏi tổ chức. Các hoạt động chủ yếu là quản lý
sản xuất, sản xuất và quản lý hàng lưu kho. Nó gắn liền với hoạt động chuyển đổi thành phầm
➢ Khâu sản xuất thành phẩm cho chuỗi cung ứng của Vinamilk
Vinamilk sử dụng công nghệ sản xuất và đóng gói hiện đại tại tất cả các nhà
máy. Công ty đã tiến hành nhập khẩu công nghệ từ các nước Châu Âu như: Đức, Ý
và Thụy Sĩ để ứng dụng vào dây chuyền sản xuất và cũng là công ty duy nhất tại
Việt Nam sở hữu hệ thống máy móc sử dụng công nghệ sấy phun do Niro của Đan
Mạch, hãng dẫn đầu thê giới về công nghệ sấy công nghiệp, sản xuất. Ngoài ra,
Vinamilk còn sử dụng các dây chuyền sản xuất đạt chuẩn quốc tế do Tetra Pak cung
cấp để cho ra sản phẩm sữa và các sản phẩm khác có liên quan.
Vinamilk đang sở hữu các nhà máy sản xuất sữa ở New Zealand, Mỹ, Balan
và 13 nhà máy sản xuất sữa hiện đại tại Việt Nam từ Bắc vào Nam, đặc biệt là “siêu
nhà máy” sữa Bình Dương tại KCN Mỹ Phước 2 với diện tích 20 hecta.
Ngoài ra, Vinamilk còn có các phòng thí nghiệm đều đạt chứng nhận ISO
17025 cho lĩnh vực hóa học và sinh học. Toàn bộ nhà máy đang hoạt động trong
khối sản xuất của Vinamilk đều có hệ thống quản lý môi trường được chứng nhận đạt chuẩn ISO 14001:2004.
Vinamilk không ngừng nghiên cứu và cải tiến sản phẩm, với việc áp dụng
những những công nghệ hiện đại trong khâu sản xuất, điều đó dẫn đến sản phẩm
càng ngày được nâng cao về chất lượng cũng như hiệu quả sản xuất tăng lên.
SẢN XUẤT SỮA TƯƠI TIỆT TRÙNG VỚI THIẾT BỊ HIỆN ĐẠI VÀ CÔNG NGHỆ
SẢN XUẤT TIÊN TIẾN
Nhà máy Sữa Việt Nam được trang bị dây chuyền sản xuất sữa tươi tiệt trùng
với thiết bị hiện đại và công nghệ sản xuất tiên tiến hàng đầu hiện nay. Nhà máy
hoạt động trên một dây chuyền tự động, khép kín, từ khâu nguyên liệu đầu vào đến đầu ra sản phẩm.
Sữa tươi sau khi được kiểm tra chất lượng và qua thiết bị đo lường, lọc sẽ
được nhập vào hệ thống bồn chứa lạnh (150 m3/bồn)
Khu vực tiếp nhận sữa tươi nguyên liệu
Các bồn chứa lạnh 150m3/bồn
Từ bồn chứa lạnh, sữa tươi nguyên liệu sẽ qua các công đoạn chế biến: ly
tâm tách khuẩn, đồng hóa, thanh trùng, làm lạnh xuống 4 oC và chuyển đến bồn
chứa sẵn sàng cho chế biến tiệt trùng UHT. Máy ly tâm tách khuẩn, giúp loại các vi
khuẩn có hại và bào tử vi sinh vật.
Máy ly tâm tách khuẩn
Tiệt trùng UHT: Hệ thống tiệt trùng tiên tiến gia nhiệt sữa lên tới 140 oC, sau
đó sữa được làm lạnh nhanh xuống 25 oC, giữ được hương vị tự nhiên và các thành
phần dinh dưỡng, vitamin & khoáng chất của sản phẩm. Sữa được chuyển đến
chứa trong bồn tiệt trùng chờ chiết rót vô trùng vào bao gói tiệt trùng.
Hệ thống tiệt trùng UHT
Nhờ sự kết hợp của các yếu tố: công nghệ chế biến tiên tiến, công nghệ tiệt
trùng UHT và công nghệ chiết rót vô trùng, sản phẩm có thể giữ được hương vị tươi
ngon trong thời gian 6 tháng mà không cần chất bảo quản Hệ thống máy rót
Các robot LGV vận hành tự động sẽ chuyển pal et thành phẩm đến khu vực
kho thông minh. Ngoài ra, LGV còn vận chuyển các cuộn bao bì và vật liệu bao gói
đến các máy một cách tự động. Hệ thống robot LGV có thể tự sạc pin mà không cần
sự can thiệp của con người. Robot LGV tự động
Robot đang tự đi tìm bình ắc quy được nạp đầy điện để thay cho mình khi hết năng lượng
Kho thông minh hàng đầu tại Việt Nam, diện tích 6000 m2 với 20 ngõ xuất
nhập, có chiều dài 105 mét, cao 35 mét, gồm 17 tầng giá đỡ với sức chứa 27168 lô
chứa hàng. Nhập và xuất hàng tự động với 15 Xe tự hành RGV (Rail guided vehicle)
vận chuyển pal et thành phẩm vào kho và 08 Robot cần cẩu (Stacker Crane) sắp
xếp pal et vào hệ khung kệ. Việc quản lý hàng hoá xuất nhập được thực dựa trên phần mềm Wamas.
Hàng hoá tại kho thông minh
Hệ thống vận hành dựa trên giải pháp tự động hoá Tetra Plant Master, cho
phép kết nối và tích hợp toàn bộ nhà máy từ nguyên liệu đầu vào cho đến thành
phẩm. Nhờ đó nhà máy có thể điều khiển mọi hoạt động diễn ra trong nhà máy, theo
dõi và kiểm soát chất lượng một cách liên tục. Hệ thống Tetra Plant Master cũng
cung cấp tất cả dữ liệu cần thiết giúp nhà máy có thể liên tục nâng cao hoạt động sản xuất và bảo trì.
Ngoài ra, hệ thống quản lý kho Wamas tích hợp hệ thống quản lý ERP và giải
pháp tự động hoá Tetra Plant Master mang đến sự liền mạch thông suốt trong hoạt
động của nhà máy với các hoạt động từ lập kế hoạch sản xuất, nhập nguyên liệu
đến xuất kho thành phẩm của toàn công ty.
3– Hạ lưu chuỗi cung ứng của vinamilk
Phần này bao gồm tất cả các hoạt động nhằm phân phối sản phẩm đến
khách hàng cuối cùng. Trong phần này, các hoạt động chủ yếu là phân phối, lưu
kho, vận tải và dịch vụ sau bán hàng.
➢ Khâu phân phối sản phẩm đầu ra cho chuỗi cung ứng của Vinamilk
1.1.1 * Tại thị trường nước ngoài:
Các sản phẩm của Vinamilk được xuất khẩu tới hơn 40 quốc gia và vùng lãn
thổ trên Thế giới như: Campuchia, Thái Lan, Hàn Quốc, Nhật Bản, Đài Loan, Thổ
Nhĩ Kỳ, Nga, Canada, Mỹ, Úc, ... Các mặt hàng xuất khẩu gồm: sữa bột trẻ em, bột
dinh dưỡng, sữa đặc, sữa nước, nước giải khát, sữa đậu nành, sữa chua.
1.2 Tại thị trường Việt Nam
Hiện nay công ty Vinamilk có 3 chi nhánh chính tại Hà Nội, Đà Nẵng và Cần
Thơ và một trụ sở chính tại thành phố Hồ Chí Minh
Vinamilk có mạng lưới phân phối mạnh và rộng khắp trên cả nước, giúp
người tiêu dùng có thể tiếp cận đến các sản phẩm một cách thuận tiện, nhanh
chóng và trong điều kiện tốt nhất.
- Hệ thống các đối tác phân phối (Kênh General Trade GT)
- Các chuỗi hệ thống siêu thị trên toàn quốc (Kênh Modern Trade - MT)
- Hệ thống Cửa hàng Giới thiệu và bán sản phẩm Vinamilk trên Toàn Quốc
- Phân phối trực tiếp đến các khách hàng là các xí nghiệp, trường học,
khu vui chơi giải trí (Kênh KA). Nguồn: (1)
https://www.vinamilk.com.vn/vi/cai-tien-doi-moi/cong-nghe-san-xuat-moi (2)
https://als.com.vn/tim-hieu-ve-chuoi-cung-ung-cua-vinamilk
Document Outline
- VINAMILK- 1.Chuỗi cung ứng:
- 2.Mục tiêu chính của quản trị chuỗi cung ứng SCM (Su
 
- II/ Mô hình chuỗi cung ứng- 1Giới thiệu khái quát về công ty vinamilk
- 2Tầm quan trọng của quản trị chuỗi cung ứng (SCM –
- 3.Mô hình chuỗi cung ứng
- Trong đó:
- 1.Nhà cung cấp:
- 2.Nhà sản xuất:
- 3.Nhà phân phối:
- 4.Đại lý bán lẻ:
- 5.Khách hàng:
 
- III.Qui trình trình hoạt động chuỗi cung ứng của v- 1– Thượng lưu chuỗi cung ứng của vinamilk
- 2– Trung lưu chuỗi cung ứng của vinamilk
- ➢Khâu sản xuất thành phẩm cho chuỗi cung ứng của Vi
- SẢN XUẤT SỮA TƯƠI TIỆT TRÙNG VỚI THIẾT BỊ HIỆN ĐẠI
- 3– Hạ lưu chuỗi cung ứng của vinamilk
- ➢Khâu phân phối sản phẩm đầu ra cho chuỗi cung ứng
- 1.2Tại thị trường Việt Nam
 
