











Preview text:
lOMoARcPSD| 61551247 Bài 4
KHẢO SÁT DIODE 4.1 MỤC ĐÍCH :
- Khảo sát các tính chất cơ bản của diode -
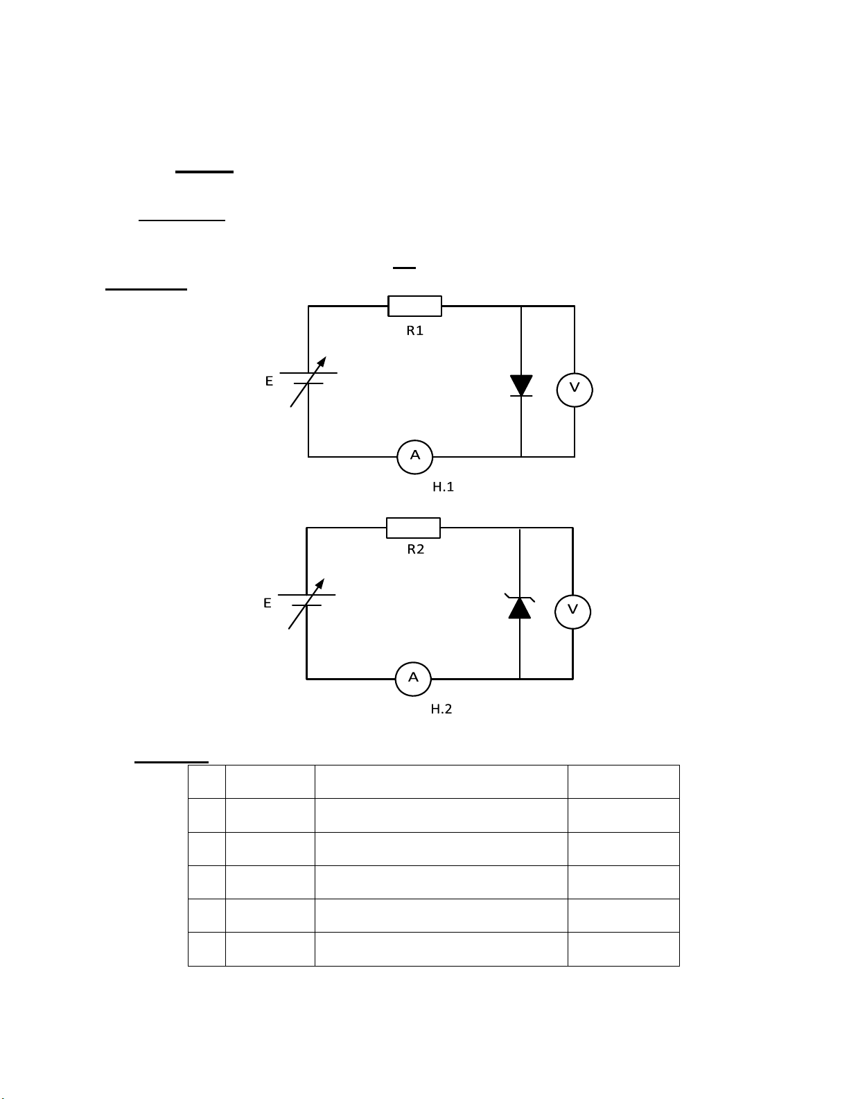
Đo vẽ ặt tuyến Volt-Ampere của diode 4.2 SƠ ĐỒ MẠCH : D1 D2 4.3 THIẾT BỊ : Stt Ký hiệu Mô tả Số lượng
1 Bảng M30 Bảng linh kiện thí nghiệm 01
2 Bảng M31 Bảng linh kiện thí nghiệm 01 3 MX30
Bộ nguồn DC iều chỉnh 0-30V 01 4 VOM Máy o vạn năng 01 5 Dây nối Dây nối lắp mạch 01 bộ lOMoARcPSD| 61551247 4.4 THỰC HÀNH :
4.1 Lắp mạch, o và vẽ ặt tuyến I=f(V) của diode : lắp mạch như hình H.1 với R1= 560 , D1 là
diode thường, nguồn DC có iện áp thay ổi ược. Thay ổi iện áp nguồn và o các thông số UD1,
ID1. Dựa vào kết quả thu ược vẽ ặt tuyến I=f(V) Nguồn ID1 UD1
4.2 Lắp mạch, o và vẽ ặt tuyến I=f(V) của diode Zener : lắp mạch như hình H.2 với R1= 560 ,
D2 là diode Zener, nguồn DC có iện áp thay ổi ược. Thay ổi iện áp nguồn và o các thông số UD2,
ID2. Dựa vào kết quả thu ược vẽ ặt tuyến I=f(V). Nguồn ID2 UD2 lOMoARcPSD| 61551247 Bài 5
KHẢO SÁT MẠCH ỨNG DỤNGDIODE 5.1 MỤC ĐÍCH :
- Nắm vững các ứng dụng của diode.
- Khảo sát các ứng dụng diode : mạch xén trên, mạch xén dưới, mạch kẹp.
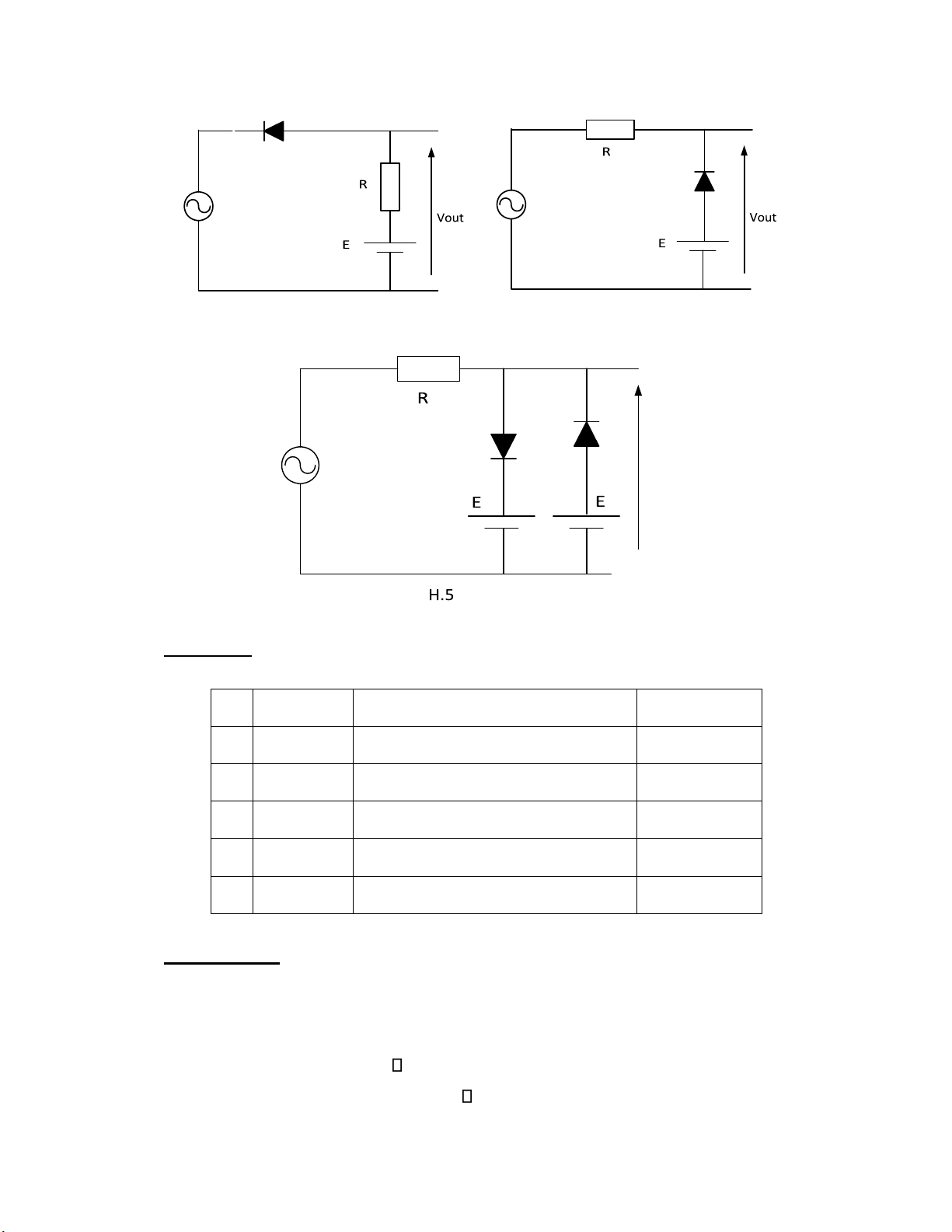
5.2 SƠ ĐỒ MẠCH : 2 1 V i1 V i2 1 2 H.1 H.2 lOMoARcPSD| 61551247 4 3 V i3 V i4 3 4 5 V i5 Vout 5 6 5.3 THIẾT BỊ : Stt Ký hiệu Mô tả Số lượng
1 Bảng M30 Bảng linh kiện thí nghiệm 01
2 Bảng M31 Bảng linh kiện thí nghiệm 01 3 MX30
Bộ nguồn DC iều chỉnh 0-30V 01 4 VOM Máy o vạn năng 01 5 Dây nối Dây nối lắp mạch 01 bộ 5.4 THỰC HÀNH :
Lần lượt thực hiện lắp mạch theo các hình vẽ H.1, H.2, H.3, H.4 và H.5. Đồng thời vẽ
dạng sóng ngõ ra ứng với từng trường hợp và giải tích các kết quả thu ược. Với các giá trị của linh kiện như sau : R1 = R2 = R3 = R4 = R5 = 1K
Vi1 = Vi2= Vi3= Vi4= Vi5 = 12√2sin100 t (V) lOMoARcPSD| 61551247
E1 = E2 = E3 = E4 = 5VDC , E5 = +12VDC, E6 = -12VDC.
Các diode dùng diode thường. lOMoARcPSD| 61551247
………………………………………………………………………………………………………………………
………………………………………………………………………………………………………………………
………………………………………………………………………………………………………………………
………………………………………………………………………………………………………………………
………………………………………………………………………………………………………………………
………………………………………………………………………………………………………………………
………………………………………………………………………………………………………………………
………………………………………………………………………………………………………………………
………………………………………………………………………………………………………………………
………………………………………………………………………………………………………………………
………………………………………………………………………………………………………………………
………………………………………………………………………………………………………………………
………………………………………………………………………………………………………………………
………………………………………………………………………………………………………………………
………………………………………………………………………………………………………………………
………………………………………………………………………………………………………………………
………………………………………………………………………………………………………………………
………………………………………………………………………………………………………………………
………………………………………………………………………………………………………………………
………………………………………………………………………………………………………………………
………………………………………………………………………………………………………………………
………………………………………………………………………………………………………………………
………………………………………………………………………………………………………………………
………………………………………………………………………………………………………………………
………………………………………………………………………………………………………………………
………………………………………………………………………………………………………………………
………………………………………………………………………………………………………………………
……………………………………………………………………………………………………………………… lOMoARcPSD| 61551247
………………………………………………………………………………………………………………………
………………………………………………………………………………………………………………………
………………………………………………………………………………………………………………………
……………………………………………………………………………………………………………………… Bài 6
KHẢO SÁT MẠCH CHỈNH LƯU 6.1 MỤC ĐÍCH :
- Khảo sát các dạng mạch chỉnh lưu : bán kỳ, toàn kỳ. - Khảo sát mạch lọc. 6.2 SƠ ĐỒ MẠCH : 1 V AC R 1 D 2 V AC R 2 H.2 D3 lOMoARcPSD| 61551247 D 4 D 5 V AC D 7 D 6 + C R 3 H.3 6.3 THIẾT BỊ : Stt Ký hiệu Mô tả Số lượng
1 Bảng M30 Bảng linh kiện thí nghiệm 01
2 Bảng M31 Bảng linh kiện thí nghiệm 01 3 MX30
Bộ nguồn DC iều chỉnh 0-30V 01 4 VOM Máy o vạn năng 01 5 OX 800 Máy dao ộng ký 01 6 Dây nối Dây nối lắp mạch 01 bộ 6.4 THỰC HÀNH : 6.4.1
Lắp mạch như hình H.1 với R1 = 1K và D1 là diode chỉnh lưu, iện áp
cuộn thứ cấp của biến áp là UAC = 12 2 sin100 t, o và vẽ dạng sóng ngõ vào, ngõ ra,
ồng thời o các giá trị VAC, VDC Kết quả Thực tế Lý thuyết VAC VDC lOMoARcPSD| 61551247 Nhận xét :
…………………………………………………………………………………………………
………………………………………………………………………
…………………………………………………………………………………………………
………………………………………………………………………
…………………………………………………………………………………………………
……………………………………………………………………… 6.4.2
Lắp mạch như hình H.2 với R2 = 1K , D2 và D3 là diode chỉnh lưu, ta
dùng biến áp có hai cuộn thứ cấp co sẵn trên bảng thí nghiệm M31, o và vẽ dạng
sóng ngõ vào, ngõ ra, ồng thời o các giá trị VAC, VDC. Giải thích kết quả thu ược. lOMoARcPSD| 61551247 Kết quả Thực tế Lý thuyết VAC VDC Nhận xét :
…………………………………………………………………………………………………
………………………………………………………………………
…………………………………………………………………………………………………
……………………………………………………………………… 6.4.3
Lắp mạch như hình H.3 với R3 = 1K , D4, D5, D6 và D7 là diode chỉnh
lưu, C=100 F, iện áp cuộn thứ cấp của biến áp là UAC = 12sin100 t, o và vẽ dạng
sóng ngõ vào, ngõ ra, ồng thời o các giá trị VAC, VDC. Giải thích kết quả thu ược. lOMoARcPSD| 61551247 Kết quả Thực tế Lý thuyết VAC VDC Giải thích :
………………………………………………………………………………………………………………………
………………………………………………………………………………………………………………………
………………………………………………………………………………………………………………………
………………………………………………………………………………………………………………………
………………………………………………………………………………………………………………………
………………………………………………………………………………………………………………………
………………………………………………………………………………………………………………………
………………………………………………………………………………………………………………………
………………………………………………………………………………………………………………………
………………………………………………………………………………………………………………………
………………………………………………………………………………………………………………………
………………………………………………………………………………………………………………………
………………………………………………………………………………………………………………………
………………………………………………………………………………………………………………………
………………………………………………………………………………………………………………………
………………………………………………………………………………………………………………………
………………………………………………………………………………………………………………………
………………………………………………………………………………………………………………………
………………………………………………………………………………………………………………………
………………………………………………………………………………………………………………………
……………………………………………………………………………………………………………………… lOMoARcPSD| 61551247
………………………………………………………………………………………………………………………
………………………………………………………………………………………………………………………
………………………………………………………………………………………………………………………