




Preview text:
Bài giải chuẩn mực Nguyễn Văn Quân 202414323
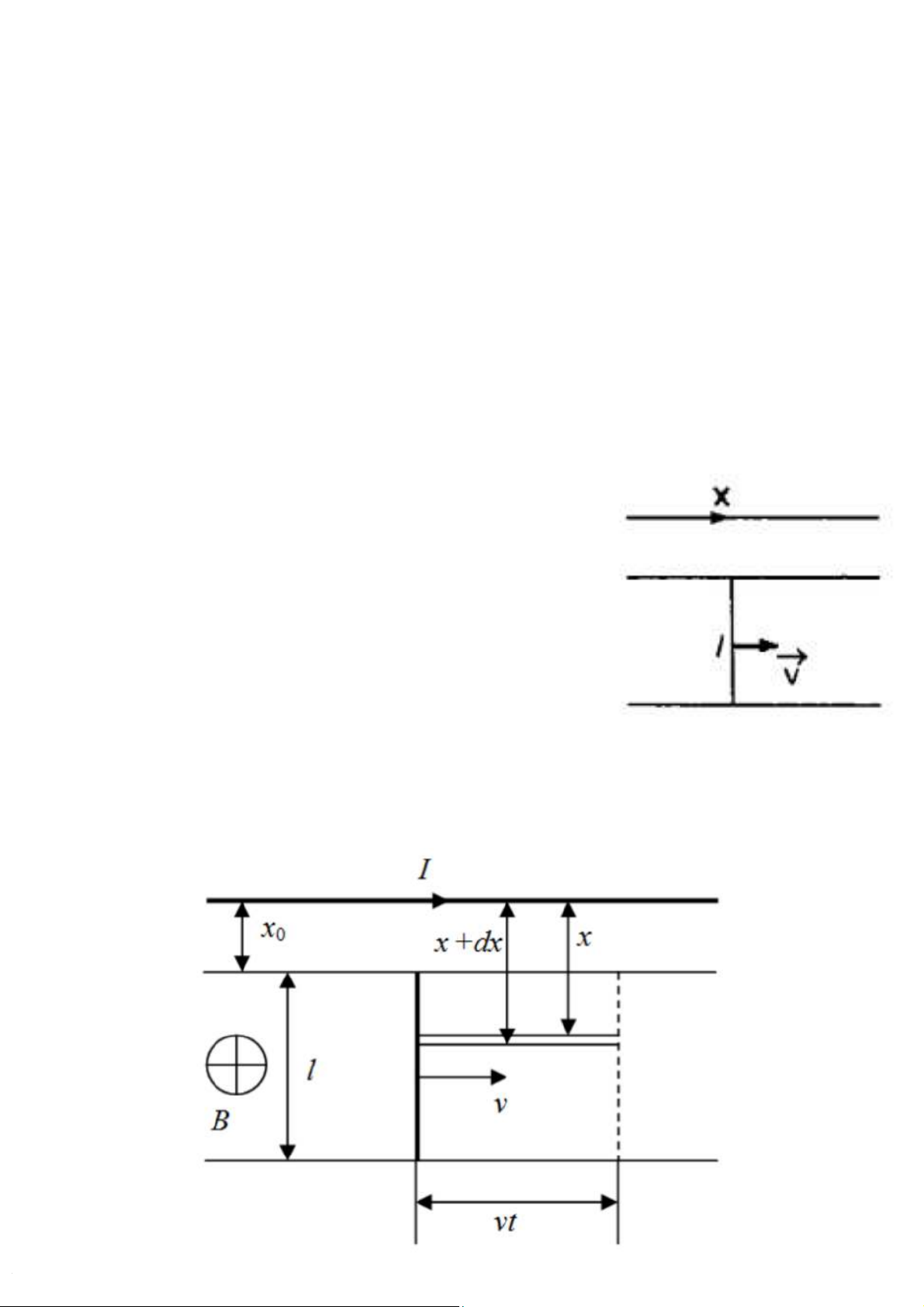
Bài 5.4: Trong cùng một mặt phẳng với dòng điện thẳng dài vô hạn
cường độ I=20A người ta đặt hai thanh trượt (kim loại) song song với
dòng điện và cách dòng điện một khoảng x0= 1cm. Hai thanh trượt cách
nhau l=0,5m. Trên hai thanh trượt người ta lồng vào một đoạn dây dẫn
dài l. Tìm Hiệu điện thế xuất hiện giữa hai đầu dây dẫn nếu cho dây dẫn
trượt tịnh tiến trên các thanh với vận tốc không đổi v=3m/s.
I. Tóm tắt bài toán, hình vẽ minh hoạ. Input:
• Dòng điện thẳng dài vô hạn; I = 20A • X0 = 1cm.
• Khoảng cách hai thanh trượt l=0,5m • Dây dẫn l, v = 3m/s
Output : Hiệu điện thế giữa hai đầu dây dẫn ?
II. Phân tích , đề xuất hướng giải. 1. Phân tích
+ Dòng điện thẳng dài tạo ra từ trường xung quanh nó, dây dẫn đặt
trong vùng từ trường và trượt với vận tốc v.Khi đó trên dây xuất hiện
hiệu điện thế, hiệu điện thế đó là suất điện động cảm ứng
=> Trên dây xuất hiện suất điện động cảm ứng.
+ Dây dẫn dài l chuyển động với vận tốc v => Diện tích mà dây dẫn
quét được trong khoảng thời gian t là S = v.t.l
+ Chia dây dẫn l thành các đoạn dx, xét diện tích dS do đoạn dây dx
quét được trong khoảng thời gian t là: dS=v.t.dx
=> Từ trường B trên toàn bộ diện tích dS là không đổi.
→ Áp dụng tích phân để giải. 2. Hướng giải
III. Áp dụng công thức => Kết quả
Sau thời gian t, từ thông được quét bởi đoạn dx của dây là:
𝑑𝛷 = 𝐵. 𝑑𝑆 = 𝜇0. 𝐼
2𝜋. 𝑥 .𝑣𝑡.𝑑𝑥
=> Từ thông quét được bởi cả đoạn dây sau thời gian t là: 𝑥+𝑙 𝛷 = ∫ 𝜇0. 𝐼
2 .𝜋𝑣𝑥𝑡𝑑𝑥 =𝜇0. 𝐼. 𝑣.2 𝑡𝜋 𝑙𝑛 𝑥 + 𝑙𝑥 𝑥
=> Suất điện động cảm ứng trên dây là:
𝐸𝑐=−𝑑𝑡 = − 𝜇0. 𝐼2. 𝑣
𝜋 .𝑙𝑛 𝑥 + 𝑙𝑥= − 4𝜋. 10−7.2 2 0
𝜋 .3𝑙𝑛 (0,01 + 0,50,01 )
𝐸𝑐≈ −4,7.10−5 (𝑉)
=> Hiệu điện thế giữa hai đầu dây là:
𝑈 = |𝐸𝑐| = 4,7.10−5 (𝑉)
IV. Nhận xét, đánh giá kết quả
Về độ lớn 𝑈 = 4𝜋. 10−5 (𝑉) => rất nhỏ, hợp lí vì:
+ Từ trường do dòng điện thẳng dài gây ra không mạnh
+ Dây dẫn chuyển động với vận tốc không lớn ( 3m/s)
+ Chiều dài dây hữu hạn ( 0,5m)
𝑈 = |𝐸|𝑐 = | −𝑑𝑡 | = 𝜇0. 𝐼2. 𝑣
𝜋 .𝑙𝑛 𝑥 + 𝑙𝑥
+ Phụ thuộc vào I: Dòng điện càng lớn => từ trường càng mạnh => suất điện động càng lớn.
+ Phụ thuộc vào v: Dây chuyển động nhanh => điện tích bị tách nhanh
hơn => suất điện động lớn.
+ Phụ thuộc vào x: Càng gần dây => U càng lớn ( Thực tế không được
đặt gần dây mang dòng điện lớn) V. Ứng dụng thực tế
Máy phát điện một chiều:
Cấu tạo máy điện một chiều
• Phần cảm (Stator): gồm lõi thép cực từ trên có cuốn cuộn dây kích từ
• Phần ứng (Rotor): gồm lõi thép hình trụ gắn trên trục quay
• Phần đổi chiều Gồm có vành đổi chiều và hệ thống chổi than.
Sơ đồ nguyên lí làm việc: Stator Rotor
Vanh đổi chiều & đia than
-Stator: Tạo từ trường cho máy điện ( cuộn dây kích từ trên lõi thép cực từ)
-Rotor: Sinh suất điện động cảm ứng khi quay trong từ trường (cuộn
dây phần ứng trên lõi thép hình trụ)
-Vành đổi chiều & đĩa than: Đảo chiều dòng điện trong cuộn dây phần
ứng để lấy ra dòng điện một chiều.