



















Preview text:
lOMoAR cPSD| 59735610 NỘI DUNG
1. Thông số kỹ thuật của xe Huyndai HD240
Bảng 1.1: Thông số kỹ thuật của xe Huyndai HD240 TT Thông số Đơn vị
Giá trị các thông số 1 Thông số chung Ô tô cơ sở 1.1 Loại phương tiện 1.2 Nhãn hiệu Huyndai 1.3 Tên thương mại 1.4 Mã kiểu loại HD240 1.5 Công thức bánh xe 6X2 2
Thông số về kích thước
2.1 Kích thước chung (DxRxC) mm 9735 x 2400 x 3300 2.2 Chiều dài cơ sở mm 5695
2.3 Vệt bánh xe (trước/sau) mm 1935/1800
2.4 Vệt bánh xe sau phía ngoài mm 0 2.5 Chiều dài đầu xe mm 0 2.6 Chiều dài đuôi xe mm 0 2.7 Khoảng sáng gầm xe mm 210 2.8 Góc thoát trước/sau độ 2.9 Chiều rộng cabin mm 3
Thông số về khối lượng Khối lượng bản thân kg 7385 (thùng kín)
3.1 Phân bổ trọng lượng bản thân lên từng trục xe kg
3.4 Số chỗ ngồi (kể cả lái xe) người 03 (195kg) lOMoAR cPSD| 59735610
Khối lượng toàn bộ theo 3.5 thiết kế kg
Khả năng chịu tải lớn nhất
3.6 trên từng trục của xe cơ sở kg 4
Thông số về tính năng chuyển động
4.1 Bán kính quay vòng theo vết mm 9500 bánh xe trước phía ngoài 4.2 Khả năng vượt dốc % 44 5 Động cơ 5.1 Kiểu loại động cơ D6GA2E
Loại nhiên liệu, số kỳ, số xy
Diesel, 4kỳ, 6 xi-lanh thẳng
5.2 lanh và cách bố trí, phương thức làm mát hàng, turbo tăng áp 5.3 Dung tích xi lanh cm3 5899 5.4 Tỷ số nén 17,6:1 5.5 Công suất lớn nhất (kW/ v/p) 932/2500 (N.m/
5.6 Mô men xoắn lớn nhất v/p) 187,55/1400
5.7 Hệ thống nhiên liệu Diesel 5.8 Vị trí động cơ Phía trước 6 Ly hợp 6.1 Nhãn hiệu Theo động cơ
Loại đĩa đơn, ma sát khô, giảm 6.2 Kiểu loại
chấn lò xo, dẫn động thủy lực, trợ lực khí nén
Dẫn động thủy lực, trợ lực khí 6.3 Kiểu dẫn động nén lOMoAR cPSD| 59735610 7 Hộp số
7.1 Nhãn hiệu hộp số chính Dymos T060S6
7.2 Kiểu loại/kiểu dẫn động Cơ khí 06 số tiến, 01 số lùi
7.3 Sơ cấp tỷ số truyền
Đồng tốc từ số 2 đến số 6
i1 = 6,58; i2 = 5,83; i3 = 2,865
7.4 Tỷ số truyền từng tay số
i4 = 1,7; i5 = 1,000; i6= 0,722 iL = 6,061 8 Cầu xe 8.1 Trục dẫn hướng Trục 1 8.2 Trục chủ động Trục 2, Trục 3
Tỷ số truyền của truyền lực 8.3 chính 4,1 9
Vành bánh xe, lốp xe 9.1 Số lượng 10 245/70R19.5 /Dual 245/70R19.5 9.2 Lốp trước/lốp sau 18PR lOMoAR cPSD| 59735610
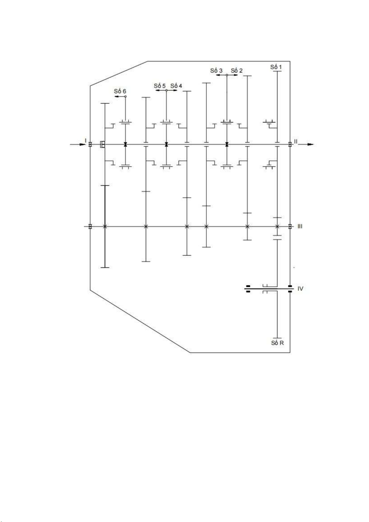
2. Vẽ sơ đồ bố trí hệ thống truyền lực của xe lOMoAR cPSD| 59735610
Sơ đồ hệ thống truyền động của Huyndai hd240 lOMoAR cPSD| 59735610
Hộp số 6 cấp Huyndai HD240
I - Trục sơ cấp (trục vào)
II- Trục thứ cấp (trục ra) III - Trục trung gian IV - Trục số lùi lOMoAR cPSD| 59735610
3. Tính toán và vẽ đồ thị đường đặc tính ngoài động cơ
Bảng 1.2. Thông số tính toán và vẽ đồ thị đường đặc tính ngoài động cơ Động cơ Công suất lớn nhất Nemax kW 187,6
Số vòng quay tương ứng Nemax nN vg/ph 2500 Mô men xoắn lớn nhất Memax N.m 932
Số vòng quay tương ứng Memax nM vg/ph 1400
Hệ số phụ thuộc kết cấu và chủng loại động cơ a = 0,819 Động cơ diesel b = 1,724 c = 1,543
Tỷ số truyền hộp số Tay số 1 ih1 6,58 Tay số 2 ih2 5,83 Tay số 3 ih3 2,865 Tay số 4 ih4 1,7 Tay số 5 ih5 1,000 Tay số 6 ih6 0,722
Tỷ số truyền cầu chủ động i0 5,38
Mối liên hệ giữa công suất và momen xoắn của động cơ với số vòng quay của
trục khuỷu được thể hiện lần lượt: Ne= f (ne); Me=f (ne). Thường được tính theo
các công thức thực nghiệm. Được sử dụng rộng rãi nhất hiện nay là công thức của giáo sư R.S.Lejderman: 2 3 lOMoAR cPSD| 59735610 N ) )
e=Nemax .[a. nnNe +b.(nnNe −c .( nnNe ] 104.N e Me= 1,047.ne Trong đó:
+ Ne: công suất hữu ích của động cơ, (kW)
+ Me: momen xoắn của động cơ, (N.m) ne 500 600 700 850 1050 1400 1600 1800 2000 2 (vg/ph) Ne
1 (kW) 41,35 51,50 62,02 78,25 100,14 136,63 154,92 170,24 181,70 187,22 7 Me
(N.m) 789,88 819,84 846,26 879,26 910,87 932,13 924,81 903,34 867,71 831,7
+ Nemax: công suất hữu ích cực đại của động cơ, (kW)
+ ne: số vòng quay trục khuỷu động cơ, (vòng/phút)
+ nN: số vòng quay trục khuỷu động cơ ứng với công suất cực đại, (vòng/phút)
+ a,b,c: các hệ số thực nghiệm, hệ số phụ thuộc kết cấu và chủng loại động cơ.
Dựa vào bảng thông số ta tính toán được: lOMoAR cPSD| 59735610
Đồ thị đường đặc tính ngoài của động cơ:
4. Tính và vẽ đồ thị lực kéo ở các tay số tiến Vận
tốc của xe khi ở các tay số tiến (từ tay số 1 đến tay số 6): rbx v=0,105. io .its .n e Trong đó:
+ v: vận tốc chuyển động của xe tại các tay số tiến, m/s
+ rbx : bán kính bánh xe tính toán, m
+ io : tỉ số truyền lực chính
+ its : tỉ số truyền ở các tay số
+ ne: tốc độ quay của trục khuỷu động cơ, vòng/phút.
Lực kéo tiếp tuyến tại bánh xe chủ động: 1 Stt 1 2 3 4 5 6 7 8 9 10 V its.io. ղ lOMoAR cPSD| 59735610
v1(m/s) 0,694 0,833 0,972 1,180 1,458 1,943 2,221 2,499 2,776 3,123
v2(m/s) 0,783 0,940 1,097 1,332 1,645 2,193 2,507 2,820 3,133 3,525
v3(m/s) 1,594 1,913 2,232 2,710 3,347 4,463 5,101 5,739 6,376 7,173
v4(m/s) 2,686 3,224 3,761 4,567 5,641 7,522 8,597 9,671 10,746 12,089
v5(m/s) 4,567 5,480 6,394 7,764 9,591 12,787 14,614 16,441 18,268 20,551
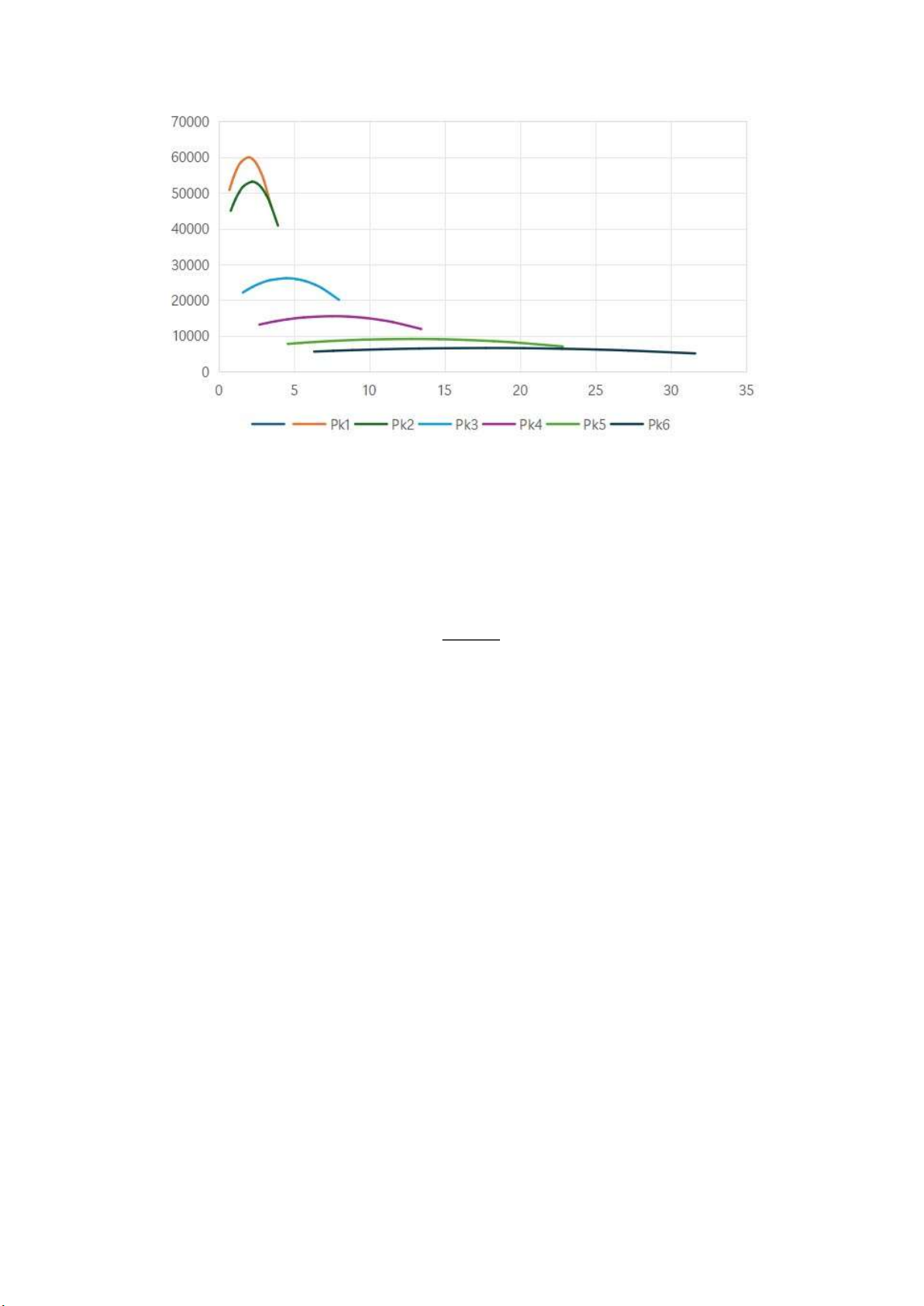
v6(m/s) 6,325 7,590 8,856 10,753 13,283 17,711 20,241 22,771 25,301 28,464 Pk=Me . rbx Trong đó:
+ Pk: lực kéo tiếp tuyến tại bánh xe chủ động, N
+ Me: momen xoắn của động cơ, N.m
+ io : tỉ số truyền lực chính
+ its : tỉ số truyền ở các tay số
+ rbx : bán kính bánh xe tính toán, m 1 2 3 4 5 6 7 8 9 10 11 Stt P Pk1
50785, 52712, 54410, 56532, 58564, 59931, 59461, 58080, 55789, 53474, (N) 81 10 79 55 93 86 21 79 93 65 Pk2
44997, 46703, 48208, 50088, 51889, 53100, 52683, 51460, 49430, 47379, lOMoAR cPSD| 59735610 (N) 15 88 95 87 60 72 72 64 90 51 Pk3
22112, 22951, 23691, 24614, 25499, 26094, 25890, 25288, 24291, 23283, (N) 67 39 02 86 78 95 03 97 51 41 Pk4
13120, 13618, 14057, 14605, 15130, 15483, 15362, 15005, 14413, 13815, (N) 95 63 50 67 76 91 32 67 81 64 Pk5
7718,2 8010,9 8269,1 8591,5 8900,4 9108,1 9036,6 8826,8 8478,7 8126,8 (N) 1 6 2 7 5 8 6 7 1 5 Pk6
5572,5 5783,9 5970,3 6203,1 6426,1 6576,1 6524,4 6373,0 6121,6 5867,5 (N) 5 1 0 2 2 1 7 0 3 8 460 408 200 119 700 505
Đồ thị lực kéo ở các tay số tiến: lOMoAR cPSD| 59735610
5. Tính và vẽ đồ thị nhân tố động lực học
Nhân tố động lực học của ô tô là tỉ số giữa hiệu lực kéo của ô tô theo động cơ
với lực cản không khí và trọng lượng của ô tô. Pk −Pω D= G Trong đó:
+ Pk: lực kéo tiếp tuyến tại bánh xe chủ động, N
+ Pω: lực cản không khí, N
+ G: trọng lượng của ô tô Lực cản không khí: Pω=K . F.v2 Trong đó:
+ K: hệ số cản không khí, kGs2/m4.
+ F: diện tích cản chính diện của ô tô, m2
+ v: vận tốc chuyển động của xe tại các tay số tiến, m/s
Các thông số tính toán: lOMoAR cPSD| 59735610
- Hệ số cản không khí: K = 0,06 (kGs2/m4) = 0,6 (Ns2/m4)
- Diện tích cản chính diện của xe: F = 0,8.Bo.H = 0,8.2,4.3,3 = 6,072(m2)
Bo: chiều rộng của xe, Bo = 2400 mm = 2,4 m
H: chiều cao của xe, H = 3300 mm = 3,3 m
- Khi xe không tải: G = 5430kg = 54300 N
- Khi xe đầy tải: G = 23500 kg = 235000 N Tính toán ta được bảng kết quả sau: Pwi Pω1 Pω2 Pω3 Pω4 Pω5 Pω6 ne (N) (N) (N) (N) (N) (N) 500 1,83 2,33 9,66 27,44 79,29 152,10 600 2,64 3,36 13,91 39,51 114,18 219,03 700 3,59 4,57 18,93 53,77 155,41 298,12 850 5,29 6,74 27,92 79,29 229,14 439,58 1050 8,08 10,29 42,60 120,99 349,66 670,77 1400 14,36 18,29 75,73 215,10 621,62 1192,49 1600 18,75 23,89 98,92 280,94 811,92 1557,53 1800 23,73 30,23 125,19 355,57 1027,58 1971,25 2000 29,30 37,32 154,55 438,97 1268,62 2433,65 2150 33,86 43,13 178,61 507,28 1466,05 2812,38 2500 45,78 58,32 241,49 685,89 1982,22 3802,58 lOMoAR cPSD| 59735610 Khi xe không tải: Di D1 D2 D3 D4 D5 D6 ne 500 0,935 0,829 0,407 0,241 0,141 0,100 600 0,971 0,860 0,422 0,250 0,145 0,102 700 1,002 0,888 0,436 0,258 0,149 0,104 850 1,041 0,922 0,453 0,268 0,154 0,106 1050 1,078 0,955 0,469 0,276 0,157 0,106 1400 1,103 0,978 0,479 0,281 0,156 0,099 1600 1,095 0,970 0,475 0,278 0,151 0,091 1800 1,069 0,947 0,463 0,270 0,144 0,081 2000 1,027 0,910 0,445 0,257 0,133 0,068 2150 0,984 0,872 0,426 0,245 0,123 0,056 2500 0,848 0,751 0,365 0,207 0,092 0,023
Biểu đồ nhân tố động học lOMoAR cPSD| 59735610 Khi xe đầy tải: Di D1 D2 D3 D4 D5 D6 ne 500 0,217 0,192 0,094 0,056 0,033 0,023 600 0,225 0,199 0,098 0,058 0,034 0,024 700 0,232 0,206 0,101 0,060 0,035 0,024 850 0,241 0,214 0,105 0,062 0,036 0,025 1050 0,250 0,221 0,109 0,064 0,036 0,025 1400 0,256 0,226 0,111 0,065 0,036 0,023 1600 0,253 0,225 0,110 0,064 0,035 0,021 1800 0,248 0,219 0,107 0,062 0,033 0,019 2000 0,238 0,211 0,103 0,060 0,031 0,016 2150 0,228 0,202 0,099 0,057 0,028 0,013 2500 0,196 0,174 0,085 0,048 0,021 0,005
Biểu đồ nhân tố động học
Xác định khả năng leo dốc: lOMoAR cPSD| 59735610
- Nếu ô tô chuyển động ổn định, thì D = ψ, khi biết hệ số cản lăn của mặt
đường ta có thể xác định được độ dốc lớn nhất mà ô tô có thể khắc phục
được ở một vận tốc cho trước, ta có:
ψ=f +i Mà:
D = ψ → D=f+i↔i=D−f .
- Khả năng leo dốc max (khi xe không tải):
%imax = (Dmax – f).100% = (0,918 - 0,02).100% = 89,8%
- Khả năng leo dốc max (khi xe có tải):
%imax = (Dmax – f).100% = (0,351 - 0,02).100% = 33,1% Trong đó :
+ ψ: hệ số cản tổng cộng của đường
+ f: hệ số cản lăn của mặt đường. f = 0,02
+ i: độ dốc với imax: độ dốc lớn nhất
+ D: nhân tố động học
Xác định khả năng tăng tốc:
Khi cho biết hệ số cản tổng cộng của mặt đường ψ , nhân tố động lực học
D, ta xác định khả năng tăng tốc của ô tô như sau: δi dv
g D=ψ+ . j→ j= =( D−ψ ). g dt δ i
Ở đây ta tính khả năng tăng tốc khi xe di chuyển trên đường phẳng (i=0) dv g j= =(D−f ) . dt δi với: δ
i=1,04±0,05.i2h Tay số 1 2 3 4 5 6 lOMoAR cPSD| 59735610 its 6,58 5,83 2,865 1,7 1 0,722 δ i 3,2 2,74 1,45 1,18 1,09 1,07
Khả năng tăng tốc khi xe không có tải: j (m/s2) ne (v/p) j1 j2 j3 j4 j5 j6 500 2,806 2,895 2,619 1,838 1,086 0,732 700 2,915 3,008 2,723 1,913 1,129 0,756 850 3,01 3,107 2,814 1,978 1,165 0,774 1050 3,13 3,231 2,928 2,058 1,206 0,79 1200 3,245 3,349 3,037 2,132 1,237 0,788 1500 3,321 3,428 3,107 2,171 1,227 0,726 1700 3,295 3,401 3,078 2,143 1,183 0,655 1900 3,216 3,319 3 2,077 1,113 0,56 2150 3,087 3,185 2,872 1,973 1,015 0,439 2300 2,956 3,05 2,743 1,871 0,924 0,332 2500 2,538 2,617 2,335 1,551 0,652 0,028
Khả năng tăng tốc khi xe đầy tải: j (m/s2) ne (v/p) j1 j2 j3 j4 j5 j6 500 0,603 0,615 0,502 0,298 0,113 0,029 700 0,628 0,641 0,526 0,315 0,123 0,034 850 0,65 0,664 0,548 0,33 0,131 0,038 1050 0,678 0,693 0,574 0,349 0,141 0,042 1200 0,704 0,72 0,599 0,366 0,148 0,042 1500 0,722 0,739 0,615 0,375 0,146 0,027 lOMoAR cPSD| 59735610 1700 0,716 0,732 0,609 0,368 0,136 0,011 1900 0,698 0,714 0,591 0,353 0,119 -0,011 2150 0,668 0,683 0,561 0,329 0,097 -0,039 2300 0,637 0,651 0,531 0,306 0,076 -0,064 2500 0,541 0,551 0,437 0,231 0,013 -0,134
6. Tính và vẽ đồ thị tăng tốc của xe V Vtb J Jtb (m/s) (m/s) (m/s2) (m/s2) stt t (s) s (m) 1 0 0 0 0 0 0 0 0 0 2 0,69 0,69 0,35 0,60 0,30 2,30 1,15 0,80 0,80 3 0,83 0,14 0,76 0,63 0,62 0,23 1,37 0,17 0,97 4 0,97 0,14 0,90 0,65 0,64 0,22 1,59 0,20 1,17 5 1,18 0,21 1,08 0,68 0,66 0,31 1,91 0,34 1,50 6 1,46 0,28 1,32 0,70 0,69 0,40 2,31 0,53 2,03 7 1,94 0,49 1,70 0,72 0,71 0,68 2,99 1,16 3,19 8 2,22 0,28 2,08 0,72 0,72 0,39 3,37 0,80 4,00 9 2,50 0,28 2,36 0,70 0,71 0,39 3,77 0,93 4,92 10 2,78 0,28 2,64 0,67 0,68 0,41 4,17 1,07 5,99 11 2,98 0,21 2,88 0,64 0,65 0,32 4,49 0,92 6,91 12 3,47 0,49 3,23 0,54 0,59 0,83 5,32 2,66 9,58 13 3,92 0,45 3,69 0,55 0,55 0,82 6,14 3,02 12,60 14 4,46 0,55 4,19 0,62 0,58 0,94 7,07 3,93 16,52 15 5,10 0,64 4,78 0,61 0,61 1,04 8,11 4,98 21,51 16 5,74 0,64 5,42 0,59 0,60 1,06 9,18 5,76 27,27 17 6,38 0,64 6,06 0,56 0,58 1,11 10,28 6,71 33,97 18 6,85 0,48 6,62 0,53 0,55 0,88 11,16 5,80 39,77 lOMoAR cPSD| 59735610 19 7,97 1,12 7,41 0,44 0,48 2,31 13,47 17,09 56,85 20 8,60 0,63 8,28 0,37 0,40 1,55 15,02 12,87 69,72 21 9,67 1,07 9,13 0,35 0,36 2,98 18,00 27,19 96,91 22 10,75 1,07 10,21 0,33 0,34 3,15 21,15 32,17 129,08 23 11,55 0,81 11,15 0,31 0,32 2,53 23,68 28,25 157,33 24 13,43 1,88 12,49 0,23 0,27 6,99 30,67 87,33 244,66
Đồ thị tăng tốc của xe:
CHƯƠNG II: ĐỘNG HỌC VÀ ĐỘNG LỰC QUAY VÒNG CỦA Ô TÔ 1.
Tính và vẽ bán kính quay vòng vệt bánh xe
Tính và vẽ bán kính quay vòng vệt bánh xe sau phía trong và bánh xe dẫn hướng
phía ngoài (giả sử khoảng cách tâm trục quay đứng đến tâm bánh xe dẫn hướng bằng 250mm).