
















Preview text:
lOMoAR cPSD| 59735516 CSTĐ_Nguyễn Đức Hoàng 2010
Bộ môn ĐKTĐ - Khoa ĐĐT - BKHCM
Bài tập về tiêu chuẩn ổn định đại số Routh – Hurwitz
Bài tập 1: Cho hệ thống như Hình 1. Hệ thống vòng kín có ổn định không? 1000 R(s) C(s) G C (s ) G o (s) G sO( )=
(s+ + +2)(s 3)(s 5) G s Hình 1 C( ) 1= Giải: PTĐT: 1+G s G s ( ) ( ) C 0 =0 1000 ⇔ +1 =0
Bài tập lấy từ sách: Control Systems Engineering by Norman S. Nise 1 lOMoAR cPSD| 59735516 CSTĐ_Nguyễn Đức Hoàng 2010
Bộ môn ĐKTĐ - Khoa ĐĐT - BKHCM (
s+2)(s+3)(s+5)
⇔ +s3 10s2 +31 1030 0s+ = Dùng tiêu chuẩn Routh Bảng Routh: S3 1 31 S2 10→1 1030→103 S1 -72 0 S0 1030 0
(Ở hàng s2 ta chia các hệ số cho 10 để dễ tính toán mà
không ảnh hưởng đến kết quả)
Kết luận: Cột 1 bảng Routh đổi dấu 2 lần nên hệ thống
không ổn định, 2 cực bên phải mpp. Dùng tiêu chuẩn Hurwitz 10 1030 0 Ma trận Hurwitz: H=1 31 0 0 10 1030
Bài tập lấy từ sách: Control Systems Engineering by Norman S. Nise 2 lOMoAR cPSD| 59735516 CSTĐ_Nguyễn Đức Hoàng 2010
Bộ môn ĐKTĐ - Khoa ĐĐT - BKHCM ∆ = >1 1 0
Các định thức con: ∆ =210 1030=310 1030− =−720 0< 1 31 ∆ =3 1030*∆ <2 0
Kết luận: Vì tất cả các định thức con không dương nên hệ không ổn định.
Bài tập 2: Xét ổn định của PTĐT sau:
s5 +2s4 +3s3 +6s2 + + =5 3 0s Giải: Bảng Routh: S5 1 3 5 S4 2 6 3 S3 0 → ε 7/2 0 S2 6 7 3 0 0 S1 42 49 6 0 0 0 S0 3 0 0
Bài tập lấy từ sách: Control Systems Engineering by Norman S. Nise 3 lOMoAR cPSD| 59735516 CSTĐ_Nguyễn Đức Hoàng 2010
Bộ môn ĐKTĐ - Khoa ĐĐT - BKHCM
Kết luận: PTĐT không ổn định, có 2 nghiệm bên phải mpp.
Bài tập 3: Xét ổn định của PTĐT sau:
s5 +7s4 +6s3 +42s2 + + =8 56 0s Giải: Bảng Routh: S5 1 6 8 S4 7→1 42→6 56→8 S3 0→4→1 0→12→3 0→0→0 S2 3 8 0 S1 1/3 0 0 S0 8 0 0
Hàng s3 có các hệ số bằng 0 → lập đa thức phụ
A s( )= +s4 6s2 +8
Bài tập lấy từ sách: Control Systems Engineering by Norman S. Nise 4 lOMoAR cPSD| 59735516 CSTĐ_Nguyễn Đức Hoàng 2010
Bộ môn ĐKTĐ - Khoa ĐĐT - BKHCM ⇒ dA s( ) =4s3 +12s ds
Kết luận: PTĐT ổn định vì các hệ số cột 1 bảng Routh dương.
Bài tập 4: Cho hệ thống như Hình 4. Hệ thống vòng kín có ổn định không? 200 R(s) C(s) G C (s ) G o (s) = G s O( ) 3 2 s s( + + +6s 11 6s ) G s Hình 4 C( ) 1=
ĐS: Hệ thống không ổn định, 2 cực bên phải mpp.
Bài tập 5: Cho hệ thống như Hình 5. Hệ thống vòng kín có ổn định không? 1
Bài tập lấy từ sách: Control Systems Engineering by Norman S. Nise 5 lOMoAR cPSD| 59735516 CSTĐ_Nguyễn Đức Hoàng 2010
Bộ môn ĐKTĐ - Khoa ĐĐT - BKHCM R(s) C(s) = G C (s ) G o (s) Gs 0() 4 3 2 s s s s s(2 + + + + 3 2 3 2 ) Gs Hình 5 c() 1=
ĐS: Hệ thống không ổn định, 2 cực bên phải mpp.
Bài tập 6: Cho hệ thống như Hình 6. Tìm K để hệ thống vòng kín ổn định? K R(s) C(s) G C (s ) G o (s) G s0( )= s
s( +7)(s+11) G s Hình 6 c( ) 1= ĐS: 0 < K < 1386.
Bài tập lấy từ sách: Control Systems Engineering by Norman S. Nise 6 lOMoAR cPSD| 59735516 CSTĐ_Nguyễn Đức Hoàng 2010
Bộ môn ĐKTĐ - Khoa ĐĐT - BKHCM
Bài tập 7: Cho hệ thống như Hình 7. Tìm K để hệ thống vòng kín ổn định? K s( +20) R(s) C(s) G C (s ) G o (s) G s0( )= s s( +2)(s+3) G s Hình 7 c( ) 1= ĐS: 0 < K < 2.
Bài tập 8: Xét ổn định của hệ thống được cho bởi hệ PTTT sau: 0 3 1 10
x= −210 − −85 21 x+ 00
Bài tập lấy từ sách: Control Systems Engineering by Norman S. Nise 7 lOMoAR cPSD| 59735516 CSTĐ_Nguyễn Đức Hoàng 2010
Bộ môn ĐKTĐ - Khoa ĐĐT - BKHCM
y=[1 0 0]x
Tính ĐTĐT: det(sI-A)=0 rồi dùng tiêu chuẩn Routh hoặc Hurwitz.
ĐS: Hệ thống không ổn định, 1 cực bên phải mpp.
Bài tập 9: Xét ổn định của hệ thống được cho bởi hệ PTTT sau: 2 1 1 0
x= −1 7 13 4 −5 x+ 10
y=[0 1 0]x
Tính ĐTĐT: det(sI-A)=0 rồi dùng tiêu chuẩn Routh hoặc Hurwitz.
ĐS: Hệ thống không ổn định, 2 cực bên phải mpp.
Bài tập lấy từ sách: Control Systems Engineering by Norman S. Nise 8 lOMoAR cPSD| 59735516 CSTĐ_Nguyễn Đức Hoàng 2010
Bộ môn ĐKTĐ - Khoa ĐĐT - BKHCM
Bài tập 10: Cho hệ thống có hàm truyền G0(s) sau: 0.25K s( + 0.435) G s ( ) 0
= s4 +3.456s3 +3.457s2 + 0.719s+ 0.0416
Tìm điều kiện của K để hệ thống hồi tiếp âm đơn vị ổn định.
ĐS: -0.382 < K < 25.87.
Bài tập 11: Cho hệ thống có hàm truyền vòng kín Gk(s) sau: G s ( )= k s3
+151.32s76.392 +198Ks+ 76.39K
Tìm điều kiện của K để hệ thống ổn định. ĐS: 0 < K < 392.2.
Bài tập lấy từ sách: Control Systems Engineering by Norman S. Nise 9 lOMoAR cPSD| 59735516 CSTĐ_Nguyễn Đức Hoàng 2010
Bộ môn ĐKTĐ - Khoa ĐĐT - BKHCM
Bài tập 12: Cho hệ thống có hàm truyền vòng kín Gk(s) sau:
(0.25s+ 0.10925)K G s ( ) k = 4 3 2
s +3.483s +3.465s + 0.25(K + 2.4288)s+ 0.10925K
Tìm điều kiện của K để hệ thống ổn định. ĐS: 0 < K < 26.42.
Bài tập 13: Cho hệ thống có hàm truyền G0(s) sau: G s ( ) 0 = K
s(s(−+23)()s(s−+45))
Tìm điều kiện của K để hệ thống hồi tiếp âm đơn vị ổn định.
Bài tập lấy từ sách: Control Systems Engineering by Norman S. Nise 10 lOMoAR cPSD| 59735516 CSTĐ_Nguyễn Đức Hoàng 2010
Bộ môn ĐKTĐ - Khoa ĐĐT - BKHCM ĐS: K > 6/8.
Bài tập 14: Cho hệ thống có hàm truyền G0(s) sau:
K s( + 2)(s− 2) ( )= ( ) G s0 2 s +3
Tìm điều kiện của K để hệ thống hồi tiếp âm đơn vị ổn định. ĐS: -1 < K < 3/4.
Bài tập 15: Cho hệ thống có hàm truyền G0(s) sau: K s( +1) G s ( ) ( 0 = s s4 + 2)
Tìm điều kiện của K để hệ thống hồi tiếp âm đơn vị ổn định. ĐS: Không tồn tại K.
Bài tập lấy từ sách: Control Systems Engineering by Norman S. Nise 11 lOMoAR cPSD| 59735516 CSTĐ_Nguyễn Đức Hoàng 2010
Bộ môn ĐKTĐ - Khoa ĐĐT - BKHCM
Bài tập 16: Cho hệ thống có hàm truyền G0(s) sau: G s ( ) 0
= K s( − 2()(2s+ 4))(s+5) s +3
Tìm điều kiện của K để hệ thống hồi tiếp âm đơn vị ổn định. ĐS: 1/54 < K < 3/40.
Bài tập 17: Cho hệ thống có hàm truyền G0(s) sau: K s( + 2)
Bài tập lấy từ sách: Control Systems Engineering by Norman S. Nise 12 lOMoAR cPSD| 59735516 CSTĐ_Nguyễn Đức Hoàng 2010
Bộ môn ĐKTĐ - Khoa ĐĐT - BKHCM ( )= ( ) G s0 2
s +1 (s+ 4)(s−1)
Tìm điều kiện của K để hệ thống hồi tiếp âm đơn vị ổn định. ĐS: Không tồn tại K.
Bài tập 18: Cho hệ thống có hàm truyền G0(s) sau: G s ( ) 0 =
(s+15)(s+K27)(s+38)
Tìm điều kiện của K để hệ thống hồi tiếp âm đơn vị dao động.
ĐS: K = 144690, tần số dao động 44.73 rad/s.
Bài tập lấy từ sách: Control Systems Engineering by Norman S. Nise 13 lOMoAR cPSD| 59735516
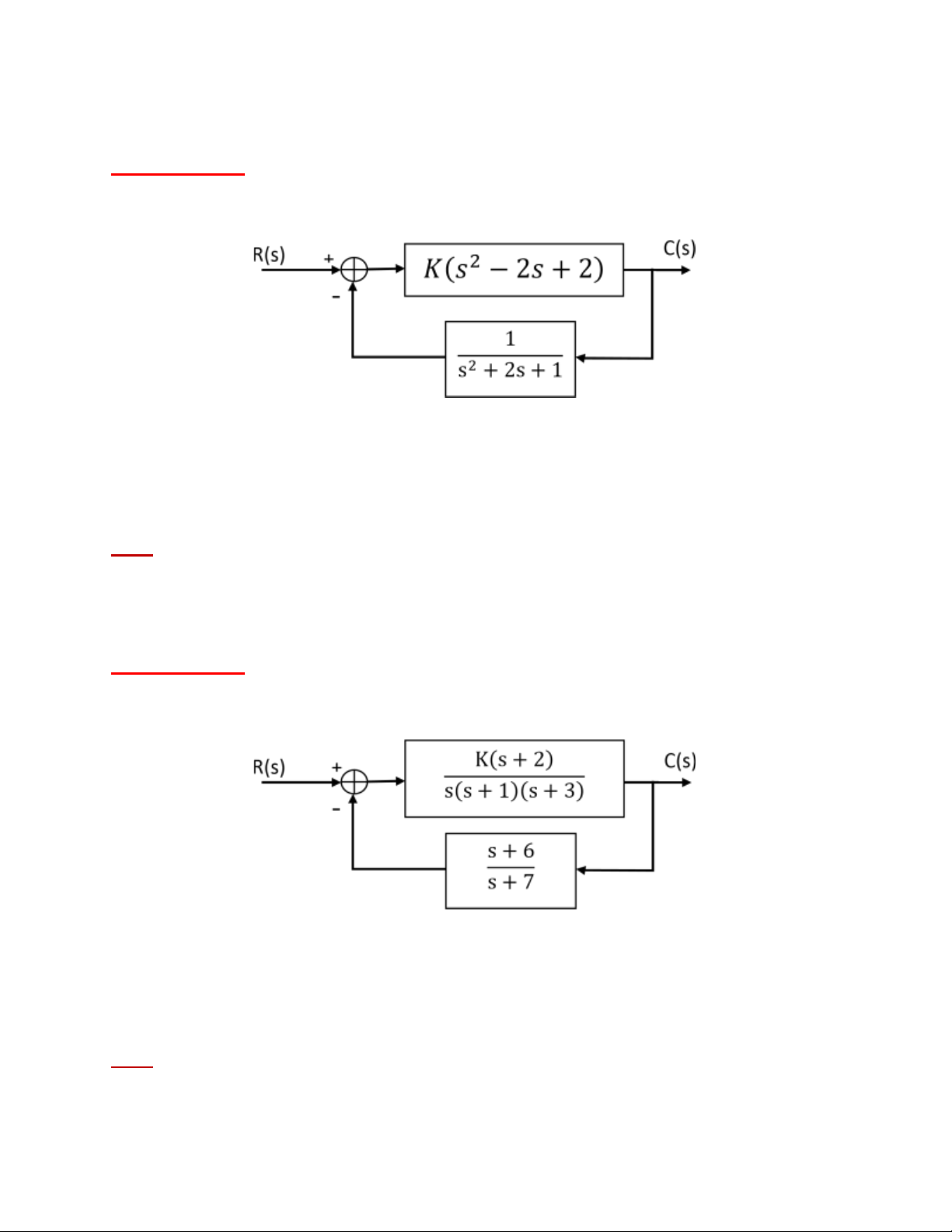
CSTĐ_Nguyễn Đức Hoàng 2010 Bộ môn ĐKTĐ - Khoa ĐĐT - BKHCM Cho hệ thống sau: Bài tập 19: Hình 19
Tìm điều kiện của K để hệ thống kín ổn định. ĐS: -1/2 < K < 1.
Bài tập 20: Cho hệ thống sau: Hình 20
Tìm điều kiện của K để hệ thống kín ổn định. ĐS: 0 < K.
Bài tập lấy từ sách: Control Systems Engineering by Norman S. Nise 14 lOMoAR cPSD| 59735516
CSTĐ_Nguyễn Đức Hoàng 2010 Bộ môn ĐKTĐ - Khoa ĐĐT - BKHCM Cho hệ thống sau: Bài tập 21: Hình 21
Tìm điều kiện của K để hệ thống kín ổn định. ĐS: -0.36772 < K.
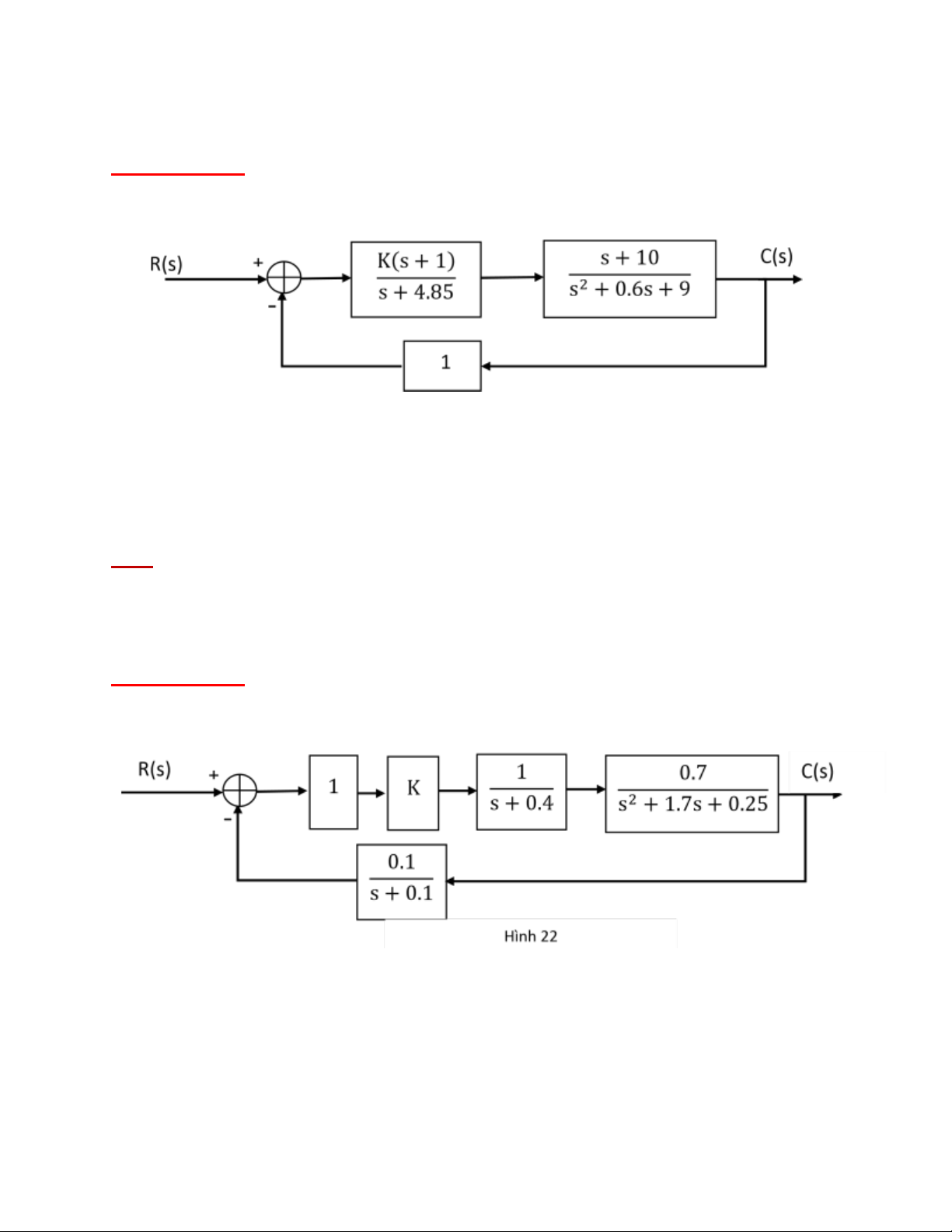
Bài tập 22: Cho hệ thống sau:
Tìm điều kiện của K để hệ thống kín ổn định.
Bài tập lấy từ sách: Control Systems Engineering by Norman S. Nise 15 lOMoAR cPSD| 59735516
CSTĐ_Nguyễn Đức Hoàng 2010 Bộ môn ĐKTĐ - Khoa ĐĐT - BKHCM Cho hệ thống sau:
ĐS: -0.1429 < K < 1.1759. Bài tập 23: s Hình 23
Tìm điều kiện của K để hệ thống kín ổn định. ĐS: 0 < K < 29908.07.
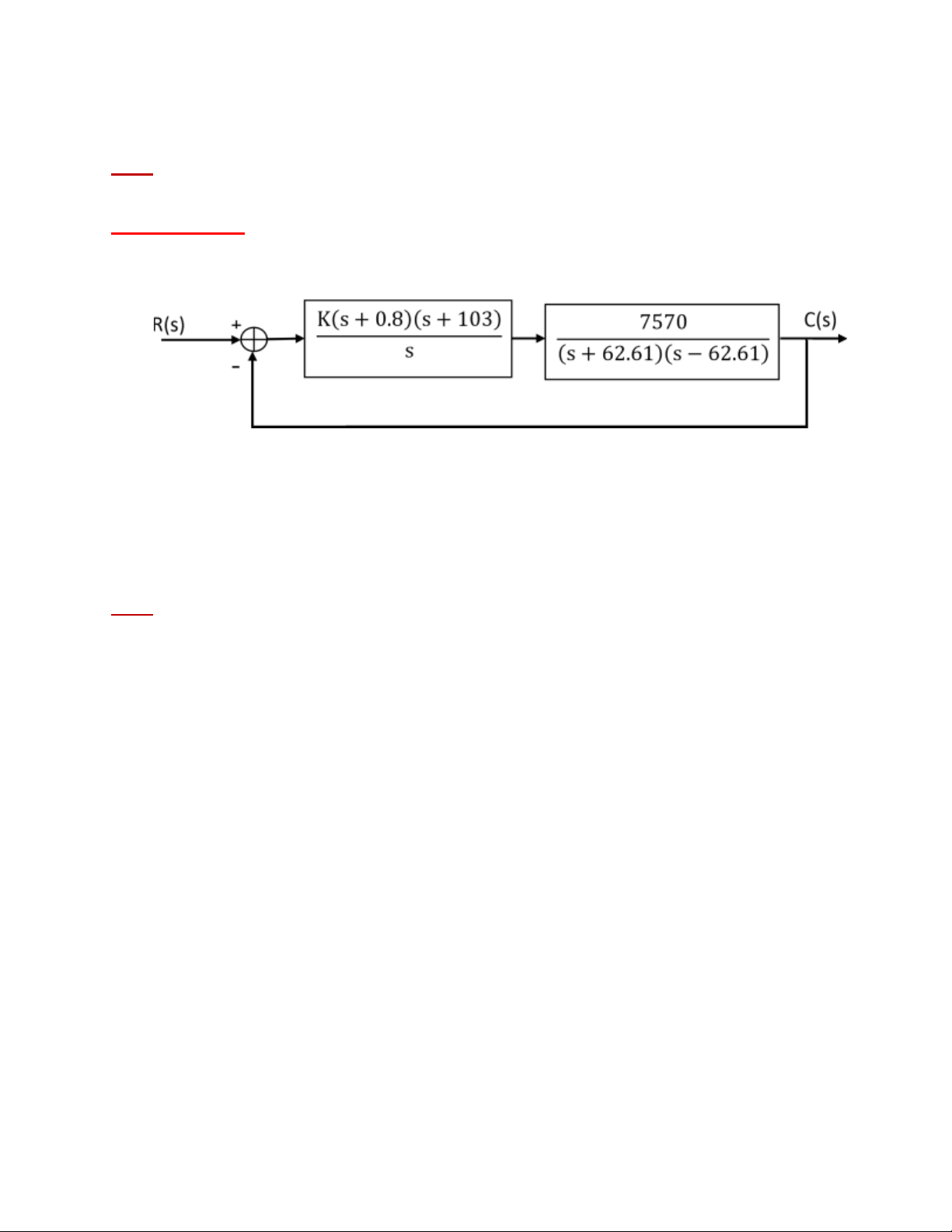
Bài tập 24: Cho hệ thống sau: Hình 2 4
Tìm điều kiện của K để hệ thống kín ổn định.
Bài tập lấy từ sách: Control Systems Engineering by Norman S. Nise 16 lOMoAR cPSD| 59735516
CSTĐ_Nguyễn Đức Hoàng 2010 Bộ môn ĐKTĐ - Khoa ĐĐT - BKHCM Cho hệ thống sau: ĐS: 0 < K < 1.0192. Bài tập 25: Hình 25
Tìm điều kiện của K để hệ thống kín ổn định. ĐS: 0.00509 < K.
Bài tập lấy từ sách: Control Systems Engineering by Norman S. Nise 17