








Preview text:
  lOMoAR cPSD| 58675420  
BÁO CÁO BÀI TẬP LỚN MÔN HỌC 
PHÂN TÍCH THIẾT KẾ HỆ THỐNG QUẢN LÝ HOẠT ĐỘNG ĂN  UỐNG NHÀ HÀNG 
Giáo viên hướng dẫn: VŨ ANH 
HÙNG Nhóm 14. Lớp CT701 Thành  viên nhóm gồm:  1. Đỗ Trọng Phú  2. Đinh Mạnh Hà 
3. Nguyễn Văn Thành   4.Nguyễn Đức Toàn                              lOMoAR cPSD| 58675420
I-/ Khảo sát hiện trạng và thu thập thông tin 
1. Mẫu kế hoạch phỏng vấn 
Kế hoạch phỏng vấn 
Người phỏng vấn : - Nguyễn Đức Toàn 
Người được hỏi: Nguyễn Ngọc Hà   - Đỗ Trọng Phú 
Địa chỉ : nhà hàng “TT DD phục hồi CN” 
Thời gian hẹn : 8h30’  Đối tượng : 
 Người được phỏng vấn là người làm các công việc quản lý nhà hàng. 
Trình độ của người được hỏi: Mục đích của công việc phỏng vấn là Có 
ít nhất 2 năm kinh nghiệm hiểu được công việc quản lý hoạt động ăn uống  nhà hàng.  Chương trình :  Thời gian :  1 Giới thiệu 1 phút 
2 Tổng quan về phỏng vấn , chủ đề 2 phút sẽ đề cập  Câu hỏi :   
 Câu1 : Bác có thể giới thiệu về tổng quan 
cấu trúc, thành phần của nhà hàng  được không ạ?   5 phút 
 Câu 2 : Những lĩnh vực nhà hàng có 
thể phục vụ cho khách là những gì ạ? 5 phút Câu 3: 
Thế nhập thực phẩm của nhà  hàng như thế nào?   5 phút   Câu …: ….  Tổng hợp các nội dung  Kết thúc phỏng vấn   5 phút 
(Dự kiến tổng cộng 45 phút)  1.2 Phiếu phỏng vấn  Phiếu phỏng vấn    lOMoAR cPSD| 58675420
Người phỏng vấn : - Nguyễn Đức Toàn 
Người được hỏi: Nguyễn Ngọc Hà   - Đỗ Trọng Phú 
Địa chỉ : nhà hàng “TT DD phục hồi CN” Thời gian hẹn : 8h30’ Đối  tượng : 
 Người được phỏng vấn là người làm các công việc quản lý nhà hàng. Người được pv là: Bác 
Nguyễn Ngọc Hà, là giám đốc Mục đích của công việc phỏng vấn điều hành của nhà hàng, đã 
có 6 năm kinh nghiệm. là hiểu được công việc quản lý hoạt động ăn uống nhà hàng.    Câu hỏi  Ghi chú 
 Câu1 : Bác có thể giới thiệu về - uh, được. Bác nói trước …. Cửa hàng bác có một tổng quan 
cấu trúc, thành phần của ban bảo vệ gồm 5 người (3 sáng, 2 tối), 1 bộ phận nhà hàng được không 
ạ? nhà bếp 12 người trong đó có 1 bếp trưởng người 
TQ, tiếp tân 10 người, kế toán 2 người (1 tr, 1 ph), 
2 thủ kho (1tr, 1ph). Bác là giám đốc điều hành nhà    hàng này, … 
 Câu 2 : Những lĩnh vực mà nhà - Cửa hàng bác phục vụ khách hàng ăn uống, khách hàng có 
thể phục vụ cho khách là có thể yêu cầu những món ăn như những cửa hàng những gì ạ? khác, 
các cháu cũng có thể đặt tiệc liên hoan lớp, hoặc phục vụ tổ chức đám cưới. Nhưng chức năng  chính của 
cửa hàng phục vụ những món ăn chữa bệnh, mỗi món ăn 
của bác là một bài thuốc. Đây, các cháu thấy …   
Câu 3: Thế nguồn nhập thực phẩm - Thực phẩm bác có thể nhập ở VN, 1 số vị thuốc cũng của 
nhà hàng như thế nào? có thể nhập ở VN như yến, … Nhưng vị thuốc chủ yếu nhập từ TQ. Chúng 
đắt lắm nên mỗi lần nhập .. Câu …: …. 
4. Tổng hợp các nội dung  5. Kết thúc phỏng vấn 
 - Đây là người có nhiều kinh nghiêm, cẩn thận, … 
Đánh giá chung: nhân viên có thái độ phục vụ tốt 
1.3 Lưu đồ công việc khi phỏng vấn    lOMoAR cPSD| 58675420  
1.6 Bảng tổng hợp công việc  Số tt  Mô tả công việc 
Vị trí làm Tầm xuất   Hồ sơ  Hồ sơ  việc  vào  ra  T1 
Lập và chuyển đơn hàng: Xuất phát từ  Quản lý  D1  D3 
yêu cầu cung ứng, báo giá, đơn hàng lập kho hàng  D2  D4 
và chuyển đi bằng điện thoại (80%), viết 
(20%) , sắp các đơn hàng vào sổ đặt hàng 
để đối chiếu, theo dõi.  T2 
Tiếp nhận và kiểm phiếu:  T3 
Tiếp nhận và nhập hàng:      lOMoAR cPSD| 58675420 1  .7 Bả  
ng tổng hợp hồ sơ, tài liệu  Số tt  Tên – vai trò 
Công việc liên quan  D1 
Phiếu nhập hàng: Ghi hàng hóa xuất hay nhập  T1  D2 
Sổ thực đơn: Định mức hàng hóa  T1  D3 
Đơn đặt hàng: ghi lượng hàng đặt gửi nhà cung cấp  T1  D4 
Sổ đặt hàng: tập hợp các đơn hàng đã đặt  T1, T2  D5 
Phiếu giao hàng: Ghi số lượng hàng nhà cung cấp phát ra  T2, T3 
1.8 Bảng tổng hợp từ điển dữ liệu    Số  Tên gọi  Kiểu  Cỡ  Khuôn   Lĩnh vực   Quy tắc ràng buộc  tt  Ý nghĩa  dạng  1 
Ngày lập phiếu nhập Ngày    14 dd/mm/yy Kế toán  Chữ thường hoặc số  2  Số hóa đơn  Ký tự  14  Kế toán  Chữ thường hoặc số  3  Tên hàng hóa  Ký tự  14  Kế toán  Chữ hoa, đậm  4  Ngày làm hóa đơn  Ngày  14  dd/mm/yy Kế toán  Chữ thường hoặc số  …  ………  …  …  …  …  …    II-/ Mô tả bài toán 
1. Mô tả bằng sơ đồ    lOMoAR cPSD| 58675420
a. Mô tả bằng hình vẽ: 
Vườn hoa, cây cảnh  Nhà   kho   Kế toán  Nơi   Ăn   uống   của   Nhà   khách   hàng  Bếp  Bảo  Khu để xe   vệ  Cổn  g   
2. Mô tả bằng lời: 
Qua đi khảo sát thực tế và thu thập thông tin về “Quản lý nhà hàng ” 
của TRUNG TÂM DINH DƯỠNG PHỤC HỒI CHỨC NĂNG tại số 48 Cát 
Bi – Hải An – HP (điện thoại: 031.726.212) chúng em mô tả hoạt động của  nhà hàng như sau: 
Nhà hàng có một cổng vừa để khách ra vào vừa để nhập hàng. Nhà hàng 
chia làm 6 khu vực, mỗi khu vực làm những nhiệm vụ khác nhau: Bảo vệ, khu 
để xe, nhà bếp, kế toán, khu ăn uống, nhà kho. 
1. Nhà hàng nhận các thông tin chi tiết về các thực phẩm hoặc các 
vịthuốc của nhà cung cấp (sau khi đã có yêu cầu nhập hàng). Nội dung của tờ 
rơi này ghi rõ tất cả các thông tin về thực phẩm hoặc các vị thuốc như: xuất 
xứ, giá, cách bảo quản, cách sử dụng, tác dụng, ….. Nếu có nhu cầu lấy các 
thực phẩm hoặc các vị thuốc này nhà hàng sẽ gửi đơn đặt hàng cho nhà cung 
cấp. Sau đó tiến hành làm thực đơn các món ăn liên quan đến các thực phẩm 
hoặc các vị thuốc cho khách hàng.    lOMoAR cPSD| 58675420
2. Nhà cung cấp đáp ứng nhu cầu nhập hàng của nhà hàng bằng 
việcchuyển hàng cho nhà hàng kèm theo đơn đặt hàng và kèm theo hóa đơn 
thanh toán tiền của các thực phẩm hoặc các vị thuốc 
3. Nhà hàng nhập các thực phẩm hoặc các vị thuốc thông qua biên 
laithanh toán tiền và phiếu nhập kho. 
4. Khi khách hàng vào nhà hàng thì nhân viên nhà hàng chuyển 
chokhách hàng thực đơn. Khách hàng có nhu cầu thưởng thức các món ăn sẽ 
đọc các yêu cầu của mình cho nhân viên ghi vào phiếu yêu cầu (tên món ăn, 
đồ uống, quy cách, số lượng, …..). Từ đó các phiếu yêu cầu sẽ chuyển tới nhà  bếp. 
5. Nhà bếp dựa vào phiếu yêu cầu của khách để từ đó định lượng racác 
thực phẩm cần thiết để chế biến các món ăn cho khách hàng và yêu cầu bộ 
phận thủ kho xuất thực phẩm theo yêu cầu 
6. Khi ăn uống xong khách sẽ nhận hóa đơn thanh toán và dựa vàohóa 
đơn đó thì sẽ thanh toán với bộ phận kế toán của nhà hàng. 
7. Sau mỗi tuần, mỗi tháng và sau một năm bộ phận kế toán sẽ tổng 
hợp tình hình khách hàng, nhập thực phẩm, thực phẩm còn trong kho cho ban  lãnh đạo. 
III-/ Mô hình nghiệp vụ 
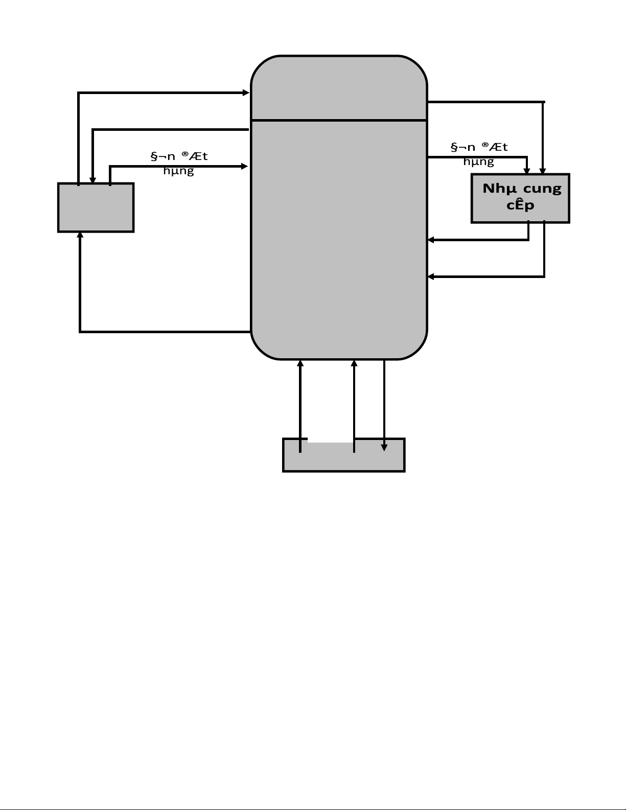
3.1 Thiết lập biểu đồ ngữ cảnh của hệ thống    lOMoAR cPSD| 58675420 PHIÕU  Phiếu yêu cầu  0 
Phiếu yêu cầu nhập sản phẩm  Bảng báo giá      HỆ THỐNG      QUẢN LÝ    KHÁCH  HOẠT ĐỘNG    HÀNG  ĂN UỐNG  NHÀ HÀNG  Thông tin sản phẩm  Hóa đơn thanh toán  Hóa đơn thanh toán  Yêu  cầu  Báo  Thông  báo  cáo o  tin  cáo   chỉ  đạo  CHỦ CỬA HÀNG   
3.2 Biểu đồ phân rã chức năng    lOMoAR cPSD| 58675420    
Bài của chúng em chưa hoàn thành, nhưng chắc chắn ngày bảo 
vệ chúng em sẽ hoàn thành, mong thầy thông cảm!