









Preview text:
lOMoAR cPSD| 61570513
Đ Ạ I H Ọ C BÁCH KHOA HÀ N Ộ I
TRƯ Ờ NG ĐI Ệ N – ĐI Ệ N T Ử --- --- BÁO CÁO TH ỰC HÀNH LÝ THUYẾT MẠCH I
Giáo viên hư ớ ng d ẫ n: Ph ạ m H ồ ng H ả i
Sinh viên th ự c hi ệ n: Nguy ễ n M ạ nh Tu ấ n
L ớ p: K ĩ thu ậ t Đ i ề u khi ể n - T ự đ ộ ng hóa 07 - K 6 6
Mã l ớ p thí nghi ệ m: 725799
Năm h ọ c 202 2 - 202 3
BÀI THÍ NGHIỆM LTM : 01 lOMoAR cPSD| 61570513
TÍNH CHẾ ĐỘ XÁC LẬP ĐIỀU HÒA TRONG MẠCH ĐIỆN TUYẾN TÍNH
BẰNG MÁY TÍNH DÙNG PHẦN MỀM MATLAB
I. Mục đích thí nghiệm
Bài thí nghiệm này giúp cho sinh viên biết sử dụng chương trình MATLAB
để tính chế độ xác lập điều hòa trong mạch điện tuyến tính bằng.
1) Phương pháp dòng vòng 2)Phương pháp thế nút
II. Nội dung thí nghiệm Bài 1: Mạch hình 3
Z1 = 30+j40(Ω); Z2 = 20+j10(Ω) R3=10; R4=15; R5=20 (Ω) L 3= 0.2; L4=0.3; L5=0.4 (H) Z6=10+20j (Ω) M J6 = 10∠30° ( A)
E1 = 100(V ) E2 =200∠60° (V ) f =60(Hz)
B=[1 0 1 1 0 0; 0 1 1 0 1 0; 0 0 0 -1 1 1]; Enh=[E1;E2;0;0;0;0]; Jnh=[0;0;0;0;0;J6];
Z3=R3+j*2*pi*f*L3;Z4=15+j*2*pi*f*L4;Z5=20+j*2*pi*f*L5; Z35=j*2*pi*f*0.6*sqrt(L3*L5); Z53=Z35;
Znh=[Z1 0 0 0 0 0; 0 Z2 0 0 0 0; 0 0 Z3 0 Z35 0; 0 0 0 Z4 0 0;
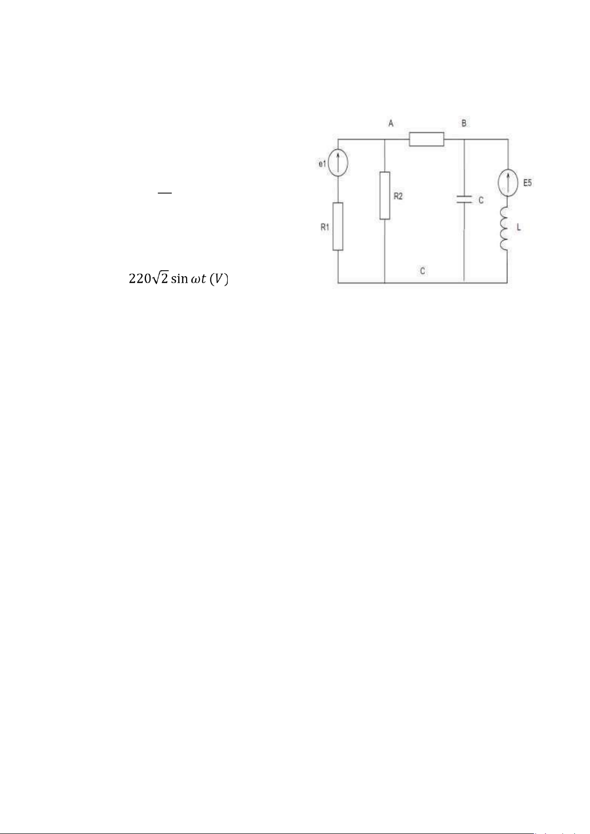
0 0 Z53 0 Z5 0; 0 0 0 0 0 Z6]; Zv=B*Znh*B'; Ev=B*(Enh-Znh*Jnh); Iv=inv(Zv)*Ev; Inh=B'*Iv Unh=Znh*(Inh+Jnh)-Enh lOMoAR cPSD| 61570513 Sng=(Inh+Jnh)'*Enh+Jnh'*Unh Bài 2: Mạch hình 4 R1= R2 = 200(Ω); R3= 10(Ω);
𝑊𝐿 = 𝑊𝐶 1 = 100 (Ω); f = 50(𝐻𝑧) E5=200(V)=const; e1= ; H.4
B=[1 1 0 0 0; 0 -1 1 1 0; 0 0 0 1 1]; Enh=[E1;0;0;0;E5]; Jnh=[0;0;0;0;0];
Z1=R1;Z2=R2;Z3=R3;Z4=1/(j*WC);Z5=j*WL;
Znh=[Z1 0 0 0 0; 0 Z2 0 0 0; 0 0 Z3 0 0; 0 0 0 Z4 0; 0 0 0 0 Z5]; Zv=B*Znh*B'; Ev=B*(Enh-Znh*Jnh); Iv=inv(Zv)*Ev; Inh=B'*Iv; Inh3=Inh(3) Pe1=E1*Inh(1) Inh3 = 0.0000 + 2.0000i Pe1 = 1.2100e+02 + 2.2000e+02i lOMoAR cPSD| 61570513
BÀI THÍ NGHIỆM LTM : 02
CÁC HIỆN TƯỢNG CƠ BẢN - PHẦN TỬ CƠ BẢN R, L, C TRONG MẠCH ĐIỆN CÓ NGUỒN HÌNH SIN
I. Mục đích thí nghiệm
1. Sinh viên có hiểu biết tổng quan về phòng thí nghiệm lý thuyết mạch khi
lần đầu tiên đến phòng thí nghiệm.
- Khả năng phòng thí nghiệm
- Nội quy phòng thí nghiệm
- Nguyên tắc sử dụng thiết bị của phòng thí nghiệm
2. Nghiệm chứng các hiện tượng cơ bản trên các phần tử R, L, C quan hệ dòng,
áp trên các phần tử đó. Các mạch ghép nối, quan hệ dòng, áp, công suất, hệ số
co𝒔𝝋 khi ta đặt vào nguồn điện áp hình sin có tần số f = 50Hz.
II. Nội dung thí nghiệm
1. Mạch thuần điện trở:
Đặt nguồn điện áp hình sin với trị hiệu dụng U = 12(V); R = 50(Ω) có trên bảng mạch.
Dùng Powermeter đo: UR = 11.629 V IR = 0.228 A PR = 2.696 W Co𝑠 = 1 Tính giá trị của: Điện trở R: R= 𝑈𝐼𝑅𝑅
Nghiệm lại các quan hệ đã học trong lý thuyết:
𝑃𝑅(𝐿𝑇) = 𝑈𝑅𝐼𝑅𝑐𝑜𝑠𝜑 = 2.651 ≈ 𝑃𝑅(𝑇𝑁) Kết quả thí nghiệm
cho thấy công suất P được tính gần đúng với lý thuyết .
2. Mạch thuần điện cảm:
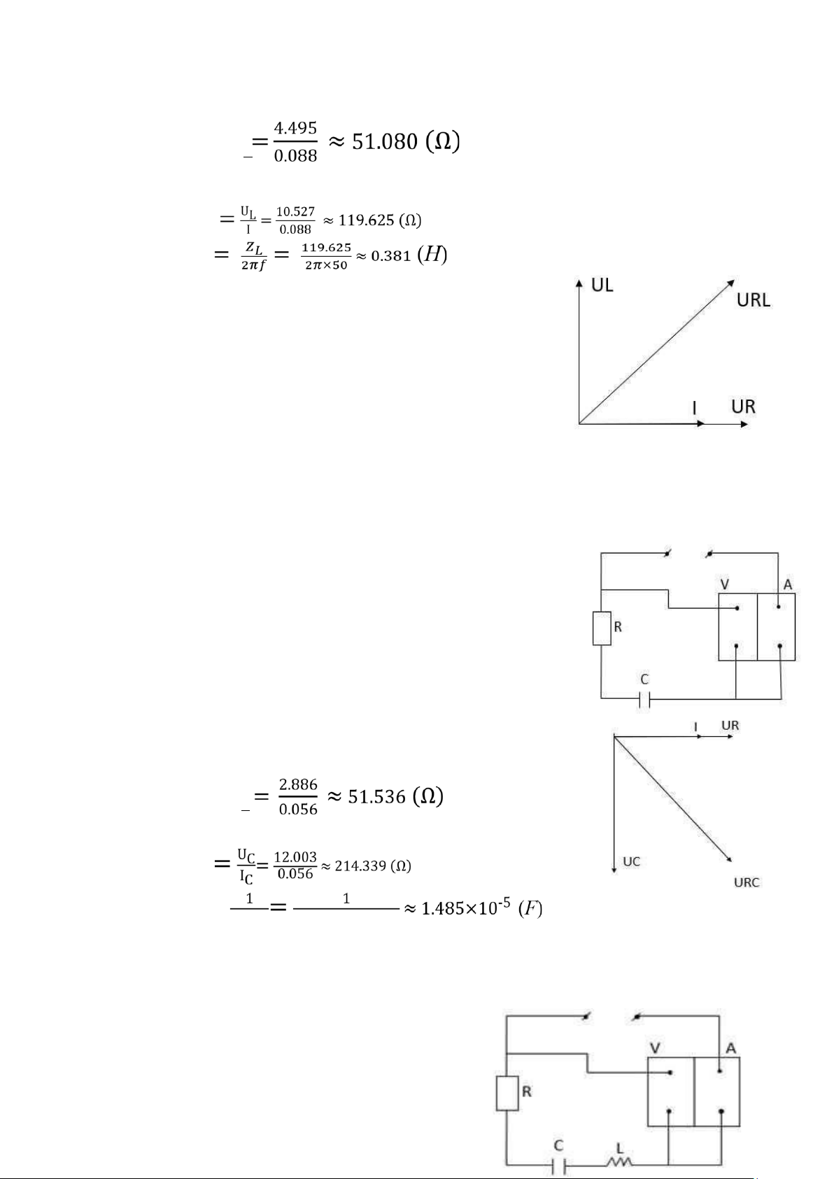
Đặt nguồn điện áp hình sin với trị hiệu dụng U = 12(V) có trên bảng mạch. Dùng Powermeter đo: UL = 11.929 V IL = 0.381 A QL = 4.396 VAr Cos = 0.185 lOMoAR cPSD| 61570513 Tính giá trị của Điện cảm L: 𝑍𝐿 𝐿 𝐿
Nghiệm lại các quan hệ đã học trong lý thuyết
Q𝐿(𝐿𝑇) = 𝑈𝐿𝐼𝐿sin𝜑 = 4.466 (Var) ≈ Q𝐿(𝑇𝑁)
Kết quả thí nghiệm cho thấy công suất Q được tính đúng với lý thuyết
3. Mạch thuần điện dung
Đặt nguồn điện áp hình sin với trị hiệu dụng U = 12(V) có trên bảng mạch. Dùng Powermeter đo: UC = 12.005 V IC = 0.076 A QC = 0.912 Var Co𝑠𝜑= 0.014 Tính giá trị của Điện dung C: ZC 𝐶 𝐶 2𝜋×50×157.945
Nghiệm lại các quan hệ đã học trong lý thuyết
QC(𝐿𝑇) = 𝑈c𝐼csin𝜑 = 0.912 (Var) ≈ QC(𝑇𝑁)
Kết quả thí nghiệm cho thấy công suất Q được tính đúng với lý thuyết
4. Mạch R-L nối tiếp:
Đặt nguồn điện áp hình sin với trị hiệu dụng U
= 12 (V); R = 50 (Ω) có trên bảng mạch. Dùng Powermeter đo: U = 11.963 V I = 0.088 A UR = 4.495 V UL = 10.527 V P = 0.519 W S = 1.053 VA Co𝑠𝜑= 0.493 Tính giá trị của lOMoAR cPSD| 61570513 Điện trở R: R= UIR Điện cảm L: ZL 𝐿
Nghiệm lại các quan hệ đã học trong lý thuyết
P(𝐿𝑇) = 𝑈𝐼cos𝜑 ≈ 0.519 (W) ≈ P(𝑇𝑁)
S(𝐿𝑇) = 𝑈𝐼 ≈ 1.053 (VA) ≈ S(𝑇𝑁)
UR(𝐿𝑇) = 𝑈cosφ ≈ 5.898 (V) ≈ UR(𝑇𝑁)
UL(𝐿𝑇) = 𝑈sinφ ≈ 10.408 (V) ≈ UL(𝑇𝑁)
Kết quả thí nghiệm cho thấy kết quả thí nghiệm gần đúng với lý thuyết
5. Mạch R-C nối tiếp:
Đặt nguồn điện áp hình sin với trị hiệu dụng U = 12(v); R =
50 (Ω) có trên bảng mạch. Dùng Powermeter đo: U= 12.003 V I = 0.056 A UR = 2.886 V UC = 11.622 V P = 0.166 W S = 0.671 VA Co𝑠𝜑 = 0.247 Tính giá trị của Điện trở R: R= UIR Điện dung C: ZC C= 2π fZC 2π×50×214.339
Nghiệm lại các quan hệ đã học trong lý thuyết
P(𝐿𝑇) = 𝑈𝐼cos𝜑 ≈ 0.166 (W) ≈ P(𝑇𝑁)
S(𝐿𝑇) = 𝑈𝐼 ≈ 0.671 (VA) ≈ S(𝑇𝑁)
UR(𝐿𝑇) = 𝑈cosφ ≈ 2.965 (V) ≈ UR(𝑇𝑁) lOMoAR cPSD| 61570513
UL(𝐿𝑇) = 𝑈sinφ ≈ 11.631 (V) ≈ UL(𝑇𝑁)
Kết quả thí nghiệm cho thấy kết quả thí nghiệm gần đúng với lý thuyết
6. Mạch R-L-C nối tiếp:
Đặt nguồn điện áp hình sin với trị hiệu dụng U = 12(V) có trên bảng mạch. Dùng Powermeter đo: U= 11.903 V I= 0.061 A UR = 3.136 V UL= 16.469 V UC= 5.522 V P = 0.307 W S = 0.725 VA UL Co𝑠𝜑 = 0.422 Tính giá trị của UL-UC U Điện trở R: R= UIR Điện cảm L: UR UC ZL 𝐿 Điện dung C: ZC C= 2π fZC 2π×50×90.525
Nghiệm lại các quan hệ đã học trong lý thuyết
P(𝐿𝑇) = 𝑈𝐼cos𝜑 ≈ 0.306 (W) ≈ P(𝑇𝑁)
S(𝐿𝑇) = 𝑈𝐼 ≈ 0.726 (VA) ≈ S(𝑇𝑁)
UR(𝐿𝑇) = 𝑈cosφ ≈ 5.023 (V) ≈ UR(𝑇𝑁)
UL(𝐿𝑇) =- 𝑈sinφ ≈ 11.631 (V) ≈ UL(𝑇𝑁)
Kết quả thí nghiệm gần đúng với lý thuyết
BÀI THÍ NGHIỆM LTM : 03 lOMoAR cPSD| 61570513
CÁC HIỆN TƯỢNG CƠ BẢN - PHẦN TỬ CƠ BẢN R, L, C TRONG MẠCH
CÓ HỖ CẢM TRONG MẠCH ĐIỆN CÓ KÍCH THÍCH HÌNH SIN
I. Mục đích thí nghiệm
1. Nghiêm chứng lại định luật Kirchoff 1( ∑i = 0)
2. Nghiệm chứng hiện tượng hỗ cảm
- Biết xác định cực cùng tên của hai cuộn dây có hỗ cảm bằng thực nghiệm
- Nghiệm chứng được hiện tương truyền công suất bằng hỗ cảM
II. Nội dung thí nghiệm
1. Nghiệm chứng lại định luật Kirchoff 1( ∑i = 0)
+) Mắc mạch theo sơ đồ H.1
Đặt nguồn điện áp hình sin với hiệu dụng U=12(V)
Giá trị của các phần tử này đã tìm được ở bài thí nghiệm số 02 +) Kết quả đo: U =
24.94 V I1 = 0.252 A co𝑠𝜑1= 0.773 I2= 0.112 A co𝑠𝜑2= 0.07
I3 = 0.358 A H.1 co𝑠𝜑3= 0.222
Chú ý: Sinh viên muốn đo Co𝑠𝜑
của nhánh nào thì phải mắc điện áp của
nhánh đó vào Powermeter đang đo dòng điện của nhánh đó +) Nghiệm chứng
lại định luật Kirchhoff 1: I2 ∠ φ2 + I3 ∠ φ3 ≈ I1∠φ1
2. Nghiệm chứng hiện tượng hỗ cảm:
+) Hiện tượng hỗ cảm ( mắc mạch theo sơ
Hai cuộn dây có quan hệ hỗ cảm lấy trên bảng mạch.
Đặt nguồn điện áp hình sin với hiệu dụng
U=24(V); f = 50(Hz) Đo điện áp cuộn 22* hở mạch, đó chính là điện áp hỗ cảm U * 22 = 13.79 V
+) Xác định cặp cùng tính của 2 cuộn dây hỗ cảm
- Mắc mạch theo sơ đồ H.3 lOMoAR cPSD| 61570513
Đặt nguồn điện áp hình sin với hiệu dụng U=24(V); f = 50(Hz) Đo điện áp: U11’ = 12.94 (V) U22’ =11.91 (V) -
Mắc mạch theo sơ đồ H.4
Hai cuộn dây được nối theo thứ tự ngược lại với H.3. Đặt nguồn điện áp
hình sin với hiệu dụng U=24(V); f = 50(Hz) Đo điện áp: U11’ = 12.07 (V) U2’2 = 11.72 (V)
So sánh độ lớn của U22’ > U2’2 và ra cặp cùng tên là 1-2 và 1’- 2’ 22
3. Truyền công suất bằng hỗ cảm - Mắc mạch theo sơ đồ H.5
Đặt nguồn điện áp hình sin với hiệu dụng U=24(V); f=50(Hz) H.5
Dùng Powermeter đo điện áp: U11’ = 24.32 (V) U *
22 = 14.38 (V) Đo công suất trên R biết
được công suất truyền bằng hỗ cảm từ 11’ sang 22’ P = 3.966 (W)
Hệ số biến áp khi có tải R là 𝑈22′ = 0.59 |𝐾𝑈| = 𝑈11′