




































































Preview text:
TRƯỜNG ĐẠI HỌC SƯ PHẠM KỸ THUẬT TP. HỒ CHÍ MINH
KHOA ĐIỆN – ĐIỆN TỬ
MÔN ĐỒ ÁN CUNG CẤP ĐIỆN ĐỀ TÀI ***
THIẾT KẾ HỆ THỐNG CUNG CẤP ĐIỆN
PHÂN XƯỞNG CƠ KHÍ NHẸ
MÃ SỐ LỚP HP: PRES316845_22_1_04
GVHD: LÊ TRỌNG NGHĨA LỚP: NHÓM 04
SVTH: NGUYỄN TRỌNG BẢO MSSV: 20142467
HỌC KỲ: 2 – NĂM HỌC: 2021 – 2022
Tp. Thủ Đức, tháng 12, năm 2022 ĐIỂM SỐ TIÊU CHÍ NỘI DUNG TRÌNH BÀY TỔNG ĐIỂM NHẬN XÉT
........................................................................................................................
........................................................................................................................
........................................................................................................................
........................................................................................................................
........................................................................................................................
........................................................................................................................
........................................................................................................................
........................................................................................................................
........................................................................................................................
........................................................................................................................
........................................................................................................................ Ký tên MỤC LỤC
CHƯƠNG 1: THIẾT KẾ CHIẾU SÁNG CHO PHÂN XƯỞNG CƠ KHÍ .............. 1
CHƯƠNG 2: TÍNH TOÁN PHỤ TẢI CHO TỪNG TỦ ĐIỆN VÀ CHỌN DUNG
LƯỢNG CHO MÁY BIẾN ÁP ..................................................................................... 5
2.1. Phân nhóm phụ tải .................................................................................................. 5
2.2. Các thiết bị trong tủ phân phối DB1 ..................................................................... 6
2.3. Tính toán phụ tải của tủ phân phối BD2 ............................................................. 11
2.4. Tính toán phụ tải cho tủ phân phối DB3 ............................................................. 15
2.5. Tính toán phụ tải cho tủ phân phối DB4 ............................................................. 20
2.6. Tính toán phụ tải đèn và máy biến áp ................................................................. 24
CHƯƠNG 3: SƠ ĐỒ ĐI DÂY CHO PHÂN XƯỞNG CƠ KHÍ NHẸ ..................... 26
3.1. Yêu cầu ................................................................................................................... 26
3.2. Phân tích các phương án đi dây. .......................................................................... 26
3.2.1. Phương án đi dây hình tia. ............................................................................ 26
3.2.2. Phương án đi dây phân nhánh ...................................................................... 27
3.2.3. Phương án đi dây thanh cái. ......................................................................... 28
3.3. Lựa chọn giữa Busway và cáp .............................................................................. 29
3.4. Xác định phương án lắp đặt dây. ......................................................................... 31
CHƯƠNG 4: SƠ ĐỒ DÂY ĐƠN CHO TOÀN PHÂN XƯỞNG ............................. 33
4.1. Sơ đồ dây đơn cho MDB chính ............................................................................ 33
4.2. Sơ đồ dây đơn cho tủ động lực ............................................................................. 33
CHƯƠNG 5: SƠ ĐỒ NGUYÊN LÝ VÀ ĐIỀU KHIỂN TỦ TỤ BÙ CÔNG SUẤT
PHẢN KHÁNG ............................................................................................................ 35
5.1. Đặt vấn đề .............................................................................................................. 35
5.2. Ý nghĩa của việc nâng cao hệ số công suất cos� ................................................ 35
5.3. Các biện pháp nâng cao hệ số công suất cos� .................................................... 36
5.4. Vị trí đặt tụ bù ....................................................................................................... 37
5.5. Xác định dung lượng bù và thiết bị đóng cắt ...................................................... 37
5.6. Sơ đồ mạch động lực và điều khiển tụ bù lắp đặp tại thanh cái ....................... 39
5.6.1. Sơ đồ mạch động lực ...................................................................................... 39
5.6.2. Sơ đồ mạch điều khiển .................................................................................. 39
CHƯƠNG 6: CHỌN DÂY DẪN VÀ CÁP CHO HỆ THỐNG ĐIỆN ..................... 40
6.1. Chọn cáp từ trạm biến áp đến tủ phân phối chính MDB của phân xưởng...... 40
6.2. Chọn dây dẫn từ tủ MDB chính tới từng tủ MDB phụ ..................................... 40
6.3. Từ tủ phân phối chính MDB đến tủ phân phối phụ .......................................... 40
6.4. Từ tủ phân phối MDB đến các tủ PX .................................................................. 43
6.4.1. Từ tủ phân phối MDB1 đến các tủ PX1-1, PX1-2, PX1-3 .......................... 43
6.4.2. Từ tủ phân phối MDB2 đến các tủ PX2-1, PX2-2, PX2-3:......................... 43
6.4.3. Từ tủ phân phối MDB3 đến các tủ PX3-1, PX3-2, PX3-3:......................... 43
6.4.4. Từ tủ phân phối MDB4 đến các tủ PX4-1, PX4-2, PX4-3 .......................... 44
6.5. Từ các tủ PX đến các thiết bị ............................................................................... 44
6.5.1. Từ tủ PX đến các Machine ............................................................................ 44
6.5.2. Từ các tủ PX đến các Pump .......................................................................... 45
6.6. Chọn thiết bị bảo vệ .............................................................................................. 50
6.6.1. Chọn MCCB tổng cho tủ phân phối MDB chính........................................ 51
6.6.2. Chọn MCCB cho các tủ MDB. ..................................................................... 51
6.6.3. Chọn MCCB cho các tủ động lực phân xưởng. .......................................... 52
6.6.4. Chọn MCCB cho các máy PX1 ..................................................................... 52
6.6.5. Chọn MCCB cho các máy PX2 ..................................................................... 53
6.6.6. Chọn MCCB cho các máy PX3 ..................................................................... 54
6.6.7. Chọn MCCB cho các máy PX4 ..................................................................... 54
CHƯƠNG 7: CHỌN THIẾT BỊ KHỞI ĐỘNG ........................................................ 56
CHƯƠNG 8: THIẾT KẾ BỐ TRÍ SƠ BỘ THIẾT BỊ VÀO VỎ TỦ CHO TỦ
MSB ............................................................................................................................... 60
CHƯƠNG 9: SƠ ĐỒ CHI TIẾT BỘ ĐIỀU KHIỂN Y/∆ ĐIỀU KHIỂN THIẾT BỊ
. ...................................................................................................................................... 61
CHƯƠNG 10: ƯỚC TÍNH KHỐI LƯỢNG THIẾT BỊ TỔNG MSB TỦ ĐIỆN
VÀ TỦ TỤ BÙ .............................................................................................................. 63 CHƯƠNG 1
THIẾT KẾ CHIẾU SÁNG CHO PHÂN XƯỞNG CƠ KHÍ
Phân xưởng cơ khí hình chữ nhật có hai ngõ ra vào, hai lối thoát hiểm và thông số sau: - Chiều dài: L=50m. - Chiều rộng: W=20m. - Chiều cao: H= 8m.
Diện tích toàn phân xưởng: 1000�2.
Độ rọi yêu cầu cho phân xưởng cơ khí theo tiêu chuẩn Việt Nam là: ���= 300 Lux.
Hệ số phản xạ (công nghiệp nhẹ): - Trần: 0,5. - Tường: 0,3. - Sàn: 0,2.
Khoảng cách từ đèn tới trần: h=1m.
Độ cao mặt phẳng làm việc: ℎ�� = 0,8�.
Độ cao treo đèn tính từ mặt phẳng làm việc: ��� = � − ℎ − ℎ�� = 8 − 1 − 0,8 = 6,2�.
Chọn loại đèn: sử dụng Bộ đèn LED tròn High Bay 120V-277V - 10,8 ″, 100W, 40K. - Công suất: 100W.
- Hệ số công suất: 0.95 - Quang thông: 16500Lm - Tuổi thọ: 50000 giờ
- Màu ánh sáng: trắng ấm (vàng), trắng.
- Chỉ số hoàn màu: 80 Ra. - Góc mở: 90/120 độ
- Kích thước: D414×H375 (mm)
- Chiều cao lắp đặt từ trên 6m.
- Không nên sáng liên tục quá 10 tiếng đồng hồ.
link tham khảo: https://www-tcpi-com.translate.goog/product/led-round-high-bay-
luminaire-120v-277v-10-8-100w-
40k/?_x_tr_sl=en&_x_tr_tl=vi&_x_tr_hl=vi&_x_tr_pto=sc Catalogue:
https://tcpsalesapp.blob.core.windows.net/specsheets/wf244950_round_high_bay_gen 3.pdf � × � Chỉ số phòng: �� = 50 × 20 = = 2,3 => Ri= 3. �� (�+�) 6,2 (50+20)
Từ chỉ số phòng, hệ số phản xạ ta chọn được hệ số CU(%) theo bảng chỉ số phòng và hệ
số sử dụng của Bộ đèn LED tròn High Bay 120V-277V - 10,8 ″, 100W, 40K. Chọn CU= 0,71.
Chế độ bảo trì 12 tháng/lần. ta chọn RMF= 0,96
Môi trường làm việc: bình thường, khô ráo, có bụi, số giờ đèn làm việc theo thiết kế là
50000h, 1 ngày làm 9 tiếng. Ta chọn: - LLF= 0,94 - LSF= 0,96 - LMF= 0,94
- MF=LLMF×LSF×LMF×RMF= 0,94×1×0,94×0,96=0,85
Hệ số mất mát ánh sáng MF: 0,85 Số bộ đèn: � � � � � � 20 � 50 � 300 = �� = = 29,7 đ
�� � �� � ��� 16500 � 0,71 � 0.85 Ta chọn: 32 bóng đèn.
Phân bố đèn tính theo chiều dài xưởng, L= 50m:
- a=1,008 => L= H×a= 6,2 ×1,008 ≈ 6,25m.
- b= 0,5 => D= L × b= 6,25 × 0,5 ≈ 3,125m.
Phân bố đèn tính theo chiều rộng xưởng, W= 20m:
- a= 0,806 => L= W × a= 6,2 × 0,806 ≈ 5m.
- b= 0,5 => D= L × b= 5 × 0,5 ≈ 2,25m. Công suất tính toán:
- �� = �đ × �đ = 100 × 32 = 3200�. - Cos(�)=0,95 � 3200 - � = � = = 3200� = 3,2��. đ� � 1 - �� = �� = 1 -
��� = �� × �� × �đ� = 1 × 1 × 3,2 = 3,2��.
- ��� = ��� × tan(������(0,95)) = 3,2 × tan(������(0,95)) = 1,05 ����.
- ��� = √�2 + �2 = √1.052 + 3,22 = 3,37 ���. �� ��
SƠ ĐỒ PHÂN BỐ ĐÈN CỦA PHÂN XƯỞNG TRÊN CAD (đơn vị: mm)
SƠ ĐỒ PHÂN BỐ ĐÈN CỦA PHÂN XƯỞNG TRÊN DIAlux evo CHƯƠNG 2
TÍNH TOÁN PHỤ TẢI CHO TỪNG TỦ ĐIỆN VÀ CHỌN DUNG LƯỢNG CHO MÁY BIẾN ÁP
2.1. Phân nhóm phụ tải
Căn cứ vào việc bố trí phân xưởng và yêu cầu làm việc thuận tiện nhất dể làm việc có
hiệu quả nhất thông qua các chức năng của máy móc thiết bị. Ngoài các yêu cầu về kỹ
thuật thì ta phải đạt những yêu cầu về kinh tế. Tuy nhiên một yếu tố quan trọng cần quan
tâm là việc phân nhóm phụ tải sẽ quyết định tủ phân phối trong xưởng, quyết định số
đầu dây ra của tủ phân phối. Phân nhóm phụ tải dựa vào một số yếu tố sau:
- Các thiết bị trong nhóm có cùng một chức năng.
- Phân nhóm theo khu vực: các thiết bị gần nhau thì phân thành một nhóm (mỗi
nhóm có khoảng 10 thiết bị ).
- Phân nhóm có chú ý đến phân đều công suất giữa các nhóm ( không được lệch quá 15%).
- Dòng tải của từng nhóm gần với dòng tải cùa CB chuẩn.
- Số nhóm không nên quá nhiều.
Tùy theo yêu cầu tính toán và những thông tin có được về phụ tải, người thiết kế có thể
lựa chọn các phương pháp thích hợp để xác định phụ tải tính toán. Trong đồ án thiết kế
phân xưởng cơ khí đã cho số liệu về công suất đặt, hệ số cosj, hệ số sử dụng Ku ,hệ số
đồng thời Ks,..vị trí và phân chia các nhóm nên khi tính toán phụ tải động lực của phân
xưởng có thể sử dụng phương pháp xác định phụ tải tính toán theo hệ số đồng thời và
hệ số sử dụng. Phụ tải chiếu sáng của các phân xưởng được xác định theo phương pháp
suất phụ tải trên một đơn vị diện tích sản xuất. Transformer station MV/LV MDB Lighting DB MDB1 MDB2 MDB3 MDB4 PX1-1 PX2-1 PX3-1 PX4-1 Machine A1 Machine B1 Machine C1 Machine D1 Machine A2 Machine B2 Machine C2 Machine D2 Machine A3 Machine B3 Machine C3 Machine D3 Machine A4 Machine B4 Machine C4 Machine D4 PX1-2 PX2-2 PX3-2 PX4-2 Machine A5 Machine B5 Machine C5 Machine D5 Machine A6 Machine B6 Machine C6 Machine D6 Machine A7 Machine B7 Machine C7 Machine D7 Machine A8 Machine B8 Machine C8 Machine D8 PX1-3 PX2-3 PX3-3 PX4-3 PumpA PumpB PumpC PumpD PumpA PumpB PumpC PumpD
2.2. Các thiết bị trong tủ phân phối DB1 Công Điện Dòng Thiết Phas cos Efficien Ptt PX Qtt PX bị suất áp điện e µ t (kw) (kw) (Kw) (V) (A) Machine 3 400 3 5.5 0.85 0.92 A1 Machine 4 400 3 7.6 0.83 0.9 A2 9.8 6.8 Machine 3 400 3 5.9 0.81 0.92 PX1-1 A3 Machine 4 400 3 7.8 0.8 0.91 A4 Machine 4 400 3 7.4 0.85 0.91 A5 10.5 6.8 PX1-2 Machine 5.5 400 3 10.2 0.83 0.92 A6 Machine 4 400 3 7.4 0.84 0.92 A7 Machine 1.5 400 3 2.7 0.85 0.92 A8 5.5 0.85 Pump 3 230 1 7.6 0.83 0.89 A1 5.7 4.1 PX1-3 Pump 4 400 3 5.9 0.81 0.89 A2
Tủ động lực PX1-1
Hệ số đồng thời và hệ số sử dụng: �� = ��= 0,8 �đ�
Dòng điện I được tính bằng công thức: I = √3 ×� � - Tính Pđm = ��������� Pđm 3 1 = = 3,26 (��) 0,92 Pđm 4 2 = = 4,45 (��) 0,9 Pđm 3 = 3,26 (��) = 3 0,92 Pđm 4 4 = = 4,4 (��) 0,91 - Tính Ptt PX1-1
Ptt= �� × �� × (Pđm1 + Pđm2 + Pđm3 + Pđm4 )
= 0.8 × 0.8 × (3,26 + 4,45 + 3,26 + 4,4) = 9,8368 ��
Trong đó: Pđm1,Pđm2, Pđm3, Pđm4 là công suất tác dụng định mức của các máy của
nhóm PX1-1 từ machine 1 đến machine 4
- Tính Qđm = Pđm × tan(arcos(µ))
Qđm1= 3.26 × tan(arcos(0.85))=2.02 (KVar)
Qđm2= 4.45× tan(arcos(0.83))=2.99 (KVar)
Qđm3= 3.26× tan(arcos(0.81))=2.36 (KVar)
Qđm4= 4.4× tan(arcos(0.8))=3.3 (KVar) - Tính Qtt PX1-1
Qtt= �� ∗ �� ∗ ( Qđm1 + Qđm2 + Qđm3 + Qđm4 )
= 0.8 ∗ 0.8 ∗ ( 2.02 + 2.99 + 2.36 + 3.3 ) = 6.8 ����.
Trong đó: Qđm1, Qđm2, Qđm3, Qđm4 là công suất phản kháng định mức của các máy
của nhóm PX1-1 từ machine 1 đến machine 4.
- Tính Sđm = √�đ�2 + �đ�2 Sđm 2 2 1= √Pđm1 + Qđm1
= √3.262 + 2.022 = 3.84 (KVA) Sđm 2 2 2= √Pđm2 + Qđm2
= √4.452 + 3.262 = 5.5 (KVA) Sđm 2 2 3= √Pđm3 + Qđm3 = √3.262 + 2.362 = 4 (KVA) Sđm 2 2 4= √Pđm4 + Qđm4 = √4.42 + 3.32 = 5.5 (KVA) Tính Stt PX1-1
Stt= �� ∗ �� ∗ (Sđm1 + Sđm2 + Sđm3 + Sđm4)
= 0.8 ∗ 0.8 ∗ (3.84 + 5.5 + 4 + 5.5) = 12 ���. Trong đó: Qđm
là công suất biểu kiến định mức của các máy 5,Qđm6, Qđm7, Qđm8
của nhóm PX1-1 từ machine 1 đến machine 4.
Tủ động lực PX1-2.
Hệ số đồng thời và hệ số sử dụng: �� = ��= 0.8 �đ�
Dòng điện I được tính bằng công thức: I = √3 ×� � - Tính Pđm = ��������� Pđm 4 5 = = 4.4 (��) 0.91 Pđm 5.5 6 = = 5.98 (��) 0.92 Pđm7 4 = = 4.35 (��) 0.92 Pđm8 1.5 = = 1.6 (��) 0.92 - Tính Ptt PX1-2
Ptt= �� ∗ �� ∗ (Pđm5 + Pđm6 + Pđm7 + Pđm8)
= 0.8 ∗ 0.8 ∗ (4.4 + 5.98 + 4.35 + 1.6) = 10.45 ��
Trong đó: Pđm5, Pđm6, Pđm7, Pđm8 là công suất tác dụng định mức của các máy của
nhóm PX1-2 từ machine 5 đến machine 8.
- Tính Qđm = Pđm × tan(arcos(µ))
Qđm5= 4.4 × tan(arcos(0.85))=2.7 (KVar)
Qđm6= 5.98× tan(arcos(0.83))= 4 (KVar)
Qđm7= 4.35× tan(arcos(0.84))=2.8 (KVar)
Qđm8= 1.6× tan(arcos(0.85))=0.99 (KVar) - Tính Qtt PX1-2
Qtt= �� × �� × (Qđm5 + Qđm6 + Qđm7 + Qđm8)
= 0.8 ∗ 0.8 ∗ (2.7 + 2.8 + 4 + 0.99) = 6.7 ����.
Trong đó: Qđm5, Qđm6, Qđm7, Qđm8 là công suất phản kháng định mức của các máy
của nhóm PX1-1 từ machine 5 đến machine 8.
- Tính Sđm = √�đ�2 + �đ�2 Sđm 2 2 5= √Pđm1 + Qđm1 = √4.42 + 2.72 = 5.16 (KVA) Sđm 2 2 6= √Pđm2 + Qđm2 = √5.982 + 42 = 7.19 (KVA) Sđm 2 2 7= √Pđm3 + Qđm3
= √4.352 + 2.82 = 5.17 (KVA) Sđm 2 2 8= √Pđm4 + Qđm4
= √1.62 + 0.992 = 1.88 (KVA) - Tính Qtt PX2-2
Stt= �� ∗ �� ∗ (Sđm5 + Sđm6 + Sđm7 + Sđm8)
= 0.8 ∗ 0.8 ∗ (5.16 + 7.19 + 5.17 + 1.88) = 12.4 ���.
Trong đó: Sđm5, Sđm6, Sđm7, Sđm8 là công suất biểu kiến định mức của các máy của
nhóm PX2-2 từ machine 5 đến machine 8.
Tủ động lực PX1-3
Hệ số đồng thời và hệ số sử dụng: �� = 0.8 ��= 0.9
Dòng điện I được tính bằng công thức: �đ� I = ( Dòng điện 3 pha) √3 ×� �đ� I = ( Dòng điện 1 pha) � � - Tính Pđm = ��������� Pđm 3 9 = = 3.37 (Kw) 0.89 Pđm 4 = = 4.5 (Kw) 10 0.89 - Tính Ptt PX1-3
Ptt= �� ∗ �� ∗ (Pđm9 + Pđm10) = 0.8 ∗ 0.9 ∗ (4.5 + 3.37) = 5.7 ��.
Trong đó: Pđm9,Pđm10 là công suất định mức của các máy của nhóm PX1-3 từ Pump 9 đến Pump 10.
- Tính Qđm = Pđm × tan(arcos(µ))
Qđm9= 3.37× tan(arcos(0.83))=2.26 (KVar)
Qđm10= 4.5× tan(arcos(0.8))=3.375 (KVar) - Tính Qtt PX1-3
Qtt= �� ∗ �� ∗ (Qđm9 + Qđm10)
= 0.8 ∗ 0.9 ∗ (2.26 + 3.375) = 4 ����.
Trong đó: Qđm9, Qđm10 là công suất định mức của các máy của nhóm PX1-3 từ pump 9 đến Pump 10.
- Tính Sđm = √�đ�2 + �đ�2 Sđm 2 2 9= √Pđm9 + Qđm9 = √3.372 + 2.262 = 4 (KVA) Sđm 2 2 10= √Pđm10 + Qđm10
= √4.52 + 3.3752 = 5.625 (KVA) - Tính Stt PX1-3
��� = �� ∗ �� ∗ (�đ�9 + �đ�10) = 0.9 ∗ 0.8 ∗ (4 + 5.625) = 6.93 ���.
Trong đó: Sđm9, Sđm10 là công suất định mức của các máy của nhóm PX1-3 từ pump 9 đến Pump 10.
- Tính Ptt (distribution board )
Ptt (distribution) = ��×( Ptt (PX1-1) + Ptt ( PX1-2) + Ptt ( PX1-3))
= 0.9×(9.8+10.45+5.7) =24.5 (Kw)
- Tính Qtt (distribution board )
Qtt (distribution) = ��×( Qtt (PX1-1) + Qtt ( PX1-2) + Qtt ( PX1-3))
= 0.9×(6.8+6.7+4) = 15.75 (KVar)
- Tính Stt ( distribution board)
Stt (distribution) = ��×( Stt (PX1-1) + Stt ( PX1-2) + Stt ( PX1-3))
= 0.9×(12+12.4+6.93) = 28.2 (KVA).
2.3. Tính toán phụ tải của tủ phân phối BD2 Công Điện Dòng Phas cos Efficien Ptt PX Qtt PX Thiết bị suất áp điện e µ t (kw) (kw) (Kw) (V) (A) Machine 4 400 3 7.4 0.85 0.92 B1 Machine 3 400 3 5.7 0.82 0.92 B2 11.6 7.7 Machine 5.5 400 3 10.5 0.84 0.9 PX2-1 B3 Machine 4 400 3 7.8 0.81 0.91 B4 Machine 5.5 400 3 10.4 0.83 0.92 B5 Machine 3 400 3 5.5 0.85 0.92 B6 10.1 6.6 Machine PX2-2 3 400 3 5.5 0.85 0.92 B7 Machine 3 400 3 5.8 0.83 0.9 B8 Pump 4 400 3 7.7 0.84 0.89 B1 5.6 3.6 PX2-3 Pump 3 230 1 17.1 0.85 0.9 B2
Tủ động lực PX2-1.
Hệ số đồng thời và hệ số sử dụng: �� = ��= 0.8 �đ�
Dòng điện I được tính bằng công thức: I = √3 ×� � - Tính Pđm = ��������� Pđm 4 1 = = 4.35 (��) 0.92 Pđm 3 2 = = 3.26 (��) 0.92 Pđm3 = 5.5 = 6.1 (��) 0.9 Pđm 4 4 = = 4.4 (��) 0.91 - Tính Ptt PX2-1
Ptt= �� ∗ �� ∗ (Pđm1 + Pđm2 + Pđm3 + Pđm4 )
= 0.8 ∗ 0.8 ∗ (4.35 + 3.26 + 6.1 + 4.4) = 11.59 ��
Trong đó: Pđm1,Pđm2, Pđm3, Pđm4 là công suất tác dụng định mức của các máy của
nhóm PX2-1 từ machine 1 đến machine 4
Tính Qđm = Pđm × tan(arcos(µ))
Qđm1= 4.35 × tan(arcos(0.85))=2.7 (KVar) Qđm2=
3.26× tan(arcos(0.82))=2.28 (KVar) Qđm3= 6.1× tan(arcos(0.84))=3.94 (KVar)
Qđm4= 4.4× tan(arcos(0.81))=3.19 (KVar) - Tính Qtt PX2-1
Qtt= �� ∗ �� ∗ ( Qđm1 + Qđm2 + Qđm3 + Qđm4 )
= 0.8 ∗ 0.8 ∗ ( 2.7 + 2.28 + 3.94 + 3.19 ) = 7.75 ����.
Trong đó: Qđm1,Qđm2, Qđm3, Qđm4 là công suất phản kháng định mức của các máy
của nhóm PX2-1 từ machine 1 đến machine 4.
- Tính Sđm = √�đ�2 + �đ�2 Sđm 2 2 1= √Pđm1 + Qđm1 = √4.352 + 2.72 = 5.1 (KVA) Sđm 2 2 2= √Pđm2 + Qđm2
= √3.262 + 2.282 = 3.98 (KVA) Sđm 2 2 3= √Pđm3 + Qđm3
= √6.12 + 3.942 = 7.26 (KVA) Sđm 2 2 4= √Pđm4 + Qđm4 = √4.42 + 3.192 = 5.4 (KVA) - Tính Stt PX2-1
Stt= �� ∗ �� ∗ (Sđm1 + Sđm2 + Sđm3 + Sđm4)
= 0.8 ∗ 0.8 ∗ (5.1 + 3.98 + 7.26 + 5.4) = 13.9 ���.
Trong đó: Sđm1,Sđm2, Sđm3, Sđm4 là công suất biểu kiến định mức của các máy của
nhóm PX2-1 từ machine 1 đến machine 4.
Tủ động lực PX2-2
Hệ số đồng thời và hệ số sử dụng: �� = ��= 0.8 �đ�
Dòng điện I được tính bằng công thức: I = √3 ×� � - Tính Pđm = ��������� Pđm 5.5 5 = = 5.98 (��) 0.92 Pđm 3 6 = = 3.26 (��) 0.92 Pđm7 3 = = 3.26 (��) 0.92 Pđm 3 8 = = 3.3 (��) 0.9 - Tính Ptt PX2-2
Ptt= �� ∗ �� ∗ (Pđm5 + Pđm6 + Pđm7 + Pđm8)
= 0.8 ∗ 0.8 ∗ (5.98 + 3.26 + 3.26 + 3.3) = 10.112 ��
Trong đó: Pđm5,Pđm6, Pđm7, Pđm8 là công suất tác dụng định mức của các máy của
nhóm PX2-2 từ machine 5 đến machine 8
- Tính Qđm = Pđm × tan(arcos(µ))
Qđm5= 5.98 × tan(arcos(0.83))=4 (KVar)
Qđm6= 3.26× tan(arcos(0.82))=2.28 (KVar)
Qđm7= 3.26× tan(arcos(0.82))=2.28 (KVar)
Qđm8= 3.3× tan(arcos(0.81))=2.39 (KVar) - Tính Qtt PX2-2
Qtt= �� × �� ∗ (Qđm5 + Qđm6 + Qđm7 + Qđm8)
= 0.8 ∗ 0.8 ∗ (4 + 2.28 + 2.28 + 2.39) = 7 ����.
Trong đó: Qđm5,Qđm6, Qđm7, Qđm8 là công suất phản kháng định mức của các máy
của nhóm PX2-1 từ machine 5 đến machine 8.
- Tính Sđm = √�đ�2 + �đ�2 Sđm 2 2 5= √Pđm1 + Qđm1 = √5.982 + 42 = 7.19 (KVA) Sđm 2 2 6= √Pđm2 + Qđm2
= √3.262 + 2.282 = 3.98 (KVA) Sđm 2 2 7= √Pđm3 + Qđm3
= √3.262 + 2.282 = 3.98 (KVA) Sđm 2 2 8= √Pđm4 + Qđm4
= √3.32 + 2.392 = 4.07 (KVA) - Tính Qtt PX2-2
Stt= �� ∗ �� ∗ (Sđm5 + Sđm6 + Sđm7 + Sđm8)
= 0.8 ∗ 0.8 ∗ (7.19 + 3.98 + 3.98 + 4.07) = 12.3 ���.
Trong đó: Sđm5,Sđm6, Sđm7, Sđm8 là công suất biểu kiến định mức của các máy của
nhóm PX2-2 từ machine 5 đến machine 8.
Tủ động lực PX2-3
Hệ số đồng thời và hệ số sử dụng: �� = 0.8 ; ��= 0.9
Dòng điện I được tính bằng công thức: �đ� I = ( Dòng điện 3 pha) √3 ×� = 6.06 (A) 4.2 I = √3 ×0.4 �đ� I = ( Dòng điện 1 pha) � = 23.5 (A) 5.4 I = 0.23 � - Tính Pđm = ��������� Pđm 4 9 = = 4.49 (Kw) 0.89 Pđm 3 = = 3.3 (Kw) 10 0.9 - Tính Ptt PX2-3
Ptt= �� ∗ �� ∗ (Pđm9 + Pđm10) = 0.8 ∗ 0.9 ∗ (4.49 + 3.3) = 5.6 ��.
Trong đó: Pđm9,Pđm10 là công suất định mức của các máy của nhóm PX2-3 từ Pump 9 đến Pump 10.
- Tính Qđm = Pđm × tan(arcos(µ))
Qđm9= 4.49× tan(arcos(0.84))=2.9 (KVar)
Qđm10= 3.3× tan(arcos(0.85))=2.05 (KVar) - Tính Qtt PX2-3
- Qtt= �� ∗ �� ∗ (Qđm9 + Qđm10)
= 0.8 ∗ 0.9 ∗ (2.9 + 2.05) = 3.56 ����.
Trong đó: Qđm9,Qđm10 là công suất định mức của các máy của nhóm PX2-3 từ pump 9 đến Pump 10.
- Tính Sđm = √�đ�2 + �đ�2 Sđm 2 2 9= √Pđm9 + Qđm9 = √4.492 + 2.92 = 5.3 (KVA) Sđm 2 2 10= √Pđm10 + Qđm10
= √3.32 + 2.052 = 3.88 (KVA) - Tính Stt PX2-3
��� = �� ∗ �� ∗ (�đ�9 + �đ�10) = 0.9 ∗ 0.8 ∗ (5.3 + 3.88) = 6.6 ���.
- Tính Ptt (distribution board )
Ptt (distribution) = ��×( Ptt (PX1-1) + Ptt ( PX1-2) + Ptt ( PX1-3))
= 0.9×(11.59+10.112+5.6) =24.57 (Kw)
- Tính Qtt (distribution board )
Qtt (distribution) = ��×( Qtt (PX1-1) + Qtt ( PX1-2) + Qtt ( PX1-3))
= 0.9×(7.75+7+3.56) = 16.5 (KVar)
- Tính Stt ( distribution board)
Stt (distribution) = ��×( Stt (PX1-1) + Stt ( PX1-2) + Stt ( PX1-3))
= 0.9×(13.9+12.3+6.6) = 29.52 (KVA).
2.4. Tính toán phụ tải cho tủ phân phối DB3. Thiết bị Công Điện Phas Dòng cos Efficien Ptt Qtt suất(Kw áp(V) e điện(A µ t PX(kw PX(kw ) ) ) ) Machine 4 400 3 7.9 0.8 0.92 C1 Machine 2.2 400 3 4.4 0.8 0.91 PX3-1 C2 10.3 7.4 Machine 5.5 400 3 10.4 0.83 0.92 C3 Machine 3 400 3 6.0 0.8 0.9 C4 Machine 3 400 3 5.7 0.83 0.91 C5 PX3-2 Machine 4 400 3 7.7 0.82 0.92 C6 10.9 7.6 Machine 3 400 3 5.9 0.82 0.9 C7 Machine 5.5 400 3 10.7 0.81 0.92 C8 Pump 4 400 3 7.7 0.84 0.89 PX3-3 C1 5.6 3.6 Pump 3 400 3 5.7 0.85 0.9 C2
Tủ động lực PX3-1
Hệ số đồng thời và hệ số sử dụng: �� = ��= 0.8 �đ�
Dòng điện I được tính bằng công thức: I = √3 ×� � - Tính Pđm = ��������� Pđm 4 1 = = 4.35 (��) 0.92 Pđm 2.2 2 = = 2.4 (��) 0.91 Pđm3 5.5 = = 5.98 (��) 0.92 Pđm 3 4 = = 3.3 (��) 0.9 - Tính Ptt PX3-1
Ptt= �� ∗ �� ∗ (Pđm1 + Pđm2 + Pđm3 + Pđm4 )
= 0.8 ∗ 0.8 ∗ (4.35 + 2.4 + 5.98 + 3.3) = 10.26 ��
Trong đó: Pđm1,Pđm2, Pđm3, Pđm4 là công suất tác dụng định mức của các máy của
nhóm PX3-1 từ machine 1 đến machine 4
- Tính Qđm = Pđm × tan(arcos(µ))
Qđm1= 4.35 × tan(arcos(0.8))=3.26 (KVar)
Qđm2= 2.4× tan(arcos(0.8))=1.8 (KVar)
Qđm3= 5.98× tan(arcos(0.83))=4 (KVar)
Qđm4= 3.3× tan(arcos(0.8))=2.5 (KVar) Tính Qtt PX3-1
Qtt= �� ∗ �� ∗ ( Qđm1 + Qđm2 + Qđm3 + Qđm4 )
= 0.8 ∗ 0.8 ∗ ( 3.26 + 1.8 + 4 + 2.5 ) = 7.4 ����.
Trong đó: Qđm1,Qđm2, Qđm3, Qđm4 là công suất phản kháng định mức của các máy
của nhóm PX3-1 từ machine 1 đến machine 4.
- Tính Sđm = √�đ�2 + �đ�2 Sđm 2 2 1= √Pđm1 + Qđm1
= √4.352 + 3.262 = 3.6 (KVA) Sđm 2 2 2= √Pđm2 + Qđm2 = √2.42 + 1.82 = 3 (KVA) Sđm 2 2 3= √Pđm3 + Qđm3 = √5.982 + 42 = 7.19(KVA) Sđm 2 2 4= √Pđm4 + Qđm4 = √3.32 + 2.52 = 6.4 (KVA) - Tính Stt PX3-1
Stt= �� ∗ �� ∗ (Sđm1 + Sđm2 + Sđm3 + Sđm4)
= 0.8 ∗ 0.8 ∗ (3.6 + 3 + 7.19 + 6.4) = 12.9 ���.
Trong đó: Sđm1,Sđm2, Sđm3, Sđm4 là công suất biểu kiến định mức của các máy của
nhóm PX3-1 từ machine 1 đến machine 4.
Tủ động lực PX3-2
Hệ số đồng thời và hệ số sử dụng: �� = ��= 0.8 �đ�
Dòng điện I được tính bằng công thức: I = √3 ×� � - Tính Pđm = ��������� Pđm 3 5 = = 3.3 (��) 0.91 Pđm 4 6 = = 4.35 (��) 0.92 Pđm 3 7 = = 3.3 (��) 0.9 Pđm 5.5 8 = = 5.98 (��) 0.92 - Tính Ptt PX3-2
Ptt= �� ∗ �� ∗ (Pđm5 + Pđm6 + Pđm7 + Pđm8)
= 0.8 ∗ 0.8 ∗ (3.3 + 4.35 + 3.3 + 5.98) = 10.8 ��
Trong đó: Pđm5,Pđm6, Pđm7, Pđm8 là công suất tác dụng định mức của các máy của
nhóm PX3-2 từ machine 5 đến machine 8
- Tính Qđm = Pđm × tan(arcos(µ))
Qđm5= 3.3 × tan(arcos(0.83))=2.2 (KVar)
Qđm6= 4.35× tan(arcos(0.82))=3 (KVar)
Qđm7= 3.3× tan(arcos(0.82))=2.3 (KVar)
Qđm8= 5.98× tan(arcos(0.81))=4.3 (KVar) - Tính Qtt PX3-2
Qtt= �� × �� ∗ (Qđm5 + Qđm6 + Qđm7 + Qđm8)
= 0.8 ∗ 0.8 ∗ (2.2 + 3 + 2.3 + 4.3) = 7.55 ����.
Trong đó: Qđm5,Qđm6, Qđm7, Qđm8 là công suất phản kháng định mức của các máy
của nhóm PX3-1 từ machine 5 đến machine 8.
- Tính Sđm = √�đ�2 + �đ�2 Sđm 2 2 5= √Pđm1 + Qđm1 = √3.32 + 2.22 = 3.97 (KVA) Sđm 2 2 6= √Pđm2 + Qđm2 = √4.352 + 32 = 5.28 (KVA) Sđm 2 2 7= √Pđm3 + Qđm3 = √3.32 + 2.32 = 4 (KVA) Sđm 2 2 8= √Pđm4 + Qđm4
= √5.982 + 4.32 = 7.37 (KVA) - Tính Qtt PX3-2
Stt= �� ∗ �� ∗ (Sđm5 + Sđm6 + Sđm7 + Sđm8)
= 0.8 ∗ 0.8 ∗ (3.97 + 5.28 + 4 + 7.37) = 13.2 ���.
Trong đó: Sđm5,Sđm6, Sđm7, Sđm8 là công suất biểu kiến định mức của các máy của
nhóm PX3-2 từ machine 5 đến machine 8.
Tủ động lực PX3-3
Hệ số đồng thời và hệ số sử dụng: �� = 0.8 ; ��= 0.9
Dòng điện I được tính bằng công thức: �đ� I = ( Dòng điện 3 pha) √3 ×� � - Tính Pđm = ��������� Pđm 4 9 = = 4.49 (Kw) 0.89 Pđm 3 = = 3.3 (Kw) 10 0.9 - Tính Ptt PX3-3
Ptt= �� ∗ �� ∗ (Pđm9 + Pđm10) = 0.8 ∗ 0.9 ∗ (4.49 + 3.3) = 5.6 ��.
Trong đó: Pđm9,Pđm10 là công suất định mức của các máy của nhóm PX3-3 từ Pump 9 đến Pump 10.
- Tính Qđm = Pđm × tan(arcos(µ))
Qđm9= 4.49× tan(arcos(0.84))=2.9 (KVar)
Qđm10= 3.3× tan(arcos(0.85))=2.05 (KVar) - Tính Qtt PX3-3
Qtt= �� ∗ �� ∗ (Qđm9 + Qđm10)
= 0.8 ∗ 0.9 ∗ (2.9 + 2.05) = 3.56 ����.
Trong đó: Qđm9,Qđm10 là công suất định mức của các máy của nhóm PX3-3 từ pump 9 đến Pump 10.
- Tính Sđm = √�đ�2 + �đ�2 Sđm 2 2 9= √Pđm9 + Qđm9 = √4.492 + 2.92 = 5.3 (KVA) Sđm 2 2 10= √Pđm10 + Qđm10
= √3.32 + 2.052 = 3.88 (KVA) - Tính Stt PX3-3
��� = �� ∗ �� ∗ (�đ�9 + �đ�10) = 0.9 ∗ 0.8 ∗ (5.3 + 3.88) = 6.6 ���.
Tính Ptt (distribution board )
Ptt (distribution) = ��×( Ptt (PX3-1) + Ptt ( PX3-2) + Ptt ( PX3-3))
= 0.9×(10.26+10.8+5.6) =24 (Kw)
Tính Qtt (distribution board )
Qtt (distribution) = ��×( Qtt (PX3-1) + Qtt ( PX3-2) + Qtt ( PX3-3))
= 0.9×(7.4+7.55+3.56) = 16.66 (KVar)
Tính Stt ( distribution board)
Stt (distribution) = ��×( Stt (PX3-1) + Stt ( PX3-2) + Stt ( PX3-3))
= 0.9×(12.9+13.2+6.6) = 29.43 (KVA).
2.5. Tính toán phụ tải cho tủ phân phối DB4 Công Điện Dòng Phas cos Efficien Ptt PX Qtt PX Thiết bị suất áp điện e µ t (kw) (kw) (Kw) (V) (A) Machine 3 400 3 5.7 0.82 0.92 D1 Machine 4 400 3 7.8 0.81 0.92 D2 10 7.1 Machine 5 400 3 10.0 0.81 0.89 PX4-1 D3 Machine 2.2 400 3 4.1 0.84 0.92 D4 Machine 5.5 400 3 10.3 0.84 0.92 D5 Machine 4 400 3 7.6 0.83 0.92 D6 11.5 7.7 Machine PX4-2 3 400 3 5.6 0.85 0.91 D7 Machine 4 400 3 7.8 0.81 0.92 D8 Pump 4 230 1 23.0 0.85 0.89 D1 5.6 3.8 PX4-3 Pump 3 400 3 6.0 0.8 0.9 D2
Tủ động lực PX4-1
Hệ số đồng thời và hệ số sử dụng: �� = ��= 0.8 �đ�
Dòng điện I được tính bằng công thức: I = √3 ×� � - Tính Pđm = ��������� Pđm 3 1 = = 3.26 (��) 0.92 Pđm 4 2 = = 4.35 (��) 0.92 Pđm3 5 = = 5.6 (��) 0.89 Pđm4 2.2 = = 2.39 (��) 0.92 - Tính Ptt PX4-1
Ptt= �� ∗ �� ∗ (Pđm1 + Pđm2 + Pđm3 + Pđm4 )
= 0.8 ∗ 0.8 ∗ (3.26 + 4.35 + 5.6 + 2.39) = 10 ��
Trong đó: Pđm1,Pđm2, Pđm3, Pđm4 là công suất tác dụng định mức của các máy của
nhóm PX4-1 từ machine 1 đến machine 4
- Tính Qđm = Pđm × tan(arcos(µ))
Qđm1= 3.26 × tan(arcos(0.82))=2.28 (KVar)
Qđm2= 4.35× tan(arcos(0.81))=3.15 (KVar)
Qđm3= 5.6× tan(arcos(0.81))=4 (KVar)
Qđm4= 2.39× tan(arcos(0.84))=1.5 (KVar) - Tính Qtt PX4-1
Qtt= �� ∗ �� ∗ ( Qđm1 + Qđm2 + Qđm3 + Qđm4 )
= 0.8 ∗ 0.8 ∗ ( 2.28 + 3.15 + 4 + 1.5 ) = 7 ����.
Trong đó: Qđm1,Qđm2, Qđm3, Qđm4 là công suất phản kháng định mức của các máy
của nhóm PX4-1 từ machine 1 đến machine 4.
- Tính Sđm = √�đ�2 + �đ�2 Sđm 2 2 1= √Pđm1 + Qđm1
= √3.262 + 2.282 = 3.98 (KVA) Sđm 2 2 2= √Pđm2 + Qđm2
= √4.352 + 3.152 = 5.37 (KVA) Sđm 2 2 3= √Pđm3 + Qđm3 = √5.62 + 42 = 6.88 (KVA) Sđm 2 2 4= √Pđm4 + Qđm4 = √2.392 + 1.52 = 2.8 (KVA) - Tính Stt PX4-1
Stt= �� ∗ �� ∗ (Sđm1 + Sđm2 + Sđm3 + Sđm4)
= 0.8 ∗ 0.8 ∗ (3.98 + 5.37 + 6.88 + 2.8) = 12.18 ���.
Trong đó: Sđm1,Sđm2, Sđm3, Sđm4 là công suất biểu kiến định mức của các máy của
nhóm PX4-1 từ machine 1 đến machine 4.
Tủ động lực PX4-2
Hệ số đồng thời và hệ số sử dụng: �� = ��= 0.8 �đ�
Dòng điện I được tính bằng công thức: I = √3 ×� � - Tính Pđm = ��������� Pđm 5.5 5 = = 5.98 (��) 0.92 Pđm 4 6 = = 4.35 (��) 0.92 Pđm7 3 = = 3.3 (��) 0.91 Pđm8 4 = = 4.35 (��) 0.92 - Tính Ptt PX4-2
Ptt= �� ∗ �� ∗ (Pđm5 + Pđm6 + Pđm7 + Pđm8)
= 0.8 ∗ 0.8 ∗ (5.98 + 4.35 + 3.3 + 4.35) = 11.5 ��
Trong đó: Pđm5,Pđm6, Pđm7, Pđm8 là công suất tác dụng định mức của các máy của
nhóm PX4-2 từ machine 5 đến machine 8
- Tính Qđm = Pđm × tan(arcos(µ))
Qđm5= 5.98 × tan(arcos(0.84))=3.86 (KVar)
Qđm6= 4.35× tan(arcos(0.83))=2.9 (KVar)
Qđm7= 3.3× tan(arcos(0.85))=2 (KVar)
Qđm8= 4.35× tan(arcos(0.81))=3.15 (KVar) - Tính Qtt PX4-2
Qtt= �� × �� ∗ (Qđm5 + Qđm6 + Qđm7 + Qđm8)
= 0.8 ∗ 0.8 ∗ (3.86 + 2.9 + 2 + 3.15) = 7.6 ����.
Trong đó: Qđm5,Qđm6, Qđm7, Qđm8 là công suất phản kháng định mức của các máy
của nhóm PX4-2 từ machine 5 đến machine 8.
- Tính Sđm = √�đ�2 + �đ�2 Sđm 2 2 5= √Pđm1 + Qđm1
= √5.982 + 3.862 = 7.1 (KVA) Sđm 2 2 6= √Pđm2 + Qđm2 = √4.352 + 2.92 = 5.2 (KVA) Sđm 2 2 7= √Pđm3 + Qđm3 = √3.32 + 22 = 3.86 (KVA) Sđm 2 2 8= √Pđm4 + Qđm4
= √4.352 + 3.152 = 4.6 (KVA) Tính Stt PX4-2
Stt= �� ∗ �� ∗ (Sđm5 + Sđm6 + Sđm7 + Sđm8)
= 0.8 ∗ 0.8 ∗ (7.1 + 5.2 + 3.86 + 4.6) = 13.3 ���.
Trong đó: Sđm5,Sđm6, Sđm7, Sđm8 là công suất biểu kiến định mức của các máy của
nhóm PX4-2 từ machine 5 đến machine 8.
Tủ động lực PX4-3
Hệ số đồng thời và hệ số sử dụng: �� = 0.8 ; ��= 0.9
Dòng điện I được tính bằng công thức: �đ� I = ( Dòng điện 3 pha) √3 ×� � - Tính Pđm = ��������� Pđm 4 9 = = 4.49 (Kw) 0.89 Pđm 3 = = 3.3 (Kw) 10 0.9 - Tính Ptt PX4-3
Ptt= �� ∗ �� ∗ (Pđm9 + Pđm10) = 0.8 ∗ 0.9 ∗ (4.49 + 3.3) = 5.6 ��.
Trong đó: Pđm9, Pđm10 là công suất định mức của các máy của nhóm PX4-3 từ Pump 9 đến Pump 10.
- Tính Qđm = Pđm × tan(arcos(µ))
Qđm9= 4.49× tan(arcos(0.85))= 2.78 (KVar)
Qđm10= 3.3× tan(arcos(0.8))= 2.5 (KVar) - Tính Qtt PX4-3
Qtt= �� ∗ �� ∗ (Qđm9 + Qđm10)
= 0.8 ∗ 0.9 ∗ (2.9 + 2.05) = 3.8 ����.
Trong đó: Qđm9,Qđm10 là công suất định mức của các máy của nhóm PX4-3 từ pump 9 đến Pump 10.
- Tính Sđm = √�đ�2 + �đ�2 Sđm 2 2 9= √Pđm9 + Qđm9
= √4.492 + 2.782 = 5.28 (KVA) Sđm 2 2 10= √Pđm10 + Qđm10 = √3.32 + 2.52 = 4.14 (KVA) - Tính Stt PX4-3
��� = �� ∗ �� ∗ (�đ�9 + �đ�10) = 0.9 ∗ 0.8 ∗ (5.28 + 4.14) = 6.78 ���.
Tính Ptt (distribution board )
Ptt (distribution) = ��×( Ptt (PX4-1) + Ptt ( PX4-2) + Ptt ( PX4-3))
= 0.9×(10+11.5+5.6) =24.39 (Kw)
Tính Qtt (distribution board )
Qtt (distribution) = ��×( Qtt (PX4-1) + Qtt ( PX4-2) + Qtt ( PX4-3))
= 0.9×(7+7.6+3.8) = 16.56 (KVar)
Tính Stt ( distribution board)
Stt (distribution) = ��×( Stt (PX4-1) + Stt ( PX4-2) + Stt ( PX4-3))
= 0.9×(12.18+13.3+6.78) = 29 (KVA).
2.6. Tính toán phụ tải đèn và máy biến áp. Phụ tải đèn
�� = �đ ∗ �đ = 100 ∗ 32 = 3200�. Cos(�)=0,95 �� 3200 �đ� = = = 3200� = 3,2��. � 1 �� = �� = 1
��� = �� ∗ �� ∗ �đ� = 1 ∗ 1 ∗ 3,2 = 3,2��.
��� = ��� ∗ tan(������(0,95)) = 3,2 ∗ tan(������(0,95)) = 1.05 ����.
��� = √�2 + �2 = √1.052 + 3,22 = 3,37 ���. �� ��
Chọn máy biến áp. - Tính Ptt ( total )
Ptt(total) = ��×( Ptt(PX1) + Ptt( PX2) + Ptt( PX3) + Ptt( PX4) + Ptt( Lighting)) =
0.8×(24.5+24.57+24+24.39+3.2) =80.528 (Kw) - Tính Qtt ( total)
Qtt( total) = ��×( Qtt(PX1) + Qtt( PX2) + Qtt( PX3) + Qtt( PX4) + Qtt( Lighting)) =
0.8×(15.75+16.5+16.66+16.56+1,05) =53,216 (KVar) - Tính Stt ( total)
���(�����)=��×( Stt(PX1) + Stt( PX2) + Stt( PX3) + Stt( PX4) + Stt( Lighting))
= 0.8×(28.2+29.52+29.43+29+3.37) = 95.616 (KVA)
- Yêu cầu đặt máy biến áp: + Gần tâm phụ tải
+ Dễ thao tác, dễ vận hành và quản lý
+ Phòng cháy nổ, phòng bụi và khí ăn mòn
+ An toàn cho người và thiết bị
- Chọn máy biến áp : Smba > Stt ( total)
- Tra bảng chọn công suất máy biến áp có dung lượng 160KVA do công ty
THIDIBI chế tạo có thông số sau: + Kiểu: ONAN-100 + Công suất: 100kVA
+ Điện áp: 22 ± 2x2,5% / 0,4kV + Dòng điện: 4,2 / 231 A + Tần số: 50Hz + Tổ đấu dây: Dyn11
+ Tiêu chuẩn chế tạo: TCVN 6306: 2006; IEC 60076
+ Tổn hao không tải Po ≤ 95W
+ Dòng điện không tải Io% ≤ 2
+ Tổn hao ngắn mạch ở 75oC: Pk≤1940W
+ Điện áp ngắn mạch Uk% = 4÷6 CHƯƠNG 3
SƠ ĐỒ ĐI DÂY CHO PHÂN XƯỞNG CƠ KHÍ NHẸ 3.1. Yêu cầu
Bất kỳ phân xưởng nào ngoài việc tính toán phụ tải tiêu thụ để cung cấp điện cho phân
xưởng, thì mạng đi dây trong phân xưởng cũng rất quan trọng. Vì vậy ta cần đưa ra
phương án đi dây cho hợp lý, vừa đảm bảo chất lượng điện năng, vùa có tính an toàn và thẩm mỹ.
Một phương án đi dây được chọn sẽ được xem là hợp lý nếu thoã mãn những yêu cầu sau:
- Đảm bảo chất lượng điện năng.
- Đảm bảo liên tục cung cấp điện theo yêu cầu của phụ tải. - An toàn trong vận hành.
- Linh hoạt khi có sự cố và thuận tiện khi sửa chữa.
- Đảm bảo tính kinh tế, ít phí tổn kim loại màu.
- Sơ đồ nối dây đơn giản, rõ ràng.
3.2. Phân tích các phương án đi dây.
3.2.1. Phương án đi dây hình tia.
Trong sơ đồ hình tia, các tủ phân phối phụ được cung cấp điện từ tủ phân phối
chính bằng các tuyến dây riêng biệt. Các phụ tải trong phân xưởng cung cấp
điện từ tủ phân phối phụ qua các tuyến dây riêng biệt. Sơ đồ nối dây hình tia có
một số ưu điểm và nhược điểm sau: Hình 1. Sơ đồ hình tia. Ưu điểm:
Độ tin cậy cung cấp điện cao.
Đơn giản trong vận hành, lắp đặt và bảo trì. - Sụt áp thấp. Nhược điểm: Vốn đầu tư cao.
Sơ đồ trở nên phức tạp khi có nhiều phụ tải trong nhóm.
Khi sự cố xảy ra trên đường cấp điện từ tủ phân phối chính đến các tủ.
phân phối phụ thì một số lượng lớn phụ tải bị mất điện.
Phạm vi ứng dụng: mạng hình tia thường áp dụng cho phụ tải tập trung (thường là các
xí nghiệp, các phụ tải quan trọng :loại 1 hoặc loại 2). Mô phỏng Autocad
3.2.2. Phương án đi dây phân nhánh.
Trong sơ đồ đi dây theo kiểu phân nhánh ta có thể cung cấp điện cho nhiều phụ tải hoặc các tủ phân phối phụ.
Hình 2. Phương án đi dây phân nhánh.
Sơ đồ phân nhánh có một số ưu nhược điểm sau: Ưu điểm:
Giảm được số các tuyến đi ra từ nguồn trong trường hợp có nhiều phụ tải.
Giảm được chi phí xây dựng mạng điện.
Có thể phân phối clang seat đều trên các tuyến dây. Nhược điểm:
Phức tạp trong vận hành và sửa chữa.
Các thiết bị ở cuối đường dây sẽ có độ sụt áp lớn khi một trong các thiết bị điện
trên cùng tuyến dây khởi động.
Độ tin cậy cung cấp điện thấp.
Phạm vi ứng dụng: sơ đồ phân nhánh được sử dụng để cung cấp điện cho các phụ tải
công suất nhỏ, phân bố phân tán, các phụ tải loại 2 hoặc loại 3. Mô phỏng AutoCad
3.2.3. Phương án đi dây thanh cái. MÔ PHỎNG AUTOCAD
Ở sơ đồ này máy biến áp cung cấp điện cho các thanh cái đặt dọc theo phân xưởng. Từ
các thanh cái đó có các đường dây dẫn đến các tủ phân phối động lực hoặc đến các phụ tải tập trung khác.
Sơ đồ này thường được dùng trong các phân xưởng có phụ tải tương đối lớn và phân bố
điều trên diện tích rộng. Nhờ các thanh cái chạy dọc theo phân xưởng mạng có thể tải
được công suất lớn đồng thời giảm được các tồn thất về công suất và điện áp.
3.3. Lựa chọn giữa Busway và cáp.
Ngày nay, hầu hết các công trình như tòa nhà cao tầng, chung cư, nhà máy hay các trung
tâm dữ liệu có công suất tiêu thụ lớn đều đã chuyển sang sử dụng thanh dẫn điện
Busway. Đây là một giải pháp tiêu chuẩn cho yêu cầu về độ tin cậy và kinh tế của các
công trình hiện đại. Dưới đây là một vài so sánh giữa busway và cáp.
ĐỐI VỚI NGƯỜI THIẾT KẾ VÀ LẬP KẾ HOẠCH Tiêu chí Cáp Busway
Giá trị giới hạn, phải tính toán dựa Theo tiêu chuẩn và chính Khả năng chịu
vào cách đi cáp và nhiệt độ môi xác như trong catalogue dòng trường của nhà sản xuất Tiêu chuẩn là 350C trong 24h vận hành trung bình, Nhiệt độ Tiêu chuẩn là 300C
có nghĩa là nhiệt độ tối đa 400C, tiêu chuẩn EN 60439 -1/ - 2
Phải được tính toán dựa vào nhiệt Theo tiêu chuẩn và chính Hệ số lão hóa
độ môi trường, và ảnh hưởng bởi xác như trong catalogue
tương tác nhiệt theo cách đi cáp của nhà sản xuất Ảnh hưởng từ - Cao Thấp nhiệt
Công suất lộ ra phải xác định rõ
Chỉ cần biết dòng ra, khối Thiết kế
ràng, đòi hỏi công sức thiết kế và
lượng tính toán cần thiết là tính toán lớn rất ít. Tài liệu trợ giúp
Hỗ trợ thiết kế và hồ sơ Không hỗ trợ thiết kế của nhà sản xuất
ĐỐI VỚI NGƯỜI LẮP ĐẶT Tiêu chí Cáp Busway
Cần rất nhiều loại dụng cụ phức tạp Dụng cụ lắp đặt Cần ít dụng cụ khác nhau Thời gian thi Cần thời gian dài Ngắn công lắp đặt Khả năng chống
Theo tiêu chuẩn quốc tế
Phụ thuộc vào người thi công cháy DIN 4102
Theo tiêu chuẩn quốc tế Độ bền
Phụ thuộc vào người thi công DIN 4102 part 12 Chiều dài cáp
Phụ thuộc vào cách đi cáp, chiều dài khi lắp song Cùng chiều dài cáp thường khác nhau song
Không cần tính đến, gần Vật tư tiêu hao
Cao, dẫn đến sai số cao như không có Trọng lượng
Rất lớn, nặng cấp 2-3 lần busway Bằng ½ - 1/3 cáp Khả năng dư
Thường xuyên, do cáp được bán Không có thừa khối lượng thành từng cuộn
ĐỐI VỚI CHỦ ĐẦU TƯ/ NGƯỜI VẬN HÀNH Tiêu chí Cáp Busway
Rất lớn do bán kính cong, cách đi
Rất ít do khả năng chịu dòng Diện tích
cáp, vỏ cáp, khả năng chịu dòng
lớn và có thể đi được góc nhỏ vuông Nhiệt lượng Rất cao Rất thấp khi cháy
Cáp loại bình thường khi cháy sinh Khí hại PVC/
ra Halogen, còn cáp loại đặc biệt Không có khí Halogen Halogen thì giá rất đắt Thí nghiệm
Độ an toàn phụ thuộc nhiều vào
Độ an toàn cao, dòng cắt điển hình an người thi công ngắn mạch cao toàn
Thường phải đi lại cáp, hoặc cần Khả năng mở
rất nhiều công sức (tách cáp, cáp
Luôn luôn có khả năng đấu rộng, thay đổi,
nối, đầu cốt, cáp song song), đòi nối thêm, không có thời gian đấu thêm
hỏi thời gian dừng lớn, không linh dừng hoạt trong cấp điện Diện tích cho Rất nhỏ do phần aptomat tủ phân phối hạ Rất lớn
đóng cắt và bảo vệ được lắp áp tổng phân tán ở tủ tầng
Cần rất nhiều thời gian do thiết bị
Rất nhanh, do cách lắp đặt Xử lý khi gặp
bảo vệ được lắp tập trung và xa phụ
thiết bị bảo vệ trực tiếp tại sự cố tải phụ tải
Qua sự so sánh giữa busway và cáp ở trên thì busway hoàn cho thấy sự ưu việt hơn hẳn
so với cáp truyền thống về độ an toàn, độ tin cậy, tuổi thọ, tính thẩm mỹ và giá thành.
Đây là một giải pháp tiêu chuẩn cho yêu cầu về độ tin cậy và kinh tế của các công trình hiện đại.
3.4. Xác định phương án lắp đặt dây.
Lựa chọn phương án 1. Từ trạm biến áp đến tủ phân phối chính ta chọn phương án đi
dây trên không dọc theo tường và có giá đỡ gắn sứ cách điện.
Từ tủ phân phối chính đến tủ động lực ta đi dây hình tia và đi trên máng cáp bố trí men
theo sát tường của xưởng.
Toàn bộ dây và cáp từ tủ động lực đến các động cơ đều được đi trong máng cáp đặt ở trên không.
Hệ thống chiếu sáng được lấy nguồn từ tủ phân phối chính và đi trên máng cáp.
Cáp đi nổi có những ưu và nhược điểm sau:
- Ưu điểm: giảm công suất điện, tổn thất điện, không ảnh hưởng đến vận hành, dễ
sửa chữa cũng như thay đổi kết cấu bố trí máy về sau giá, thành rẻ hơn đi cáp ngầm.
- Nhược điểm: giá thành cao, rẽ nhánh gặp nhiều khó khăn, khi xảy ra hư hỏng khó
phát hiện, mất thẩm mĩ, dẽ hư hỏng vì chịu tác động của yếu tố môi trường. CHƯƠNG 4
SƠ ĐỒ DÂY ĐƠN CHO TOÀN PHÂN XƯỞNG
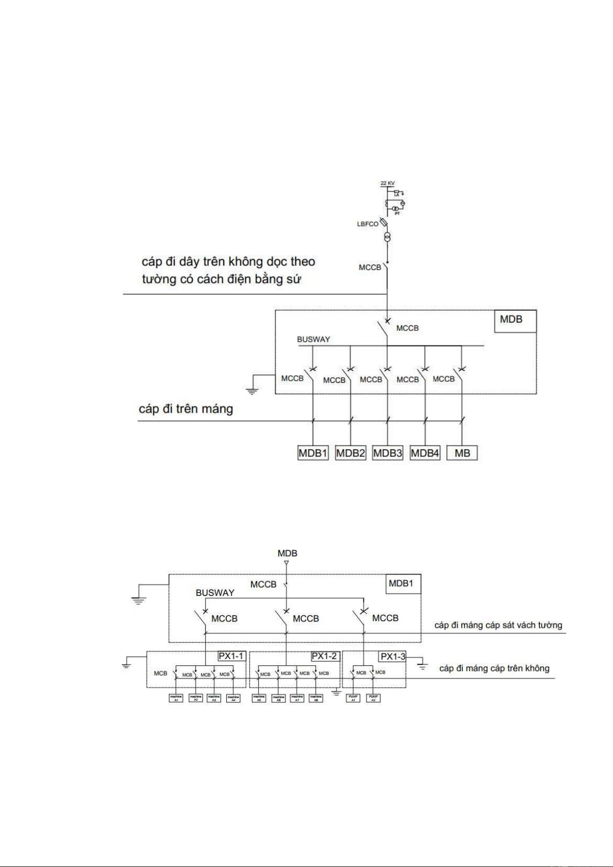
4.1. Sơ đồ dây đơn cho MDB chính
4.2. Sơ đồ dây đơn cho tủ động lực MDB1 MDB2 MDB3 MDB4 CHƯƠNG 5
SƠ ĐỒ NGUYÊN LÝ VÀ ĐIỀU KHIỂN TỦ TỤ BÙ CÔNG SUẤT PHẢN KHÁNG
5.1. Đặt vấn đề
Vấn đề sử dụng hợp lý và tiết kiệm điện năng trong các xí nghiệp công nghiệp có ý
nghĩa rất lớn đối với nền kinh tế vì các xí nghiệp này tiêu thụ khoảng 70% tổng số điện
năng được sản xuất ra.
Tính chung trong hệ thống chỉ có khoảng từ 8%-10% năng lượng điện tổn thất trên lưới
điện. Do đó, việc giảm tổn thất và thực hiện tiết kiệm điện có ý nghĩa rất lớn, đem lại
lợi ích lớn cho các xí nghiệp, cho nền kinh tế quốc dân.
Hệ số công suất cosφ là một trong các chỉ tiêu để đánh giá xí nghiệp dùng điện có hợp
lý và tiết kiệm hay không. Nâng cao hệ số công suất cosφ là một chủ trương lâu dài gắn
liền với mục đích phát huy hiệu quả cao nhất quá trình sản xuất, phân phối và sử dụng điện năng.
5.2. Ý nghĩa của việc nâng cao hệ số công suất cos�
Dòng điện, tổn thất công suất, tổn thất điện năng trên đoạn lưới 01 trước và sau khi được
bù. Từ đó, việc nâng cao cos� đem lại những lợi ích sau:
Lợi ích về mặt kỹ thuật
- Giảm tổn thất điện áp trên đường dây tức là nâng cao chất lượng điện năng.
- Giảm dòng điện đi trên dây dẫn tức là tăng khả năng mang tải của đường dây
trong quá trình vận hành hay giảm tiết diện dây dẫn trong giai đoạn thiết kế.
Lợi ích về mặt kinh tế:
- Giảm lượng yêu cầu tiêu thụ công suất phản kháng của hộ tiêu thụ. Đây chính là biện pháp bù tự nhiên.
- Phát lượng công suất phản kháng tại chỗ. Đây chính là phương pháp bù nhân tạo.
Giảm dòng điện chạy trên dây dẫn � √�2 + �2 √�2 + (� − ��)2 Itruoc = = > ���� √3� √3� √3� = Giảm sụt áp � . � + �. �
�. � + (� − ��)� ∆����� > ∆���� � � � = =
Giảm tổn thất công suất �2 + �2 �2 + (� − ��)2 ∆����� � > ∆���� � � �2 �2 = =
Giảm tổn thất điện năng
∆������ = ∆� × � > ∆���� = ∆���� × �
Ngoài ra việc nâng cao hệ số công suất cosφ còn đưa đến hiệu quả là giảm được
chi phí kim loại màu, góp phần làm ổn định điện áp, tăng khả năng phát điện của máy phát điện v.v…
5.3. Các biện pháp nâng cao hệ số công suất cos�.
Các biện pháp nâng cao hệ số cos φ được chia ra làm 2 hướng chính:
- Bù tự nhiên: giảm lượng yêu cầu tiêu thụ công suất phản kháng của hộ tiêu thụ
- Bù nhân tạo: phát lượng công suất phản kháng tại chỗ.
Phương pháp bù tự nhiên
Thay thế đông cơ chạy thường xuyên ở chế độ non tải bằng động cơ công suất nhỏ hơn.
Nâng cao chất lượng sửa chữa mỗi động cơ.
Thay đổi và cải tiến quy trình công nghệ để các thiết bị điện làm việc ở chế độ hợp lý nhất.
Phương pháp bù nhân tạo
Sử dụng các thiết bị bù công suất phản kháng
Tụ bù: có 2 phương thức bù bằng tụ bù, bù tĩnh (bù nền) và bù động (sử dụng bộ điều
khiển tụ bù tự động).
Bù tĩnh (bù nền): bố trí bù gồm một hoặc nhiều tụ bù tạo nên lượng bù không đổi. Việc
điều khiển có thể thực hiện bằng các cách sau:
- Bằng tay: dùng CB hoặc LBS (load – break switch).
- Bán tự động: dùng contactor.
- Mắc trực tiếp vào tải đóng điện cho mạch bù đồng thời khi đóng tải.
Ưu điểm: đơn giản và giá thành không cao.
Nhược điểm: khi tải dao động có khả năng dẫn đến việc bù thừa. Việc này khá nguy
hiểm đối với hệ thống sử dụng máy phát.
Vì vậy, phương pháp này áp dụng đối với những tải ít thay đổi.
Bù động (sử dụng bộ điều khiển tụ bù tự động): sử dụng các bộ tụ bù tự động hay còn
gọi là tủ điện tụ bù tự động, có khả năng thay đổi dung lượng tụ bù để đảm bảo hệ số
công suất đạt được giá trị mong muốn.
Ưu điểm: không gây ra hiện tượng bù thừa và đảm bảo được hệ số công suất mong muốn.
Nhược điểm: chi phí lớn hơn so với bù tĩnh.
Vì vậy, phương pháp này áp dụng tại các vị trí mà công suất tác dụng và công suất phản
kháng thay đổi trong phạm vi rất rộng.
5.4. Vị trí đặt tụ bù.
Vị trí đặt các thiết bị bù ảnh hưởng rất nhiều đến hiệu quả bù. Các bộ tụ điện
bù có thể đặt ở TPPTT, thanh cái cao áp, hạ áp của TBAPX, tại các tủ phân
phối, tủ động lực hoặc tại đầu cực các phụ tải lớn. Để xác định chính xác vị trí
và dung lượng đặt các thiết bị bù cần phải tính toán so sánh kinh tế kỹ thuật cho
từng phương án đặt bù cho một hệ thống cung cấp điện cụ thể. Song theo kinh
nghiệm thực tế, trong trường hợp công suất và dung lượng bù công suất phản
kháng của các nhà máy, thiết bị không thật lớn có thể phân bố dung lượng bù
cần thiết đặt tại thanh cái hạ áp của TBAPX để giảm nhẹ vốn đầu tư và thuận
lợi cho công tác quản lý, vận hành.
5.5. Xác định dung lượng bù và thiết bị đóng cắt Dung lượng bù
Theo phụ tải tính toán của mặt xưởng: ��� = 80,528; ��� = 95,616. � 80,528 �� = = 0,84 ���� 95,616 �� = � ��
Theo thông tư 15/2014, khi nâng hệ số công suất cos�=0.9 thì mới không cần mua nên
lượng bù sau khi nâng hệ số công suất:
��ù �ổ�� = ����� ∗ (tan(���−1���ướ�) − tan(���−1����))
= 80,528 ∗ (tan(���−1 0,84) − tan(���−1 0,9)) = 13,01 (����)
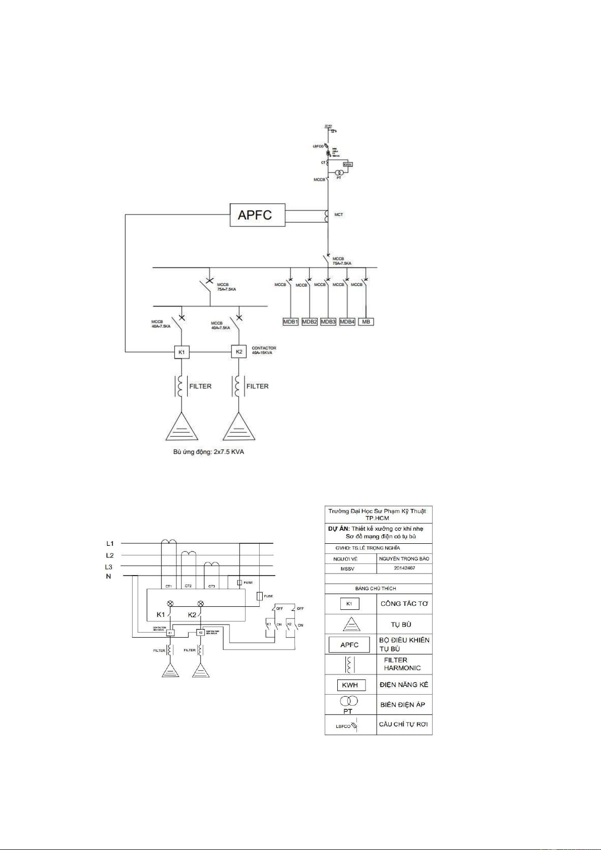
Ta chọn 2 loại tụ bù hãng Mikro có dung lượng là 7,5 KVar tụ khô 3 pha ( MKC- 385075KT ) 2×7,5 KVar.
Bù nền chiếm 15%����: ��ù �ề� = 15% × 95,616 = 14,3424 (����)
Do Qbù tổng < Qbù nền nên không sử dụng bù nền trong trường hợp này và chỉ dùng bù ứng động.
Bù ứng động: ��ù ứ�� độ�� = ��ù �ổ�� = 13,01 (����)
Ta chọn 2 loại tụ bù hãng Mikro có dung lượng là 7,5 KVar tụ khô 3 pha ( MKC- 385075KT ) 2×7,5 KVar. link catalohue:
( https://dien-congnghiep.com/upload/mikro/catalogue_tu_bu_mikro.pdf )
Xác định thiết bị đóng cắt
Dòng điện định mức contactor : �
���������� �� = ��ụ × 1.5 × 1.5 = 7,5 ×1.5×1.5 = 16,875 (A)
Dòng điện ngắn mạch 3 pha : ��� �ụ ≥ � ≥ �
× 25 = 100 × 1.5 × 25 = 3750 (A)= 3,75 (KA) �� �� �
Chọn thiết bị đóng cắt cho tụ 15KVar là MCCB 3 pha loại B : 40A – 7.5KA ( Mã sản
phẩm: EZC100B3040) của Schneider.
5.6. Sơ đồ mạch động lực và điều khiển tụ bù lắp đặp tại thanh cái
5.6.1. Sơ đồ mạch động lực
5.6.2. Sơ đồ mạch điều khiển CHƯƠNG 6
CHỌN DÂY DẪN VÀ CÁP CHO HỆ THỐNG ĐIỆN
6.1. Chọn cáp từ trạm biến áp đến tủ phân phối chính MDB của phân xưởng
Vì dây từ trạm biến áp tới MDB là dây đi trên không nên ta có các thông số K1, K2, K3 như sau:
Đường dây đi từ tủ phân phối chính đến tủ động lực ta đi dây 1 mạch (mỗi mạch có 3
dây pha và một dây trung tính) và đi trên máng cáp, một mạch, bọc cách điện PVC,
nhiệt độ môi trường 30 độ C.
- K1 = 1 ( Nhiệt độ xung quanh là 30 độ C)
- K2 = 1 ( 1 cáp nhiều lõi đi trên máng cáp không đục lỗ )
- K3 = 0.97 ( 1 máng và 1 cap đặt sát nhau ) K = K1 × K2 × K3 = 0.97
Ta có dòng điện tính toán của toàn bộ phân xưởng là: � � 95.9 = = = 138.4 (A) ���� √ √ 3� 3∗ 0.4
Dòng điện cho phép định mức: � ≥ �� � = 150 = 154.6 (A) ����� đ� 0.97 �
Dựa vào catalogue của CADIVI kết hợp với dòng điện cho phép định mức ta chọn
được dây và cáp định mức CV70 cho 3 dây pha và CV70 cho 1 dây trung tính
6.2. Chọn dây dẫn từ tủ MDB chính tới từng tủ MDB phụ
Đường dây đi từ tủ phân phối chính đến tủ động lực ta đi dây 1 mạch (3 dây pha và
một dây trung tính) và đi trên máng cáp, một mạch, bọc cách điện PVC, nhiệt độ môi trường 30 độ C.
- K1 = 1 ( Nhiệt độ xung quanh là 30 độ C)
- K2 = 1 ( 1 cáp nhiều lõi đi trên máng cáp không đục lỗ )
- K3 = 0.97 ( 1 máng và 1 cap đặt sát nhau ) K = K1 × K2 × K3 = 0.97
6.3. Từ tủ phân phối chính MDB đến tủ phân phối phụ
Tủ phân phối phụ MDB1.
Đường dây đi từ tủ phân phối chính đến tủ động lực ta đi dây 5 mạch (mỗi mạch có 3
dây pha và một dây trung tính) và đi trên máng cáp, một mạch, bọc cách điện PVC,
nhiệt độ môi trường 30 độ C.
- K1 = 1 ( Nhiệt độ xung quanh là 30 độ C)
- K2 = 0.73 ( 5 cáp nhiều lõi đi trên máng cáp không đục lỗ )
- K3 = 0.75 ( 1 máng và 5 cap đặt sát nhau ) K = K1 × K2 × K3 = 0.5475 �
Ta có dòng điện tính toán của toàn bộ phân xưởng là: � ���1 ���� = � √3� 1
Sử dụng phương pháp chọn dây dẫn kết hợp chọn CB:
Kết hợp với CB bảo vệ ta chọn CB có dòng định mức Ilvmax = In ≥ � �����1 Dòng điện cho phép đị �� nh mức: ≥ � � ��đ�
Kiểm tra độ sụt áp nằm trong phạm vi cho phép (��≤ 5%)
�� = √3 ��(��cosµ + ��sinµ) � 22.5 36 � = cho dây đồng , = cho dây nhôm � � � �
Nếu đề bài không có thông tin nào khác chọn Xo = 0.08, Xo có thể bỏ qua cho dây dẫn
có tiết diện nhỏ hơn 50mm2 và �� có thể bỏ qua cho dây dẫn có tiết diện lớn hơn 55mm2
Tủ phân phối phụ MDB2. �
Ta có dòng điện tính toán của toàn bộ phân xưởng là: � ���2 ���� = � √3� 2
Sử dụng phương pháp chọn dây dẫn kết hợp chọn CB:
Kết hợp với CB bảo vệ ta chọn CB có dòng định mức Ilvmax = In ≥ � �����2 Dòng điện cho phép đị �� nh mức: ≥ � � ��đ�
Kiểm tra độ sụt áp nằm trong phạm vi cho phép (��≤ 5%) �� = √3 �
�(��cosµ + ��sinµ) Tủ
phân phối phụ MDB3. � ���3
Ta có dòng điện tính toán của toàn bộ phân xưởng là: � = ���� √3� �3
Sử dụng phương pháp chọn dây dẫn kết hợp chọn CB:
Kết hợp với CB bảo vệ ta chọn CB có dòng định mức Ilvmax = In ≥ � �����3 Dòng điện cho phép đị �� nh mức: ≥ � � ��đ�
Kiểm tra độ sụt áp nằm trong phạm vi cho phép (��≤ 5%)
�� = √3 ��(��cosµ + ��sinµ)
Tủ phân phối phụ MDB4. ����4
Ta có dòng điện tính toán của toàn bộ phân xưởng là: � = √3� �����4
Sử dụng phương pháp chọn dây dẫn kết hợp chọn CB:
Kết hợp với CB bảo vệ ta chọn CB có dòng định mức Ilvmax = In ≥ � �����4 Dòng điện cho phép đị �� nh mức: ≥ � � ��đ�
Kiểm tra độ sụt áp nằm trong phạm vi cho phép (��≤ 5%)
�� = √3 ��(��cosµ + ��sinµ)
Tủ phân phối phụ DB. ���
Ta có dòng điện tính toán của toàn bộ phân xưởng là: � = √3� ����
Sử dụng phương pháp chọn dây dẫn kết hợp chọn CB:
Kết hợp với CB bảo vệ ta chọn CB có dòng định mức Ilvmax = In ≥ � ���� Dòng điện cho phép đị �� nh mức: ≥ � � ��đ�
Kiểm tra độ sụt áp nằm trong phạm vi cho phép (��≤ 5%)
�� = √3 ��(��cosµ + ��sinµ)
6.4. Từ tủ phân phối MDB đến các tủ PX
6.4.1. Từ tủ phân phối MDB1 đến các tủ PX1-1, PX1-2, PX1-3
Đường dây đi từ tủ phân phối chính đến tủ động lực ta đi dây 3 mạch (mỗi mạch có 3
dây pha và một dây trung tính) và đi trên máng cáp, một mạch, bọc cách điện PVC,
nhiệt độ môi trường 30 độ C.
- K1 = 1 ( Nhiệt độ xung quanh là 30 độ C)
- K2 = 0.79 ( 3 cáp nhiều lõi đi trên máng cáp không đục lỗ )
- K3 = 0.78 ( 1 máng và 3 cap đặt sát nhau ) K = = K1 × K2 × K3 = 0.6162 �
Ta có dòng điện tính toán của toàn bộ phân xưởng là: � �� �� = √3� ��
Sử dụng phương pháp chọn dây dẫn kết hợp chọn CB:
Kết hợp với CB bảo vệ ta chọn CB có dòng định mức Ilvmax = In ≥ � ���� Dòng điện cho phép đị �� nh mức: ≥ � � ��đ�
Kiểm tra độ sụt áp nằm trong phạm vi cho phép (��≤ 5%)
�� = √3 ��(��cosµ + ��sinµ)
6.4.2. Từ tủ phân phối MDB2 đến các tủ PX2-1, PX2-2, PX2-3: �
Ta có dòng điện tính toán của toàn bộ phân xưởng là: � �� �� = √3� ��
Sử dụng phương pháp chọn dây dẫn kết hợp chọn CB:
Kết hợp với CB bảo vệ ta chọn CB có dòng định mức Ilvmax = In ≥ � ���� Dòng điện cho phép đị �� nh mức: ≥ � � ��đ�
Kiểm tra độ sụt áp nằm trong phạm vi cho phép (��≤ 5%)
�� = √3 ��(��cosµ + ��sinµ)
6.4.3. Từ tủ phân phối MDB3 đến các tủ PX3-1, PX3-2, PX3-3: �
Ta có dòng điện tính toán của toàn bộ phân xưởng là: �� �� = � √3� ��
Sử dụng phương pháp chọn dây dẫn kết hợp chọn CB:
Kết hợp với CB bảo vệ ta chọn CB có dòng định mức Ilvmax = In ≥ � ���� Dòng điện cho phép đị �� nh mức: ≥ � � ��đ�
Kiểm tra độ sụt áp nằm trong phạm vi cho phép (��≤ 5%)
�� = √3 ��(��cosµ + ��sinµ)
6.4.4. Từ tủ phân phối MDB4 đến các tủ PX4-1, PX4-2, PX4-3 �
Ta có dòng điện tính toán của toàn bộ phân xưởng là: �� �� = � √3� ��
Sử dụng phương pháp chọn dây dẫn kết hợp chọn CB:
Kết hợp với CB bảo vệ ta chọn CB có dòng định mức Ilvmax = In ≥ � ���� Dòng điện cho phép đị �� nh mức: ≥ � � ��đ�
Kiểm tra độ sụt áp nằm trong phạm vi cho phép (��≤ 5%)
�� = √3 ��(��cosµ + ��sinµ)
6.5. Từ các tủ PX đến các thiết bị
6.5.1. Từ tủ PX đến các Machine
Đường dây đi từ tủ phân phối chính đến tủ động lực ta đi dây 4 mạch (mỗi mạch có 3
dây pha ) và đi trên máng cáp, một mạch, bọc cách điện PVC, nhiệt độ môi trường 30 độ C.
- K1 = 1 ( Nhiệt độ xung quanh là 30 độ C)
- K2 = 0.75 ( 4 cáp nhiều lõi đi trên máng cáp không đục lỗ )
- K3 = 0.75 ( 1 máng và 4 cap đặt sát nhau ) K = = K1 × K2 × K3 = 0.75 �
Ta có dòng điện tính toán của toàn bộ phân xưởng là: I= √3�
Sử dụng phương pháp chọn dây dẫn kết hợp chọn CB:
Kết hợp với CB bảo vệ ta chọn CB có dòng định mức Ilvmax = In ≥ � ���� Dòng điện cho phép đị �� nh mức: ≥ � � ��đ�
Kiểm tra độ sụt áp nằm trong phạm vi cho phép (��≤ 5%)
�� = √3 ��(��cosµ + ��sinµ)
6.5.2. Từ các tủ PX đến các Pump
Đường dây đi từ tủ phân phối chính đến tủ động lực ta đi dây 2 mạch (mỗi mạch có 3
dây pha ) và đi trên máng cáp, một mạch, bọc cách điện PVC, nhiệt độ môi trường 30 độ C.
- K1 = 1 ( Nhiệt độ xung quanh là 30 độ C)
- K2 = 0.85 ( 4 cáp nhiều lõi đi trên máng cáp không đục lỗ )
- K3 = 0.84 ( 1 máng và 4 cap đặt sát nhau ) K = = K1 × K2 × K3 = 0.714 �
Ta có dòng điện tính toán của toàn bộ phân xưởng là: I= √3�
Sử dụng phương pháp chọn dây dẫn kết hợp chọn CB:
Kết hợp với CB bảo vệ ta chọn CB có dòng định mức Ilvmax = In ≥ � ���� Dòng điện cho phép đị �� nh mức: ≥ � � ��đ�
Kiểm tra độ sụt áp nằm trong phạm vi cho phép (��≤ 5%)
�� = √3 ��(��cosµ + ��sinµ) CHỌN DÂY VÀ CÁP Tiết diện CÁC Tiết diện ∆� Icpđm dây trung ro xo cosµ sinµ L(km) ∆� TỦ dây pha (%) tính MDB CV - 154.64 CV- 1×70 0.00 0.08 0.83 0.55 0.00 0.02 0.01 Chính 3×70 CV - MDB1 91.32 CV - 1×25 0.90 0.00 0.83 0.56 0.00 0.25 0.06 3×25 CV - MDB2 91.32 CV - 1×25 0.90 0.00 0.84 0.55 0.01 0.53 0.13 3×25 CV - MDB3 91.32 CV - 1×35 0.90 0.00 0.82 0.57 0.02 0.92 0.23 3×25 CV - MDB4 91.32 CV - 1×50 0.90 0.00 0.82 0.56 0.01 0.66 0.17 3×25 CV - DB 9.13 CV - 1×1.5 15.00 0.00 0.94 0.32 0.01 0.85 0.21 3×1.5 CVV - PX 1-1 48.69 CVV - 1×16 1.41 0.00 0.82 0.57 0.01 0.46 0.12 3×16 CVV - PX 1-2 48.69 CVV - 1×16 1.41 0.00 0.84 0.54 0.02 0.63 0.16 3×16 CVV - PX 1-3 24.34 CVV - 1×4 5.63 0.00 0.81 0.59 0.02 1.72 0.43 3×4 CVV - PX 2-1 48.69 CVV - 1×16 1.41 0.00 0.83 0.55 0.02 0.63 0.16 3×16 CVV - PX 2-2 48.69 CVV - 1×16 1.41 0.00 0.83 0.55 0.02 0.71 0.18 3×16 CVV - CVV - PX 2-3 16.23 15.00 0.00 0.84 0.54 0.02 5.03 1.26 3×1.5 1×1.5 CVV - PX 3-1 48.69 CVV - 1×16 1.41 0.00 0.81 0.58 0.01 0.51 0.13 3×16 CVV - PX 3-2 48.69 CVV - 1×16 1.41 0.00 0.82 0.57 0.02 0.72 0.18 3×16 CVV - CVV - PX 3-3 16.23 15.00 0.00 0.84 0.54 0.03 5.87 1.47 3×1.5 1×1.5 CVV - PX 4-1 48.69 CVV - 1×16 1.41 0.00 0.82 0.58 0.01 0.50 0.12 3×16 CVV - PX 4-2 48.69 CVV - 1×16 1.41 0.00 0.83 0.56 0.02 0.74 0.18 3×16 CVV - CVV - PX 4-3 16.23 15.00 0.00 0.82 0.56 0.02 4.82 1.21 3×1.5 1×1.5 Không có machine CVV - 13.33 dây trung 9.00 0.00 0.85 0.53 0.00 0.18 0.04 A1 3×2.5 tính Không có machine CVV - 13.33 dây trung 9.00 0.00 0.83 0.56 0.00 0.45 0.11 A2 3×2.5 tính Không có machine CVV - 13.33 dây trung 9.00 0.00 0.81 0.59 0.01 0.49 0.12 A3 3×2.5 tính Không có machine CVV - 13.33 dây trung 9.00 0.00 0.80 0.60 0.01 0.90 0.22 A4 3×2.5 tính Không có machine CVV - 13.33 dây trung 9.00 0.00 0.85 0.53 0.00 0.24 0.06 A5 3×2.5 tính Không có machine CVV - 20.00 dây trung 2.25 0.00 0.83 0.56 0.00 0.13 0.03 A6 3×10 tính Không có machine CVV - 13.33 dây trung 9.00 0.00 0.84 0.54 0.01 0.65 0.16 A7 3×2.5 tính Không có machine CVV - 6.67 dây trung 9.00 0.00 0.85 0.53 0.01 0.33 0.08 A8 3×2.5 tính Không có CVV - Pump A 14.01 dây trung 9.00 0.00 0.83 0.56 0.00 0.18 0.05 3×2.5 tính Không có CVV - Pump A 14.01 dây trung 9.00 0.00 0.80 0.60 0.01 0.54 0.13 3×2.5 tính Không có machine CVV - 13.33 dây trung 9.00 0.00 0.85 0.53 0.00 0.28 0.07 B1 3×2.5 tính Không có machine CVV - 13.33 dây trung 9.00 0.00 0.82 0.57 0.01 0.37 0.09 B2 3×2.5 tính Không có machine CVV - 20.00 dây trung 2.25 0.00 0.84 0.54 0.01 0.26 0.07 B3 3×10 tính Không có machine CVV - 13.33 dây trung 9.00 0.00 0.81 0.59 0.01 0.99 0.25 B4 3×2.5 tính Không có machine CVV - 20.00 dây trung 2.25 0.00 0.83 0.56 0.00 0.11 0.03 B5 3×10 tính Không có machine CVV - 13.33 dây trung 9.00 0.00 0.85 0.53 0.01 0.40 0.10 B6 3×2.5 tính Không có machine CVV - 13.33 dây trung 9.00 0.00 0.85 0.53 0.08 5.86 1.47 B7 3×2.5 tính Không có machine CVV - 13.33 dây trung 9.00 0.00 0.83 0.56 0.01 0.75 0.19 B8 3×2.5 tính Không có CVV - Pump B 14.01 dây trung 9.00 0.00 0.84 0.54 0.00 0.19 0.05 3×2.5 tính Không có CVV - Pump B 14.01 dây trung 9.00 0.00 0.85 0.53 0.01 0.37 0.09 3×2.5 tính Không có machine CVV - 13.33 dây trung 9.00 0.00 0.80 0.60 0.00 0.30 0.08 C1 3×2.5 tính Không có machine CVV - 13.33 dây trung 9.00 0.00 0.80 0.60 0.01 0.28 0.07 C2 3×2.5 tính Không có machine CVV - 20.00 dây trung 2.25 0.00 0.83 0.56 0.01 0.26 0.07 C3 3×10 tính Không có machine CVV - 13.33 dây trung 9.00 0.00 0.80 0.60 0.01 0.75 0.19 C4 3×2.5 tính Không có machine CVV - 13.33 dây trung 9.00 0.00 0.83 0.56 0.00 0.24 0.06 C5 3×2.5 tính Không có machine CVV - 13.33 dây trung 9.00 0.00 0.82 0.57 0.01 0.52 0.13 C6 3×2.5 tính Không có machine CVV - 13.33 dây trung 9.00 0.00 0.82 0.57 0.01 0.61 0.15 C7 3×2.5 tính Không có machine CVV - 20.00 dây trung 15.00 0.00 0.81 0.59 0.01 2.46 0.62 C8 3×10 tính Không có CVV - Pump C 14.01 dây trung 9.00 0.00 0.84 0.54 0.00 0.20 0.05 3×2.5 tính Không có CVV - Pump C 14.01 dây trung 9.00 0.00 0.85 0.53 0.01 0.39 0.10 3×2.5 tính Không có machine CVV - 13.33 dây trung 9.00 0.00 0.82 0.57 0.00 0.18 0.04 D1 3×2.5 tính Không có machine CVV - 13.33 dây trung 9.00 0.00 0.81 0.59 0.00 0.45 0.11 D2 3×2.5 tính Không có machine CVV - 20.00 dây trung 15.00 0.00 0.81 0.59 0.01 1.58 0.39 D3 3×10 tính Không có machine CVV - 6.67 dây trung 9.00 0.00 0.84 0.54 0.01 0.49 0.12 D4 3×2.5 tính Không có machine CVV - 20.00 dây trung 2.25 0.00 0.84 0.54 0.01 0.31 0.08 D5 3×10 tính Không có machine CVV - 13.33 dây trung 9.00 0.00 0.83 0.56 0.00 0.48 0.12 D6 3×2.5 tính Không có machine CVV - 13.33 dây trung 9.00 0.00 0.85 0.53 0.01 0.55 0.14 D7 3×2.5 tính Không có machine CVV - 13.33 dây trung 9.00 0.00 0.81 0.59 0.01 0.95 0.24 D8 3×2.5 tính Không có CVV - Pump D 14.01 dây trung 9.00 0.00 0.85 0.53 0.00 0.23 0.06 3×2.5 tính Không có CVV - Pump D 14.01 dây trung 9.00 0.00 0.80 0.60 0.01 0.40 0.10 3×2.5 tính
6.6. Chọn thiết bị bảo vệ.
CB (Circuit Breaker) : là một khí cụ đóng hay cắt mạch bằng phương pháp không tự
động nhưng có khả năng cắt mạch tự động khi các tiếp điểm của nó có dòng điện lớn
hơn mức chỉnh đặt trước đi qua. Dựa theo cấu tạo của vỏ bên ngoài, ta có các loại sau :
MCB (Miniature Circuit Breaker): thường gọi là CB tép hay CB một pha.
MCCB (Molded Case Circuit Breaker): là CB ba pha chung một vỏ (không phải ba CB một pha ghép lại)
ELCB (Earth Leakage Circuit Breaker): đây là loại CB ngoài các chức năng đóng cắt và
bảo vệ như các CB thông dụng mà nó còn kèm theo chức năng chống dòng rò bảo vệ an
toàn cho người khi thiết bị điện bị rò điện. ELCB có các chức năng như sau : - Bảo vệ quá tải. - Bảo vệ ngắn mạch.
- Bảo vệ thấp áp (sử dụng kèm cuộn dây bảo vệ thấp áp) - Đóng cắt và cách ly
Điều kiện lựa chọn CB cho phân xưởng:
- Điện áp vận hành định mức: UđmCB ≥ Uđmmang.
- Điện áp cách điện định mức
- Điện áp xung định mức.
- Điện áp kiểm tra trong một phút.
- Dòng điện định mức: IZ ≥ Ilvmax
- Khả năng cắt dòng ngắn mạch: Icu ≥ INmax
- Dãy điều chỉnh dòng điện định mức. - f = 50 ÷ 60 (Hz) - Số cực: 1,2,3,4 cực.
Thông thường khi chọn CB cho mạng hạ áp ta cần chú ý đến điều kiện chính sau:
Dòng cắt ngắn mạch: Icu ≥ INmax
Dòng điện định mức: IZ ≥ Ilvmax
Điện áp định mức: UđmCB ≥ Uđmmang.
6.6.1. Chọn MCCB tổng cho tủ phân phối MDB chính.
Dựa vào kết quả tính toán và điều kiện lựa chọn CB ta quyết định chọn MCCB và ELCB
tổng của hãng MITSUBISHI. Tài liệu MCCB và ACB của hãng Mitshubishi , PGS.TS
Quyền Huy Ánh ta có bảng sau: MCCB Ilvmax (A) IZ (A) Số Hiệu Số cực 110.74 125 NF250-CV 3
6.6.2. Chọn MCCB cho các tủ MDB.
Dựa vào kết quả tính toán và điều kiện lựa chọn CB ta quyết định chọn MCCB và ELCB
tổng của hãng MITSUBISHI. Tài liệu MCCB và ACB của hãng Mitshubishi , PGS.TS
Quyền Huy Ánh ta có bảng sau: Tên tủ MCCB MDB Ilvmax (A) IZ (A) Số Hiệu Số cực MDB1 50 60 NF63-CV 3 MDB2 50 60 NF63-CV 3 MDB3 50 60 NF63-CV 3 MDB4 50 60 NF63-CV 3 DB 5 10 NF30-CS 3
6.6.3. Chọn MCCB cho các tủ động lực phân xưởng.
Dựa vào kết quả tính toán và điều kiện lựa chọn CB ta quyết định chọn MCCB và ELCB
tổng của hãng MITSUBISHI. Tài liệu MCCB và ACB của hãng Mitshubishi , PGS.TS
Quyền Huy Ánh ta có bảng sau: Tên tủ MCCB động lực Ilvmax (A) IZ (A) Số Hiệu Số cực PX 1-1 30.00 30 NF30-CS 3 PX 1-2 30.00 30 NF30-CS 3 PX 1-3 15.00 20 NF30-CS 3 PX 2-1 30.00 30 NF30-CS 3 PX 2-2 30.00 30 NF30-CS 3 PX 2-3 10.00 10 NF30-CS 3 PX 3-1 30.00 30 NF30-CS 3 PX 3-2 30.00 30 NF30-CS 3 PX 3-3 10.00 10 NF30-CS 3 PX 4-1 30.00 125 NF30-CS 3 PX 4-2 30.00 30 NF30-CS 3 PX 4-3 10.00 10 NF30-CS 3
6.6.4. Chọn MCCB cho các máy PX1
Máy A1 có công suất: Pđm = 9.83 (kW), cosφ = 0,85 �đ� 9.83 �đ� = = = 16.69 (�)
√3. �đ�. ���� √3. 0.4.0.85 IđmMCCB ≥ IđmA1= 16.69(A)
UđmMCCB≥ Uđmmạng= 400(V)
Tính toán tương tự đối với các máy khác.
Dựa vào kết quả tính toán và điều kiện lựa chọn CB ta quyết định chọn MCCB và ELCB
tổng của hãng MITSUBISHI. Tài liệu MCCB và ACB của hãng Mitshubishi , PGS.TS
Quyền Huy Ánh ta có bảng sau: Tên máy Công suất Cosφ Ilvmax (A) MCCB đm(Kw) IZ (A) Số Hiệu Số cực A1 3.00 0.85 10.00 10 NF30-CS 3 A2 4.00 0.83 10.00 10 NF30-CS 3 A3 3.00 0.81 10.00 10 NF30-CS 3 A4 4.00 0.80 10.00 10 NF30-CS 3 A5 4.00 0.85 10.00 10 NF30-CS 3 A6 5.50 0.83 15.00 20 NF30-CS 3 A7 4.00 0.84 10.00 10 NF30-CS 3 A8 1.50 0.85 5.00 10 NF30-CS 3 Pump A1 3.00 0.83 10.00 10 NF30-CS 3 Pump A2 4.00 0.80 10.00 10 NF30-CS 3
6.6.5. Chọn MCCB cho các máy PX2
Máy A1 có công suất: Pđm = 24.6 (kW), cosφ = 0,85 �đ� 24.6 �đ� = = = 41.77 (�)
√3. �đ�. ���� √3. 0.4.0.85
IđmMCCB ≥ IđmA1= 41.77 (A)
UđmMCCB≥ Uđmmạng= 400 (V)
Dựa vào kết quả tính toán và điều kiện lựa chọn CB ta quyết định chọn MCCB và ELCB
tổng của hãng MITSUBISHI. Tài liệu MCCB và ACB của hãng Mitshubishi , PGS.TS
Quyền Huy Ánh ta có bảng sau: Tên máy Công suất Cosφ MCCB Ilvmax (A) đm(Kw) IZ (A) Số Hiệu Số cực B1 4.00 0.85 10.00 10 NF30-CS 3 B2 3.00 0.82 10.00 10 NF30-CS 3 B3 5.50 0.84 15.00 20 NF30-CS 3 B4 4.00 0.81 10.00 10 NF30-CS 3 B5 5.50 0.83 15.00 20 NF30-CS 3 B6 3.00 0.85 10.00 10 NF30-CS 3 B7 3.00 0.85 10.00 10 NF30-CS 3 B8 3.00 0.83 10.00 10 NF30-CS 3 Pump B1 4.00 0.84 10.00 10 NF30-CS 3 Pump B2 3.00 0.85 10.00 10 NF30-CS 3
6.6.6. Chọn MCCB cho các máy PX3
Máy A1 có công suất: Pđm = 24.1 (kW), cosφ = 0,85 �đ� 24.1 �đ� = = = 40.9 (�)
√3. �đ�. ���� √3. 0.4.0.85 IđmMCCB ≥ IđmA1= 40.9(A)
UđmMCCB≥ Uđmmạng= 400(V)
Dựa vào kết quả tính toán và điều kiện lựa chọn CB ta quyết định chọn MCCB và ELCB
tổng của hãng MITSUBISHI. Tài liệu MCCB và ACB của hãng Mitshubishi , PGS.TS
Quyền Huy Ánh ta có bảng sau: Tên máy Công suất Cosφ MCCB Ilvmax (A) đm(Kw) IZ (A) Số Hiệu Số cực C1 4 0.8 10.00 10 NF30-CS 3 C2 2.2 0.8 10.00 10 NF30-CS 3 C3 5.5 0.83 15.00 20 NF30-CS 3 C4 3 0.8 10.00 10 NF30-CS 3 C5 3 0.83 10.00 10 NF30-CS 3 C6 4 0.82 10.00 10 NF30-CS 3 C7 3 0.82 10.00 10 NF30-CS 3 C8 5.5 0.81 15.00 20 NF30-CS 3 Pump C1 4 0.84 10.00 10 NF30-CS 3 Pump C2 3 0.85 10.00 10 NF30-CS 3
6.6.7. Chọn MCCB cho các máy PX4
Máy A1 có công suất: Pđm = 24.4 (kW), cosφ = 0,85 �đ� 24.4 �đ� = = = 41.4 (�)
√3. �đ�. ���� √3. 0.4.0.85 IđmMCCB ≥ IđmA1= 41.4 (A)
UđmMCCB≥ Uđmmạng= 400(V)
Dựa vào kết quả tính toán và điều kiện lựa chọn CB ta quyết định chọn MCCB và ELCB
tổng của hãng MITSUBISHI. Tài liệu MCCB và ACB của hãng Mitshubishi , PGS.TS
Quyền Huy Ánh ta có bảng sau: Tên máy Công suất Cosφ MCCB Ilvmax (A) đm(Kw) IZ (A) Số Hiệu Số cực D1 3 0.82 10.00 10 NF30-CS 3 D2 4 0.81 10.00 10 NF30-CS 3 D3 5 0.81 15.00 20 NF30-CS 3 D4 2.2 0.84 5.00 10 NF30-CS 3 D5 5.5 0.84 15.00 20 NF30-CS 3 D6 4 0.83 10.00 10 NF30-CS 3 D7 3 0.85 10.00 10 NF30-CS 3 D8 4 0.81 10.00 10 NF30-CS 3 Pump D1 4 0.85 10.00 10 NF30-CS 3 Pump D2 3 0.8 10.00 10 NF30-CS 3 CHƯƠNG 7
CHỌN THIẾT BỊ KHỞI ĐỘNG
Ưu điểm nổi trội của thiết bị điện Schneider
Schneider với ưu điểm nổi trội như Đảm bảo độ an toàn cao, Hiệu quả cao, Thân thiện
với môi trường, Độ bền cao, Thiết kế mẫu mã sang trọng.
Thiết bị điện Schneider (Schneider Electric) là dòng thiết bị điện cao cấp được phân
phối và có các nhà máy tại nhiều nước trên thế giới. Schenider Electric đã phải trải qua
nhiều giai đoạn với những nỗ lực không ngừng nghỉ để trở thành một công ty hàng đầu
về thiết bị điện, quản lý năng lượng, hệ thống tự động hóa.
Thiết bị điện Shcneider được sử dụng phổ biến tại Việt Nam và là một thương hiệu lớn
trên thị trường thiết bị điện Việt Nam. Về chất lượng, họ đã khẳng định được vị thế của
mình qua nhiều công trình trên thế giới và đáp ứng được các yêu cầu kỹ thuật khắt khe trong công nghiệp.
*Link các thiết bị
TeSys LE | Schneider Electric Việt Nam (se.com)
Soft starter SCHNEIDER (emin.vn)
Biến tần Schneider 1 Pha & 3 Pha, Bảng Giá 2022 - Codienhaiau.com ✅ LOẠI TÊN KHỞI ĐỘNG TÊN Pđm VOLTAGE CURRENT KHỞI Iđm Hiệu MÁY (kW) (V) (A) ĐỘNG (A) Machine Soft 17 ATS48D17Q 3.3 400 5.5 A1 Starter Machine 9 LE3D09V7A04 4.4 400 7.7 Start/Delta A2 Machine Soft 17 ATS48D17Q 3.3 400 5.8 A3 Starter Machine Variable 12 ATV310HU55N4E 4.4 400 7.9 A4 Speed Machine Variable 12 ATV310HU55N4E 4.4 400 7.5 A5 Speed Machine Soft 17 ATS48D17Q 6.0 400 10.4 A6 Starter Machine 9 LE1D09V7A04 4.3 400 7.5 DOL A7 Machine 9 LE1D09V7A04 1.6 400 2.8 DOL A8 Pump A1 3.4 230 17.7 DOL 18 LE1D18V7A04 Pump A2 4.5 400 8.1 Start/Delta 9 LE3D09V7A04 Machine Soft 17 ATS48D17Q 4.3 400 7.4 B1 Starter Machine Soft 17 ATS48D17Q 3.3 400 5.7 B2 Starter Machine 12 LE3D12V7 6.1 400 10.5 Start/Delta B3 Machine Variable 12 ATV310HU55N4E 4.4 400 7.8 B4 Speed Machine 6.0 400 10.4 Soft 17 ATS48D17Q B5 Starter Machine Variable 12 ATV310HU55N4E 3.3 400 5.5 B6 Speed Machine Soft 17 ATS48D17Q 3.3 400 5.5 B7 Starter Machine 9 LE1D09V7A04 3.3 400 5.8 DOL B8 Pump B1 4.5 400 7.7 Start/Delta 9 LE3D09V7 Pump B2 3.3 230 17.1 DOL 18 LE1D18V7A04 Machine Soft 17 ATS48D17Q 4.3 400 7.9 C1 Starter Machine Variable 12 ATV310HU55N4E 2.4 400 4.4 C2 Speed Machine 12 LE1D12V7A04 6.0 400 10.4 DOL C3 Machine 9 LE1D09V7A04 3.3 400 6.0 DOL C4 Machine Variable 12 ATV310HU55N4E 3.3 400 5.7 C5 Speed Machine Variable 12 ATV310HU55N4E 4.3 400 7.7 C6 Speed Machine 9 LE1D09V7A04 3.3 400 5.9 Start/Delta C7 Machine 9 LE1D09V7A04 6.0 400 10.7 DOL C8 Pump C1 4.5 400 7.7 Start/Delta 9 LE3D09V7A04 Pump C2 3.3 400 5.7 Start/Delta 9 LE3D09V7A04 Machine Soft 17 ATS48D17Q 3.3 400 5.7 D1 Starter Machine Soft 17 ATS48D17Q 4.3 400 7.8 D2 Starter Machine 5.6 400 10.0 Start/Delta 12 LE3D12V7 D3 Machine Variable 12 ATV310HU55N4E 2.4 400 4.1 D4 Speed Machine Variable 12 ATV310HU55N4E 6.0 400 10.3 D5 Speed Machine Soft 17 ATS48D17Q 4.3 400 7.6 D6 Starter Machine Variable 12 ATV310HU55N4E 3.3 400 5.6 D7 Speed Machine Soft 17 ATS48D17Q 4.3 400 7.8 D8 Starter Pump D1 4.5 230 23.0 DOL 25 LE1D25V7A04 Pump D2 3.3 400 6.0 Start/Delta 9 LE3D09V7A04 CHƯƠNG 8
THIẾT KẾ BỐ TRÍ SƠ BỘ THIẾT BỊ VÀO VỎ TỦ CHO TỦ MSB
Tổng quan tủ MSB trên phần mền AUTOCAD
Phía trong và vỏ ngoài tủ CHƯƠNG 9
SƠ ĐỒ CHI TIẾT BỘ ĐIỀU KHIỂN Y/∆ ĐIỀU KHIỂN THIẾT BỊ
Sơ đồ mạch động lực khởi động Y/∆ của máy A2
Sơ đồ nguyên lý mạch điều khiển khởi động Y/∆ của máy A2 Sơ đồ mô phỏng CHƯƠNG 10
ƯỚC TÍNH KHỐI LƯỢNG THIẾT BỊ TỔNG MSB TỦ ĐIỆN VÀ TỦ TỤ BÙ Số Thành tiền Tên thiết bị Xuất sứ lượng Đơn giá (VNĐ) (VNĐ) (cái) Vỏ tủ điện MSB VEICORP-VN 1 6.900.000 6.900.000 MCCB chính Nhật bản 2 9.508.000 19.016.000 MCCB nhánh Nhật bản 4 1.909.000 7.636.000 MCCB tụ bù Nhật bản 5 1.114.000 5.570.000 MCCB đèn Nhật bản 1 375.000 375.000 Biến dòng CT Việt nam 1 120.000 120.000 Công tơ 3P EMIC-Việt Nam 1 1.350.000 1.350.000 Timer KONO- Việt Nam 1 220.000 220.000 Bộ điều khiển tụ Việt nam 1 810.000 810.000 bù Tụ bù Schneider-Pháp 4 3.055.800 12.223.200 Contactor Schneider-Pháp 4 977.740 3.910.960 Cuộn kháng Thổ Nhĩ Kỳ 1 3.850.00 3.850.000 Đèn báo nguồn Schneider-Pháp 9 33.000 297.000 CB Schneider-Pháp 3 220.000 660.000 Thanh cái Việt Nam 6 790.000 4.740.000 TỔNG 67.678.160