





















Preview text:
Trần Nguyễn Hửu Thắng – 21146318
Chương 4: Các phần tử điều khiển bằng khí nén
Ví dụ 01: Thiết kế mạch điều khiển khí nén với yêu cầu sau:
• Tác động vào nút ấn hoặc bàn đạp để điều khiển xy lanh tác động hai chiều đi ra chậm, về nhanh.
Downloaded by VietJack TV Of icial (vietjackvideos@gmail.com)
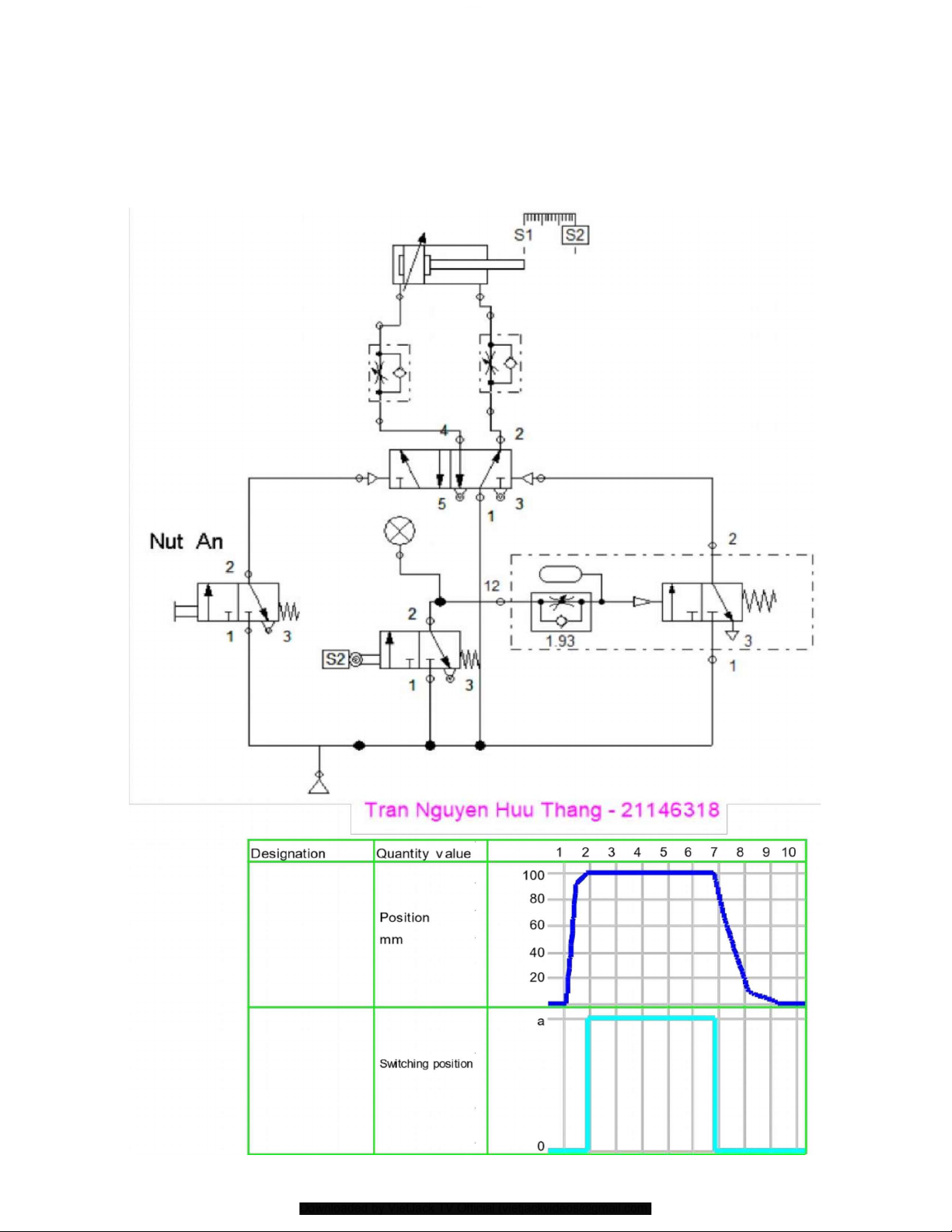
Ví dụ 02: Thiết kế mạch điều khiển khí nén với yêu cầu sau:
• Tác động đồng thời vào nút nhấn và bàn đạp để điều khiển xy lanh tác động hai
chiều đi ra nhanh, về chậm.
• Khi xy lanh ra tới cuối hành trình, chạm công tắc hành trình S2 thì xi lanh A tự động đi về.
Downloaded by VietJack TV Of icial (vietjackvideos@gmail.com)
Ví dụ 03: Thiết kế mạch điều khiển khí nén với yêu cầu sau:
• Xy lanh A đi ra khi: tác động vào nút ấn HOẶC bàn đạp VÀ công tắc hành
trình S1 đã bị tác động (đè lên) thì xy lanh A tác động hai chiều đi ra nhanh.
• Xy lanh A lùi về khi: Xy lanh ra tới cuối hành trình, chạm công tắc hành trình
S2 thì xi lanh A tự động về chậm
Downloaded by VietJack TV Of icial (vietjackvideos@gmail.com)
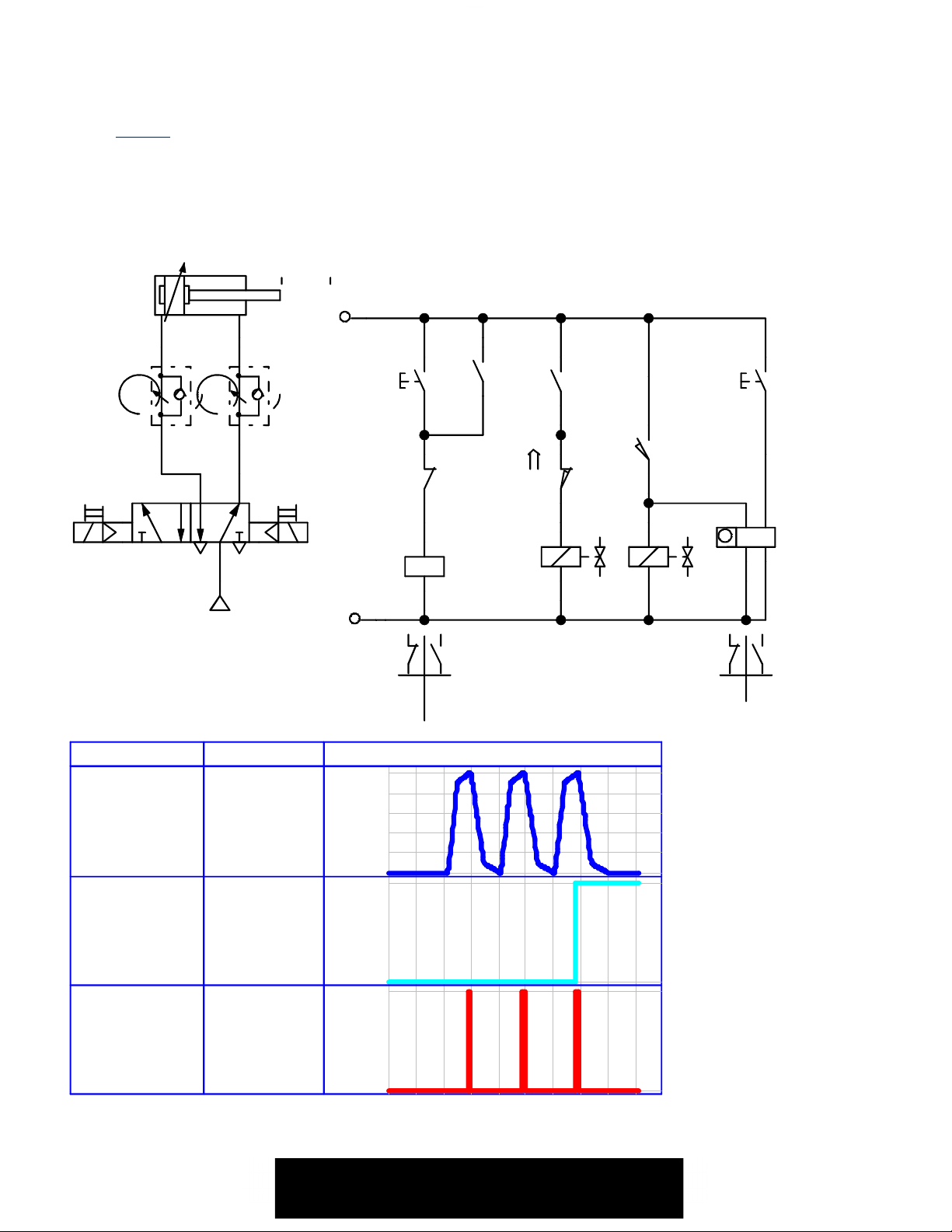
Ví dụ 04: Điều khiển tùy động theo thời gian Mạch điều khiển theo yêu cầu:
Khi nhấn nút ấn, Xi lanh ra chậm, khi chạm công tắc hành trình S2, xi lanh dừng
thời gian 5 giây (đèn sáng), sau đó tự động lùi về với vận tốc chậm.
Downloaded by VietJack TV Of icial (vietjackvideos@gmail.com)
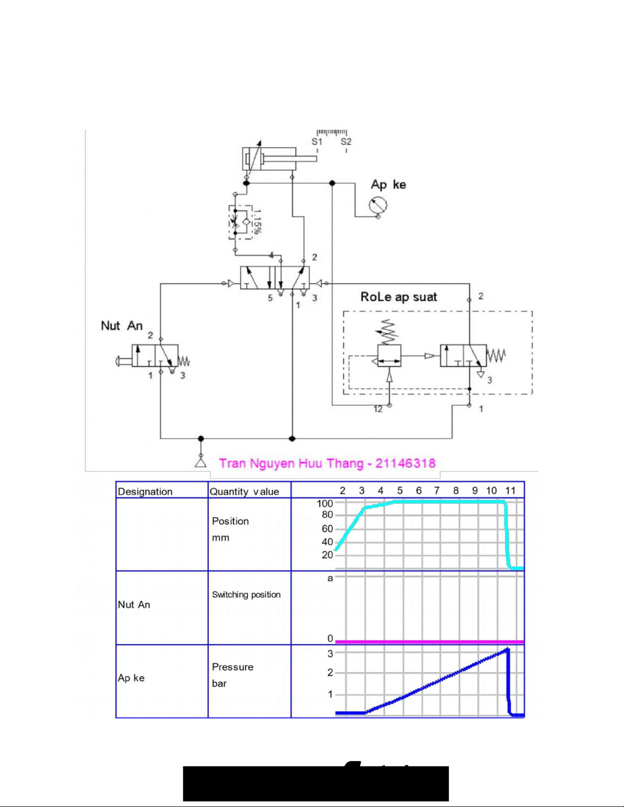
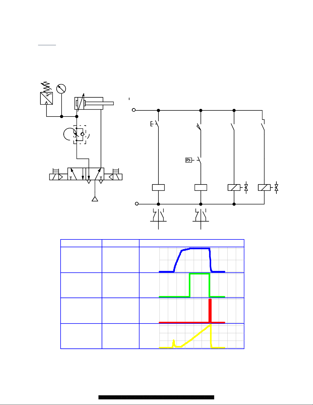
Ví dụ 05: Khi nhấn nút ấn, Xi lanh ra chậm, Xi lanh tự động lùi về, khi áp suất
cuối hành trình đạt yêu cầu p = 3bar
Downloaded by VietJack TV Of icial (vietjackvideos@gmail.com)
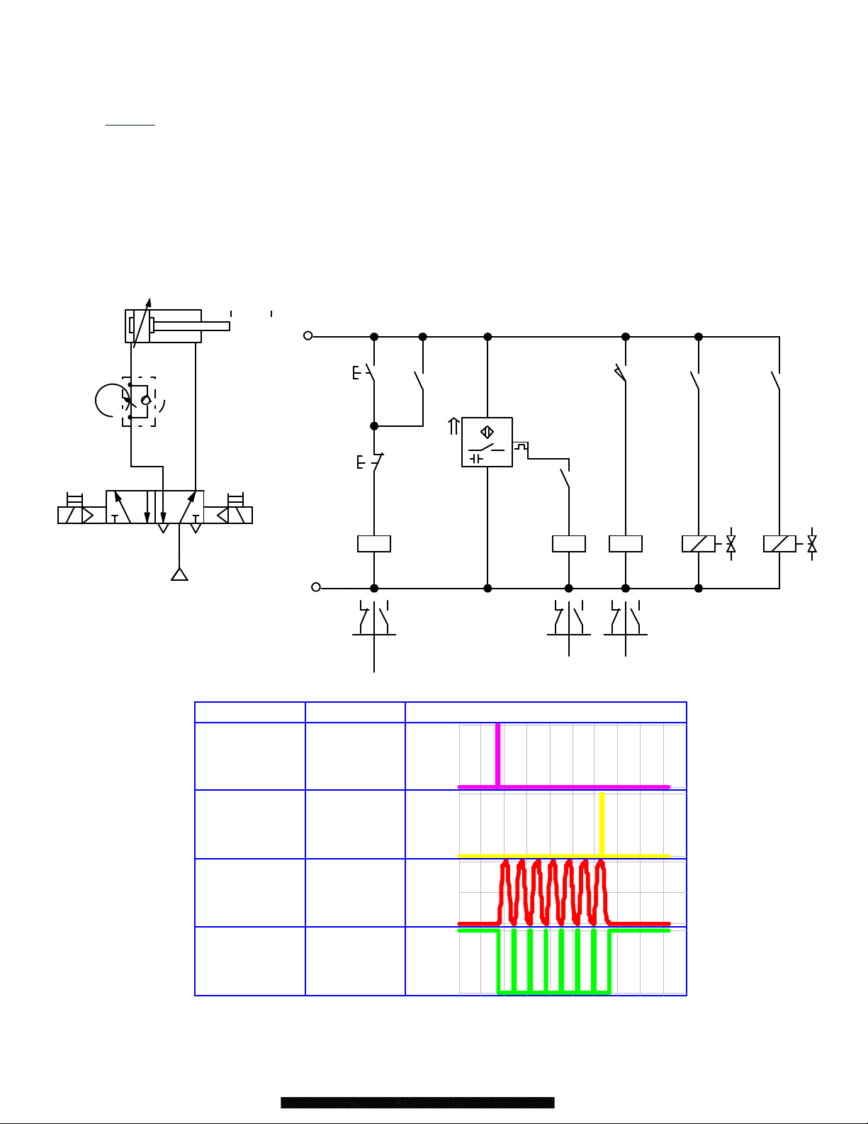
Ví dụ 06: Ứng dụng bộ đếm (counter) Mạch điều khiển theo yêu cầu:
- Khi nhấn nút ấn, Xi lanh đi ra chậm, chạm B2 (đèn sáng), Xi lanh tự động lùi về,
quá trình lặp lại đếm 3 lần, sau đó xi lanh dừng lại.
Downloaded by VietJack TV Of icial (vietjackvideos@gmail.com)
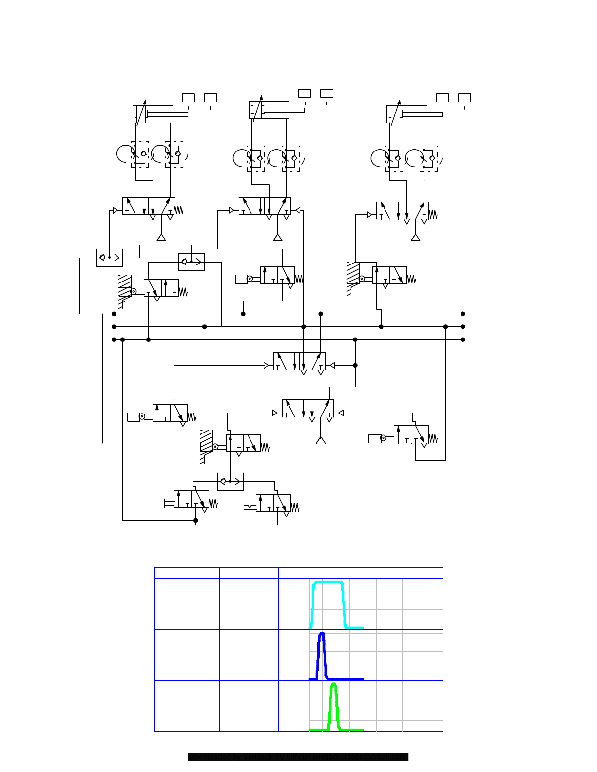
Chương 5: Thiết kế hệ thống khí nén
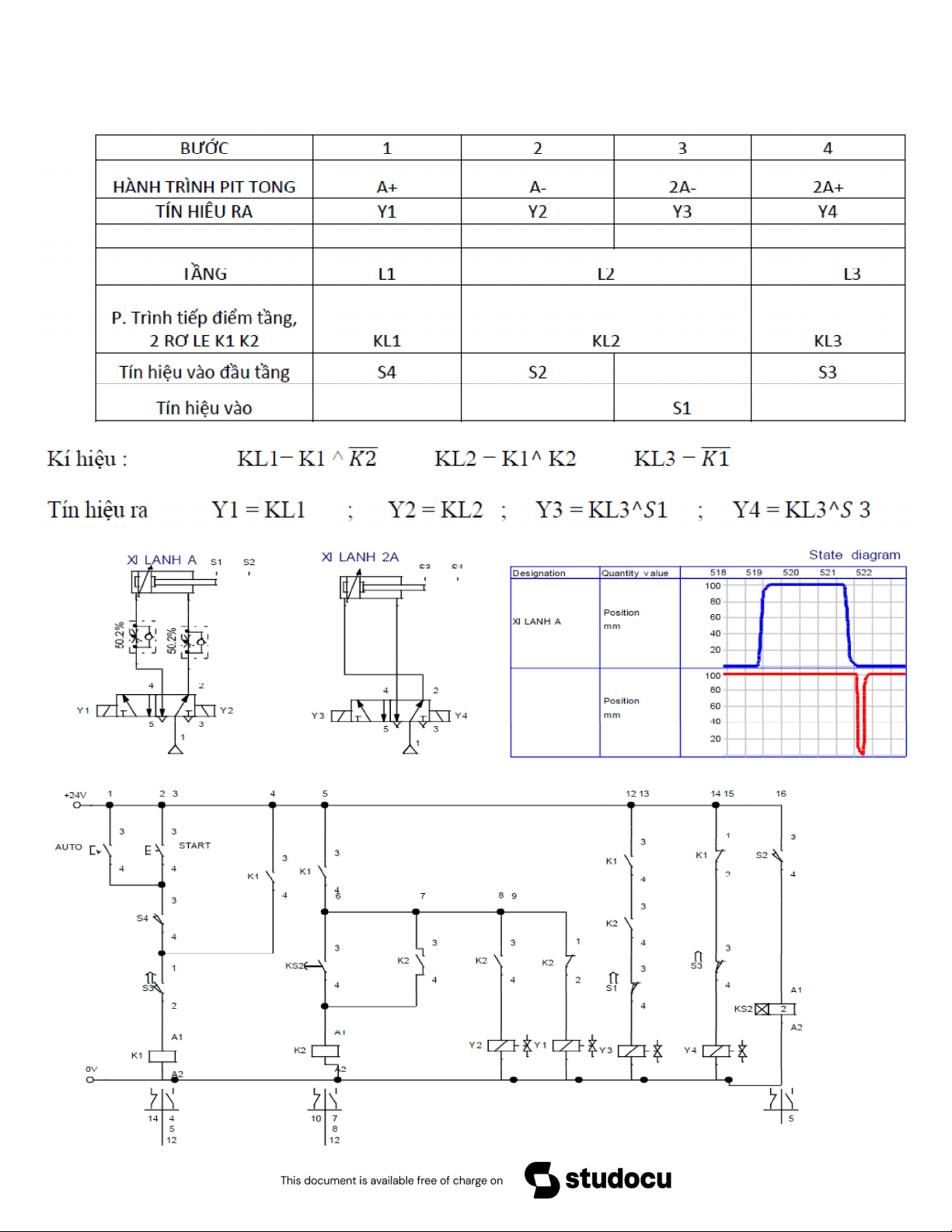
Ví dụ 3: Máy gấp tôn tự động Program /A+B+B-C+C-A-/
Bảng điều khiển quy trình: Bước hành trình 1 2 3 4 Hành trình pittong 1A+(T) 1A- 2A- 2A+ (cơ cấu chấp hành) Tính hiệu ra Y1 Y2 Y3 Y4 (Output) Tầng (Line) L1 L2 L3 Flip-Flop (xử lí) 2 van đảo chiều 5/2 Tín hiệu đầu tầng: Start^S4 S2^T S3 E1, E2, E3. Tín hiệu vào S1 (Input) Tín hiệu ra Y( Output):
Y1 = L1; Y2 = L2; Y3 = L2^S1; Y4 =L3
Downloaded by VietJack TV Of icial (vietjackvideos@gmail.com) XILANH A XILANH B S3 S4 XILANH C S1 S2 S5 S6 % % 0 0 % % % % 5 5 0 0 0 0 5 5 5 5 4 2 4 2 4 2 Y1 Y3 Y4 Y5 5 3 5 3 1 1 5 3 1 2 2 1 1 1 1 2 2 2 S2 S3 S5 1 3 1 3 1 3 L 1 L 2 4 2 L 3 E 2 5 3 1 4 2 2 E 1 E 3 S4 2 5 3 1 3 2 1 S6 S1 1 3 1 3 2 1 1 START AUTO 2 2 1 3 1 3 Tran Nguyen Huu Thang 21146318 Designation Quantity value 0 1 2 3 4 5 6 7 8 9 10 100 80 Position 60 mm 40 20 100 80 Position 60 XILANH B mm 40 20 100 80 Position 60 mm 40 20
Downloaded by VietJack TV Of icial (vietjackvideos@gmail.com) BÀI THAM KHẢO Bài 1:
Downloaded by VietJack TV Of icial (vietjackvideos@gmail.com) Bài 2: chọn D
Downloaded by VietJack TV Of icial (vietjackvideos@gmail.com) Bài 3:
Downloaded by VietJack TV Of icial (vietjackvideos@gmail.com)
Chương 6: Các phần tử điện – khí nén
Bài 1: Điều khiển van đảo chiều 5/2- 1 coil và Van đảo chiều 5/2-2 coil
a. Van dao chieu 5/2 voi 1 coil XI LANH A Bieu do trang thai van 1 coil +24V 1 Designation Quantity value 2 3 4 5 6 7 8 9 10 11 2 100 3 3 80 S1 K Position 60 % XI LANH A 0 mm 2 4 4 40 A1 20 4 2 K Y 1 0V A2 Y State 5 3 S1 1 Van dao chieu Y 2
b. Van dao chieu 5/2 voi 2 coil XI LANH A Bieu do trang thai van 2 coil +24V 3 4 5 Designation Quantity value 2 3 4 5 6 7 8 9 10 11 100 6 3 3 3 3 80 Position 60 XI LANH A mm S1 S2 K1 K2 40 % 20 0 2 4 4 4 4 A1 A1 1 Van dao chieu Y1 - Y2 State K1 K2 S1 4 2 Y1 Y2 0V A2 A2 Y1 Y2 1 5 3 1 State S2 5 6
Downloaded by VietJack TV Of icial (vietjackvideos@gmail.com)
Bài 2: Điều khiển van đảo chiều 5/2- 2 coil và van đảo chiều 5/3 – 2 coil Tran Nguyen Huu Thang 21146318
a. Van dao chieu 5/2 voi 2 coil XI LANH A
Bieu do trang thai - Van 5/2: 2 coil +24V 1 2 3 4 Designation Quantity value 0 1 2 3 4 5 6 7 8 910 100 Position 3 3 3 3 XI LANH A 50 mm S1 S2 K1 K2 % 0 1 2 4 4 4 4 State A1 A1 S1 K1 Van dao chieu 1Y - 2Y K2 4 2 1Y 2Y 1 0V A2 A2 State S2 1Y 2Y 5 3 1 a Switching position 3 4 Van dao chieu 1Y - 2Y 0
b. Van dao chieu 5/3 voi 2 coil XI LANH A
Bieu do trang thai - Van 5/2: 2 coil +24V 1 2 3 4 Designation Quantity value 0 1 2 3 4 5 6 7 8 9 10 100 Position 3 3 3 3 XI LANH A 50 mm S1 S2 K3 K4 % 0 1 2 4 4 4 4 State A1 A1 S1 K3 Van dao chieu 3Y - 4Y K4 3Y 4Y 1 4 2 0V A2 A2 State S2 3Y 4Y 5 3 a 1 Switching position 3 4 Van dao chieu 3Y - 4Y 0 b
Downloaded by VietJack TV Of icial (vietjackvideos@gmail.com)
Bài 3: Mạch điều khiển tùy động theo hành trình - cảm biến (sensor)/Proximity
Nhấn Nút START xi lanh A đi ra, khi S2 kích hoạt, xi lanh A lùi về. Khi B1 kích
hoạt xi lanh A lại đi ra, chu
trình thực hiện tự đô ̣ng. Khi nhấn nút STOP, thì xi lanh A dừng lại. XI LANH A B1 S2 +24V 1 2 3 5 6 7 3 3 START 3 3 3 S2 K1 K2 K3 4 .1% 3 4 7 4 4 4 B1 1 3 4 2 STOP 2 K1 4 Y1 Y2 A1 A1 A1 5 3 K1 K2 K3 Y1 Y2 1 0V A2 A2 A2 2 6 7 4 Tran Nguyen Huu Thang 21146318 Designation Quantity value 0 1 2 3 4 5 6 7 8 9 10 1 State START 1 State STOP 100 Position XI LANH A 50 mm 1 State B1
Downloaded by VietJack TV Of icial (vietjackvideos@gmail.com)
Bài 4: Mạch điều khiển sử dụng rơ le th i gian
Nhấn START xi lanh A (xi lanh B) đi ra. Xi lanh A (xi lanh B) lùi về, khi chạm
công tắc hành trình S1 (S2) và dừng lại thời gian T= 1 giây
a. Mach role thoi gian dong cham Tran Nguyen Huu Thang 21146318 XI LANH A S1 +24V 1 2 3 Designation Quantity value 59 60 61 62 63 64 65 66 67 68 4 100 3 80 START 3 3 Position 3 60 XI LANH A K1 K2 mm % 40 8 4 S1 20 .7 7 4 4 4 1 Role thoi gian dong cham State Van 5/2 A1 S1 4 2 K2 1 A2 Y1 Y2 A1 a 5 3 K1 Y1 Y2 1 Switching position Van 5/2 0V A2 0 3 4
b. Mach role thoi gian nha cham XI LANH B S2 +24V 5 6 7 8 Designation Quantity value 59 60 61 62 63 64 65 66 67 68 100 3 80 START 3 1 Position 1 60 XI LANH B mm 40 % K3 S2 8 4 K4 20 .7 7 4 2 2 1 State Van 5/2 Role thoi gian nha cham S2 A1 4 2 K4 1 Y3 Y4 A1 a A2 5 3 K3 Y3 Y4 Switching position 1 Van 5/2 0V A2 0 7 8
Downloaded by VietJack TV Of icial (vietjackvideos@gmail.com)
Bài 5: Mạch điện điều khiển sử dụng rơ le áp suất
Nhấn START xi lanh A đi ra. Xi lanh A lùi về, khi chạm công tắc hành trình S1 và đ áp suất p= 3 bar P Ap ke XI LANH A S1
Mach dieu khien cam bien ap suat +24V 1 2 3 4 3 START 3 3 3 % S1 K1 K2 5 4 .5 2 4 4 4 3 Van 5/2 4 2 P 4 Y1 Y2 A1 A1 5 3 K1 K2 Y1 Y2 1 0V A2 A2 3 4 Tran Nguyen Huu Thang 21146318 Designation Quantity value 0 1 2 3 4 5 6 7 8 9 10 100 Position XI LANH A 50 mm 1 State S1 1 Switching position P 3 Pressure 2 Ap ke bar 1
Downloaded by VietJack TV Of icial (vietjackvideos@gmail.com)
Bài 6: Mạch điện điều khiển sử dụng bộ đếm (Counter)
Nhấn START xi lanh 2A đi ra. Xi lanh 2A lùi về, khi chạm công tắc hành trình S2.
Quá trình thực hiện đếm 3 lần. Sau đó xi lanh 2A dừng lại. Cách chỉnh số lần đếm. XI LANH A S1 S2
Mach dieu khien cam bien ap suat +24V 1 2 3 4 5 6 3 3 3 3 START RESET % % K1 1 2 K1 .7 .7 4 4 9 5 4 4 3 1 3 S2 Van 5/2 4 2 K0 S1 4 2 4 A1 R1 Y1 Y2 A1 K0 3 Bo dem 5 3 Y1 Y2 A2 R2 1 K1 0V A2 2 1 Tran Nguyen Huu Thang 21146318 3 Designation Quantity value 0 1 2 3 4 5 6 7 8 9 10 100 80 Position 60 XI LANH A mm 40 20 1 State K0 1 State S2
Downloaded by VietJack TV Of icial (vietjackvideos@gmail.com)
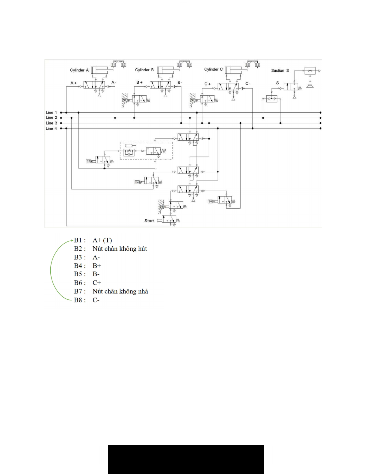
Chương 7: Thiết kế hệ thống điều khiển bằng điện-khí nén THEO TẦNG
Downloaded by VietJack TV Of icial (vietjackvideos@gmail.com)
Downloaded by VietJack TV Of icial (vietjackvideos@gmail.com)
Downloaded by VietJack TV Of icial (vietjackvideos@gmail.com)
Downloaded by VietJack TV Of icial (vietjackvideos@gmail.com)
Downloaded by VietJack TV Of icial (vietjackvideos@gmail.com)