






Preview text:
II. Định lý xếp chồng 1. Khái niệm
- Trong mạch có nhiều nguồn, ta cho từng nguồn tác động, các nguồn khác xem như bằng
không (nguồn áp bằng không ngắn mạch, nguồn dòng bằng không hở mạch). Dòng điện
qua nhánh bằng tổng đại số các dòng điện qua nhánh do tác động riêng rẽ của từng nguồn.
- Nếu trong mạch điện có nhiều nguồn độc lập, ta có thê xác đinh giá tri của một đại
lượng cu thê (dòng điện hoặc điện áp) bằng các phương pháp phân tich mạch (phương
pháp dòng mắt lươi, phương pháp điện thế nut…). Một cách giải khác là sư dung nguyên
lý xếp chồng. Trong những bài toán đặc biệt vừa có nguồn một chiều vừa có nguồn xoay
chiều ta chi giải được bằng một phương pháp duy nhất là áp dung nguyên lý xếp chồng.
Theo nguyên lý xếp chồng, ta lần lượt xác đinh từng tin hiệu đáp ứng gây bởi một nguồn
độc lập rồi cộng các giá tri tin hiệu đáp ứng này lại vơi nhau đê tìm ra tin hiệu đáp ứng tổng.
- Ý tưởng của nguyên lý xếp chồng dưa trên đặc tinh tuyến tinh của mạch điện. Khi áp
dung nguyên lý xếp chồng, ta cần lưu ý một số điêm sau:
+ Tại môi thời điêm khảo sát chi được phép tồn tại duy nhất một nguồn độc lập trong
mạch, các nguồn độc lập còn lại phải được triệt tiêu. Điều này giup cho mạch điện trở
nên đơn giản và dễ khảo sát hơn.
+ Đê triệt tiêu nguồn áp độc lập, ta nối ngắn mạch hai cưc nguồn áp vơi nhau. Đê triệt
tiêu nguồn dòng độc lập, ta làm cho nguồn dòng bi hở mạch.
+ Các nguồn phu thuộc trong mạch vẫn được giữ nguyên. Nghĩa là ta không được triệt
tiêu nguồn phu thuộc. Phương pháp xếp chồng trong trường hợp có nguồn phu thuộc sẽ
được trình bày ở bài toán vi du.
Phương pháp xếp chồng cũng có một số nhược điêm. Một trong số đó là phải khảo sát
nhiều mạch điện. Vi du, nếu một mạch điện có chứa 3 nguồn độc lập thì khi áp dung
phương pháp xếp chồng, ta phải lần lượt khảo sát 3 mạch điện khác nhau. Tuy nhiên
phương pháp xếp chồng lại giup làm đơn giản hóa mạch điện, vì các nguồn áp độc lập sẽ
được nối ngắn mạch, còn các nguồn dòng độc lập sẽ được hở mạch.
Cũng cần lưu ý rằng, phương pháp xếp chồng được dưa trên đặc tinh tuyến tinh của mạch
điện. Nghĩa là ta chi có thê áp dung nguyên lý xếp chồng đê tinh toán dòng điện và điện
áp chứ không thê tinh toán công suất. Lý do là vì, công suất trên một điện trở tỷ lệ vơi
bình phương điện áp hoặc dòng điện chứ không tỷ lệ tuyến tinh vơi các đại lượng này.
Nếu muốn dùng phương pháp xếp chồng đê tinh toán công suất, trươc tiên ta phải tìm dòng điện và điện áp. 2. Ví dụ:
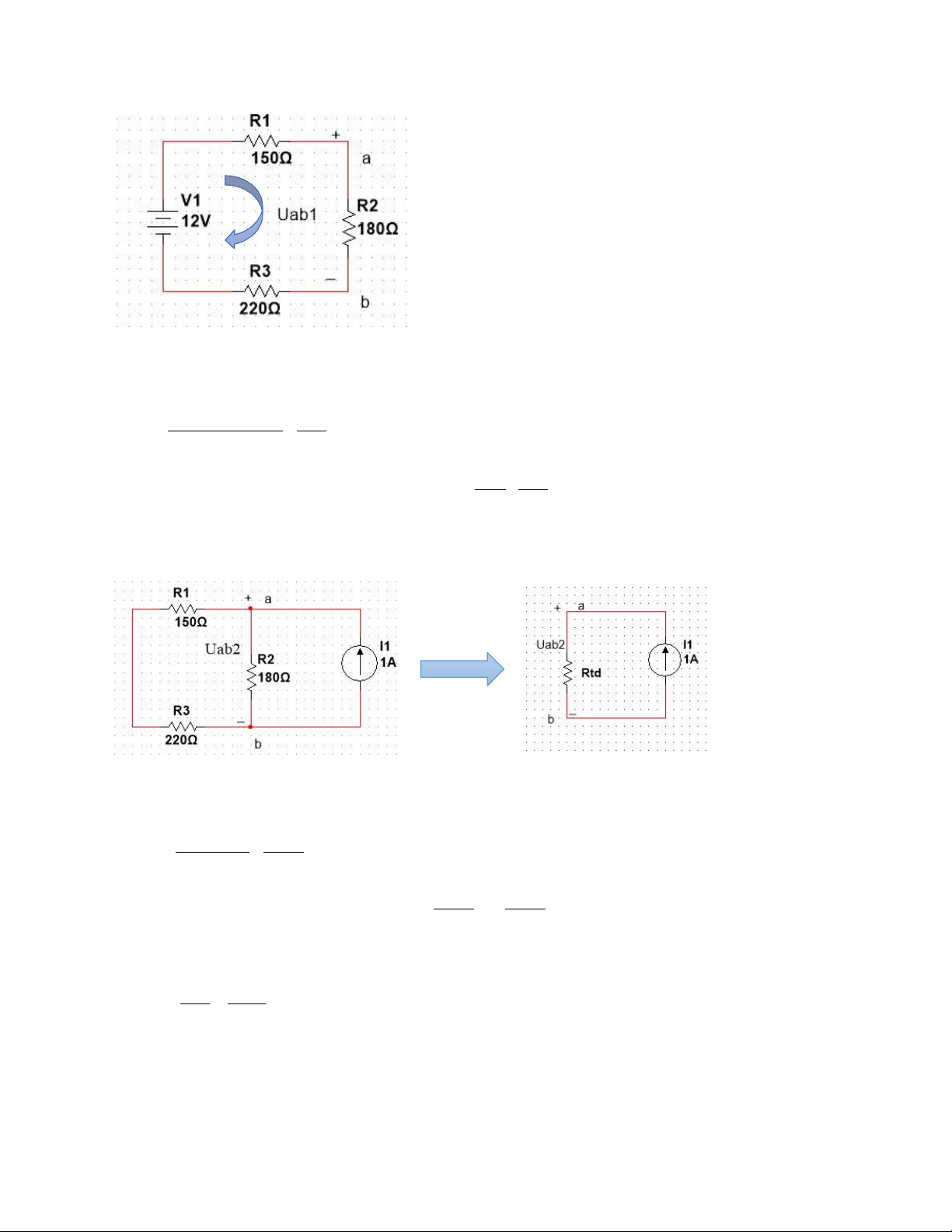
- Vd1: Dùng đinh lý xếp chồng đê tinh Uab. (hình 2.1)
Áp dung đinh lý xếp chồng, ta tách mạch điện thành 2 hình (hình 2.3 và hình 2.4): (hình 2.2) (hình 2.3) (hình 2.4)
Xét nguồn áp E, nguồn dòng I cho bằng 0 (hình 2.3)
Và xét nguồn dòng I, nguồn áp E cho bằng 0 (hình 2.4) - Ta xét hình 2.3 (hình 2.3) + Theo đinh lý Kirchhoff 2
K2 = -E + R1I1 + R2I1 +R3I1 = 0 => I = 12 = 6 ≈ 0,022 A 1 150+180+220 275
U =R . I =180. 6 =216 ≈ 3,93 V ab 1 2 1 275 55 - Ta xét hình 2.4 (hình 2.4a) (hình 2.4b)
Rtd = R2 // (R1 nt R3); R13 = 370
=> R = 180.370 = 1332 Ω td 370+180 11
U =R . I= 1332 .1=1332 ≈ 121,1V ab 2 td 11 11
Theo đinh lý xếp chồng: Uab = Uab1 + Uab2 => U 216 1332 = + ≈ 125,02V ab 55 11
Kiêm nghiệm mô phỏng phần mềm multisim (hình 2.5): (hình 2.5)
- Vd2: Dùng đinh lý xếp chồng đê tinh I3: (hình 2.6)
Áp dung đinh lý xếp chồng, ta tách mạch điện thành 2 hình (hình 2.7 và hình 2.8): (hình 2.6) (hình 2.7) (hình 2.8)
Xét nguồn áp E1 cho nguồn áp E2 bằng 0 (hình 2.7)
Xét nguồn áp E2 cho nguồn áp E1 bằng 0 (hình 2.8) - Ta xét hình 2.7: a b (hình 2.7)
Áp dung đinh luật Kirchhoff 1 tại nut a: K1 = I1 + I2 – I3 = 0
Áp dung đinh luật Kirchhoff 2: K2 = - E1 + I1R1 + I3R2 = 0 K2 = -I2R3 – I3R2 = 0
Từ 3 phương trình trên ta có hệ phương trình 3 ẩn:
I 1+ I 2−I3=0 100 I1+50I3=6 {150I2+50I3=0 I = 12 A 1 275 I2=−3 A 275 {I=9A3275 - Ta xét hình 2.8: a b (hình 2.8)
Áp dung đinh luật Kirchhoff 1 tại nut a: K1 = I1 + I2 – I3 = 0
Áp dung đinh luật Kirchhoff 2: K2 = I3R2 + I1R1 = 0 K2 = E2 -I2R3 -I3R2 = 0
Từ 3 phương trình trên ta có hệ phương trình 3 ẩn:
I1+ I2−I3=0 100 I1+50I3=0 {150I2+50I3=12 I = −6 A 1 275 18 I2= 275 A { 12IA3=275
Theo đinh lý xếp chồng I3 = I3(1) + I3(2) => I 12 9 21 = + =
≈ 0,0764 A=76,4 mA 3 275 275 275
Kiêm nghiệm mô phỏng phần mềm multisim (hình 2.9): (hình 2.9)
Document Outline
- 1.Khái niệm
- 2.Ví dụ: