



















Preview text:
lOMoARcPSD| 61551247
ÔN TẬP KIẾN THỨC MÁY THỦY LỰC KHÍ NÉN
Câu 01. Ưu điểm của hệ thống truyền động bằng thủy lực là:
A. Truyền động công suất cao và lớn
B. Dễ dàng biến đổi chuyển động quay của động cơ thành tịnh tiến của xy lanh
C. Dễ theo dõi và quan sát bằng áp kế
D. Các câu trên đều đúng
Câu 02. Áp suất chất lỏng tại một điểm trong thùng chứa ps = hgρ + pL thì đại lượng ρ là:
A. Gia tốc trọng trường
B. Chiều cao cột chất lỏng
C. Khối lượng riêng chất lỏng
D. Áp suất khí quyển Câu 03. Đơn vị đo áp suất là: A. bar B. kg/cm2 C. psi
D. Các câu trên đều đúng
Câu 04. Đây là sơ đồ thủy lực tạo chuyển động: A. Quay tròn B. Tịnh tiến
C. Vừa tịnh tiến vừa quay tròn
D. Các câu trên đều sai
Câu 05. Tổn thất về thể tích của bơm dầu được tính bằng công thức nào sau đây: A. B. C.
D. Các câu trên đều sai
Câu 06. Nếu lưu lượng Q không thay đổi trong đoạn ống thì
vận tốc tại D1 so với D2 sẽ: A. Giống nhau B. Nhỏ hơn C. Lớn hơn lOMoARcPSD| 61551247
D. Thay đổi tùy vào độ nhớt của chất lỏng
Câu 07. Độ nhớt động của chất lỏng thì đại lượng η chính là:
A. Khối lượng riêng chất lỏng
B. Hiệu suất nhiệt của chất lỏng
C. Tổn thất vận tốc của chất lỏng D. Hệ số nhớt động lực của chất lỏng Câu 08.
Hình vẽ minh họa là:
A. Xy lanh thủy lực một tác dụng
B. Xy lanh thủy lực hai tác dụng
C. Xy lanh thủy lực tác dụng kép có hai trục piston
D. Các câu trên đều sai
Câu 09. Đây là kiểu bơm thủy lực: A. Bánh răng B. Piston C. Tuabin D. Cánh gạt
Câu 10. Mô tả nào là đúng về thùng dầu thủy lực:
A. Sử dụng trong mọi mạch truyền động thủy lực
B. Sử dụng trong mạch thủy lực tuần hoàn hở
C. Sử dụng trong mạch thủy lực tuần hoàn kín
D. Các câu trên đều sai
Câu 11. Truyền động khí nén được sử dụng cho:
A. Kiểu truyền động tịnh tiến
B. Kiểu truyền động quay tròn
C. Các hệ thống đo và kiểm tra
D. Các câu trên đều đúng
Câu 12. Ưu điểm của truyền động khí nén:
A. Tính an toàn cao hơn so với truyền động thủy lực
B. Tích, chứa trong bình được nhiều nhờ độ co giãn cao của không khí
C. Sử dụng được cho các hệ thống điều khiển phức tạp
D. Các câu trên đều đúng
Câu 13. Nhược điểm của truyền động khí nén:
A. Vận tốc truyền động thay đổi do sự co giãn của không khí B. Tiếng ồn lớn
C. Lực truyền động đến cơ cấu chấp hành bị giảm nhiều
D. Các câu trên đều đúng
Câu 14. Khối A trong truyền động khí nén được gọi là: lOMoARcPSD| 61551247
A. Phần tử điều khiển
B. Phần tử tín hiệu
C. Cơ cấu chấp hành
D. Phần tử tạo năng lượng
Câu 15. Phần tử điều khiển có thể thực hiện chức năng đổi hướng dòng khí nén là: A. Van một chiều B. Van xả khí nhanh
C. Van dẫn hướng (van đảo chiều) D. Van tiết lưu
Câu 16. Hình minh họa là: A. Van chân không B. Van tiết lưu
C. Van tiết lưu điều chỉnh được lưu lượng D. Van xả khí nhanh
Câu 17. Để điều khiển khí nén thì có những phương pháp nào:
A. Điều khiển theo thời gian
B. Điều khiển theo tầng
C. Điều khiển theo nhịp
D. Các câu trên đều đúng
Câu 18. Hình minh họa là kiểu điều khiển khí nén: A. Theo tầng B. Theo thời gian C. Theo nhịp D. Theo nhánh
Câu 19. Phát biểu nào là đúng về truyền động khí nén:
A. Biến cơ năng của khí nén thành thế năng của bơm hoặc xy lanh khí nén
B. Biến thế năng của khí nén thành cơ năng của bơm hoặc xy lanh khí nén
C. Biến cơ năng của khí nén thành cơ năng của bơm hoặc xy lanh khí nén
D. Các câu trên đều đúng
Câu 20. Trong truyền động khí nén thì đây là ký hiệu của:
A. Relay điều khiển
B. Công tắc chuyển mạch dạng tiếp điểm
C. Công tắc chuyển mạch dạng nút nhấn
D. Công tắc hành trình
Câu 21. Một at kỹ thuật bằng?
A. Cả 3 đáp án kia đều đúng B. 736 mmHg C. 9,81.104 Pa lOMoARcPSD| 61551247 D. 10mH2O
Câu 22. Hình minh họa là?
A. Van thủy lực điều chỉnh lưu lượng B. Van đảo chiều C. Van chân không
D. Các câu trên đều sai
Câu 23. Hình minh họa là? A. Van một chiều B. Van xả khí nhanh C. Van logic AND
D. Van logic OR
Câu 24. Hình minh họa là?
A. Van đảo chiều thủy lực tác động bằng điện
B. Van đảo chiều khí nén tác động bằng điện
C. Van đảo chiều 4/3
D. Van đảo chiều 4/4
Câu 25. Đây là hình minh họa của?
A. Van đảo chiều chịu tác động bằng khí nén
B. Van đảo chiều chịu tác động bằng thủy lực
C. Van đảo chiều chịu tác động bằng khí nén qua van phụ trợ
D. Van đảo chiều chịu tác động bằng thủy lực qua van phụ trợ
Câu 26. Bộ phận nào sau đây có chức năng làm việc khác nhau giữa hệ thống thủy lực
và hệ thống khí nén? A. Các bộ lọc
B. Các van tín hiệu và van điều khiển
C. Các cơ cấu chấp hành
D. Bình chứa
Câu 27. Đâu không phải là phương pháp điều khiển khí nén?
A. Điều khiển theo vận tốc
B. Điều khiển theo tầng
C. Điều khiển theo thời gian
D. Điều khiển theo hành trình
Câu 28. Van khí nén chịu kiểu tín hiệu tác động nào? lOMoARcPSD| 61551247
A. Tác động khí nén
B. Tác động bằng điện C. Tác động cơ
D. Các câu trên đều đúng
Câu 29. Cho ký hiệu van đảo chiều 4/2 (hình vẽ), khi van ở vị trí “0” thì:
A. Cửa P nối với cửa B, cửa A nối với cửa R B.
Cửa P nối với cửa R, cửa A nối với cửa B
C. Cửa P nối với cửa A, cửa B nối với cửa R
D. Cửa P không nối với cửa B, cửa A nối với cửa R Câu 30. Van
nào sau đây thuộc nhóm van áp suất? A. Van một chiều B. Van tiết lưu C. Van an toàn
D. Van đảo chiều
Câu 31. Hình vẽ sau đây là mô tả loại van nào?
A. Van đảo chiều 3 cửa, 3 vị trí (3/3) B.
Van đảo chiều 4 cửa, 3 vị trí (4/3)
C. Van đảo chiều 5 cửa, 3 vị trí (5/3)
D. Van đảo chiều 6 cửa, 3 vị trí (6/3)
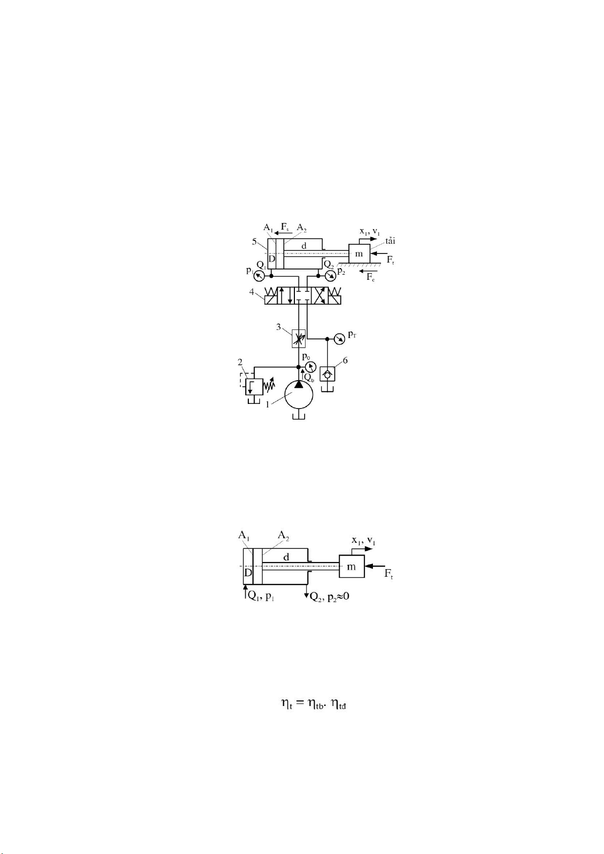
Câu 32. Hình minh họa là ký hiệu của van nào? A. Van tỷ lệ B. Van solenoid C. Van servo
D. Van lưu lượng
Câu 33. Phát biểu nào sau đây là đúng?
A. Bơm thủy lực và bơm khí nén có cấu tạo, nguyên lý hoạt động giống nhau
B. Thùng dầu thủy lực và bình khí nén có chức năng giống nhau
C. Giữa van điều khiển thủy lực và khí nén có sự khác nhau về cấu tạo, nguyên lý
D. Các câu trên đều đúng
Câu 34. Mạch truyền động khí nén phù hợp cho các hệ thống?
A. Cần lực dẫn động lớn lOMoARcPSD| 61551247
B. Cần độ an toàn cao
C. Không yêu cầu về tốc độ dẫn động
D. Các câu trên đều đúng
Câu 35. Đơn vị tiêu chuẩn đo áp suất là? A. N B. kg C. Pa D. Nm
Câu 36. Tên nào ứng với phần tử khí nén dưới đây?
A. Rơle thời gian đóng chậm B. Van chân không C. Bộ tạo xung
D. Rơle thời gian ngắt chậm
Câu 37. Loại tín hiệu nào (hình vẽ) tác động lên van đảo chiều?
A. Cử chặn bằng con lăn, tác động một chiều B. Tay gạt C. Nút bấm
D. Cự chặn bằng con lăn, tác động hai chiều Câu 38. Ký hiệu hình vẽ sau thuộc loại van nào? A. Van đảo chiều B. Van chặn
C. Van áp suất D. Van dòng
Câu 39. Bơm có khả năng thực hiện được với áp suất làm việc lớn p=700 bar là bơm? A. Bơm bánh răng B. Bơm cánh gạt C. Bơm trục vít
D. Bơm piston
Câu 40. Áp suất tạo ra bởi lực 200N vuông góc lên bề mặt 2cm2 là: A. p=50N/cm2 B. p=100N/cm2 lOMoARcPSD| 61551247 C. p=200N/cm2 D. p=400kg/cm2
Câu 41. Bơm có lưu lượng không thay đổi Q = 200 lít/phút qua đường ống đường
kính D = 100 mm nghĩa là?
A. Sau 10 phút vận tốc dòng chảy thủy lực không thay đổi như lúc đầu
B. Sau 20 phút thể tích bơm được là 2 m3
C. Sau 30 phút thể tích bơm được là 4 m3
D. Vận tốc dòng chảy thay đổi liên tục nhưng thể tích bơm được vẫn không thay
đổi theo thời gian
Câu 42. Giá trị lưu lượng qv hiệu chỉnh của bơm để xy lanh có d=100 mm chạy ra với
tốc độ 10 m/phút là: A. qv =68.5 lit/phút B. qv =78.5 lit/phút C. qv =80.5 lit/phút D. qv =89.5 lit/phút
Câu 43. Bơm cánh gạt phù hợp cho hệ thống thủy lực có áp suất? A. Thấp B. Trung bình C. Cao
D. Trung bình và thấp
Câu 44. Hình vẽ sau đây là mô tả cấu tạo của loại bơm nào?
A. Bơm cánh gạt đơn
B. Bơm cánh gạt kép
C. Bơm piston hướng tâm
D. Bơm bánh răng ăn khớp trong
Câu 45. Bơm khí nén (máy nén khí) làm việc theo nguyên lý nào?
A. Biến cơ năng thành động năng
B. Biến năng lượng khí nén thành cơ năng
C. Biến cơ năng thành năng lượng khí nén và nhiệt năng
D. Các câu trên đều đúng
Câu 46. Tăng dung tích của bình trích chứa trong hệ thống khí nén có mục đích chính là? lOMoARcPSD| 61551247
A. Giảm tần suất làm việc của máy nén
B. Tăng tần suất làm việc của máy nén
C. Tiết kiệm năng lượng tiêu hao của máy nén
D. Tăng công suất làm việc của máy nén
Câu 47. Phương trình Bernoulli liên hệ các đại lượng nào của chất khí được liệt kê
trong các câu dưới đây? A. Áp suất, cao độ, thể tích
B. Áp suất, tốc độ, cao độ
C. Áp suất, nhiệt độ, cao độ
D. Áp suất, thể tích, nhiệt độ
Câu 48. Ký hiệu hình vẽ dưới thuộc loại van nào? A. Van logic AND B. Van tiết lưu C. Van xã khí nhanh
D. Van logic OR
Câu 49. Trong các số chỉ dưới đây số chỉ nào tương đương với 1 HP ? A. 750W B. 850W C. 600W D. 350W
Câu 50. Hình vẽ sau đây là mô tả cấu tạo của loại bơm nào?
A. Bơm bánh răng ăn khớp trong
B. Bơm trục vít
C. Bơm piston hướng tâm
D. Bơm piston hướng trục
Câu 51. Khi van ở vị trí 1 thì?
A. Dầu nối cổng P thông với cổng A
B. Khí nén cổng A xả ra cổng R
C. Khí nén cổng P nối qua cổng A lOMoARcPSD| 61551247
D. Dầu cổng P nối qua cổng R
Câu 52. Động cơ khí nén được ứng dụng?
A. Trong các hệ thống đòi hỏi công suất lớn
B. Trong các thiết bị cần lực truyền động lớn
C. Trong các thiết bị cần độ ồn thấp
D. Các câu trên đều sai
Câu 53. Hệ thống nào sau đây có sử dụng truyền động khí nén?
A. Hệ thống nhiên liệu
B. Hệ thống túi khí
C. Hệ thống treo
D. Các câu trên đều đúng Câu 54. Chất lỏng lý tưởng là:
A. Một giả thiết cần thiết khi nghiên cứu về động lực học chất lỏng
B. Chất lỏng rất nhớt
C. Một giả thiết hữu ích trong bài toán thuỷ tĩnh
D. Một giả thiết cần thiết khi nghiên cứu về động học chất lỏng Câu 55. Ký hiệu
như hình vẽ sau là gì? A. Van một chiều B. Van đảo chiều
C. Van điều khiển lưu lượng D. Van giảm áp
Câu 56. Giả thiết chất lỏng lý tưởng là chất lỏng? A. Không chịu nén B. Không ma sát C. Không giãn nở
D. Tất cả đều đúng
Câu 57. Sơ đồ lắp hệ thống thủy lực (hình vẽ) của cơ cấu nào?
A. Cơ cấu nâng hạ chi tiết được sơn trong lò sấy
B. Cơ cấu kẹp chặt chi tiết gia công lOMoARcPSD| 61551247
C. Cơ cấu đóng cọc bê tông
D. Cơ cấu máy khoan bàn
Câu 58. Cái gì đóng vai trò trung gian trong hệ thống truyền lực thủy lực? A. Chất lỏng
B. Chất khí C. Bơm dầu
D. Động cơ thủy lực
Câu 59. Ký hiệu như hình vẽ sau là gì?
A. Bơm có lưu lượng làm việc không đổi
B. Động cơ có lưu lượng làm việc không đổi
C. Động cơ có lưu lượng làm việc thay đổi
D. Bơm có lưu lượng làm việc thay đổi
Câu 60. Bộ phận tạo ra nguồn năng lượng trong mạch thủy lực là: A. Bơm thủy lực
B. Van tín hiệu, van điều khiển
C. Xy lanh thủy lực
D. Motor thủy lực
Câu 61. Số cửa của van đảo chiều là?
A. Số lỗ để dẫn dầu từ mạch chính vào hay ra khỏi van
B. Số lổ dầu nhận tín hiệu tác động lên van đảo chiều
C. Số trạng thái đóng hoặc mở trong hệ thống điều khiển
D. Số vị trí định vị con trượt của van
Câu 62. Bộ lọc dầu thô có thể lọc những chất bận có kích thước đến: A. 0.001 mm B. 0.005 mm C. 0.05 mm D. 0.1 mm
Câu 63. Loại van có thể thay đổi được lưu lượng của dòng khí nén là: A. Van xả khí nhanh
B. Van tiết lưu
C. Van giảm áp
D. Các câu trên đều đúng
Câu 64. Hình dưới đây là ký hiệu của: A. Bộ lọc dầu B. Motor dầu C. Van 1 chiều D. Bơm dầu
Câu 65. Gọi Q là lưu lượng của chất lỏng, v là vận tốc chảy trong bình qua mặt cắt A.
Phương trình dòng chảy liên tục được biểu diễn như sau: lOMoARcPSD| 61551247 A. A=v/Q B. A=Q.v C. Q=A/v D. Q=v.A
Câu 66. Trong hệ thống điều khiển bằng thủy lực, tổn thất áp suất là do:
A. Ma sát giữa các chi tiết có chuyển động tương đối với nhau
B. Dầu thủy lực chạy qua các khe hở trong các phần tử của hệ thống
C. Bơm, xylanh truyền lực, động cơ thủy lực
D. Giảm áp suất là do lực cản trên đường chuyển động của dầu từ bơm đến cơ cấu chấp hành
Câu 67. Ký hiệu như hình vẽ sau là gì?
A. Van đảo chiều 2/3
B. Van đảo chiều 3/2
C. Van đảo chiều 3/3
D. Van đảo chiều 4/3
Câu 68. Trọng lượng riêng của chất lỏng là:
A. Trọng lượng của một đơn vị khối lượng chất lỏng
B. Trọng lượng của một đơn vị thể tích chất lỏng
C. Khối lượng của một đơn vị thể tích chất lỏng
D. Khối lượng của một đơn vị trọng lượng chất lỏng
Câu 69. Gọi p là áp suất tác dụng lên mặt phẳng S tại điểm A:
A. p phải vuông góc với độ sâu h của A
B. p có giá trị thay đổi khi S quay quanh A C. p có giá trị không
thay đổi khi S quay quanh A
D. Cả 3 đáp án kia đều sai.
Câu 70. Dòng chảy liên tục giữa 2 mặt cắt có tiết diện, vận tốc dòng chảy lần lượt là:
(A1, v1) và (A2, v2) (hình vẽ). Vận tốc dòng chảy tại vị trí 2 được xác định như sau:
A. v2= v1.A1.A2
B. v2= 𝐴1.𝐴2 𝑣1
C. v2= v1.𝐴1 𝐴2 lOMoARcPSD| 61551247
D. v2= v1.𝐴2 𝐴1
Câu 71. Thiết bị nào sau đây là cơ cấu chấp hành trong truyền động khí nén: A. Bơm B. Quạt C. Máy nén
D. Dụng cụ vặn vít
Câu 72. Hệ thống phanh khí nén được sử dụng trên xe bus, xe tải lớn.. thay vì phanh thủy lực là vì?
A. Không tạo ra nhiều tiếng ồn khi phanh
B. Cần lực phanh lớn C. Sự an toàn
D. Các câu trên đều đúng
Câu 73. Sơ đồ lắp hệ thống thủy lực (hình vẽ) của cơ cấu nào:
A. Cơ cấu nâng hạ chi tiết sơn trong lò sấy
B. Cơ cấu kẹp chặt chi tiết gia công
C. Máy dập thủy lực điều khiển bằng tay
D. Cơ cấu rót tự động cho quy trình công nghệ đúc
Câu 74. Trong các số chỉ dưới đây số chỉ nào không tương đương với áp suất khí quyền 1 atm: A. 900 Pa B. 1.013 bar C. 1.033 at D. 760 mmHg
Câu 75. Bộ lọc trong hệ thống khí nén có tác dụng với: A. Dầu B. Bụi
C. Hơi nước
D. Các câu trên đều đúng
Câu 76. Với 𝝆 là khối lượng riêng của chất lỏng thì áp suất p1 đang chạy tại điểm K
(như hình) được tính: lOMoARcPSD| 61551247
A. p1 - 𝜌𝑔ℎ - 𝜌𝑣2 = const 2
B. p1 - 𝜌𝑔ℎ + 𝜌𝑣2 = const 2
C. p1 + 𝜌𝑔ℎ - 𝜌𝑣2 = const 2
D. p1 + 𝜌𝑔ℎ + 𝜌 𝑣2 = const 2
Câu 77. Bộ phận nào thuộc về phần tử điều khiển trong hệ thống khí nén:
A. Máy nén khí B. Lọc gió
C. Xy lanh khí nén
D. Van đảo chiều
Câu 78. Phát biểu nào sau đây là sai:
A. Truyền động thủy lực dùng cho các hệ thống tạo ra lực tác dụng lớn
B. Độ đàn hồi, co giãn của dầu thủy lực tốt hơn khí nén
C. Độ nhớt động học của khí nén thấp hơn dầu thủy lực
D. Hệ thống truyền động khí nén đáp ứng tốt các trình tự điều khiển phức tạp Câu
79. Hình vẽ sau đây là mô tả cấu tạo của loại bơm nào?
A. Bơm cánh gạt đơn
B. Bơm cánh gạt kép
C. Bơm piston hướng tâm
D. Bơm bánh răng ăn khớp trong Câu 80. Đây là van nào?
A. Van thủy lực 3/4
B. Van thủy lực 4/3 C. Van khí nén 3/4 lOMoARcPSD| 61551247 D. Van khí nén 4/3
Câu 81. Với 𝝆 là khối lượng riêng của chất lỏng (như hình ) thì độ lớn áp suất p được tính: A. p= 𝜌gh B. p= 𝜌 𝑔ℎ C. p= 𝑔ℎ 𝜌 D. p= 𝜌√𝑔ℎ
Câu 82. Phát biểu nào sau đây là đúng khi nói về hoạt động của van này:
A. Lưu lượng từ A sang B sẽ nhiều hơn từ B sang A
B. Chỉ cho phép dòng chảy một chiều từ B sang A
C. Lưu lượng từ B sang A sẽ nhiều hơn từ A sang B
D. Chỉ cho phép dòng chảy một chiều từ A sang B
Câu 83. Bình khí nén có tác dụng nào sau đây trong mạch truyền động khí nén?
A. Điều khiển dòng khí nén
B. Là cơ cấp chấp hành
C. Tạo ra năng lượng dẫn động mạch khí nén
D. Các câu trên đều đúng
Câu 84. Trong các bộ phận sau của hệ thống truyền động khí nén bộ phận nào là cơ cấu chấp hành? A. Bộ lọc tinh
B. Đường ống chính C. Motor khí nén D. Bình khí nén
Câu 85. Ký hiệu (hình vẽ) biểu diễn biểu đồ trạng thái: A. Liên kết AND
B. Tín hiệu rẽ nhánh
C. Phần tử tín hiệu tác động bằng cơ D. Liên kết OR
Câu 86. Đặc điểm nào sau đây là đúng về máy nén khí kiểu piston? lOMoARcPSD| 61551247
A. Ít xảy ra hư hỏng
B. Cấu tạo tương tự bơm thủy lực kiểu piston C. Giá thành rẻ
D. Các câu trên đều đúng
Câu 87. Bơm kiểu tua bin sử dụng trong hệ thống nào sau đây:
A. Hệ thống lạnh trên ô tô
B. Hệ thống bôi trơn
C. Hệ thống làm mát
D. Hệ thống trợ lực lái dầu
Câu 88. Với A là diện tích tiếp xúc thì lực nâng của xe F2 (như hình) được tính: A. F2=10F1 B. F2=15F1 C. F2=20F1 D. F2=30F1
Câu 89. Bộ phận nào sau đây được xem là cơ cấu chấp hành trong hệ thống thủy lực:
A. Máy nén (lốc lạnh) B. Bơm nước
C. Thước lái trợ lực dầu D. Bơm nhớt
Câu 90. Phạm vi áp suất sử dụng của bơm bánh răng dầu hiện nay có thể từ: A. 20÷ 70 𝑏𝑎𝑟
B. 50÷ 100 𝑏𝑎𝑟
C. 10÷ 200 𝑏𝑎𝑟
D. 50÷ 400 𝑏𝑎𝑟
Câu 91. Nhiệm vụ nào sau đây không phải là nhiệm vụ của lọc dầu thủy lực:
A. Tách không khí hòa tan trong dầu
B. Tách nước
C. Tách cặn bẩn
D. Chuyển hướng dầu
Câu 92. Xác định áp suất của mạch thủy lực (như hình) khi nâng xe: lOMoARcPSD| 61551247 A. p=3.2 kg/cm2 B. p=4.2 kg/cm2 C. p=5.3 kg/cm2 D. p=6.2 kg/cm2
Câu 93. Ký hiệu hình vẽ dưới thuộc loại van nào? A. Van xã khí nhanh B. Van tiết lưu C. Van logic ADN D. Van logic OR
Câu 94. Kiểu tác động nào ứng với ký hiệu tác động lên các phần tử khí nén dưới đây: A. Tác động cơ
B. Tác động bằng khí nén
C. Tác động bằng tay
D. Tác động bằng điện
Câu 95. Theo quy ước ký hiệu van khí nén ISO 1219, thì A, B, C... là ký hiệu của:
A. Cửa nối làm việc
B. Cửa nối tín hiệu điều khiển C. Cửa xả khí
D. Cửa nối với nguồn
Câu 96. Khi chưa có tín hiệu khí nén tác động lên van thì:
A. Cổng A nối với cổng S
B. Cổng P nối với cổng A
C. Cổng R độc lập với các cổng khác
D. Cổng B nối với cổng P lOMoARcPSD| 61551247
Câu 97. Phần tử nào sau đây là phần tử xử lý tín hiệu trong mạch điều khiển khí nén: A. Máy nén khí B. Động cơ C. Xy lanh khí nén D. Van xả khí nhanh
Câu 98. Phát biểu nào sau đây là đúng về van tiết lưu?
A. Lưu lượng phía A sẽ nhiều hơn phía B khi di chuyển từ A sang B
B. Lưu lượng phía B sẽ nhiều hơn phía A khi di chuyển từ A sang B
C. Lưu lượng là không thay đổi khi di chuyển từ A sang B
D. Lưu lượng là không thay đổi khi di chuyển từ B sang A
Câu 99. Để piston dịch chuyển từ trái sang phải thì tín hiệu tác động lên van đảo chiều phải là:
A. Tác động bằng điện
B. Tác động bằng điện qua van phụ trợ
C. Tác động bằng tay
D. Tác động bằng khí nén
Câu 100. Tổn thất nào không phải là tổn thất trong hệ thống thủy lực?
A. Tổn thất khối lượng
B. Tổn thất áp suất
C. Tổn thấp thể tích
D. Tổn thất cơ khí
Câu 101. Ưu điểm của hệ thống truyền động thủy lực?
A. Ứng dụng cho các điều khiển đơn giản, không phức tạp
B. Truyền động được công suất và lực dẫn động lớn
C. Dễ biến đổi chuyển động quay của thiết bị thành chuyển động tịnh tiến D. Các câu trên đều đúng
Câu 102. Ký hiệu này là?
A. Công tắc hành trình
B. Relay điều khiển lOMoARcPSD| 61551247
C. Nút ấn chuyển mạch D. Van phụ trợ
Câu 103. Trường hợp nào là đúng về áp suất thủy tĩnh?
A. Dầu chứa bên trong thùng dầu thủy lực
B. Dầu trong hệ thống trợ lực lái đang vận hành
C. Nước làm mát trong hệ thống làm mát đang vận hành D. Các câu trên đều sai
Câu 104. Bộ phận đóng vai trò truyền dẫn năng lượng? A. Van đảo chiều
B. Xy lanh thủy lực C. Bơm thủy lực D. Ống dầu
Câu 105. Bộ phận số 6 trên hình là? A. Van đảo chiều B. Van một chiều C. Van tiết lưu
D. Van điều chỉnh lưu lượng
Câu 106. Nếu lưu lượng Q1 và Q2 không thay đổi thì vận tốc piston sẽ thay đổi như thế nào?
A. Di chuyển từ trái sang phải sẽ nhanh hơn từ phải sang trái
B. Di chuyển từ phải sang trái sẽ nhanh hơn từ trái sang phải
C. Không thay đổi vận tốc di chuyển từ trái sang phải hoặc từ phải sang trái
D. Piston sẽ không di chuyển
Câu 107. Đây là công thức tính tổn thất nào trong mạch thủy lực?
A. Tổn thất thế tích
B. Tổn thất cơ khí
C. Tổn thất áp suất
D. Tổn thất năng lượng lOMoARcPSD| 61551247
Câu 108. Đây là công thức tính tổn thất nào trong mạch thủy lực?
A. Tổn thất thế tích
B. Tổn thất cơ khí
C. Tổn thất áp suất
D. Tổn thất năng lượng
Câu 109. Đây là công thức tính tổn thất nào trong mạch thủy lực?
A. Tổn thất thế tích
B. Tổn thất cơ khí
C. Tổn thất áp suất
D. Tổn thất năng lượng
Câu 110. Tổn thất áp suất theo tiết diện tròn thì hệ số λ chính là?
A. Độ nhớt động học
B. Hệ số ma sát của ống C. Hệ số Reynold
D. Hệ số áp suất trong ống tiết diện tròn Câu 111. Tổn hao áp suất thủy lực trên
đường ống có tiết diện thay đổi nhỏ từ từ là? A. Tổn hao tuyến tính theo sự thay đổi tiết diện
B. Tổn hao giảm dần
C. Tổn hao tăng dần D. Không tổn hao
Câu 112. Đặc trưng của độ nhớt là?
A. Cho biết độ co giãn về thể tích của chất lỏng
B. Cho biết mức độ thay đổi áp suất của chất lỏng
C. Cho biết mức độ ma sát của chất lỏng
D. Các câu trên đều đúng Câu 113. Ký hiệu Eo50 nghĩa là?
A. Độ nhớt Engler đo ở 20oC qua ống có đường kính 50 mm
B. Độ nhớt Engler đo ở 20oC qua ống có đường kính 2,8 mm
C. Độ nhớt Engler đo ở 50oC qua ống có đường kính 50 mm D. Độ nhớt Engler
đo ở 50oC qua ống có đường kính 2,8 mm Câu 114. Yêu cầu nào là đúng đối
với dầu thủy lực?
A. Ít gây ra tổn thất ma sát
B. Có khả năng bôi trơn tốt dù nhiệt độ và áp suất thay đổi
C. Ít sủi bọt, ít bay hơi
D. Các câu trên đều đúng
Câu 115. Bơm dầu cơ bản phải đảm bảo tối thiểu bao nhiêu cổng dầu? A. 1 B. 2 C. 3 D. 4 lOMoARcPSD| 61551247
Câu 116. Khái niệm về bơm có lưu lượng cố định hoặc điều chỉnh được là dựa trên cơ sở nào?
A. Lượng dầu bơm đẩy đi trong một chu kỳ làm việc
B. Tốc độ quay cố định hoặc thay đổi của bơm trong một chu kỳ làm việc
C. Áp suất dầu tạo ra là cố định hoặc thay đổi của bơm trong một chu kỳ làm việc
D. Các câu trên đều sai
Câu 117. Lựa chọn nào sau đây là nói về bơm có lưu lượng điều chỉnh được?
A. Bơm trợ lực lái
B. Bơm nước làm mát C. Bơm nhớt
D. Các câu trên đều sai Câu 118. Động cơ dầu (motor dầu, motor thủy lực) có
cấu tạo, nguyên lý tương tự với bộ phận nào sau đây? A. Bơm thủy lực
B. Xy lanh thủy lực C. Van đảo chiều
D. Van điều chỉnh lưu lượng
Câu 119. Đây là hiệu suất của?
A. Hệ thống thủy lực
B. Đường ống thủy lực C. Van đảo chiều
D. Bơm thủy lực, motor thủy lực
Câu 120. Đây là lưu lượng của?
A. Xy lanh thủy lực B. Bơm thủy lực C. Motor thủy lực
D. Hệ thống thủy lực
Câu 121. Mô tả nào là đúng về bơm trục vít?
A. Có lưu lượng cố định
B. Dùng trong các hệ thống thủy lực áp cao đến 700 bar
C. Chế tạo đơn giản
D. Các câu trên đều sai
Câu 122. Mô tả nào là đúng về bơm cánh gạt?
A. Có lưu lượng cố định hoặc điều chỉnh được
B. Dùng trong các hệ thống thủy lực áp cao đến 700 bar
C. Hiệu suất thể tích thấp hơn bơm bánh răng
D. Các câu trên đều sai
Câu 123. Mô tả nào là đúng về bơm piston?
A. Có lưu lượng cố định hoặc điều chỉnh được
B. Dùng trong các hệ thống thủy lực áp cao đến 700 bar
C. Lưu lượng bơm lớn
D. Các câu trên đều đúng
Câu 124. Đặc điểm của bơm piston hướng trục là?