
















Preview text:
lOMoAR cPSD| 61548706
CHUẨN BỊ THỰC HÀNH
IT2140 – THỰC HÀNH ĐIỆN TỬ CHO CNTT
Tuần 7: OP-AMP VÀ CÁC MẠCH OP-AMP CƠ BẢN Họ và tên Mã số sinh viên Nhóm 4
Bài 1: Xây dựng và phân tích cách hoạt động của mạch so sánh mức điện áp theo
sơ đồ ở Hình 1. Chú ý: phân cực cho op-amp với V+ = 10 V và V– = 0 V.
Lắp mạch và thiết lập các thông số của mạch theo như sơ đồ ở Hình 1.
Mạch mô phỏng bài 1
(Mạch mô phỏng cho từng trường hợp VREF) lOMoAR cPSD| 61548706
Lần lượt thay đổi điện áp tham chiếu (VREF) ở các mức 0 V, 1.25 V, 2.5 V, 3.75 V, và 5V lOMoAR cPSD| 61548706 lOMoAR cPSD| 61548706
Sử dụng máy tạo nguồn để cấp nguồn Vin. Tăng dần Vin từ 0 V đến mức lớn hơn
VREF, đồng thời quan sát sự bật/tắt của LED. Giải thích hiện tượng. Khi Vin =0V: Khi Vin=1.25V: lOMoAR cPSD| 61548706 Khi V=2.5V: Khi V=3.75V: lOMoAR cPSD| 61548706 Khi V=5V:
Nhận Xét: Từ hình ảnh trên tinkercard có thể thấy rằng khi Vin >2.5 V thì đèn tắt.
Giải thích hiện tượng: -
Khi Vin ≤ Vref : Vin – Vref ≤ 0 hay V1 – V2≤ 0 thì Vout = VCC- = 0V nhỏ hơn
điện áp tại chân dương của LED (5V), LED phân cực thuận nên đèn sáng. -
Khi Vin > Vref : Vin – Vref > 0 hay V1 – V2 > 0 thì Vout = VCC+ = 10V lớn
hơn điện áp tại chân dương của LED (5V), LED phân cực ngược nên đèn tắt.
Bài 2: Xây dựng và phân tích hoạt động của mạch khuếch đại đảo và không đảo
theo sơ đồ ở Hình 2. Chú ý: phân cực cho op-amp với V+ = 10 V và V– = -10V . lOMoAR cPSD| 61548706
Lắp mạch và thiết lập các thông số của mạch theo như trên sơ đồ ở Hình 2 Sử dụng
máy tạo xung để tạo tín hiệu vào Vin. Thiết lập biên độ 1V, tần số 1 kHz. lOMoAR cPSD| 61548706
Mạch mô phỏng bài 2a
Mạch mô phỏng bài 2b
Lần lượt thay đổi giá trị của biến trở (R2 với mạch (a), R4 với mạch
(b)) ở các mức: 1 kΩ, 2 kΩ, 3 kΩ, 5 kΩ.
Thay đổi giá trị của R2 ta được: lOMoAR cPSD| 61548706 lOMoAR cPSD| 61548706
Thay đổi giá trị của R4 ta được: lOMoAR cPSD| 61548706 lOMoAR cPSD| 61548706
Tính toán hệ số khuếch đại cho từng trường hợp. a, Mạch khuyếch đại đảo:
Vì op-amp lý tưởng nên điện áp giữa 2 đầu vào bằng nhau, nghĩa là V+ = VVì
trở kháng vào rất lớn nên dòng điện ở mỗi đầu vào xấp xỉ bằng 0.
Do đầu vào đảo nối đất nên V+ = V- = 0 ( V- được gọi là nối đất ảo ).
Dòng điện vào tính tại đầu vào ảo là: V−¿ V I
I2¿ I1=V I − R1 = R1=
Điện áp tại đầu ra là: V0=V V −¿ −¿−I 2R2=0− R2¿¿ R1
Hệ số khuyếch đại điện áp vòng kín là:
Av=VV0I =−RR12
Dấu trừ cho thấy V0 ngược pha với VI Kết
quả tính toán lý thuyết R2(kΩ) 1 2 3 5 10 Av -1 -2 -3 -5 -10
b, Mạch khuyếch đại không đảo
Vì op-amp lý tưởng nên điện áp giữa 2 đầu vào bằng nhau, nghĩa là V+ = V- = VI Vì
trở kháng vào rất lớn nên dòng điện ở mỗi đầu vào xấp xỉ bằng 0.
Dòng I3 được tính như sau: lOMoAR cPSD| 61548706
V−¿ −V I I3=− R3 = R3 ¿
Dòng I4 được tính như sau: V−¿−V0 VI−V0 I4= R4 = R4 ¿ Vì I3 = I4 nên −V I V I−V0 = R3 R4
Hệ số khuyếch đại điện áp: V 0 R4
Av=V I =1+ R3
Kết quả tính toán lý thuyết R4(kΩ) 1 2 3 5 10 Av 2 3 4 6 11
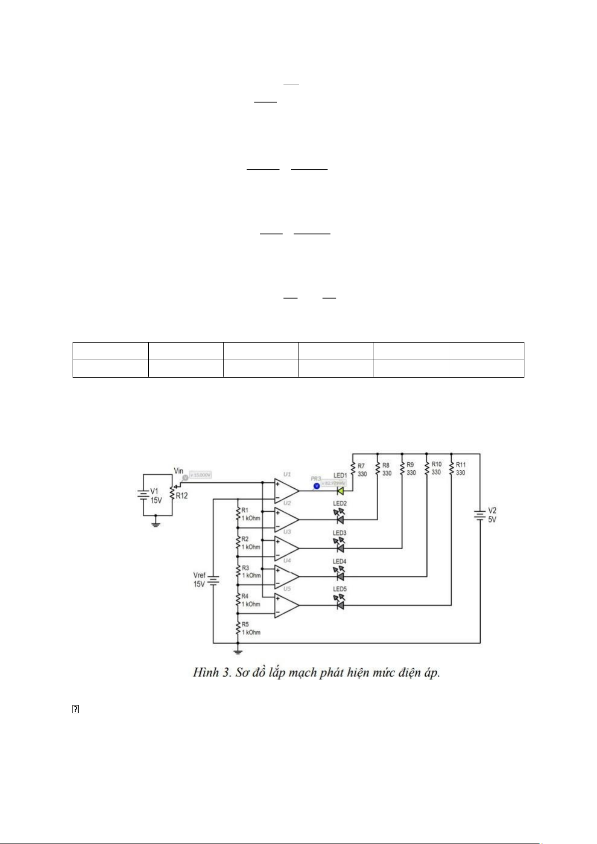
Bài 3: Phân tích mạch phát hiện mức điện áp theo sơ đồ ở Hình 3. Chú ý: phân
cực cho op-amp với V+ = 10 V và V– = 0 V. .
Giải thích nguyên lý hoạt động của mạch theo sơ đồ ở Hình 3. Mạch mô phỏng: lOMoAR cPSD| 61548706
Nguyên lý hoạt động của mạch như sau:
- Mạch này có tác dụng dùng để so sánh và xác định V1 ở những mức điện áp khác
nhau, với mỗi một mức điện áp đầu vào thì LED khác nhau sẽ sáng, từ đó ta có thể
xác định được mức điện áp
- Ở trong mạch, V1 được sử dụng như điện áp đầu vào, V2 là điện áp được truyền
vào đèn LED nếu điện áp V1 phù hợp yêu cầu, và Vref được sử dụng như điện áp
tham chiếu để Op-amp so sánh.
- Điện trở từ R7 đến R11 để bảo vệ LED khi dòng điện quá lớn có thể dẫn đến cháy LED
- Điện trở R6 dùng để bảo vệ phần nguồn
- 5 điện trở từ R1 đến R5 dùng để thay đổi điện áp tham chiếu ở từng Op-amp, ở mỗi
vị trí mà từ điện trở nối vào Op-amp thì sẽ có điện áp tham chiếu khác nhau, công
thức để tính điện áp tham chiếu ở từng Op-amp là: Ri
V ref tạiđiểm=V ref . R
1+R2+R3+R4+R5
Vì vậy nên ta có thể tính được điện áp tham chiếu tại từng Op-amp lần lượt là: Op-amp 1 2 3 4 5 Vref (V) 15 12 9 6 3
Từ bảng này ta có thể thấy được điện áp tham chiếu của từng Op-amp. Có thể thấy,
nếu V1 < 15V thì LED 1 sẽ sáng, tương tự với những LED còn lại ta có:
- V1 < 15V thì LED 1 sáng
- V2 < 12V thì LED 2 sáng - V3 < 9V thì LED 3 sáng lOMoAR cPSD| 61548706 - V4 < 6V thì LED 4 sáng - V5 < 3V thì LED 5 sáng
Giải thích khoảng giá trị của Vin để LED3 sáng.
Như đã giải thích ở bên trên, ta có thể biết được LED 3 sẽ sáng khi điện áp V1 < 9V
Sau đây là một vài hình ảnh minh chứng:
V = 15V thì không đèn nào sáng V = 14V thì đèn LED1 sáng
V = 11V thì đèn LED 2 sáng lOMoAR cPSD| 61548706 V = 8V thì LED 3 sáng V = 5V thì LED 4 sáng lOMoAR cPSD| 61548706 V = 2V thì LED 5 sáng