











Preview text:
lOMoARcPSD| 37054152
TRƯỜNG ĐẠI HỌC SƯ PHẠM KĨ THUẬT THÀNH PHỐ HỒ CHÍ MINH
KHOA CƠ KHÍ CHẾ TẠO MÁY
BỘ MÔN CƠ SỞ THIẾT KẾ MÁY
ĐỒ ÁN THIẾT KẾ MÁY (MMH: MDPR310423)
BẢNG TÓM TẮT THÔNG SỐ TÍNH TOÁN THIẾT KẾ lOMoARcPSD| 37054152 lOMoARcPSD| 37054152
Sinh viên đính kèm đề gốc có đầy đủ thông 琀椀 n, số liệu và chữ ký của GVHD
Phần 1: TÍNH TOÁN CÔNG SUẤT VÀ TỐC ĐỘ TRỤC CÔNG TÁC
Trình bày tóm tắt công thức 琀 nh toán và chọn các hệ số để 琀 nh ra công suất và tốc độ trong
1 trang. Lập bảng kết quả cho công suất và tốc độ 琀 nh được.
Bảng thông số trục công tác Công suất P, kW lOMoARcPSD| 37054152 Tốc độ nct, v/p
Phần 2: CHỌN ĐỘNG CƠ PHÂN PHỐI TỈ SỐ TRUYỀN 1.
Bảng thông số động cơ điện Động cơ (KÝ HIỆU) 3K160M6 Công suất (kW) 7,5
Số vòng quay (v/ph) 980
Hệ số quá tải (T ¿¿k¿¿T dn)¿¿ 2 Khối lượng (kg) 116
Đường kính trục động cơ(mm) 42 Hãng sản xuất
2. Bảng phân phối tỉ số truyền Bảng 1.2 Trục Trục công tác Động cơ Trục 1 Trục 2 Thông số (trục làm việc) Công suất P, kW Pct P1 P2 Plv Tỉ số truyền u ukn hoặc uđ ubr ukn hoặc ux Số vòng quay n, vg/ph nđc n1 n2 nlv 9,55×106 Pct 9,55×106 P1 9,55×106 P2 9,55×106 Plv Mômen xoắn T, N.mm nđc n1 n2 nlv
Trong toàn bộ bảng tóm tắt, ngoài các đại lượng buộc phải chọn số NGUYÊN thì
• T và F làm tròn thành số NGUYÊN
• Các giá trị tính toán còn lại làm tròn 2 SỐ THẬP PHÂN
Phần 3: TÍNH TOÁN BỘ TRUYỀN NGOÀI
BỘ TRUYỀN ĐAI THANG (TÙY THEO ĐỀ) 1. Thông số đầu vào
- Công suất trục động cơ, Pct=¿ (kW), - Số
vòng quay của trục động cơ, nđc=¿ (v/ph), - Tỉ số truyền, uđ=¿. lOMoARcPSD| 37054152
2. Thông số tổng hợp của đai: Thông số
Ký hiệu (đơn vị) Giá trị Loại đai Đường kính bánh đai d1 (mm) Đường kính bánh đai d2 (mm)
Tỉ số truyền thực tế utt Chiều rộng bánh đai Bđ (mm) Số đai (chêm) Z Khoảng cách trục a (mm) Chiều dài đai L (mm) Lực tác dụng lên trục Frđ (N)
Lực vòng tác dụng lên bánh đai Ftđ (N)
BỘ TRUYỀN XÍCH (TÙY THEO ĐỀ)
1. Thông số đầu vào:
- Công suất trục II,P2=(kW)
- Tốc độ quay của đĩa xích dẫn (trục II), n2=(v/ ph), - Tỉ
số truyền, ux=,
- Các điều kiện làm việc của bộ truyền (theo yêu cầu đề bài).
2. Các thông số bộ truyền xích Thông số Kí hiệu Giá trị Bước xích pc (mm) Khoảng cách trục a (mm) Số răng đĩa xích dẫn z1
Số răng đĩa xích bị dẫn z2 Tỉ số truyền u Số mắt xích X lOMoARcPSD| 37054152
Đường kính vòng chia đĩa xích dẫn d1
Đường kính vòng chia đĩa xích bị dẫn d2
Đường kính vòng đỉnh đĩa xích dẫn da1
Đường kính vòng đỉnh đĩa xích bị dẫn da2
ĐKvòng chân răng đĩa xích dẫn df1
ĐK vòng chân răng đĩa xích bị dẫn df2 Số dãy xích x Bề rộng đĩa xích Bx (mm)
Lực hướng tâm tác dụng lên trục Fr (N)
Lực vòng tác dụng lên trục Ft (N)
Phần 4: BỘ TRUYỀN BÁNH RĂNG
1. Thông số đầu vào: -
Công suất trục I, P1=(kW ), - Tốc
độ quay của trục I, n1=(v/ ph), - Tỉ số truyền un=¿ .
2. Các thông số bộ truyền bánh răng trụ (tùy theo đề) Thông số Ký hiệu Giá trị Đơn vị Khoảng cách trục aw (mm) Mô đun pháp/ mô đun mnhoặc m (mm) Tỉ số truyền ut
Chiều rộng vành răng bánh dẫn b1 (mm)
Chiều rộng vành răng bánh bị dẫn b2 (mm)
Góc nghiêng (BTRT không có) β (độ) Góc ăn khớp αtw (độ) Số răng bánh dẫn Z1 (răng) lOMoARcPSD| 37054152 Số răng bánh bị dẫn Z2 (răng)
Đường kính vòng lăn bánh dẫn dw1 (mm)
Đường kính vòng lăn bánh bị dẫn dw2 (mm)
Đường kính vòng đỉnh bánh dẫn da1 (mm)
Đường kính vòng đỉnh bánh bị dẫn da2 (mm)
Đường kính vòng đáy bánh dẫn df 1 (mm)
Đường kính vòng đáy bánh bị dẫn df 2 (mm)
Ứng suất 琀椀 ếp xúc trên mặt răng σ H (MPa) Lực tác ăn khớp Lực vòng Ft (N) Lực hướng tâm Fr (N)
Lực dọc trục (BTRT không có) (N) F a
3. Kết quả tính toán thiết kế bộ truyền bánh răng côn (tùy theo đề) Thông số Ký hiệu Giá trị Đơn vị Chiều dài côn ngoài Re (mm) Mô đun vòng ngoài mte (mm) Tỉ số truyền ut
Chiều rộng vành răng bánh dẫn b1 (mm)
Chiều rộng vành răng bánh bị dẫn b2 (mm) Góc côn chia δ1;δ2 (độ) Số răng bánh dẫn Z1 (răng) Số răng bánh bị dẫn Z2 (răng)
Đường kính vòng chia ngoài bánh dẫn de1 (mm) lOMoARcPSD| 37054152
Đường kính vòng chia ngoài bánh bị dẫn de 2 (mm)
Đường kính đỉnh răng ngoài bánh dẫn da1 (mm)
Đường kính đỉnh răng ngoài bánh bị dẫn da2 (mm) Lực tác ăn khớp Lực vòng Ft (N) Lực hướng tâm Fr (N) Lực dọc trục F (N) a
Kiểm tra sai số tỷ số truyền thực tế
- Tỉ số truyền tính ban đầu nđc u= uct
- Tỉ số truyền thực tế ut=ubr un - Sai số | | u−ut u= 100%=¿4 % u
Phần 5: TÍNH TOÁN THIẾT KẾ TRỤC
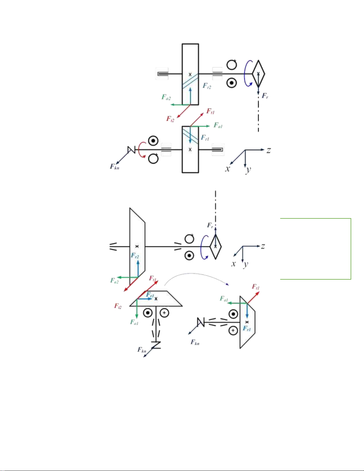
1. Sơ đồ phân tích lực trên bánh răng
(Tùy theo đề có thể xoay trục nằm ngang) lOMoARcPSD| 37054152 Hình 5.1 Sơ
đồ minh hoạ đặt lực chung cho
bộ truyền bánh răng trụ răng nghiêng
Fxx, Fxy từ lực Fr bộ truyền xích theo phương ox, oy, trị giá phụ thuộc vào góc nghiêng của xích cho trên đề (30 độ)
Hình 5.2 Sơ đồ minh hoạ đặt lực chung cho bộ truyền bánh răng nón răng thẳng lOMoARcPSD| 37054152
2. Biểu đồ nội lực các trục (I và II)
Hình 5.3-4 Sơ đồ lực và biểu đồ mô men (nội lực) trục I và trục II
Chú ý: trình bày trên 1 trang giấy (mặt giấy) A4 lOMoARcPSD| 37054152
3. Thông số tính toán tiết diện các trục Trục Vị trí I II A 55 B 60 C 55 D 50
4. Kết cấu các trục (I & II)
Hình 5.5-6 Kết cấu trục I & II Phần 06: Ổ LĂN
1. Thông số các ổ trục: Trục I: lOMoARcPSD| 37054152 Tải tĩnh C Tải động C Khối lượng 0 Ký hiệu d D B (kN) (kN) (kg) 7304 20 Trục II: Tải tĩnh C Tải động C Khối lượng 0 Ký hiệu d D B (kN) (kN) (kg) 7308 40 Phần 07: DUNG SAI
1. Thống nhất ghi 3 kích thước chính: a. Trục I:
- Vòng trong ổ bi dùng k6
- Vòng ngoài ổ bi dùng H7
- Lắp bánh răng, bánh đai, khớp nối dùng H7/k6 ∅35 H7/k 6 b. Trục II:
- Vòng trong ổ bi dùng k6
- Vòng ngoài ổ bi dùng H7
- Lắp bánh răng, bánh đai, khớp nối dùng H7/k6 ∅60 H7/k 6
2. Thông số dung sai vị trí lắp của các trục: Trục Vị trí I II A 55k6/ 120H7 B 60H7/k6 C 55k6/ 120H7 D 50
Ghi chú: Phần chữ in nghiêng màu đỏ là các ý hướng dẫn, ví dụ minh họa, sinh viên cần chỉnh
sửa cho phù hợp với phần nội dung đồ án mình thực hiện. xóa các ý hướng dẫn, ví dụ minh họa này sau khi viết.