



















Preview text:
  lOMoAR cPSD| 58833082   
Giáo viên hướng dẫn  Họ và tên   Mã số sinh viên  Lớp   Khóa   Đề số   Phương án  Ngày giao đề  Ngày nộp bài  TRƯỜN T G ĐẠI HỌC     GIAO T  G
HÔN VẬN  TẢI  TIỂU Ậ
 LU N MÔN HỌC  Downloaded by Trang  Lê  (letrang23091909@gmail.com)    lOMoAR cPSD| 58833082   TIỂU 
LUẬN CHI TIẾT MÁYGVHD: TS. Nguyễn Hữu Chí 
RƯỜNG ĐẠI HỌC GIAO THÔNG VẬN TẢI 
PHÂN HIỆU TẠI THÀNH PHỐ HỒ CHÍ MINH  KHOA CƠ KHÍ  --------***-------- 
**BÔ MÔN THIẾT KẾ MÁY**̣  TIỂU LUẬN   CHI TIẾT MÁY 
HỘP GIẢM TỐC 2 CẤP PHÂN ĐÔI 
18, in đậm, cạnh giữa) 
 : TS. Nguyễn Hữu Chí 
: Nguyễn Thị Kiều Tiên  : 635104C047 
: Kỹ thuật Cơ điện tử  : 63   : VIII   : 11   : 11 – 4 – 2024   : 01 6 2024 
Thành phố Hồ Chí Minh, 2023 – 2024    KHOA CƠ KHÍ  CHI TIẾT MÁY  2      lOMoAR cPSD| 58833082   TIỂU 
LUẬN CHI TIẾT MÁYGVHD: TS. Nguyễn Hữu Chí 
BỘ MÔN: THIẾT KẾ MÁY  ĐỀ SỐ VIII   
Họ tên SV: Nguyễn Thị Kiều Tiên  MSSV:635104C047  Lớp: KTCĐT K63 
Ngày giao đề: 11- 4 – 2024; Ngày nộp bài: 01 - 6 - 2024  
GV hướng dẫn: Nguyễn Hữu Chí 
SƠ ĐỒ HƯỚNG DẪN  Chế  độ làm 
việc: mỗi ngày 2 ca, mỗi ca 4 giờ, mỗi năm làm việc 290 ngày; tải trọng va đập nhẹ, quay 
một chiều; xích đặt nghiêng 75o.  Phương án  1  2  3  4  5  6  7  8  9  10  11  12  13  14  15  16 
Lực kéo trên xích tải P  (kG)  760  790  760  860  880  1200 1150 1260  965  860  880  1035 1100 1200  900  890  Vận tốc xích tải  V(m/s)  0,85  0,75  0,85  0,65 0,45  0,51  0,52  0,48  0,55  0,63  0,7  0,52  0,52  0,48  0,62  0,7 
Bước xích tải t (mm)  38,1  38,1 38,1  38,1  24,5  24,5  24,5  24,5  24,5 31,75 31,75 31,75 24,5  24,5 31,75 31,75  Số răng đĩa xích tải  24  28  22  24  26  24  30  26  20  30  30  30  28  30  30  30  Thời hạn phục vụ  (năm)  5  4oke  4  5  5  4  5  4  4  4  4  5  5  4  4  4  Sai số vận tốc cho  phép (%)  4  5  4  5  5  4  5  5  4  4  5  4  5  5  5  4 
NỘI DUNG THỰC HIỆN 
(Một quyển thuyết minh khoảng 25 30 trang, khổ giấy A4, cỡ chữ 13 hoặc 14 và file word) 
Trình bày nguyên lý hoạt động của bộ truyền. Xác định chiều quay của các trục, Xác định 
hiệu suất của các cặp ổ lăn và các bộ truyền của hệ truyền động. 
Tính số vòng quay, công suất và mô men xoắn trên các trục. 
Chọn động cơ điện phù hợp. 
Phân phối tỷ số truyền cho hệ thống truyền động. 
Phân tích lực và tính giá trị các lực trong các bộ truyền của hệ truyền động. 
Tính các thông số của các bộ truyền: d, b, m, t(p), a, Z...  NHẬN XÉT CỦA GVHD 
...............................................................................................................................  3      lOMoAR cPSD| 58833082   TIỂU 
LUẬN CHI TIẾT MÁYGVHD: TS. Nguyễn Hữu Chí 
............................................................................................................................... 
............................................................................................................................... 
............................................................................................................................... 
............................................................................................................................... 
............................................................................................................................... 
............................................................................................................................... 
............................................................................................................................... 
............................................................................................................................... 
............................................................................................................................... 
............................................................................................................................... 
............................................................................................................................... 
............................................................................................................................... 
............................................................................................................................... 
............................................................................................................................... 
............................................................................................................................... 
............................................................................................................................... 
............................................................................................................................... 
............................................................................................................................... 
............................................................................................................................... 
............................................................................................................................... 
............................................................................................................................... 
............................................................................................................................... 
............................................................................................................................... 
............................................................................................................................... 
............................................................................................................................... 
...............................................................................................................................  MỤC LỤC 
Phần I. NGUYÊN LÝ HOẠT ĐỘNG CỦA BỘ TRUYỀN VÀ XÁC ĐỊNH 
CHIỀU QUAY CỦA CÁC TRỤC......................................................6 
1. Cấu tạo..........................................................................................................6  4      lOMoAR cPSD| 58833082   TIỂU 
LUẬN CHI TIẾT MÁYGVHD: TS. Nguyễn Hữu Chí 
2. Nguyên lý hoạt động....................................................................................6 
3. Xác định chiều quay của các trục...............................................................6 
Phần II: CHỌN ĐỘNG CƠ ĐIỆN PHÙ HỢP....................................7 
1. Tính chọn hiệu suất của hệ thống...............................................................7 
2. Tính công suất làm việc và công suất tương đương..................................8 
3. Công suất cần thiết tính trên trục động cơ điện........................................8 
4. Xác định sơ bộ số vòng quay của trục công tác.........................................9 
5. Phân phối tỉ số truyền :...............................................................................9 
6. Chọn động cơ:............................................................................................10 
Phần III: PHÂN PHỐI TỈ SỐ TRUYỀN CHO HỆ THỐNG TRUYỀN 
ĐỘNG.......................................................................................11 
1. Phân phối tỉ số truyền................................................................................11 
2. Tính toán các thông số trên các trục :......................................................12 
PHẦN IV: PHÂN TÍCH LỰC, XÁC ĐỊNH CÁC THÔNG SỐ BỘ 
TRUYỀN VÀ TÍNH GIÁ TRỊ CÁC LỰC TRONG CÁC BỘ TRUYỀN CỦA 
HỆ TRUYỀN ĐỘNG....................................................................14 
1. phân tích lực và tính giá trị các lực trong các bộ truyền của hệ 
truyềnđộng...................................................................................................... ...........14  a)  Cặp  bánh  răng  1-
2..................................................................................14 
b) Cặp bánh răng phân đôi 3-4.................................................................15 
2. Tính thông số số của các bộ truyền: d, b, m, t(p), a, Z….......................15 
a) Bộ truyền bánh răng trụ răng nghiêng................................................15 
Cặp Bánh răng 1-2:.................................................................................15  5      lOMoAR cPSD| 58833082   TIỂU 
LUẬN CHI TIẾT MÁYGVHD: TS. Nguyễn Hữu Chí 
Cặp Bánh răng 3-4:.................................................................................16 
b) Thông số bộ truyền động xích...............................................................17 
3. Tính toán lực cho các cặp bánh răng và xích tải.....................................18 
a) Tính toán cho các cặp bánh răng..........................................................18 
Cặp bánh răng 1-2..................................................................................18 
Cặp bánh răng 3-4 (và cặp bánh răng 3’-4’)........................................18 b) 
Lực trên bánh xích.............................................................................19    6      lOMoAR cPSD| 58833082   TIỂU 
LUẬN CHI TIẾT MÁYGVHD: TS. Nguyễn Hữu Chí 
PHẦN I. NGUYÊN LÝ HOẠT ĐỘNG CỦA BỘ TRUYỀN VÀ XÁC 
ĐỊNH CHIỀU QUAY CỦA CÁC TRỤC  1. Cấu tạo 
Đây là bộ truyền hệ dẫn động xích tải với: 
Bộ truyền ngoài là bộ truyền xích; 
Bộ truyền trong là bộ truyền bánh răng 2 cấp, cấp nhanh là bánh răng trụ 
răng nghiêng, cấp chậm là bánh răng trụ răng nghiêng phân đôi. 
2. Nguyên lý hoạt động 
Động cơ điện quay làm trục I quay, trục I dẫn động làm trục II quay, trục II 
quay làm trục III quay truyền động làm trục đĩa xích quay. 
3. Xác định chiều quay của các trục 
* Chọn chiều quay của tang tải như hình ta xác định được chiều quay của  các trục  Trục II  Trục I  Trục III   
PHẦN II: CHỌN ĐỘNG CƠ ĐIỆN PHÙ HỢP 
1. Tính chọn hiệu suất của hệ thống 
Điều kiện làm việc ban đầu:  7      lOMoAR cPSD| 58833082   TIỂU 
LUẬN CHI TIẾT MÁYGVHD: TS. Nguyễn Hữu Chí   
Lực kéo trên xích tải ( KG) :  880    =    8800    (N)   
Vận tốc xích tải V (m/s)  :  0,7    Bước xích tải t (mm)  :  31.75   
Số răng đĩa xích tải z  :  30   
Thời gian phục vụ (năm)  :  4   
Sai số vận tốc cho phép (%) :  5 
Chế độ làm việc: mỗi ngày 2 ca, mỗi ca 4 giờ, mỗi năm làm việc 290 ngày; tải 
trọng va đập nhẹ, quay một chiều; xích đặt nghiêng 75o. 
Bảng 2.3 Trị số hiệu suất của các loại bộ truyền và ổ 
Tra bảng 2.3 trang 19 (sách tính toán thiết kế cơ khí – tập 1) ta có:   
Hiệu suất của bộ truyền xích  :  ηx = 0,93.   
Hiệu suất của 1 cặp bánh răng trụ  :  ηbr = 0,98.   
Hiệu suất của 1 cặp ổ lăn  :  ηol = 0,99.    Hiệu suất nối trục  :  ηkn = 1  Hiệu suất chung:   η = η 2 4
br .ηol .ηx.ηkn = 0,982.0,994.0,93.1 = 0,86 
Tính số vòng quay, công suất và mô men xoắn trên các trục 
2. Tính công suất làm việc và công suất tương đương 
Do tải trọng của bộ truyền không thay đổi nên ta tính tải trọng làm việc:    Fv  8800.0.7    P1=Plv=  =  =6.16(kW)    1000  1000 
Tải trọng của bộ truyền thay đổi theo thời gian làm việc nên ta phải tính tải trọng  tương đương:  8      lOMoAR cPSD| 58833082   TIỂU 
LUẬN CHI TIẾT MÁYGVHD: TS. Nguyễn Hữu Chí    -    Ptd   
Ptd=√(6,16 )2.5+¿¿¿ 
3. Công suất cần thiết tính trên trục động cơ điện    Plv 6,16  Pct= 
η =0,86=7,16 ( KW ) 
Ta có Pct nên ta cần chọn động cơ có công suất thỏa điều kiện: Pđc ≥ Pct 
4. Xác định sơ bộ số vòng quay của trục công tác 
Số vòng quay của máy công tác được xác định theo công thức 2.16 trang 21 
Sách tính toán dẫn động cơ khí – tập 1    60000.v 60000.0,7  v    nlv=  z.t  = 30.31,75 =44,09( ph)  9      lOMoAR cPSD| 58833082   TIỂU 
LUẬN CHI TIẾT MÁYGVHD: TS. Nguyễn Hữu Chí   
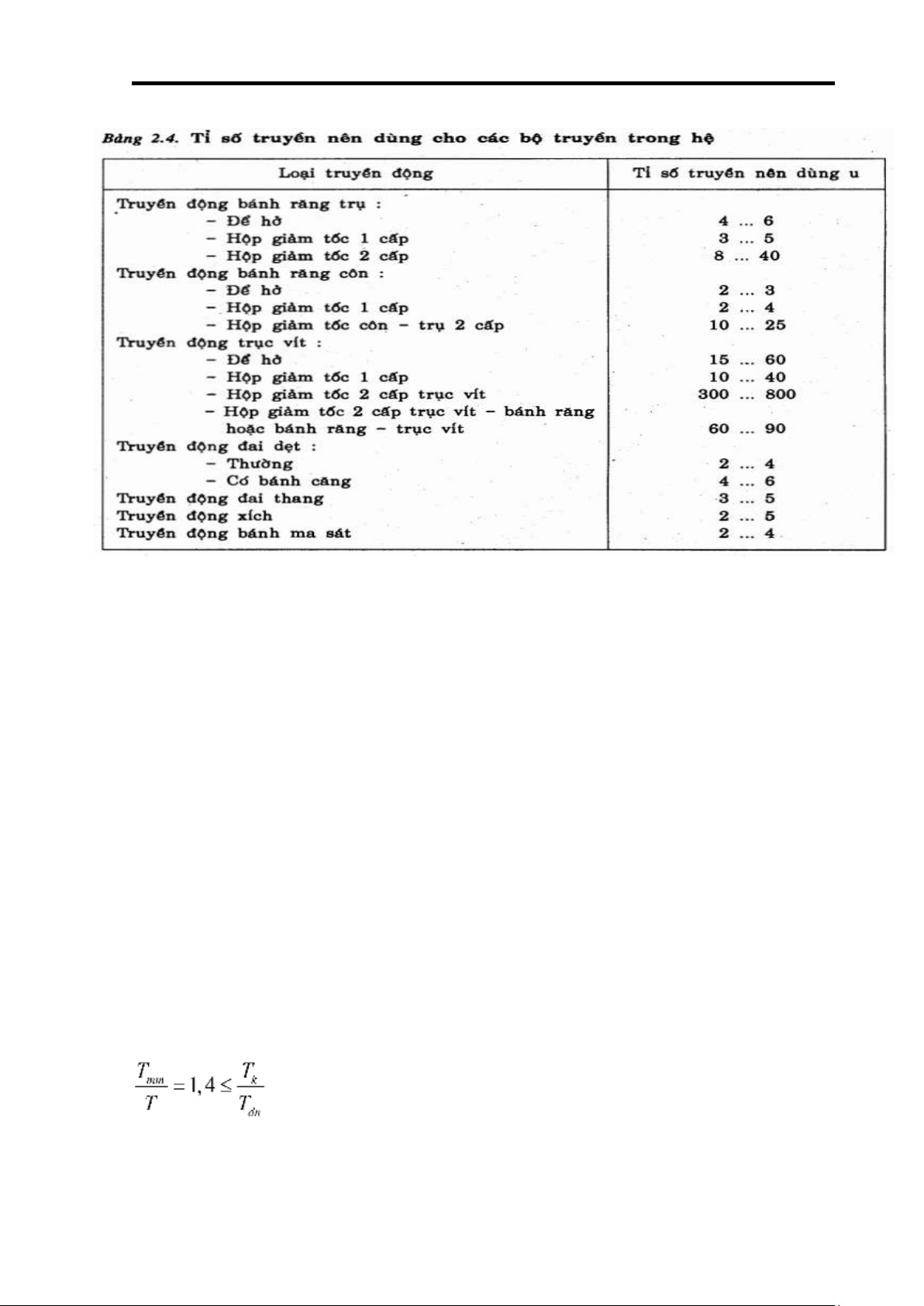
5. Phân phối tỉ số truyền : 
Tra bảng 2.4 trang 21 sách (I), ta chọn tỉ số truyền sơ bộ ux = 2,3 tỉ 
số truyền của bộ truyền động xích uh= 14 tỉ số truyền của bộ truyền 
bánh răng, loại hộp giảm tốc cấp 2 Tỉ số truyền hộp giảm tốc 2 cấp: 
uc=ux×uh=2,3.14=32,2 
Từ u  và ta tính được số vòng quay sơ bộ của động cơ từ công thức 2.18 trang  c nlv
21 sách (I) nsb=uc×nlv=32×44,09=1419,69(vòng/phút)  6. Chọn động cơ: 
- Điều kiện chọn động cơ phải thoả mãn: 
Pđc ≥ Pct=6,64(KW) 
Ta có: nđc nsb=1419,69 (vòng/phút) - 
Mômen mở máy thỏa điều kiện:      Trong đó:  + Tmm : mô men mở máy  10      lOMoAR cPSD| 58833082   TIỂU 
LUẬN CHI TIẾT MÁYGVHD: TS. Nguyễn Hữu Chí 
+Tk : mô men khởi động của động cơ  +Tdn :  +T: mô men tải 
- Tra bảng Phụ lục P1.2 trang 235 (Sách tính toán dẫn động cơ khí – tập 1)      11      lOMoAR cPSD| 58833082   TIỂU 
LUẬN CHI TIẾT MÁYGVHD: TS. Nguyễn Hữu Chí  Tên động cơ 
Công suất Vận tốc quay cosφ  η%  (kW)  (v/p)      4A132S4Y3  7,5  1455  0,86  87,5  2,2  2,0 
- Ta chọn động cơ điện loại 4A132S4Y3 có: Pđc = 7,5 ( kW), nđc = 1455  (vòng/phút)  Tên động cơ 
Công suất Vận tốc quay cosφ  η%  (kW)  (v/p)      4A132S4Y3  7,5  1455  0,86  87,5  2,2  2,0 
PHẦN III: PHÂN PHỐI TỈ SỐ TRUYỀN CHO HỆ THỐNG  TRUYỀN ĐỘNG 
1. Phân phối tỉ số truyền   nđc  1455 u   x.uh
Tính chính xác tỉ số truyền: ucx= nlv =44,09=33=  
Chọn tỉ số truyền của hộp là: uh = 14    ucx  33 
Tính tỉ số truyền xích ngoài    ux=  uh =¿ 14 ¿2,36 
Tra bảng 3.1 ( trang 43 ,tập 1) với Uh = 14 , ta có:    12      lOMoAR cPSD| 58833082   TIỂU 
LUẬN CHI TIẾT MÁYGVHD: TS. Nguyễn Hữu Chí  Vậy ta có: 
+ Tỉ số truyền câp nhanh: u1 = un = 4,49 
+ Tỉ số truyền cấp chậm: u2 = uch= 3,12 
+ Tỉ sô truyền của xích: ux = 2,36 - Kiểm 
tra sai số cho phép về tỉ số truyền: 
ut=un.uc.ux=4,49.3,12.2,36=33,06  % 
⇒ Thỏa điều kiện về sai số cho phép. 
2. Tính toán các thông số trên các trục : 
- Tính công suất trên các trục:  Ta có: Ptg = Plv= 6.16 (kW). 
- Công suất trên trục III:  Ptg 6,16 PIII= nx.nol 
=0,93.0,99=6,69¿) - Công suất  trên trục II:  PIII 6,69 PII=
nbr .nol =0,98.0,99=6,9( kW ) - Công suất  trên trục I:  PII 6,9 PI= nol .nbr  =0,99.0,98=7,11 (kW ) 
Chú ý: Công suất động cơ tính toán Pđc = 7,11 (kW) phải nhỏ hơn công suất  v 
động cơ lựa chọn Pđc=7,5 ; nđc=1455( ph) 
Tính số vòng quay các trục: 
nI = nđc = 1455 (v/ph)  13      lOMoAR cPSD| 58833082   TIỂU 
LUẬN CHI TIẾT MÁYGVHD: TS. Nguyễn Hữu Chí    nI  1455 
nII= un = 4,49 =324,05(v/ph)  nII  324,05 nIII=  uc = 3,12  =103,86 (v/ph)    nIII  103,86  ntg= 
ux = 2,36 =44,01 (v/ph) 
- Tính mômen xoắn các trục:    6 PI  6 7,11  T I=9,55.10 . 
nI =9,55.10 . 1455=46667,01 ( N .mm)    6 PII  6    T II=9,55.10 . 
nII =9,55.10 . 324,05=203348,25 ( N .mm)    6 PIII  6  6,69  T III=9,55.10 . 
nIII =9,55.10 . 103,86=615150,2 (N .mm)    6 Ptg  6 6,16  T tg=9,55.10 . 
ntg =9,55.10 . 44,01=1336696,21( N .mm)  Bảng đặc tính:  Trục Động cơ  Trục I    Trục II  Trục III  Tang  Thông số  Ti số truyền u  uh = 14  un= 4,49  uc= 3,12    ux= 2,36  Công suất (kW)  7,11  7,11    6,9  6,69  6,16  Số vòng quay (v/p)  1455  1455    324,05  103,86  44,01  T( N.mm )  46667,01  46667,01  20 3348,25  615150,2  1336696,21  14      lOMoAR cPSD| 58833082   TIỂU 
LUẬN CHI TIẾT MÁYGVHD: TS. Nguyễn Hữu Chí 
PHẦN IV: PHÂN TÍCH LỰC, XÁC ĐỊNH CÁC THÔNG SỐ BỘ TRUYỀN VÀ TÍNH GIÁ 
TRỊ CÁC LỰC TRONG CÁC BỘ TRUYỀN CỦA HỆ TRUYỀN ĐỘNG 
1. phân tích lực và tính giá trị các lực trong các bộ truyền của hệ truyền  động. 
* Chọn chiều quay của tang tải như hình ta xác định được chiều quay của các  BR1-2  BR3-4  BR3’-4’    trục. 
* Phân tích và tính toán các lực  15      lOMoAR cPSD| 58833082   TIỂU 
LUẬN CHI TIẾT MÁYGVHD: TS. Nguyễn Hữu Chí 
a) Cặp bánh răng 1-2  F r1  F t1  F a 1  F t2  F a2  F r2   
b) Cặp bánh răng phân đôi 3-4    16      lOMoAR cPSD| 58833082   TIỂU 
LUẬN CHI TIẾT MÁYGVHD: TS. Nguyễn Hữu Chí 
2. Tính thông số số của các bộ truyền: d, b, m, t(p), a, Z… 
a) Bộ truyền bánh răng trụ răng nghiêng  Chọn: 
Số răng bánh dẫn: Z1= 26 (răng)  Modun bánh răng: m = 2 (mm) 
αw=20° Ta có:  Cặp Bánh răng 1-2: 
Lấy β1 = 14°  Suy ra: 
Z2 = u1.Z1 = 4,49.26 = 117 (răng)  Modun pháp: m = mn    m  2 
Modun ngang: mt = cosβ = 
cos (14°) = 2.06 (mm)  Bước răng: 
pt = mt.π = 2,06. π= 6,47 (mm) 
pn = mn .π = 2. π= 6,28 (mm)  Chiều dày bánh răng:  m  b = 2  Bánh răng 1: 
Đường kính vòng chia: dw1 = mt.Z1 = 2,06.26 = 53,56 (mm) 
Đường kính vòng đỉnh: da1 = mt.(Z1 +2) = 2,06.(26+2) = 57,68 (mm) 
Đường kính vòng chân: df1 = mt.(Z1 -2,5) = 2,06.(26-2,5) = 48,41 (mm)  Bánh răng 2: 
Đường kính vòng chia: dw2 = mt.Z2 = 2,06.117= 241,02 (mm) 
Đường kính vòng đỉnh: da2 = mt.(Z2+2) = 2,06.(117+2) = 245,14 (mm) 
Đường kính vòng chân: df2 = mt.(Z2 -2,5) = 2,06.(117-2,5) = 235,87 (mm) 
Khoảng cách trục: a1 = d  =  w1+2dw2 53,56+2241,02= 147,29 (mm)  17      lOMoAR cPSD| 58833082   TIỂU 
LUẬN CHI TIẾT MÁYGVHD: TS. Nguyễn Hữu Chí  Cặp Bánh răng 3-4:  Lấy β = 24 2 °  Suy ra: 
Z4 = u2.Z3 = 3,12.26 = 81 (răng)  Modun pháp: m = mn 
Modun ngang: mt = cosβm = 
cos (224°) = 2.19 (mm)  Bước răng: 
pt = mt.π = 2,19.π= 6,88 (mm) 
pn = mn .π = 2. π= 6,28 (mm)  Chiều dày bánh răng:  m  b = 2  Bánh răng 3: 
Đường kính vòng chia: dw3 = mt.Z3 = 2,19.26 = 56,94 (mm) 
Đường kính vòng đỉnh: da3 = mt.(Z3 +2) = 2,19.(26+2) = 61,32 (mm) 
Đường kính vòng chân: df3 = mt.(Z3 -2,5) = 2,19.(26-2,5) = 51,47 (mm)  Bánh răng 4: 
Đường kính vòng chia: dw4 = mt.Z4 = 2,19.81= 177,39 (mm) 
Đường kính vòng đỉnh: da4 = mt.(Z4+2) = 2,19.(81+2) = 181,77 (mm) 
Đường kính vòng chân: df4 = mt.(Z4 -2,5) = 2,19.(81-2,5) = 171,92 (mm) 
Khoảng cách trục: a2 = d  =  w3+2dw4 56,94+2177,39= 117,17 (mm) 
Cặp bánh răng 3’-4’ có thông số tương tự cặp bánh răng 3-4 
b) Thông số bộ truyền động xích  Ta có: ux = 2,36 
Px = PIII=¿6,69 (kW) (đĩa xích dẫn gắn ở trục III) 
nx = nIII = 103,86 (v/ph) z1 = 30 (răng)  18      lOMoAR cPSD| 58833082   TIỂU 
LUẬN CHI TIẾT MÁYGVHD: TS. Nguyễn Hữu Chí 
z2 = ux. z1 = 2,36.30 = 70,8  70 (răng) 
Bước xích tải: t = 31,75 (mm)  Khoảng cách trục: 
Chọn khoảng cách trục sơ bộ: asb  = 40.t = 40. 31,75 = 1270(mm)  Số mắt xích:  X = 2a +  (z1+z2) +  at .( z ) 22−πz1 2 t 2  = 2.1270 + 
 + 311270,75.(702−π30 )2=131,01  Chọn X = 132 
Tính lại khoảng cách trục a:  a   a  
a* = 1285,86 (mm) để xích không quá 
căng, giảm a một lương: 
a = a* - a = a* - 0,003.a* = 1285,86 – 0,003.1285,86 = 1282(mm) 
Tính số lần va đập xích trong 1s:    z1.n1  21.44,09  i = 15 X = 15.132 = 
3. Tính toán lực cho các cặp bánh răng và xích tải 
a) Tính toán cho các cặp bánh răng  Cặp bánh răng 1-2  2.46667,01  19      lOMoAR cPSD| 58833082   TIỂU 
LUẬN CHI TIẾT MÁYGVHD: TS. Nguyễn Hữu Chí   
Ft1 = Ft2 = 2T1/dw1 = 53,56 = 1742,61 (N) 
Fa1 = Fa2 = Ft1.tgβ1 = 1742,61.tan (14°)= 434,48 (N) 
Fr1 = Fr2 = Ft1.tgα/cos β1 = 1742,61. tan (20°) = 653,67 (N)  cos (14°) 
Cặp bánh răng 3-4 (và cặp bánh răng 3’-4’) 
Ft3 = Ft3’ = Ft4 = Ft4’= 2T3/dw3 =  2.615150,2 = 21606,96 (N) 
Fa3 = Fa3’ = Fa4 = Fa4’ = Ft3.tg β2 = 21606,96. tan(24 °)=9629,04(N) 
Fr3 = Fr3’ = Fr4 = Fr4’ = Ft3.tgFαw/cosβ2 = 21606,96.  = 8608,54 (N)  20