

















Preview text:
10/3/2023
ĐỀ CƯƠNG HỌC PHẦN
Name: Mạch điện tử nâng cao (2102570)
(Electronic circuits: Discrete and Integrated) Mã học phần: 420300340003 Số tín chỉ: 2(2,0,4)
Tổng số tín chỉ: 2 Lý thuyết: 2 Tự học: 4
Kiểm tra, đánh giá: Bài tập (E-Learning) – Kiểm tra giữa kỳ – GV. Trần Quý Hữu Email: tranquyhuu@iuh.edu.vn Kiểm tra cuối kỳ. Sdt/Fb/Zalo: 0917751379 E-Learning: Trần Qúy Hữu 10/3/2023 ocw.fet.iuh.edu.vn 1 2
Mục tiêu của học phần
Mô tả vắn tắt học phần
o Môn học cung cấp cho sinh viên các kiến thức về đáp ứng
Sau khi học xong môn này, sinh viên có khả năng:
tần số thấp, tần số cao của các mạch khuếch đại; mạch
khuếch đại cộng hưởng và ứng dụng; các loại mạch lọc
o Xác định được hàm truyền, vẽ được đáp ứng tần số thấp, tần
tương tự; các kỹ thuật hồi tiếp và mạch dao động.
số cao của các mạch khuếch đại và mạch lọc tương tự.
Học phần học trước (A), tiên quyết (B), song hành (C)
o Giải thích được ảnh hưởng của hồi tiếp tới mạch khuếch đại.
o Môn học trước: Mạch điện tử (2102575)
o Tính toán và thiết kế được các loại mạch khuếch đại, mạch lọc và mạch dao động. 10/3/2023 10/3/2023 3 4 1 10/3/2023
Nội quy học trực tuyến: Chư ng Nội dung Thời gian Bài tập o Vào học đúng giờ. 1
Đáp ứng tần số của mạch khuếch đại 12 10
o Tắt MIC và chỉ mở khi trao đổi. 2
Mạch khuếch đại cộng hưởng 6 10 3 Mạch lọc tương tự 6 10
o Mở CAM và chỉ tắt khi giải lao. 4
Kỹ thuật hồi tiếp và dao động 6 10
o Tập trung suốt tiến trình học tập. Tổng 30 40
o Bấm nút giơ tay, hoặc mở MIC khi phát biểu.
o Tương tác tích cực, hòa nhã, thân thiện
o Ưu tiên học trên máy tính (nếu được). 10/3/2023 10/3/2023 5 6
[1] Behzad Razavi: Fundam ntals of Micro l ctronics, 1st Edition, 2008.
2 D.L. Schilling, Charles Belove : El ctronic Circuits:
Discr t and Int grat d , Mc Graw-Hill Inc, 1968, 1992,
3 Robert Boylestad, Louis Nashelsky, El ctronic D vic s
and Circuit Th ory, Prentice Hall, 2008. NỘI DUNG:
4 Lê Tiến Thường, Giáo trình mạch điện tử 2, ĐH Bách Khoa Tp.HCM, 2009
Đáp ứng tần số thấp của mạch khuếch đại ghép
5 Lê Tiến Thường, Tuyển tập bài tập mạch điện tử RC
tư ng tự,N.X.B. ĐHQGTPHCM, 2011.
Đáp ứng tần số cao của mạch khuếch đại ghép RC
6 Bài giảng mạch điện tử 2: Giáo trình HUI-2008
Mạch khuếch đại cộng hưởng Mạch lọc tư ng tự
Mạch khuếch đại công suất audio
Kỹ thuật dao động và tạo dạng tín hiệu 7 8 2 10/3/2023
Chư ng 2: Mạch khuếch đại cộng hưởng
Giới thiệu về mạch khuếch đại cộng hưởng
2.1. Giới thiệu về mạch khuếch đại cộng hưởng Khái niệm:
2.2. Mạch khuếch đại cộng hưởng đơn
Cộng hưởng là điều kiện trong mạch RLC trong đó
thành phần cảm kháng và dung kháng bằng nhau về
2.3. Mạch khuếch đại cộng hưởng ghép biến áp
biên độ, vì vậy tạo ra trở kháng thuần trở trong mạch.
2.4. Mạch khuếch đại cộng hưởng nối tiếp
Cộng hưởng xảy ra trong mạch chứa ít nhất một
cuộn dây và một tụ điện. 9 10
Mạch khuếch đại cộng hưởng đ n
Mạch khuếch đại cộng hưởng đ n Cho sơ đồ mạch:
Sơ đồ mạch tương đương:
C = C’ + Cb’e + Cb’c(1 + gmRL) C = C’ + C RL<b’e + Cb’c(1 + gmRL) 11 12 3 10/3/2023 Hàm truyền: Hàm truyền: Qi = 0RC Với: Với 13 14
Mạch khuếch đại cộng hưởng đ n
Mạch khuếch đại cộng hưởng đ n Biểu đồ Bode:
Ví dụ: Cho mạch cộng hưởng biết rb’ = 1kΩ, rbb’=0,
hf =100, fT=500 MHz, Cb’c=2 pF.
a) Tìm L để mạch cộng hưởng ở tần số 30 Mhz b) Tính băng thông
c) Tính độ lợi dòng Băng thông:
Tích số độ lợi và băng thông: 15 16 4 10/3/2023
Mạch khuếch đại cộng hưởng đ n
Mạch khuếch đại cộng hưởng đ n
Mạch tư ng đư ng của BJT ở tần số cao (EC)
Mạch tư ng đư ng của BJT ở tần số cao (EC)
Thông số 1/hoe có giá trị rất lớn từ vài chục đến hàng trăm kΩ.
Trong đó: Cb’e là tụ ký sinh của lớp tiếp giáp BE, Cb’c
Thông số 𝑟 là điện trở nền của điện cực B, thường rất bé từ
là tụ ký sinh của lớp tiếp giáp BC, h bb’ oe là trở dẫn ngõ
vài Ohm đến vài chục Ohm.
ra của cực CE, rbb’ là điện trở lớp tiếp giáp BE. Các
thông số này được cho bởi nhà sản xuất.
Thông thường trong phân tích mạch cao tần, ta bỏ qua thông số hoe và 𝑟 .
Thông thường Cb’e >> Cb’c (100bb’ 17 18
Mạch khuếch đại cộng hưởng đ n
Kết hợp với lý thuyết Miller: Tần số cắt: Điện dung Miller:
Tần số giới hạn của transistor: R’L: trở kháng ngõ ra 19 20 5 10/3/2023
Mạch khuếch đại cộng hưởng đ n
Ví dụ: Cho mạch cộng hưởng biết rb’ = 1kΩ, rb’b=0, Giải:
hf =100, fT=500 MHz, Cb’c=2 pF.
a) Tìm L để mạch cộng hưởng ở tần số 30 Mhz b) Tính băng thông
c) Tính độ lợi dòng 21 22 Hàm truyền: Với: 23 24 6 10/3/2023
Mạch khuếch đại cộng hưởng đ n
Mạch khuếch đại cộng hưởng đ n Biểu đồ Bode: Qi = 0RC Băng thông: Với
Tích số độ lợi và băng thông: 25 26 Bài tập 1: a)
Phân tích đáp ứng tần số cao của mạch khuếch đại
BJT như hình vẽ dưới. Biết Transistor có hfe=100,
, Cb’c =10 pF, Ri=1 KΩ, RL=RC =2 KΩ, RB=430 KΩ, b)
RE=1KΩ,RBB’=0 Ω VCC=+20V, VT=25 mV, VBE=0.7 V, m=1. Các tụ
Ci=C0=10 µF, CE=20 µF xem như nối tắt (bypass) ở tần số cao.
Thực hiện các yêu cầu sau đây: c) 27 28 7 10/3/2023
a) Tìm điểm phân cực tĩnh Q.
a) Tìm điểm phân cực tĩnh Q.
b) Vẽ mạch tương đương tín hiệu nhỏ tần số cao cho mạch.
c) Thiết lập biểu thức hàm truyền Ai của mạch.
d) Vẽ biểu đồ Bode cho biên độ của Ai(dB)
e) Sử dụng cấu trúc mạch khuếch đại trên. Cho khung cộng
hưởng như hình. Cho C=100 nF. Thiết kế L để tần số cộng hưởng
của mạch khuếch đại cộng hưởng bằng 50 MHz.
b) Vẽ mạch tương đương tín hiệu nhỏ tần số cao cho mạch.
(Từ bài làm sinh viên rút ra 2 ý sau:
- Xác định các thông số đầu vào/ra bài toán thiết kế.
- Vẽ sơ đồ mạch điện tử, tính toán các giá trị linh kiện. 29 30
b) Vẽ mạch tương đương tín hiệu nhỏ tần số cao cho mạch.
c) Thiết lập biểu thức hàm truyền Ai của mạch. 31 32 8 10/3/2023
d) Vẽ biểu đồ Bode cho biên độ của Ai(dB) e) Tính L
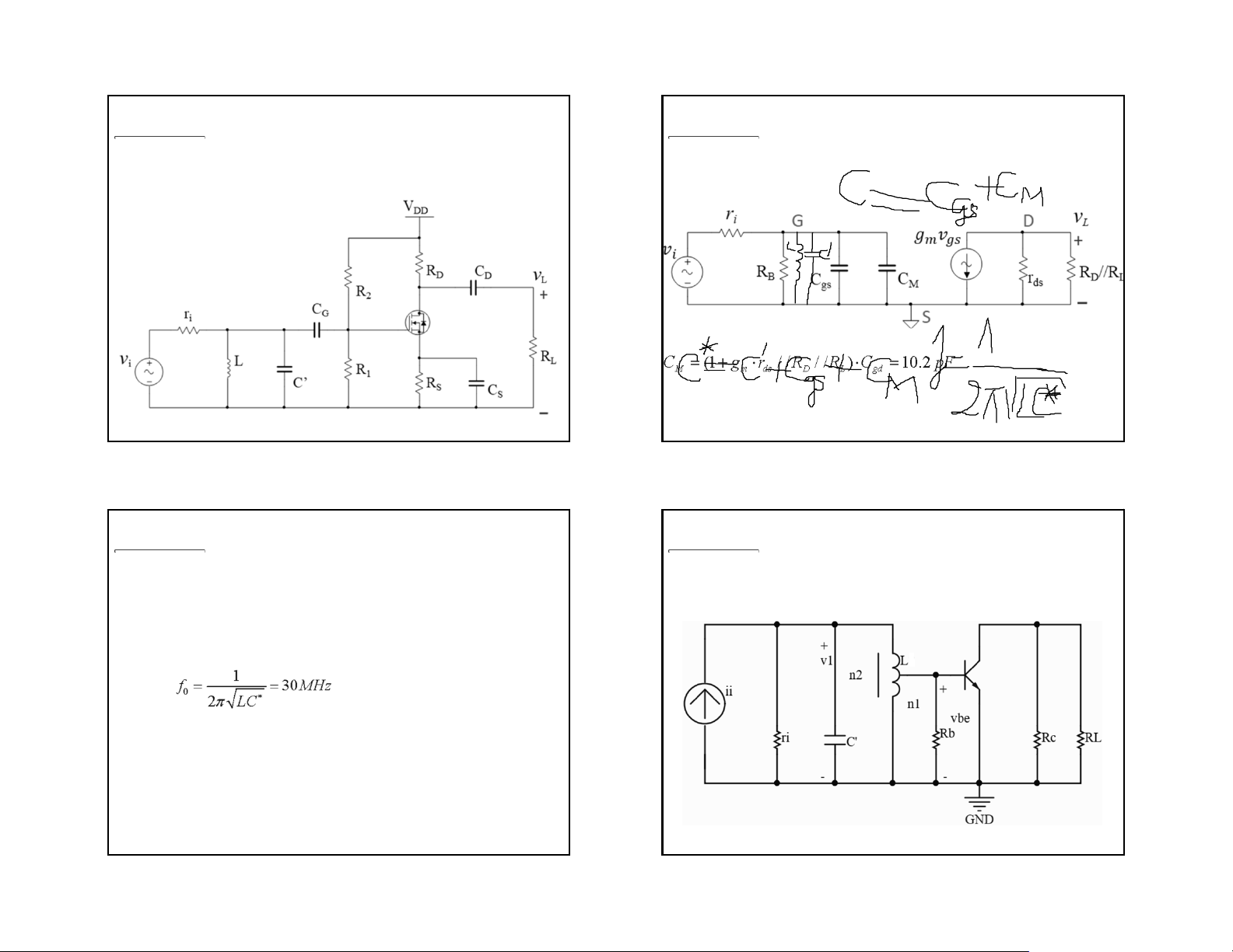
- Đầu vào: mạch khuếch đại đã cho, khung cộng hưởng, f=50 Mhz. - Đầu ra: L. 33 34 Bài tập 2:
Phân tích đáp ứng tần số cao cho mạch khuếch đại như hình dưới. Biết mạch
d. Thiết kế mạch khuếch đại cộng hưởng tại tần số 30MHz. Biết
có VDD =25 V, ri = 50Ω, R1 = R2 = 5.2 KΩ, Rs = 200 Ω, RL = RD = 2.2. KΩ.
rằng yêu cầu thiết kế thực hiện 2 bước sau:
eMosFET được phân cực tại gm= 5 × 10^(-3) (1/oℎm), rds = 60 KΩ, Cgd = 1.6
pF, Cgs = 10.2 pF. Các tụ Cg = Cd = 0.47µF, Cs = 4.7µF xem như nối tắt
- Xác định các thông số đầu vào/ra của bài toán thiết kế.
(bypass) ở tần số làm việc. Thực hiện các yêu cầu sau đây:
a. Vẽ sơ đồ tương đương tín hiệu nhỏ tần số cao cho mạch khuếch đại.
b. Xác định biểu thức hàm truyền hệ số khuếch đại áp Av=vo/vi của mạch.
- Vẽ sơ đồ nguyên lý mạch, xác định các giá trị linh kiện.
c. Vẽ biểu đồ Bode cho phổ biên độ hàm truyền Av. 35 36 9 10/3/2023
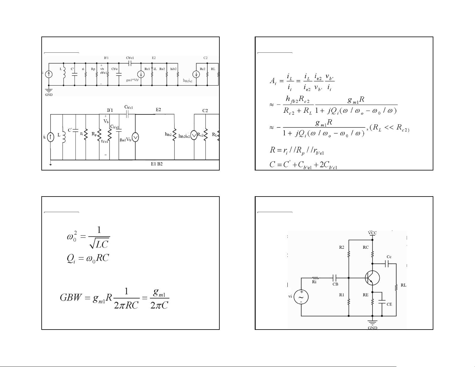
a) Vẽ mạch tương đương tín hiệu nhỏ tần số cao cho mạch:
a) Vẽ mạch tương đương tín hiệu nhỏ tần số cao cho mạch: Ta có: Ta có: Đặt: C = Cgs + CM = 20.4 pF 37 38
a. Thiết lập biểu thức hàm truyền Av:
a. Thiết lập biểu thức hàm truyền Av: Ta có: Ta có: 39 40 10 10/3/2023
a. Thiết lập biểu thức hàm truyền Av:
d) Vẽ biểu đồ Bod cho biên độ Đặt: Suy ra: 41 42
Xác định các thông số đầu vào/ra của bài toán thiết kế.
Chọn mô hình mạch khuếch đại cộng hưởng đơn dùng MOSFET
- Mạch phân cực DC ở trên với C = 20.4pF.
- Xác định các thông số khung cộng hưởng L và C’ sao cho mạch
khuếch đại cộng hưởng tại tần số dao động tại 30MHz. 43 44 11 10/3/2023
Vẽ sơ đồ nguyên lý mạch, xác định các giá trị linh kiện
a) Vẽ mạch tương đương tín hiệu nhỏ tần số cao cho mạch: Ta có: Đặt: C = Cgs + CM = 20.4 pF 45 46
Mạch khuếch đại cộng hưởng ghép biến áp
Vẽ sơ đồ nguyên lý mạch, xác định các giá trị linh kiện Xét mạch: - Tính L và C’
Ta có tần số cộng hưởng tại,
Chọn giá trị L, ta suy ra C* Mà C* = C + C’ => C’ 47 48 12 10/3/2023
Sơ đồ mạch tương đương: Tỷ số biến áp: 49 50 Hàm truyền: Tỷ số biến áp: 51 52 13 10/3/2023 Ví dụ:
Cho mạch khuếch đại cộng hưởng có tần số cộng
hưởng fo=455 kHz, băng thông là 10MHz, L’=6.9 uH,
rb’e=Rb’=1kΩ, ri=5 kΩ, Rp=2kΩ, Cb’e=1000 pF, gm=0.1 S, RL=500 Ω, Cb’c=4pF. Băng thông:
a) Tìm tỉ số biến áp a.
b) Tìm độ lợi dòng điện tần số dãy giữa (midfrequency).
Tích số độ lợi và băng thông: 53 54 Giải: (Do a≤ 1) 55 56 14 10/3/2023
Mạch khuếch đại cộng hưởng nối tiếp Xét mạch:
Sơ đồ mạch tương đương: 57 58
Mạch khuếch đại cộng hưởng cascod Xét mạch: 59 60 15 10/3/2023
Sơ đồ mạch tương đương: 61 62 63 64 16 10/3/2023 Hàm truyền: 65 66
Bài tập: Phân tích đáp ứng tần số cao của mạch khuếch đại
BJT như hình vẽ dưới. Biết Transistor có hfe=100, fT=500Mhz,
Cb’c =4 pF, Ri=20Ω, R1= RL=RC =1KΩ, R2=5KΩ, RE=100Ω,
VCC=+5V. Các tụ CB=CC=0.33µF, CE=3.3µF xem như nối tắt
(bypass) ở tần số cao. Thực hiện các yêu cầu sau đây:
a) Vẽ mạch tương đương tín hiệu nhỏ tần số cao cho mạch.
b) Thiết lập biểu thức hàm truyền A
Tích số độ lợi và băng thông: v của mạch.
c) Vẽ biểu đồ Bode cho biên độ của Av(dB)
d) Xác định tần số cắt trên của mạch fH. 67 68 17 10/3/2023
Bài tập: Cho mạch khuếch đại cộng hưởng như hình bên dưới
a) Tìm L để mạch cộng hưởng tại 30Mhz.
b) Tìm băng thông mạch khuếch đại.
c) Tính độ lợi dòng biết 69 18