









Preview text:
lOMoAR cPSD| 59561451
BÀI THỰC HÀNH SỐ 1: Mô phỏng hệ thống điều khiển bộ Boost Converter Ngày thực
hành: 10-09-2024 Giảng viên hướng dẫn: Nguyễn Thị Thanh Quỳnh I. MỤC ĐÍCH
Làm quen với simulink trong matlab, bước đầu mô phỏng Mô hình bộ boost converter
sử dụng Simscape/Power systems/Specialized Technology, tìm hiểu sử dụng mô hình
trung bình ( Mô hình hóa trong không gian trạng thái ) và tìm hiểu khai thác phương
pháp điều khiển với các họ điều khiển PID và thông minh. II. NỘI DUNG
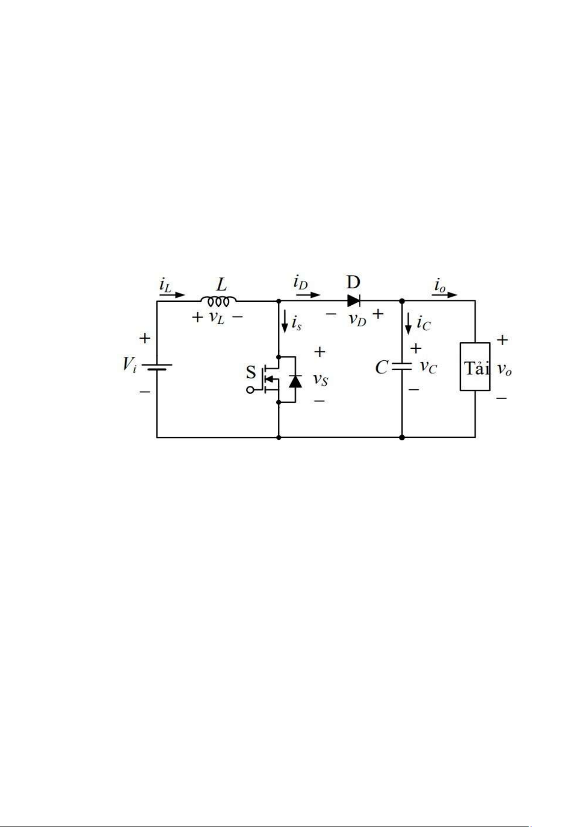
II.1. Cấu tạo và nguyên lý làm việc của sơ đồ hệ thống a. Cấu tạo
Hình 1.1: Sơ đồ cấu tạo mạch Boost converter
Dòng dương đặt lên cuộn cảm L, diode D, tụ C, trở R và MOSFET lần lượt theo chiều
iL, iD, iC, i0, is. Mạch hoạt động trong chế đọ liên tục.
Vi = 8V : Điện áp đầu vào
Vo= 24V: Điện áp đầu ra
Fs= 10kHz: Hệ số điều chế D (Duty ratio)
C = 470µF: Điện dung của tụ C
L = 0,213mH: Độ tự cảm của cuộn dây L R =
10Ω: Điện tử của con trở ( tải thuần trở) MOSFET:
b. Nguyên lý làm việc +) Khi van dẫn:
- MOSFET dân điện, đầu bên phải của cuộn cảm L được nối với cực âm
củanguồn Vi, cực âm nối với đầu còn lại của cuộn cảm, lúc này vì cuộn cảm L là 1
kho từ lưu trữ năng lượng nên không có dòng điện chạy trong phần còn lại của
mạch và nguồn điện chạy giữa cuộn cảm L và tăng dần từ 1 giá trị ban đầu là 8V. 1 lOMoAR cPSD| 59561451
Hình 1.2: Nguyên lý làm việc khi van dẫn +) Khi van khóa :
- MOSFET sẽ bị ngắt rất nhanh, iL giảm đột ngột làm cho cuộn dây L tạo ra một
sức điện động ngược, khi đó cực tính trên cuộn dây L ngược chiều so với thời gian
Mosfet dẫn, xuất hiện một điện áp tự cảm VL nối tiếp với Vin. Khi đó diode D phân
cực thuận với điện áp là(Vin + VL).
- Dòng điện tạo ra sẽ đi qua diode D và và nạp điện cho tụ điện C đến giá trị
(Vin + VL) trừ đi một ít điện áp trên D, đồng thời cung cấp cho tải cho đến khi van dẫn trở lại.
Hình 1.3: Nguyên lý làm việc khi van khóa
+)Khi van dẫn trở lại:
- Mosfet dẫn trở lại, diode D phân cực ngược, tải vẫn tiếp tục được cung
cấpđiện áp (VIN + VL) từ điện áp trên tụ điện C. Mặc dù tụ điện C xả điện qua tải 2 lOMoAR cPSD| 59561451
làm cho điện áp trên tụ giảm trong thời gian này, tụ điện C được sạc điện trở lại
mỗi khi van mở, do đó duy trì điện áp ngõ ra trên tải gần như ổn định.
Hình 1.4: Nguyên lý làm việc khi van dẫn trở lại II.2. Mô phỏng a. Công cụ mô phỏng
+) Ở đây em sẽ dùng matlab để mô phỏng. Cụ thể như sau: Bai1.m(m file) và
Simulink để mô phỏng hệ thống, trong đó em sử dụng các thư viện như sau: sources,
fundamental blocks, additional components, sinks. Từ các thư viện trên em sẽ có các khối như sau: - DC voltage source. - Parallel RLC branch. - Idea switch. - Power gui. - Current measurement. - Voltage measurement. - Terminator. - Bus selector. - Clock. - To workspace. - Scope.
b. Sơ đồ code/ mô phỏng 3 lOMoAR cPSD| 59561451
Hình 1.5: Mô phỏng Simscape
Hình 1.6: File.m xuất đồ thị
+) Ở đây em sẽ giải thích theo dòng và ý nghĩa của các câu lệnh trong bài: -
flệnh figure được sử dụng để tạo một cửa sổ mới cho việc vẽ đồ thị. Khi em gọi
lệnh figure, nó sẽ mở ra một cửa sổ mới mà em có thể sử dụng để hiển thị các đồ
thị hoặc hình ảnh mà bạn tạo ra bằng các lệnh khác. -
subplot (a,b,c) là lệnh dùng để tạo một lưới các cửa sổ đồ thị trong
cùngmột cửa sổ figure, cho phép em hiển thị nhiều đồ thị trên cùng một màn hình.
a, b, c lần lượt là số hàng, số cột và cuối cùng là vị trí đếm từ 1 trở lên khi nhìn từ
trên xuống dưới và từ trái qua phải như khi đọc sách vậy. -
plot(x,y) là lệnh để vẽ đồ thị 2 chiều x, y lần lượt là giá trị của 2 trục
hoành(x) và trục tung (y). -
xlabel và ylabel là các lệnh dùng để gán tên cho 2 trục hoành (x) và trụctung (y). -
Lệnh axis([a b c d]) được sử dụng để Đặt giới hạn trục x từ a đến b và
trụcy từ c đến d. -
Legend là lệnh dùng để thêm chú thích cho đồ thị. 4 lOMoAR cPSD| 59561451 -
Hold on và hold of được sử dụng như sau: hold on trước khi vẽ đồ thị
tiếptheo để giữ lại đồ thị hiện tại, và hold off để trở về chế độ vẽ mới. -
Lệnh set(gca, ‘FontName’, Arial, ‘FontSize’, 13) được sử dụng để thiết
lậpcác thuộc tính của đối tượng như sau:
· gca: Là viết tắt của "Get Current Axes", được sử dụng để lấy handle của trục hiện tại mà
bạn đang làm việc.
· 'FontName', 'Arial': Đặt tên phông chữ cho các nhãn trục (x và y) và các tiêu đề trong trục thành "Arial".
· 'FontSize', 13: Đặt kích thước phông chữ của các nhãn và tiêu đề thành 13. c. Kết quả
Hình 1.7: Kết quả chảy code của m.file 5 lOMoAR cPSD| 59561451
Hình 1.8: Kết quả chạy Mô phỏng simscape
d. Kết luận kết quả mô phỏng có phù hợp với sự biên thiên của các đại lượng vật lý
của hệ thống do các phần tử trong mạch mô phỏng được sắp xếp đúng theo mục
đích và gán các giá trị đúng với yêu cầu của đề bài.
Mô phỏng sử dụng mô hình trung bình
Hình 1.9: File.m khai báo các giá trị của biến 6 lOMoAR cPSD| 59561451
Hình1.10: Mô hình trung bình Kết quả:
Hình1.11: Kết quả chạy mô hình trung bình
Kết luận: Kết quả mô phỏng sử dụng mô hình trung bình có phù hợp với yêu cầu đề bài 7 lOMoAR cPSD| 59561451
Điều khiển phương pháp - Mô hình vật lý sử dụng Simscape/Power Shệ thống
Hình 1.12: Phương pháp điều khiển - Mô hình vật lý sử dụng Simscape/Power System Kết quả
Hình 1.13: Kết quả chạy mô phỏng mô hình vật lý
Kết luận: Tuy chưa tìm được thông số Kp và Ki phù hợp để điện áp đầu tiên luôn bằng
24V nhưng qua mô phỏng em có thể thấy Vo và Vi đầu ra là có thể chấp nhận được. Phương
pháp điều khiển sử dụng mô hình trung bình 8 lOMoAR cPSD| 59561451 9 lOMoAR cPSD| 59561451 Hình 1.14: file.m
Hình 1.15: Mô phỏng phương pháp điều khiển - Sử dụng mô hình trung bình III. NHẬN XÉT -
Trong bài thực hành 1, em đã mô phỏng gần như đầy đủ các yêu cầu bài đưa ra
liênqua đến bộ biến đổi điện áp boost converter. -
Em cũng nắm được cách hoạt động của bộ boost converter và căn bản hiểu
đượccách mô phỏng, sử dụng công cụ Simulink trong Matlab và em cũng có thể hiểu
sơ lược cách để chuyển 1 mô hình mạch nguyên lí sang 1 sơ đồ mô phỏng để quan sát
các kết quả thay đổi với từng trường hợp khác nhau. -
Qua bài thực hành và tìm hiểu từ nhiều nguồn thực tế ( các kết quả mô phỏng)
em đánh giá rằng bộ biến đổi điện áp boost converter 1 chiều DC-DC khá phổ biến trong
thực tế để tăng cường điện áp đầu ra. 10